Fórum témák
» Több friss téma |
Fórum » NYÁK terv ellenőrzése
Akkor viszont biztos jónak kell lennie!
Kicsit összébb nyomtam ne legyen akkora. Ha az induktivitásod nagyobb mint amekkorát én terveztem akkor azt módosítsd még.
Köszönöm. Igen a induktivitásom jóval nagyobb. Csatoltam a módosítottat.
Hány amperes ez a tekercs? így helyileg van vagy 10
Nem tudom, mivel az e-shop nem tüntette fel, de csak ekkorát találtam megfelelő induktivitásban.
Akkor is hatalmas
Csak hogy lásd mekkorának kellene lennie :Bővebben: Linkaz 1,8A-es méretei: Átmérő: 11 mm Hossz: 26 mm A hozzászólás módosítva: Szept 29, 2012
Hát hatalmas. 1mm vastag litzével van megtekerve egy négyzet alakú ferrit mag.
Újraterveztem mert a gnd-k nem voltak jók és így az egész rossz volt.. Nézd át hogy jó e mert nem volt rá sok időm és lehetnek benne hibák..
Sziasztok!
A csatolt kapcsolás nyákját valaki leellenőrizné ha nem nagy gond? Előre is köszi! Üdv Benji
Szia! Jónak tűnik, bár eléggé szét lett húzva. Mellékelem az én verziómat hátha lehet tanulni belőle.
Miért nem használjátok a teliföld opciót ? Gondolom a sprint is tudja ! Sokkal szebb lehetne a panel és szabadabban lehet elhelyezni a gnd re kerülő alkatrészeket. Egyébként korrekt a nyák jól néz ki ..
A hozzászólás módosítva: Okt 14, 2012
Szia!
Ezen ne múljon.. Bár egy képet átrajzolni teliföldelt rajzról sokkal nehezebb mint így, és amikor átrajzolja akinek kell, 2 gombnyomás a teliföld bekapcsolása.
Bocs, hogy belevau... Mi a manóért használjátok az alapértelmezett 0,4-es távolságot a teliföldnél? Én mindig megnövelem 0,9...1-re, hogy ne legyen zárlat.
Hi,
0.4 -nél miért lenne zárlat ? --- kokozo a full GND-nél miért huzalozod le külön a GND-t ?
Koszolódik a panel, lefolyik az ón (főleg kiforrasztásnál), esetleg átüt, stb...
Nembaj hogy belevauvau, sőt .. De mint írtam azért képként teszem fel, hogy akinek kell az le tudja másolni legyen bármilyen progija is! A teliföld átrajzoláskor szerintem zavaró lehet átrajzoláskor, és amikor kész van teliföldelheti mindenki a kedvére.
niedzeila: Azért mert teliföld nélkül tervezem és ott nem árt tudni, hogy mi hová megy, és miután teliföldelem utána lehet de nem muszáj törölni a vezetősávokat, amiket amúgy is a teliföld eltakar így akár maradhat is!
Még egy vaúúúúú. A teliföld pad-jainél nem lenne jobb thermal pad-et használni? Így a nagy felület miatt, nehéz forrasztani.
A hozzászólás módosítva: Okt 14, 2012
Köszi szépen a segítséged. Jól néz ki nagyon a tied.
Üdv!
Építenék 4 darab modult tda1905 ic-vel de a pdf-ben szereplő rajzban nincs benne a mute funkcióhoz kellő ellenállás helye valamint a potenciométer sem ,és nem is nagyon megy a fejből nyákrajz átszerkesztés eagle-ben a pad-eket nem tudom hogy kell megoldani) ha valaki segítene kiegészíteni nagyon hálás lennék akár egy kis szájbarágós oktatás se jönne rosszul, de nem akarok terhére lenni senkinek csak jól jönne nagyon a kiegészített rajz .köszönöm előre is a rámpocsékolt időt ![]() ipi
Szia! Melyik verzió kell a sok közül mert mutésből is van vagy 4.. A poti meg azért nincs rajta, mert azt ki szokták vezetni a doboz elejére, és vezetékkel kötik össze.
Üdv
figure 22-esre gondoltam, de nem értem miért is poti eddig úgy tudtam, tapasztaltam hogy mute esetleg ellenállás hogy a feszt beállíthassam kapcsoló és GND, akkor itt ezt most a változatos tápfeszek miatt kell így építeni?
Na ezért kérdeztem hogy melyik verzió kell
Ennél a verziónál ha jól nézem a 4-es lábra kötött feszosztó és buffer kondi határozza meg a késleltetési időt (késleltetett némítós verzió) a poti meg a hangerő poti. Ha az 5-ös lábra nem megy hanghullám akkor indítja a 4-es lábon a kondi feltöltését, de lehet hogy tévedek.
Na most van az hogy végleg belezavarodtam a dologba
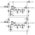
Na mindegy azért itt egy verzió. Sprint layout-om van csak, majd átrajzolod a sajátodba, És direkt nincs Teliföld mielőtt valaki szóvátenné
Köszi szépen amúgy nekem is van ám layoutom is meg eaglem is csak még a bonyolítások nem mennek valahogy én nem látom át így a dolgokat vagy nem tudom de még egyszer köszi
Nincsmit!
Sziasztok!
Ismét egy kis ellenőrzés kellene illetve ha van valakinek jobb nyákja ha nem baj közzétehetné. Az első kapcsolás az mono volt ezért az a nyákon sztereóra lett tervezve. Előre is köszi! Üdv Benji |
Bejelentkezés
Hirdetés |









eagle-ben a pad-eket nem tudom hogy kell megoldani) ha valaki segítene kiegészíteni nagyon hálás lennék akár egy kis szájbarágós oktatás se jönne rosszul, de nem akarok terhére lenni senkinek csak jól jönne nagyon a kiegészített rajz .







