Fórum témák
» Több friss téma |
Fórum » Ki mit épített?
Ez a téma ha úgy tetszik a mi "kiállítótermünk", nem pedig a ki mit csinált volna másképpen, mások helyett, és legfőképpen nem javítós téma.
Minden készüléknek van saját témája, ott kell kitárgyalni a részleteket!
FONTOS! A kapcsolási rajzok keresésére is van saját téma, ott keressetek rajzokat!
Nagyon szépen van kivitelezve. Csak gratulálni tudok hozzá!
Gyönyörű munka, nagyon tetszik. Gratulálok hozzá.
Az a vicc, hogy még senki nem kezdte le az angol/magyar felirat vitát...
Ha lesz kis midi, kérek az alomból egy hímet...!
Igazad van. Majd én. Magyar felirattal még szebb lenne.
Egyetlen hibája, hogy balkezes műszer.
Szerintem meg inkább előnye.
De nem az egyetlen. A hozzászólás módosítva: Okt 13, 2012
Ez egy érdekes felvetés, és azt kell hogy mondjam, hogy tényleg lehet benne valami. A kezelőszervek a bal oldalra kerültek. (A könnyebb és ésszerűbb kábelezés miatt elsősorban)
lajos1969: Nekem nagyon tetszenek a munkáid. Nagyon igényesen építed a dolgaidat.
Gyönyörű munka!! Gratula! Nekem is készül egy példány az Alkotós labortápból, de nekem nem lesz ennyire igényes meló mint a tiéd. (pláne, hogy elszúrtam az előlapot)
Ez nem tartozik ide, de azért megkérdem, hogy ampermérő és voltmérőnek is 200mV fesz mérőt alkalmaztál?? Én sajna ez egyikből 200V set vettem ami nem biztos h megfelel a célnak...Kigondoltam egy kisebb egyenirányítást a dc-s nagyobb feszmérőnek, hogy egy diódát rakok a - felére. Így fog mérni rendesen váltófeszt is? Vagy még kéne oda egy kondi?
A feszültségmérő 200V-os méréshatárban van, az árammérő pedig 200mV-os méréshatárban van. Az áram mérőhöz van egy osztó, amit alkalmazok a beállításhoz. A panelmérőkhöz nem nyúltam, ezek voltak az alap beállításai.
Tyíííí a mindenit, le a kalappal.Az enyém elbújhat a tiéd mögött.
![]()
Köszönöm Zoli "bácsi"! De Te is beleadsz apait anyait, sokan megirigyelhetnék!
A hozzászólás módosítva: Okt 14, 2012
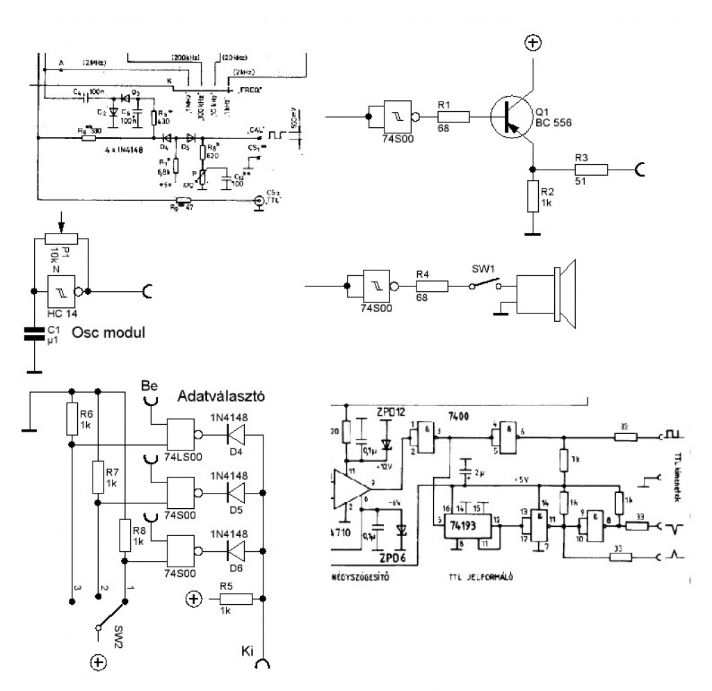
Üdv! Készült egy órajel generátor, fióktakarítás céljából A belső fix helyett lehet használni az előlapra helyezett oszcillátort, ami előbb dekádikusan, majd a peremkerekesekkel, (ami nyomógombos, így nem tudom minek hívják)1-99-ig kerülhet leosztásra.
Idézet: Gondolom van neki, nem hinném, hogy fejből rakta össze... „Kapcsolási rajz?”
Igazad van! Hiányosan fogalmaztam.
![]() Szóval Medve. Kapcsolási rajzot megosztod velünk?
Köszi, a dekadikus láncról nincs rajz, de a szokványos módon, SN7490-ekből épült fel, a kimeneteit két 7400-ból megvalósított MUX választja ki, azt a rajzon láthatod. Utána jön a programozható osztó, 3 db 74LS192-ből. A kimenet előtt van még egy 7474, hogy szimmetrikus legyen, majd három felé ágazunk, egy 0-500mV-os jelformálóra, ez a kapcsolás a HE folyóiratban jelent meg, egy szkópkalibrátorként, egy tűimpulzus formálóra, 74193-mal, ha felharmonikusok kellenek és egy "teljesítmény" meghajtóra, ez még nincs kész, talán LH0002, lesz, vagy valami hasonló. És még fütyül is, csak mert szeretem.
Köbzoli: Mire jó az izé? él-alkony-kapcsoló? Vagy sorompó? A hozzászólás módosítva: Okt 15, 2012
Mire lesz használva ez az izé-bigyó? Jól néz ki. A vezeték bekötést nem értem. Az miért nem a nyákon megy?
Szerintem számolja az eltelt napokat, vagy a helységbe belépőket/kilépőket, esetleg a futószalagon elhaladó csirkekonzerveket...
Gyártanak még csirkekonzervet..?? Ez és gyulai tubusos kolbász a kedvencem!
Én egy univerzális mérőműszert építettem ATmega328-as mikrovezérlővel. Funkciói röviden: logikai szintjelző, feszültségmérő (csak 0..5V-ig), ellenállás mérő, kapacitás mérő, dióda tesztelő, frekvencia mérő (felső határ kb. 6MHz lehet), esemény számláló, impulzus generáló, négyszögjel generátor (százvalahány Hz-től 6 MHz-ig), PWM jelgenerátor, R/C szervó tesztelő, RS232 tesztelő, MIDI tesztelő. Ami hiányzik: az induktuvitás mérés.
Az ötlet a PIC-es Superprobe-tól jött, de én az AVR-eket ismerem jobban. A hozzászólás módosítva: Okt 17, 2012
Sziasztok
Végre befejeztem az eddigi legnagyobb pic-es projektemet, mely egy számítógépházban fogja a szellőzést szabályozni. A lelke egy 16F1938 mely 20Mhz-es kaviccsal ketyeg, manuális mód mellett egy lm35dz hőmérő szenzor vagy feszültség alapján szabályozza a servo mozgását, mely egy lamellasort fog nyitni zárni a szabályzási értékeknek megfelelően. Beállítható a szabályzási küszöbérték, mely hőmérséklet mérés esetén 20°C-tól 60°C-ig állítható, feszültségmérés esetén 3V-tól 9V-ig, a beállított érték felett kezdi csak el szabályozni a lamellák nyílásszögét. Beállítható a szabályzási meredekség, hőmérséklet mérés esetén 0,25°C/°-tól 2,5°C/°-ig 0,25-ös lépésekben, feszültség mérés esetén 0,25V/5°-tól 2,5V/5°-ig szintén 0,25-ös lépésekben. Beállítható a lamellák maximális nyílásszöge ami 30°-tól 90°-ig állítható, továbbá az lcd kijelző fényereje pwm segítségével 0-100% között. Manuális módban a bemenet választás és a szabályzási értékek menüpontja nem elérhető. Van még négy darab rejtett menü, amihez a set gomb hosszabb lenyomásával lehet eljutni (5,10,15,20s), az elsőben alaphelyzetbe lehet állítani az áramkört, a másodikban egy villog ledet lehet bekapcsolni, ezek a fejlesztés közben jöttek jól, a harmadik menüpontban a servo elmozdulási szorzóját lehet beállítani, hogy a lamellák tényleges elmozdulási szöge megegyezzen az lcd-re kiírt értékkel, végül pedig a gombok sorrendjét lehet megváltoztatni. Alap esetben balról jobbra set, plusz, minusz, exit, átállítva: balról jobbra: minusz, set, exit, plusz. A működéséről készült egy kis video. További képek elérhetőek a picasa albumomban Bari A hozzászólás módosítva: Okt 17, 2012
Még nézni is csodás, gratulálok, nagyon profi munka!!!
A tőled megszokott minőség! Nagyon szép panel, frankó áramkör... Ha jól látom az atx-ről megkapja a készenléti +5V-ot is? Így miután kihűlt a gép, akkor csukodna be a lamella?
(Én is hasonló megoldáson töröm a fejem, egy új gépháznál) A hozzászólás módosítva: Okt 17, 2012
A nyákon az a kukába nem dobd című figyelmeztetés az valami eszmélet jó.
![]() Egy valamit nem értek a videón látszik , hogy hátul a ventilátor elindul , de figyeltem , hogy valami vezérlést fog e kapni , de nem vettem észre semmi változást , és ahogy olvastam te sem írtál róla semmi konkrétat.Ez ha jól értem a hőfok függvényében változtatná a ventilátor sebességét is , vagy csak a szellőzést elősegítő lamellákat nyitná zárni ? Ez egy zsalumozgató elektronika .Lehet , hogy a lamella mozgatás helyet célszerűbb lenne egy plusz ventilátort vezérelni vele , hogy hamarabb átszellőzőn a PC háza Ez olyan helyre lenne jobb szerintem ahol nagyobb saját áramlási mennyiség van , és azt lehetne vele szabályozni mint mondjuk a folyókon a zsilip rendszer.De egyébként szép munka .
Köszönöm mindenkinek
![]() inci88: jól látod az atx-es tápról a készenléti 5V-ot is megkapja, lényegében az adja a pic tápfeszültségét. A normál 5V-ot csak figyeli, ha jelen van csak akkor mozgatja a servot. Jelenleg a gép kikapcsolásakor zárnak a lamellák, de lehet, hogy választhatóra teszem menüből, hogy az általad leírt módon a gép kihűlése után zárja be, bár ehhez a ventilátor vezérlőnek is be kapcsolva kellene lennie, az a része kérdéses, na majd a következő projektben. eyess A ventilátorok vezérlését egy NZXT Sentry 2 ventilátor vezérlő végzi, így ez az áramkör csak a lamellák mozgatásáért felelős, ami vagy az egyik ventire jutó feszültség vagy a hőmérő szenzor alapján tesz meg. Bari |
Bejelentkezés
Hirdetés |





De nem az egyetlen. 

















