Fórum témák
» Több friss téma |
Köszönöm a választ, természetesen a hővédelem alatt a kondenzációs védelmet értettem csak rosszul fejeztem ki magam, a csőtermosztátos vezérlés nagyon jól működik természetesen csak jó minőségű alkoholos jó kapcsolási pontosságú termosztátokat szabad használni ha érdekel lerajzolom hogyan lehet nagyon jól levezérelni vele egy négyjáratút.
Röviden annyi hogy a zárást és a nyitást is egy külön termosztát végzi az egyik a kapcsolási hőmérséklet alatt zárja az áramkört és a szelep zárni kezd, a másik pedig a rajta beállított hőmérséklet fölött zárja az áramkört és a szelep nyitni kezd. a két hőmérséklet között pedig nem kap vezérlést, így a megfelelő nyitási pozícióban marad. A kérdésem lényege az hogy hidrosztatikailag problémát okozhat e ha a négyjáratú szelep a keringető szivattyú után van beépítve, mert minden rajzon a szivattyú átszívja a vizet a négyjáratún, én pedig át tolni szeretném rajta.
Átrajzoltam a rajzodat, a zöld nyilak a padlófűtés, a fekete nyilak a főkőr áramlási irányát jelzik. Még egyszer elmondom, hogy a rövid köröket nem kössük sorban össze, hanem az osztón lévő szelepekkel szabályozzuk be őket!
Köszi a rajzot! Van amit megértettem és még mindig van, amit nem értek. Ami az összekötést illeti: érthető, amit javasolsz és remélem majd lehet is szabályozni az osztón , mert most nincs lehetőségem, hisz a víz (mint korábban írtam) csak vánszorog /1-1.5lityi víz folyik percenként/, remélem ez a gondom megoldódik ha az osztó előtt lesz ker.sziv.
A túl-áram szelep is érthető, hisz ha term.3járatú szelep elzár akkor van hová menni a víznek. Az a kérdésem, a túláram szelep után lévő visszacsapó szeleppel kapcsolatban van: Ha jól értem:a rajz szerint a visszatérő padlóvízből újra bekeverünk a bemenőbe (ami ok), de túláram-szeleptől érkező meleg víz nem tud átjutni a szelepen (ami nem ok). És ha netán fordítva kötjük be, akkor a visszatérőn nem kerül a melegbe (rendben), de a túláram szeleptől érkező meleg bekerül (ha zárva term.3járatú sz.) a visszatérőbe (nem ok). Valamit nagyon nem érthetek.? A hozzászólás módosítva: Okt 17, 2012
Bocs: az összekötést (is) rosszul rajzoltam. A gyűjtőtől érkezőt kellett volna a rajzon hozzákötnöm az osztón lévővel.
Most látom fordítva rajzoltam be a visszacsapó szelepet, de ettől függetlenül mellette van az áramlási irány. Úgy működik, hogy amikor a radiátorokon zár a termosztatikus szelep és a háromjáratú szelep is zárja a bekeverést, akkor a túláram szelep nyit, és visszaengedi a visszatérőbe a nyomást, ezzel tehermentesíti a főkőri szivattyút.
A hozzászólás módosítva: Okt 18, 2012
Ez a rajz amit rajzoltál nem jó! A radiátorkör keringetőjén megy át a padlófűtés "vize" is, ez kézbemntarthatatlan áramlásokat okozhat, ráadásul így a padlófűtés szivattyúja még (nyitottabb keverőszelep állásnál) a radiátorok "elől" is elszívhatja a fűtővizet! Kicsit átrajzoltam egy régebbi hozzászólás mellékletét, naggyából így kellene kötni a két rendszert, hogy az egymásrahatását el lehessen kerülni. Sajnos ez céges gép, nem engedi feltölteni a képet. Ha hazaérek akkor felteszem onnan a képet!
A hozzászólás módosítva: Okt 19, 2012
Úgy érzem, hogy a fogalmakat keverjük, vagy nem egyformán értelmezzük.
Más feladata van a keverőszelepnek és más a váltószelepnek. A váltószelep a vizet vagy az egyik, vagy a másik irányba tereli. Ezért a logikája vagy-vagy. A keverőszelep a két irányból érkező hideg és melegvízből állít elő egy köztes hőfokot. Ezért a logikája is-is. Ebből is, abból is................. A keverőszelepnél meghatározunk (beállítunk) egy elvárt kimenő hőfokot, amit folyamatosan mérünk. A szelepmotort impulzusokkal (lépésenként) mozgatjuk jobbra-balra, miközben folyamatosan MÉRÜNK. Tehát egy állandó visszacsatolás van a kért (elvárt) hőfok, és a tényleges hőfok között. Ezt a szelepmozgató motor impulzusszerű, de folyamatos keverésiarány változtatással próbálja megoldani. A csőtermosztát folyamatszabályozásra nem alkalmas (nem arra való) , ő csak egy beállított hőfoknál átkapcsol. A kapcsolása vagy-vagy. Vagy ide kapcsol, vagy oda. Tehát a keverőszelep motorját az egyik végállásból átforgatja a másik végállásba. Tehát nem kever, hanem vált. Húúúúh, nem voltam nagyon szájbarágós? Az autótermosztátos hasonlatod pont egy folyamatszabályzásról szól, ott a szabályzást a hőérzékelő szelence (vagy mi a ráknak híjják) végzi. De akkor miért nem egy termoérzékelős keverőszelepet építettél be, ami külső segédenergia nélkül elvégzi az előremenő meleg visszakeverését a vegyes visszatérőjébe?? Típust nem írok, mert pont itt, korábban olvastam valamit a különböző gyártók termékeinek minősítéséről, és ennek még nem érdeklődtem utána.....................
JZoli: Gondolom a mellékletben lévő körökkel elégedett lennél. Ha vésni fogok, akkor így fogok vésni. (a visszacsapók, túláram szelep, termosztatikus szelep, szivattyú, tágulási tartály nélkül)A padló.f. szivattyúját és a termosztatikus szabályzót Te hová tennéd: az elosztóhoz vagy a kazán után? A padlókörnek is kellene saját tágulási tartály (nem rajzoltam be), ha van a kazán előtt a visszatérőnél?
Ha nem fogok vésni, akkor (akkor is fogok vésni a vályogba) sokak általa javasolt hőcserélőnek és a többi kütyünek kell helyet találnom.
„A radiátorkör keringetőjén megy át a padlófűtés vize" még jó hogy ott megy át nem pedig a szomszédba. „Ráadásul így a padlófűtés szivattyúja még (nyitottabb keverőszelep állásnál) a radiátorok elől is elszívhatja a fűtővizet!” igen és akkor be fognak horpadni a radiátorok.
A viccet félretéve eleve a főkőri szivattyúnak nagyobb tömegáramúnak kell lennie. Amúgy türelmesen várom a rajzod.
Taki33, én is kiváncsi vagyok JZoli rajzára, ezért most egy újabb rajzzal "provokálom": előbb kifelejtettem a lényeget, igy most már nem fog a radiátor keringetőjén keresztülhaladni. (már előbb is meg volt a rajz, csak rosszat töltöttem fel)
Taki33-nak milyen igaza van, tényleg nem a "szomszédba"
megy a víz, hanem a kazánba, ahol találkozik a padlóvíz a radiátorvízzel és akkor...
Ez az "elszívás" azt jelenti, hogy nem áramlikvíz a radiátorok felé, és így nem fognak fűteni, nem azt írtam, hogy ki fogja szívni a radiátorokból a vizet! Semmilyen fűtési megoldásnál nem helyes, ha a fűtővíz két egymás tkövető szivattyún is átmegy mert a nagyobb teljesítményű mindenképpen dominánsabb az az meghatározóbb lesz, így a másik szinte semmilyen hatással nem lesz a rendszerre! A rajz hamarosan kész lesz, remélem ha hazaérek azonnal meg tudom csinálni!
Sziasztok!
Van egy báláskazános, puffertartályos , csőkígyós (használati meleg víz), hőcserélős, padlófűtéses és gázkazános rendszerem, összesen 5 db keringető szivattyúval. A rajzot mellékelem. A kérdésem hogy szerintetek hogyan kellene nekem ezt vezérelnem, mikor melyik szivattyút kapcsoljak,mivel. Jelenleg nem túl jól működik szerintem, mivel a csőtermosztáttal indítom a szivattyúkat (1,2,3,) és bent egy szobatermosztát vezérli. A padlófűtés szivattyúja meg állandóan megy, (direktre van kötve) ami így vissza is hűti a rendszert. Az 1 -es elektromos szelep nyitott állapotban van elsőnek és a 2 es zárva, ezt a potival tudom szabályozni mikor nyisson, mikor zárjon. Azért lett így csinálva hogy elsőnek közvetlen tudjam fűteni a lakást, ne kelljen megvárni míg a puffertartály felmelegszik. De mivel az1 es szelep előtt van egy átkötés a puffer tartályba így amikor hideg a lakás a lehűlt tartályban lévő vizet is bekeringeti a kazán meleg vízével együtt. Hőmérőket tettem a csövekre így tesztelem. Esetleg ha valakinek lenne jó ötlete hogyan vezéreljem akkor azt megköszönném. A padlófűtés vezérlése is kérdés lenne? Köszönöm előre is.
Ez egy nagyon érdekes megoldás
Hasonló hidraulikát még nem nagyon láttam . Először 1-2 kérdés, a gázkazánnak ugye nincs saját szivattyúja? Van-e a bojlerbe valami érzékelő? Pöttyözd Be légy szíves az összes csomópontot, és rajzold be a visszacsapók irányát. (bár egyértelműnek tűnik) Kicsit érdekes helyen van a hőcserélő. Le tudnád rajzolni a cső termosztát a termosztát és a szivattyúk bekötését. Az 5-t mi indítja? A Gázkazánt a szobatermosztát indítja? Mi a gázkazán típusa?
Az hogy mi mire való az egy dolog, egy autó központzárvezérlését megoldhatod egy 8000 ezer forintos elektronikával, mert arra való, ráírták.
De ha tudod hogyan működik akkor két 300 ft.-os relé megfelelő bekötésével ugyanazt meg lehet csinálni. Egy hőmérséklet kapcsoló (csőtermosztát) valóban nem folyamatszabályzásra való mert egy hőmérsékletet tudsz beállítani rajta és vagy az alatt vagy az felett zárja az áramkört, attól függ hogy hogyan kötöd be, de ha kettőt használsz kész a folyamatszabályozás, mert az egyik akkor zárja az áramkört ha a beállított hőmérséklet fölött van a víz és akkor a szelep nyitni kezd de ennek hatására a vízhőmérséklet csökkenni kezd ami lekapcsolja a csőtermosztátot és a szelep így úgy marad ha a víz újra melegedni kezd újabb vezérlést kap a szelep és még tovább nyit addig a amíg a víz újra ki nem hűlik és a szelep újra megáll vagyis impulzusvezérlést kap, ha teljesen kinyit a szelepben lévő mikrókapcsoló szakítja az áramkört (ez gyárilag be van építve minden motoros szelepbe) ha a víz hűlni kezd a másik csőtermosztát lép be a képbe mert ő akkor kapcsolja a szelep záró áramkörét ha a vízhőmérséklet a beállított alá csökken elkezdi zárni a szelepet amitől a vízhőmérséklet emelkedni kezd és a csőtermosztát lekapcsol a szelep úgy marad ha a víz tovább hűlik ujra zárni kezd majd megáll, ez így megy a teljes zárt állapotig ahol ugyancsak a szelepbe épített kapcsoló szakítja meg az áramkört. Kész a teljes impulzusvezérlés, persze vehetnék egy elektronikát kb. 50000 huf-ért amiben ugyanezt egy hőérzékelő egy mikroprocesszor és két tranzisztor végzi, helyes ki műanyagdobozban van és még a mért és beállított hőmérsékleteket is kijelzi. És mert arra való. A négyjáratú keverőszeleppel én nem az előremenő vízhőmérsékletet akarom szabályozni hanem a visszatérőt a kazánba, ezért akarom a szivattyú után bekötni a rendszerbe, de abban igazad van hogy erre a termosztatikus szelepet szokták használni de azok egy fix beállított értéken működnek és meghibásodás esetén nem tudsz belenyúlni manuálisan a működésébe amíg egy motoros négyjáratú keverőszelepet manuálisan is ki tudsz nyitni ha gond van vele vagy bármelyik alkatrésszel. Amikor a kazánomat megvettem (HERZ) adtak hozzá egy négyjáratú keverőszelepet hogy csak azzal szabad beépíteni, de az sima kézi állítású, ezt szeretném egy automatikusan működő motorosra cserélni.
OK, én azt szoktam mondani az ügyfeleknek, hogy szabad országban élünk, a kerítésén belül mindenki azt csinál, amit akar!
Én csupán arra próbáltam rávilágítani, hogy a csőtermosztát hiszterézise 15-20 fok (jó esetben), egy átlagos hőfokszabályzóé is 8 fok. Ekkora hőfokingadozással nehezen tudok folyamatszabályozást elképzelni, ahol néhány tizedmásodperces mintavételezéssel állítunk be néhány fokos eltérést. Ha ilyen vezérlésre van szükségem, akkor azt tíz körül gyártják nekem, hőfokkijelzéssel, állítható, mért elmenővel, jobbra-balra impulzus kimenőfeszültséggel....................... De igazából nem tudok mit kezdeni a csőtermosztátfanokkal............
No, megpróbálok sértegetés és megbántás nélkül véleményt mondani a rendszeredről.
Előljáróban annyit, hogy szerintem egy fűtésszerelőnek elvárható felelőssége lenne értenie ahhoz, amit elvállal. Ehhez hozzátartozik az is, hogy a jól kialakított hidraulikához vezérlési megoldást is ajánl. Egy ákombákom hidraulikához persze nagyon nehéz vezérlést kreálni. De nézzük a te esetedet. A fűtésoldali rendszered alapvető hibája, hogy a radiátoros és a padlókör nem működtethető külön. Úgy gondolom, csak egy szobatermosztát vezérli.............. Ennek a hátránya karácsonyra világossá fog válni. Hogy a hőcserélő minek kell, arra csak tippelni tudok. Valószínű, hogy a fáskazán kör nyitott rendszer. Ez úgy-ahogy rendben is lenne. Én elhibázottnak tartom motoros szelepek beépítését a fáskazán-puffer-hőcserélő körben. Vagy csak a puffert fűteném , mivel ha már egyszer befűtök a fáskazánba, akkor fűtsem fel az egész puffert. Ha pedig előnykapcsolást szeretnék a lakásnak, akkor azt két szivattyúval oldanám meg. Így elkerülném a fáskazán megforralásának veszélyét, ugyanakkor a felesleges (a lakás számára felesleges) hőt a pufferba tudom kormányozni. Szerintem ugyanis tiszta tüzelőpocsékolás a puffert 35 fokról 44-re fűteni, mert azt a hőt gyakorlatilag nem tudod felhasználni. Másszóval, egész télen lesz langyos víz a pufferedben, de az miért jó neked? Tehát ha megrakod a tüzet, akkor fűtsed fel a puffert az aljáig. A puffer felső harmadában (negyedében), ahol egyébként is illik mérni a hőfokot annak eldöntésére, hogy gáz vagy pufferfűtést válasszunk, gyorsan emelkedik a hőmérséklet a rétegtárolás miatt. Ezért sok értelmét nem látom annak, hogy a lakásfűtésre váltatod a rendszered. Elárulok még annyit, hogy olyan dinamikus hőfokemelkedést figyeltetünk a fáskazánban, hogy az a várható hőfoknövekedés esetén előre tiltja a gázkazánt. A puffer aljából meg biztosan nem kötném élesben a fáskazánt a kondenzáció miatt................... A hozzászólás módosítva: Okt 24, 2012
Újra én zavarok.
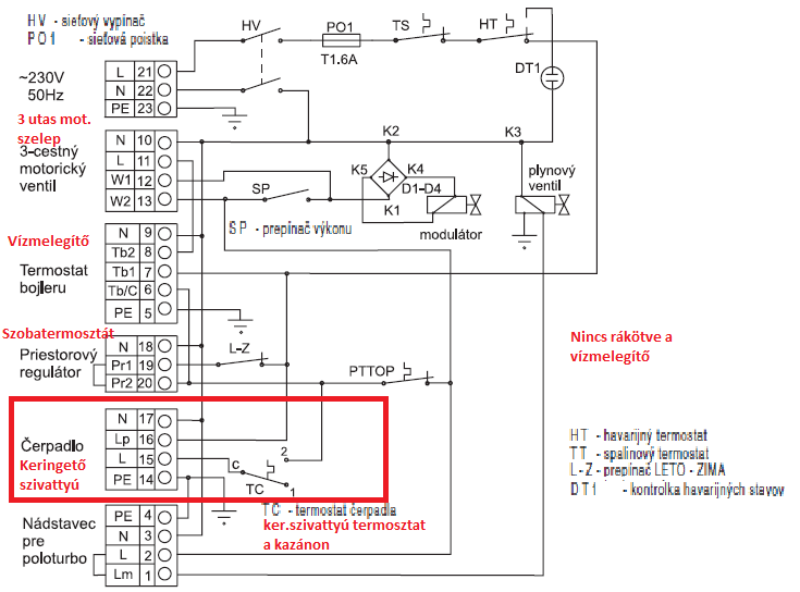
A rendszeremen még nem változtattam semmit. Fűtünk, ahogy tudok... De sajnos - a fórumon található korábbi megjegyzésekből - kiderült, hogy a gázkazánunk lehet, hogy ki van téve a kondenzációnak (még nem teljesen tudom, hogy mit jelent... ha jól tudom akkor lép fel a kondenzáció ha túl kicsi a visszatérő víz hőmérséklete a kazánba). Nos a kazánomnak van egy olyan beállítási lehetősége ami a kazán után lévő szivattyú indítását késlelteti. Nos mint kiderült ez is rosszul lett bekötve, mert a szivattyú egyfolytában megy, és megy, és megy..... A mellékletben küldöm a bekötési rajzot és a bekötés rajzát. De ha át is kötném a kék vezetéket a 15 (kazán termosztatjára) még akkor sem tudom, hogy mikor indítsa a szivattyút, milyen hőfoknál, mert a leírásban az olvasható, hogy az érték a helyi körülményektől függ. Ha tudna nekem valaki ebben segíteni, megköszönném. (Tudom, hogy a csak kérdésem első része elektromosság, de megpróbálkozom) A hozzászólás módosítva: Nov 1, 2012
Szia! Azt mondtad SD 20-50 KLOM típusú a kazánod. A kapcsolási rajzán nincsenek beszámozva a bekötési pontok de nem mindegy, hogy hová kerül bekötésre a fűtési kör szivattyúja. HMV akkor nincs a rendszerben?
Sajnos nem felel meg egy az egyben a kazán típus. Magyarországon nem találkoztam ezzel a típussal: http://www.protherm.sk/produkty/plynove-kotly/nekondenzane-kotly/st...d-plo/ . A KLOm csak hasonlít hozzá.
A KLOM-nak van nálunk (Felvidék) is megfelelője. Nincs HMV tartálya. Most látom, hogy a KLZ-nek van HMV tartálya a KLOm-nak nincs. A hozzászólás módosítva: Nov 1, 2012
Jó, jó de a vezérlője gondolom tudja, mert kialakítható hozzá az a kör, mert az is opcionális. A szobatermosztátot a rövidzár (19-20) helyére kell kötni és a többit az elektronika tudni fogja melyik szivattyúkimenetet hogyan működtesse (15-17) pontokon.
A hozzászólás módosítva: Nov 1, 2012
Mint korábban írtam a szobatermosztátot lekötöttem, mert nem működött a rendszer (a kazán). Tehát a 19-20 most rövidre van zárva. Ugye ha jól értelek, ha a termosztát jó lenne bekötve akkor működtetné a kazán termosztatját is? Ha igen, akkor fog jönni a kép a termosztátomról és bekötéséről. ...
A hozzászólás módosítva: Nov 1, 2012
Jó lenne egy átfogóbb kép az elektromos bekötésről és becímezve lefordított szöveggel.
Ha kellene még valamit fordítani csak írj.
Most találtam a magyarországi leírások között egy bekötési rendszert az én esetemre.
(A mellékletben küldöm) A vezérlésem nem lesz megoldható, mert a kazánunkban nincs lehetőség beépített időjárás követő szabályozásra, nincs programozható kapcsolóóra. Továbbá nem tudom, hogy a HMV tartály ami a kazánokban van az helyettesíti ezen tipusú kazánoknál az "Indirekt fűtésű tároló"?
Mivel nincs saját szivattyúja a kazánnak így azt működtetni kell a rendszerben és meg kell oldani az utókeringetését is. A szivattyútermosztát a kazánon az kapcsolná az utókeringetést? A TC pontjai ki vannak hozva valahová? A HT és a TS az melyik érzékelője a kazánnak?
a HT - Túlmelegedési termosztát lehet (biztonsági termosztát). a TS a termosztát RESET gombja? Nem tudom. (a HV- hálózati kapcsoló, főkapcsoló)
A "TC" keringető szivattyú termosztát a kazánon az valamelyik kezelő szervvel állítható, vagy csak ki van vezetve egy fix érték? Tehát az 1, 2, C pontok honnan vannak kivezetve vagy csak a C pontja van kihozva? Mert ide kellene beiktatni a szivattyú utókeringetési késleltetőjét (egy kondenzátort és vele párhuzamosan egy ellenállást), a 16-17 pontokról direktbe megy a szivattyú. Az "L-Z" és "PTTOP" érzékelők milyen funkciót töltenek be? Az "SP" az állandóan be kell, hogy kapcsolva legyen ahhoz, hogy a modulátor működjön.
|
Bejelentkezés
Hirdetés |







A viccet félretéve eleve a főkőri szivattyúnak nagyobb tömegáramúnak kell lennie. Amúgy türelmesen várom a rajzod.
megy a víz, hanem a kazánba, ahol találkozik a padlóvíz a radiátorvízzel és akkor...

Hasonló hidraulikát még nem nagyon láttam . Először 1-2 kérdés, a gázkazánnak ugye nincs saját szivattyúja? Van-e a bojlerbe valami érzékelő? Pöttyözd Be légy szíves az összes csomópontot, és rajzold be a visszacsapók irányát. (bár egyértelműnek tűnik) Kicsit érdekes helyen van a hőcserélő. Le tudnád rajzolni a cső termosztát a termosztát és a szivattyúk bekötését. Az 5-t mi indítja? A Gázkazánt a szobatermosztát indítja? Mi a gázkazán típusa? 



(A mellékletben küldöm) A vezérlésem nem lesz megoldható, mert a kazánunkban nincs lehetőség beépített időjárás követő szabályozásra, nincs programozható kapcsolóóra. Továbbá nem tudom, hogy a HMV tartály ami a kazánokban van az helyettesíti ezen tipusú kazánoknál az "Indirekt fűtésű tároló"? 


