Fórum témák
» Több friss téma |
Sziasztok véletlen nem tudnátok egy kapcs rajzot ehez az ic-hez? B1403N Egy Technics keverőből sikerült megmentenem ledekkel együtt 4IC 20led-et hajtott.Mert a nyák olyan állapotban volt,hogy semmit nem lehetett látni rajta.
Köszönöm!!Ha google-re gondolsz szoktam használni,igaz ezt a rajzot nem de az AN6884 es-ét megtaláltam.Csak én a PC-m előlapjába szeretném beépíteni úgy hogy 2x7db led van 2 oszlopba betokozva(bocs nem 20)ezt hajtotta 4 IC.Szóval azt nem tudom hogy ezt a 4IC-t hogy kössem össze a ledekkel,ha ebben esetleg tudnál segíteni,ahogy látom nagy szakértő vagy ebben a témában is.De ahogy látom a megoldott témáid listája is szép hosszú.
Én meg csak 3 hónapja tanulok elektronikát
Hello!
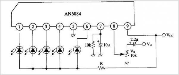
Sajnos nem igen tudok korrekt választ adni a kérdésedre, mert még a kezemben sem volt ilyen IC. Amúgy ez elég kompakt kis szerkezet ami eredetileg a Sanyo LB1403N lehetett. Belső referenciája van, amin nem lehet módosítani, tehát valami trükkel kellene kaszkádosítani két IC-t, hogy ne 5, hanem 7 Led-et vezéreljen két IC. Lehetne azt is tenni, hogy az egyik elé, egy 16dB-es erősítőt tenni, és akkor ez lenne az érzékenyebb, mint ahogy LM3915 adatlapjának 6. ábrája teszi. Vagy még is visszarajzolni a nyákról a kapcsolást, mert túl komplikált nem lehet, ha már tudható az IC-nek melyik lába mi. (A rajzon amit először linkeltem be, helytelenül fordítva vannak a Led-ek berajzolva. De az adatlapon már jó.) üdv! proli007
Hát inkább restauráltam a régi panelen a VU részt
Most már csak rá kell jöjjek melyik kivezetés mi.De gyors összeraktam egy AN6884 est 5 leddel abban kérhetnék egy kis segítséget hogy kell rákössem a PC-re gondolom a 12V a gépből jó,de erősítőm nincs hanem egy házimozi van a gépre kötve sima AUX- kábellel.
Hello!
Az AN6884 bemenetét kösd az AUX pontra, és állítsd az erősítését úgy be, hogy "kalimpáljon". üdv! proli007
Elnézést ennek elvileg működnie kéne ugye?
A gépem elejébe csináltam azért van ott az a nyomógomb dolog.A rajz csak részben az enyém.
Hello!
Igen működni kellene, de az adatlap, 9V tápfesz mellett, a Led-ekkel sorosan (a közös Led anódok, és a +9V közé) egy 27ohm-os ellenállást javasol betenni. A bemenet és a GND közé, egy ellenállást illene tenni, mert egy bemenet nem lóghat a levegőben. Persze kérdés mire kapcsolod rá, mert az is biztosíthatja ezt a funkciót (ellenállást). Rajzot ide az oldalra tedd fel, ne máshová, mert az idővel "eltűnik" és png formában mert a jpg képekhez való, összemossa a dolgokat. üdv! proli007
Hogy mekkora hü..e vagyok
Most látom csak hogy 3,5V a nyitófeszültség(nem tudom honnan szedtem ezt a 9V-ot )De a bekötéssel még mindig bajban vagyok,mivel a gépbe szeretném bekötni a hangkártyakimenetről kéne leszedjem a jelet egy Jack dugó elosztóval. De a hangkártyán túl kis jel jön ki ahhoz hogy meghajtsa az IC-t nem?Lehetne ehhez esetleg egy BC182B -s tranzisztoros erősítést csinálni valahogy??És az elég lenne neki?Bocsánat ha nagy marhaságokat kérdezek.
Hello!
- Mi az a nyitófeszültség? A 3,5V az IC minimális tápfeszültsége. (3,5..16V) - Honnan veszed, hogy nem fogja kivezérelni a gép? Adatlap szerint a 0dB-es Led 57mV-nál jelez. Mivel a legutolsó Led +6dB-t jelent, ami kétszeres feszültségviszonyt jelent, 114mV-nál már jelezni fog az utolsó is. Ennyit csak lead a gép? üdv! proli007
Üdv! Iszonyúan keresek COMPONEX L 2 kivezérlésjelzőből 1 darabot az öreg Soundcraft S 200SR pultomba! Vagy egy pár 60x45 milliméteres deprez műszert, amivel esztétikusan helyettesíteni tudom a leharcolt darabot és párját.
Ha bárkinek van elfekvőben, kérem, hogy értesítsen akár itt, akár a boroczgyula(kukac)gmail(pont)com mail címen. Nagyon fontos! Köszönettel: Böröcz Gyula
Helló!
neken van négy db 2x2-tő kivezérlésjelző panellel egyben ha érdekel .valamikor egy studió keverőben volt
Sziasztok!
http://www.youtube.com/watch?v=zdTy7gpzpSM&feature=related Ezt a VU metert meg lehet oldani ezzel a nyáklappal? http://www.st.com/internet/evalboard/product/252419.jsp Lehet hogy teljesen hülyeséget írtam, viszont abszolút nem értek hozzá. Tudom hogy vannak kit-ek az interneten, de azokkal ilyen eredményt nem igazán lehet elérni. Nagyon megköszönnék egy két segítő hozzászólást, vagy ha bárki tudna KONKRÉTAN segíteni, akkor nem sajnálok rá egy kisebb - nagyobb pénzösszeget sem. És a félreértések elkerülése végett: nem akarok ilyet tanulni, nem is fogok, csak tetszik, ha van rá mód, mint egy legot a használati utasítással össze lehessen rakni, akkor én azt keresem. Köszi
Sziasztok segítségre lenne szükségem egy neon vu metert szeretnék építeniBővebben: Link
Sziasztok! Egy kisebb keverőbe szeretnék egy kivezérlésjelzőt. Sajnos a táppal az első 4 led folyamatosan világít, afölött rendesen, ütemre villognak a ledek, majd 5 perc után elkezd sütni az LM3915 Ic, meg a LM317 IC ill. annak hűtőbordája is túl meleg. Ha 2 db 9v-os elemmel csinálok szimmetrikus fesz.-t, és azzal hajtom meg az áramkört, tökéletesen működik. Kipróbáltam még egy másik táp áramkörrel is, ami nem szimmetrikusból csinál szimmetrikus feszültséget, azzal pl. jól működött, de ott is elkezdett (túl hamar) melegedni az IC, meg a táp 7815-s IC-je is! Tudom, hogy valamennyire melegedni fog mindkettő IC, na de ha pár perc után süt, akkor mi lenne egy kb, félnapos használatkor?? Szerintetek mi lehet a probléma? Üdv. Zoli
Szia! A diódák közös anódja és a 15V táp közé iktass be egy-egy 82ohm 1W-os ellenállást.
Az első négy LED világítása zajtól vagy hibás megépítéstől származhat.
Helló! Itthon 1 W-os ellenállásból csak 2 db 2.2 K-s volt, kipróbáltam velük, a led-ek most halványabb lettek (max 2V-ot kapnak így) de úgynézki, jó lesz! Épphogy melegszik a táp-hűtőborda. Az IC-k hőmérséklete is rendben van szerintem. 2 db 47nF-os kondiból csináltam zavarszűrést, az NE5532-s 4-es és 8-as lábaihoz, most már az is jó lett! Még egyszer köszi a segítséget!
Üdv. Zoli
Hello!
Van egy analog tipusú vu méterem és valaki kapcsolási rajzot tudna nekem adni hozzá, illetve meglehet hajtani esetleg 555-ös ic vel?
Helló! Bővebben: Link
Szia
Nos sikerült szereznem 1 db 2W-os 100 ohm-os ellenállást, az LM3915 rendben van, a plusz ellenállás melegszik mint állat, és a hűtő borda is szép lassan.Mi lenne, ha egy LM2576T-5- el hajtanám meg csak a kivezérlésjelző áramkört, az megoldás lehetne-e nekem, ill. nem zavarna-e be a többi áramkörnek? Üdv. Zoli
Üdv! Próbáld meg csökkenteni a LED áramot, ha kisebb fénnyel is meg tudsz elégedni. Jelenleg 12mA-re van állítva, ennek kevesebb mint felét szoktam használni. A művelet a következő: A 6,7 lábak és a test közötti 1k ellenállásokat cseréld 2,2k-ra.
sziasztok!
Én a régi analóg féle vu meter-t szeretnék építeni csak ledekből. Kerestem már mindenhol de nem találtam ilyesmi kapcsolási rajzot. Itt egy videó hogy milyenre gondolok: http://www.youtube.com/watch?v=BjmPv0HSx-I&feature=g-vrec Ha tudnátok segíteni az nagyon jó lenne. Köszönöm
Hello!
Miért nem találtál? Számtalan kapcsolás van fenn LM3915-el. Csúcsegyenirányítóval, DOT módban. Mindössze a tápot kell megemelni 22V-ra, és akkor sorosan meghajtja a 6db. soros fehér Led-et az IC. Így tíz sor lesz. Az első sort (mutató alapállásban), meg lehet oldani a Led-ek áramának figyelésével, egy ellenálláson. Csak két tranyó kell hozzá, meg három ellenállás.. (Na jó, esetleg három tranyó) Itt egy példa.. üdv! proli007
Köszönöm a segítséget, megpróbálkozok vele
Hello!
Itt van a nulla jelzés kiegészítés az LM3915-höz. A -50dB-t nem kel készpénznek venni, -30dB ha kialszik, akkor ez bekapcsol. Ledek számát-színét ne nézd, ilyen van a TINA-ban. gyakorlatilag az kivezérlésjelző rajzon a Led-ek közös anódjához kerül be az R1-es ellenállás, és ha egyik oszlopon sem folyik áram, akkor a "null" oszlop bekapcsol. Az áramgenerátor áramát szinkronba kell hozni az IC-nél beállítottal. Ezt az R2 ellenállás értékével megvalósíthatod. Iled=0,65V/R2 alapján. üdv! proli007
Szervusztok!
Szerintetek ez a VU meter kapcsolás nem rontja le a hangminőséget? Nem terheli le a forrás jelszintjét, sem Ohm -osan, sem Kapacitíven? Elő fok és a vég fok közé szeretném.
Hello!
Sajnos az adatlapon "belelátni nem lehet" hogy mi is van az IC tokban. A bemeneti ellenállást 2kohm-nak írja, ezzel soros a 27kohm, és párhuzamos a 150kohm. Vagy is kb. 24kohm a terhelés, amit okozni fog. De ha ez problémát jelent számodra, akkor tegyél elé egy emitterkövető kapcsolást, az kellő elválasztást fog biztosítani. üdv! proli007
Köszönöm a segítséget
Sziasztok!
Megépítettem eszt a kapcsolást de a 6-os lábra kötött LED egyfolytában világit többi nem ha van bemenő jel akkor sem villog semelyik de a hatos ugyanúgy világit . A hozzászólás módosítva: Okt 21, 2012
Szia! Ennél az egyszerű áramkörnél, nem sok hibalehetőség adódik. NYÁK, forrasztási, beültetési hiba. Tippem: fordítva berakott IC.
|
Bejelentkezés
Hirdetés |




)









