Fórum témák
» Több friss téma |
Nincs itt hiba sehol. A tapegyseg tulmeretezese mindenkepp ajanlott leginkabb akkor ha nagyobb hangeron, esetleg a teljes kivezerles kozeleben hasznaljuk az erositonket. Ha csakis szobahangeron hallgatunk egy erositot (es soha nem lesz az kiteve nagyobb terhelesnek), akkor szinte barmelyik AB, B osztalyu erositonek eleg lenne sokkal kisebb, mondjuk ugy 30-40W-os trafo is. Az A osztalyu erositoket most hagyjuk ki a paklibol. Egyebkent azert is szukseges meg a tulmeretezes, mert egy nevleges 8ohmos hangsugarzo impedanciaja a teljes hangfrekis savban akar 4ohm es 40ohm kozott is valtozhat!!! Reszben ezert, reszben a fent emlitett okok miatt, reszben pedig a terhelesek (hangsugarzok) nem tisztan ohmos jellege miatt erdemes (kell) tulmeretezni a tapegyseget, a vegtranzisztorokat, stb. stb.
Sziasztok!
Autóba építek ládát, viszont lenne egy olyan kérdésem, hogy két 8ohm-os hangszórót, ha hídba kötök, akkor az ellenállás tényleg 4 ohm lesz? És akkor nem nyírom ki se a fejegységet, se az erősítőt? Előre is köszi Peti
Hátha a két hangszórót sorba kötöd akkor 16ohm lesz az ugynevezet eredő impedenicája, ha párhuzamosan kötöd akkor 4ohm lesz az eredő impedencia.
Hello lamalas
Még amit egy hónappal ezelőtt beszéltre visszatérve én csak tovább agyaltam és egyszerüen ez nemhagy nyugodni :Van egy erősítő ami 100Watt, 4ohm, 4ohmos hangszóróval, 150Wattos táppal. Itt minden renben van ugye. De van egy "másik" ami szintén 100W, de 8ohm, és 8ohmos hangszóróval ezis 150Wattos táppal. Ez így elméletileg szintén renben van ugye. Viszont ez az erősítő tegyük fel 4ohmon tud 200Wattot. Akkor a 150Wattos táp régen kevés és kb 300Wattos léne. Nah most ami engem nemhagy nyugodna az az hogy ha ÉN CSAK 8OHMon 100Wattal használom akkor elég neki a 150wattos táp?
"ha ÉN CSAK 8OHMon 100Wattal használom akkor elég neki a 150wattos táp" - igen, elég. és ha 4ohmos hangfallal hallgatod, akkor sem lesz semmi baj, csak mikor odatekersz neki, elkezd torzítani egy bizonyos hangerőnél (olyan 100watt körül, mert kicsi a táp).
Kovidivi mar megelozott, elmondta amit kell
En annyit tennek meg hozza, hogy ha tudod, hogy tutira nem lesz kivezerelve soha a vegfok hanem csak max. szoba hangeron fog menni (par W-al max.), akkor meg kisebb tap is boven eleg neki. Persze megegyszer hangsulyozom, hogy ez csak akkor engedheto meg ha tutira nem fog nagyobb kivezerlesen mukodni az erosito. Ha a haverokat akarod levenni a labarol akkor kell neki a bika tap hogy legyenek tartalekok a nagy dinamikaju zenereszletekhez (nehogy betorzitson neked 1/3 poti allasnal a cucc)
Hát jah, ergo annyi watton fog szolni tulajdonképpen ahány wattos a trafó
(bár alap hogy az első mindenkinél hogy a haverok elött megmozgassa a hangszórókat az ablakkal együt... ) Idézet: „Hát jah, ergo annyi watton fog szolni tulajdonképpen ahány wattos a trafó” Bocs, de ez igy ebben a formaban nem igaz. Azert javitalak ki, nehogy valaki azt gondolja, hogy ha csinal egy erositot es mondjuk 80W-os trafoja van, akkor az erosito max. 80W-ot fog leadni. Mert amit irtal abbol ez derul ki. Ez NEM igaz!!! Egy AB v. B osztalyu erosito max. kimeno teljesitmenyet elsosorban annak tapfeszultsege es az erositore kotott terheles impedanciaja hatarozza meg felteve ha a tapegyseg megfeleloen van meretezve es engedi a teljes kivezerelhetoseget (nem esik le a trafo szekunder fesz.-e teljes kivezerleskor) illetve az erosito megfeleloen van meretezve, azaz az osszes felvezeto elbirja a teljes kivezerlest (feszultseg es aram csucsokat) komplex terheles eseteben is.
Jaaa hát erre nemgondoltam. Ezt is jó tudni mert én abban a hitben éltem amit fent leírtam, de mégse.
És akkor mi a képlet amivel ki lehet számolni, hoyg mekkora teljesítményű trafó kell minimum, x teljesítményű erősítőhöz? Bocs a hülye kérdését
Hellosztok!
Megint én, de most más. Van egy sztereo hifim eclipse 2-es 250mm-es hangszórókkal. A minap ésszrevettem hogy az egyik oldalnak a mélye kis hangerőnél recseg vagy serceg egy kicsit(nemnagyon de halhatóan), de mikor adtam neki hangerőt többet akkor abbahagyta és nemis mindig csinálta. Mivel 2éves és ugyanúgy volt használva, ugyanannyit mindtkettö, gondoltam hogy inkább az erősítőnek van baja. Megcseréltem a jobb és balt de úgyanaz a doboz vacakolt. Akkor szétszedtem. Elkezdtem zenét halgatni és sercegett. Megmozgattam a membrát és lehetett hallani hogy a tekercs sürlödik. Mikor kikapcsolom az erősítőt pukkan egyett. Ez megtörtén és miután kimozdult a membrán nemért hozzá a tekercs. Nah most ez mitöl, hogy lehet. És lehet ellene vmit tenni?
Hello!
Én ha jól emlékszem, egy trafó a teljesítményének 60%-át tudja teljesen, minden probléma nélkül leadni. pl: 100VA-es trafó 60VA-t tökéletesen le tud adni (tehát egy 2*30 vagy egy 1*60 wattos erősítőhöz "elég" 100VA-es trafó. Azt nem tudom, hogy toroidhoz és EI típusú trafóhoz is ez a számadat illik-e, de attól lehet venni hasonlítási alapnak). Viszont ha nem akarod, hogy egy nagyobb mélynél összeessen a trafód, akkor érdemes ennél nagyobbat is venni! Remélem nem mondtam hülyeséget, és jól emlékszem.
Hello.
Értem, kösz a felvilágosítást. Ha boltban veszem nem lesz probléma, mert az eladó korrektül megmondta anno, hogy 100 watthoz úgy kb mennyi lesz elég, csak már nem emlékszem. Erre meg azért volt szükség, mert ha Petroimro által közzétett tápátalakítás normálisan meghajt egy erősítőt midnen probléma nélkül, akkor belefogok abba, de nem ész nélkül
Az én kérdésemre senki nemtud válkaszolni?
Vagy a javítását felejtsem el? De mért csak az egyik oldal....érdekes...
meg kell csinálni, így nem jó h a tekercs hozzá ér a vashoz, le fog égni.. stb
Meg kell csinálni... erre már énis rájöttem
de hogyan, mit, meddig
Ha a hangszoronak van vmi baja (marpedig elegge ugy nez kis hogy annak van), akkor azt nemhiszem hogy hazilag meg tudnad csinalni. Vagy meg kell csinaltatni egy hozzaerto emberrel vagy ujat kell venni....sajnos ez van
Ha van egy két szerszámod ami biztos van, és némi kézügyeséged és türelmed akkor házilag is megtudod javítani, még szerencséd is van mert szerintem nem kell tekercselni, bár nem biztos.Van egy hangszorójavítos topic.
Persze probalkozni lehet, csak aztan nehogy nagyobb legyen a baj mint volt
Hi
nagyon úgy néz ki, hogy szét lett hajtva a hangszóród, nekem is van otthon egy ugyan ilyen jelenséget produkáló sony hangszóróm, nagy valószínűséggel a tekercs egyik része megpörkölődött, de nem szakadt, és nem is jött létre zárlat , de nem dobom ki mert próba hangszórónak még jó
Hello mindenkinek aki írt!
Ezt a hangszórójavítós topikot elovlasom, de azon gondolkodtam hogy valszeg én inkább nemnyúlok hozzá mert kisseb hangszórókat szettem szét(nem szétvertem, az más ) és úgyérzem lehet belebuknék. Valszeg veszek másikat ez meg jó lesz vmire (akár egy nagy próbahangszórónak ) vagy amég nincs másik addig is hajtom keményen Azért köszönöm
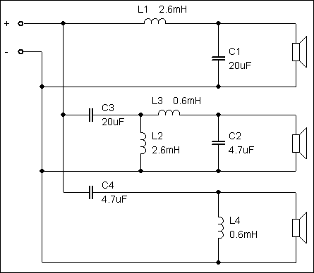
Hello na az lenne a problematikám hogy szeretnék egy 3 utas passzív hangváltót építeni de a tekercseléshez hülye vagyok...
Na szóval nekem kéne egy 2.6 mH tekercs meg egy 0.6 mH tekercs de a légmatek az nekem magas Jah meg a mellékelt program elégé morbid számokat adott ki na szóval ha tudna segíteni nekem ebbe valaki nagyon hálás lennék. vagy a programmal kiszámolná nekem elégé hálás lennék
Igaza lehet a programnak. Ekkora induktivitású tekercset már csak vasmagra érdemes elkészíteni, légmaggal tényleg nagyon sok menet kell. Javaslom lehet kapni az elektronikai boltokban kész vasmagos induktivitásokat, használj olyat.
És hangváltót lehet vasmagos tekkercsel készíteni??
Boltba lehet ilyen induktivitású tekercset kapni??
Egy sztereo audio jelet szeretnék monová közösíteni 3db ellenállással. Hagy ne rajzoljam le.
A kérdés: Mekkora értékű ellenállásokat szokás/illő itt alkalmazni?
Helo az lenne a kérdésem hogy hogyan lehet olyat csinálni hogy egy hangforrás (CD játszó) Line jelszintjét hogy lehet lecsökenteni Phono jelszintűre (aszem -50 dB) a választ előre is köszi KillerDJ
[i]
Új tagként szeretettel üdvözlök mindenkit!
Nemrég elkezdtem építeni egy kis, 3 oktávos elektromos zongorát. Énekgyakorlásra készítem a keresztlányunknak. (Nagyon kicsi még, és egy ilyen komolyságú eszköz pontosan elég neki.) A kapcsolás NE 555-re épül. AMV-ként szólal meg. A 6-7 es lábak között ellenálláshíd segítségével szólaltatom meg a különböző frekvenciájú hangokat. Az oktávnyi ugrást le és fel az RC-tagban lévő kondenzátorok sorba, illetve párhuzamosan történő kapcsolásával oldottam meg. Jól szól, de elég kiábrándító az elektromos sípoló hang. Jobb szeretnék valami eredetibb hangzást (zongora, esetleg csemballó, harmonika). Ha valaki tud ilyen - egyszerű - hangszintetizáló kapcsolást, akkor jelezze. Előre is köszönöm. Zoltee |
Bejelentkezés
Hirdetés |




:

