Fórum témák
» Több friss téma |
Próbáld ki ha tudod. Az Lm 334-et helyettesítsd egy műveleti erősítővel. Kell neki egy pár voltos negatív segédtáp, ha nincs kéznél rail-to-rail műveleti erősítő.
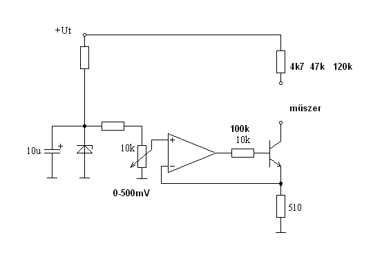
Az áramgenerátor: fogsz egy tl431-et (vagy zeenert) és csinálsz egy referenciát. Erről leosztod a feszt úgy, hogy egy poti legyen rajta, amivel 0-500mV közötti egyent tudj adni az ME + bemenetére, ezzel szabályzod az áramot majd 0-1mA-ig (és az eltolást ugyan ennyivel). A kimenetre jön egy mosfet G-je. A fet drain-ra csatlakozik az 1Kohm, s source-ra köss egy 510 ohmot test felé (nem a negatív segédtápra, hanam a testre, ahova a poti testje is csatlakozik). A fet drain - 510 összekötéstől visszavezeted a jelet az ME negatív bemenetére. Ezzel kész is van az áramgenerátor a próbákhoz. A rail-to-rail ME-hez nem kell segédtáp. mert annak a bemenetei és kimenetei lemehetnek nulláig. Most néztem az LM324-et, ha jól látom az is bírja a bemeneti tartományban nulláig, tehát valószínű annak sem kell negatív segédtáp. A kimenet nem érdekes, mert a fet lezár 2,5V környékén (ne kis vezérlésü fetet fogj, hanem 4,5V-osat vagy 2,5V-ost). A fetből valami kicsi kéne, pld 100-300 mA-os, de már egy 50 mA-os is jó ide, de még a 20-as is. De nagyot (több amper) ne fogj, mert annak nagy a gate kapacitása. Feszültségbe is kicsi a jó. Próbára az egyik ME-t lehet fogni a négyből, de valószínű a tényleges kapcsolásban is elmenne két kimeneti erősítővel. Nem volt időm rajzolni sajnos, és már itt sem vagyok, de majd jövök.Üdv FREDDI Ja, az 1K a beállási tranziensek (változáskor) nem közvetlenül érik a 100nF-ot, ezért mire megmozdulna, már beállt az ME (áramgenerátor). Tehát a töredékére veszi le az áramgenerátor libbenéseit változásoknál. Nézd meg az adatlapján a grafikonokat, és beugrik miről beszélek.
Ja igen, az ME-s áramgenerátor potija lin, nem log. Az csak az LM334-re érvényes hogy log. Az értéke sem számít (mondjuk 1-47k), csak a tartomány legyen jól belőve (0-500mV).
Ez igen. Erre a FET-es áramgenerátorra még nem is gondoltam. Tetszik! Csak hát a FET-eket még későbbre tartogatom. Megismerkednék kicsit jobban a hagyományos(abb) alkatrészekkel (a gyakorlatot csak nemrég kezdtem). Az áramgenerátoros megoldásokkal ebben az esetben csak annyi bajom lenne, hogy nem lehet velük negatív ofszetet csinálni. (Legalábbis negatív táp nélkül.)
Köszi az 1K magyarázatát! Igazad van, nem növeli az erősítést.
Ebben az esetben ajánlott mosfetet használni, hiszen a minimális pár mikroamper körüli az áram a kezdeti eltolásnál. Bár egyébként egy tranyóval is működik, itt különösebb jelentősége nincs. A tranyó bázisárama lerontja az áramgenerátor pontosságát, de ez itt nem fog semmi különösebb változást okozni, az eredeti célra úgy is tökéletes szerintem (ez szinte biztos). A javítás egyébként annyi, hogy a potinál emelünk valamelyest a feszültségen, mondjuk 520-30 mV-ra.
Ha tranyó kerül a fet helyére, tegyél neki egy kb 10k-s bázisellenállást az ME kimenete és a bázis közé. Egy akármilyen kicsi tranyó (50-100mA-es) már jó oda. Üdv FREDDI Ha lenne rá időd megpróbálhatnád és lerajzolhatnád a teljes cuccot, de ez csak ötlet. Nekem sajnos nincs rá időm.
Köszi. A MOSFET-BJT különbség rendben van. A FET-eket csak a gyakorlatban tartogatom későbbre. Melyik is lenne a "teljes cucc"? A FET-es áramgenerátoros?
Ezzel az áramgenerátorral ki lehetne próbálni az LM334 helyettesítésére. Mosfettel naggyából ugyan ez, csupán a bázisellenállás nem kell. Mivel az ME a kimenetét csak korlátozottan tudja felvinni, a kis áramtartományokhoz kisebb ellenállásokat lehet használni a próbához (4,7k-120k). A helyén nincs ilyen probléma, mert az ME tartja a kimenetét. Végül is ahhoz is lehet mérni, akkor nem kellenek az ellenállások a próbához.
A referencia nincs méretezve, a használt cuccoktól függ. A potin 500mV essen, akkor a max. áram 1mA (bázisárammal együtt, ami ugye fetnél nem lesz, de itt lényegtelen szerintem). Az egész kapcsolást ajánlott összekötni próba előtt, egy potival a bemeneten, akkor nem kell felkötni sehova a többi ME-t hogy be ne gerjedjenek, és mellesleg azonnal lehet próbálni is. Naggyából ennyi lenne a hozzáfűznivalóm.
Hogy mekkora barom vagyok!
![]() A bemenet nem megy 3V alá! Így bármi használható áramgenerátornak!
Megépitettem kobold kapcsolását és szuper, egyenlőre minden alapfeltételt teljesít, a gyakorlati kiprobálása néhány héten belül lesz valamikor de asztalon müködik és "halálpontos" a feszültség-hozzáadás, egyenlőre csak ledekkel terheltem, hogy pontosan mennyit kell birnia a proba során derül ki, köszönöm koboldnak és mindenkinek aki hozzászolt.
Hello!szeretnék építeni olyat ha lehet hogy 1.5 vagy 3V-ról 9V-ot csinaljon koszönöm
Szia!
Szerintem nem voltál elég körültekintő a keresésnél. Ez a téma már rég leállt, és nem is arról szól, ami Neked kell. A Te gondodat valóban DC-DC konverter oldaná meg, de ez igazából nem az. Szerintem keresgélj még pl a boost, vagy a step-up szavakkal, vagy nézz be a DC-DC konverter témába. |
Bejelentkezés
Hirdetés |











