Fórum témák
» Több friss téma |
a TC termosztát manuálisan állítható (nincsenek értékek rajta feltüntetve).
A leírás szerint a kazán megoldja a késleltetést... tehát nem kell + kond. és ellenállás. ... a többit még értelmezem... ![]() Köszi
A 16-17 pontokról IGEN direktbe van a szivattyú kötve. (Tehát az áramot is a szivattyú a kazántól kapja).
Az L-P egy olyan tél-nyár kapcsoló, mely lehetővé teszi a kazán nyári és téli üzemmódjának átkapcsolását (nem igazán értem mire a jó) A PTTOP-ról semmit nem tudni. Úgy nézem a szobatermosztát ezen keresztül kapcsolja ki a szivattyút (De minek? Mert ha így van a kazán termosztátja a szobatermosztat ellen fog dolgozni...ha jól gondolom).
Az "SP" - az egy kapcsoló, mely lehetővé teszi, hogy a kazán nagyobb teljesítménnyel működjön (Az én rendszeremben sose fogom bekapcsolni, bőven ki tudom fűteni a kisebb teljesítménnyel is).
Hát azt nem értem, hogy mi csinálja a késleltetést, ha egyszer a keringető szivattyú 14-17 pontjai közül a 15 pontot lekapcsolja a szobatermosztát a 19-20 pontot megbontva és a modulátort lekapcsolja. Az a fucsa, hogy a TC 1, 2, C pontjai meg vannak jelölve úgy mint más hasonló kazánok erre a célra kivezetett késleltető RC tag beépítésére. Nincs ilyen kihozva arról az érzékelőről, vagy nincs szabad bekötési pont rajta?
Lehet, hogy nem értelek, előre is bocs.
A "C" ponthoz lehet kötni, hisz a 15-ös pont szabad. (ui.: -a szivattyú, most nem indul késleltetve, állandóan pörög. Szobatermosztát, most le van kötve a 19-20-as összekötve) A hozzászólás módosítva: Nov 2, 2012
Ha a 15-ös pontra kötöd a szivattyút és kiveszed az áthidalást akkor a szivattyúnak van utókeringése? Szerintem nincs.
Nem próbáltam. (nem tudom, hogy próbálgathatok-e, nem értek hozzá annyira, ha bátorítanak, hogy nem ronthatok el semmit, akkor megcsinálom)
Ha az áthidalás nem lenne (szerintem) nem indulna a kazán.... mert amikor a termosztat rá volt kötve (és hibát jelzett) a kazán nem indult. Az utókeringés mit jelent? A hozzászólás módosítva: Nov 2, 2012
Az azt jelenti, hogy a kazán főégőtér lekapcsolása után a (rendszerbe épített szivattyúval) a helyileg túlmelegedett fűtővíz elszállításra kerüljön és a hőcserélő rész ezáltal kellő mértékben lehűljön a következő bekapcsolásra. Ez az idő 10-20 másodperc de az elektronikák általában 5-10mp-t keringetnek fél feszültséggel. Az áthidalást ha kiveszed, persze, hogy leáll a kazán, hiszen azt idézed elő, hogy a helység elérte az adott hőfokot és kikapcsol a termosztát (bontja az érintkezőket). Ha ilyenkor nem forog a szivattyú, akkor nincs ilyen kapcsolat a 15. ponton, ki kell építeni. Ha a 16 és a TC 1. pontok közé beépítesz egy R-C tagot és a szivattyú a 15 és 17 pontokról kap táplálást, akkor lenne utókeringése a szivattyúmotornak addig amíg fel nem töltődik a kondenzátor (addig folyik az áram ebben az állapotban).
Ha jól értem a kazánunk működését, akkor az esetünkben nem "főégőtér lekapcsolása után" és nem is egy bizonyos idő után indítja a szivattyút, hanem egy bizonyos hőfok elérése után, melyet manuálisan beállíthatok a kazánon.
Már nem emlékszem (biztosan), de úgy rémlik, hogy amikor a szobatermosztát nem működött (a kazán ugye nem indult), de a szivattyú csak pörgött tovább. (lehet, hogy a holnapi nap kiveszem az áthidalást és megtudom). Ha jól értem a 16-tól a vízmelegítő termosztátjához lehetne kötni (bojler), ami nekem nincs (ez lehet az "Indirekt fűtésű tároló"?) A hozzászólás módosítva: Nov 2, 2012
Az áthidalást NE vedd ki, csak próbáld ki, hogy ha kiveszed, működik-e tovább a szivattyú egy kis ideig.
Idézet: Ez az amit nem tudni, hogy a szivattyú termosztátja most hogyan kapcsol a 15. ponton? A 16-on folyamatosan megy, míg a főkapcsolót ki nem kapcsolod. „Ha jól értem a kazánunk működését, akkor az esetünkben nem "főégőtér lekapcsolása után" és nem is egy bizonyos idő után indítja a szivattyút, hanem egy bizonyos hőfok elérése után, melyet manuálisan beállíthatok a kazánon.”
Eddig csak úgy nyúltam bele ha kikapcsoltam és áramtalanítottam a kazán. Ezek szerint bátran működés közben vegyem ki az áthidalást egy ideig?
(az utolsó mondatod után "pontot" . raktál helyesen, mert ezt tapasztaltam) A hozzászólás módosítva: Nov 2, 2012
Az áthidalást működés közben (tehát, a kazán nem fűtött, de a szivattyú pörgött) megszakítottam... a szivattyú továbbra is pörgött, működött.
u.i.: lehet, hogy volt egy félreértésünk (nem fogalmaztam pontosan) a Pé , 20:06-os hozzászólásomban: Idézet: itt a szobatermosztátra gondoltam és nem a kazánon lévő (szivattyú) termosztátra. „... mert amikor a termosztat rá volt kötve (és hibát jelzett) a kazán nem indult.”
Ebben a a kazánban nincs elektronika, itt az utókerningtetést a szabályzó termosztát érintkezőjével valósítják meg, úgy mint anno a TERMO ÖV kazánokban. Nem időre, hanem hőfokra megy.
Az eddigieket végigolvasva, arra jutottam, hogy mivel nem értek hozzá ezért lehet, hogy nem fogalmaztam pontosan, vagy félreérthetően fogalmaztam:
A gázkazánon van egy termosztát, mely segítségével a víz (a főégőtér vize) hőmérsékletét állíthatom, melynek beállítása után tudok ellenőrizni a kazánon lévő hőmérőn. Ugyanakkor van még egy termosztát szerűség a kazánon, melyen beállíthatok egy értéket (nem tudom, hogy mit), amit a kazán termosztátjának, vagy a szivattyú termosztátjának neveztem korábban. Ez is zavaró lehetett. Tehát az egyiken beállítom a hőfokot, melyet el kell érnie a kazánnak és ha a víz elérte a hőfokot, akkor indul a szivattyú. A szivattyú termosztaton tehát (gondolom) azt lehet beállítani, hogy milyen hőfokon álljon meg a szivattyú (?). Mivel az esetemben egy erősen lebutított hiányos kombinált radiátoros és padlófűtésrendszerünk van -vezérlés nélkül (+tágulási tartály van közvetlenül a gázkazán után)- ezért kérdéses, hogy jó dolog-e az ha a szivattyú leáll. Szerintem a padlófűtés körei nem fognak bírni felmelegedni, nem beszélve arról, hogy az áramlás a padlókörökben (így is a szivattyúval) nagyon kicsi. A hozzászólás módosítva: Nov 3, 2012
Persze, igazad van! Én értem. Ő a "szomszédban" lakik és próbáljuk tisztázni az általa elmondottakat mert én nem tudok csehül, vagy szlovákul. Nem mindegy, hogy "megoldott az utókeringés" vagy "meg kell oldani az utókeringést" ennél a kazánnál.
Üdv!
Egy elektromos infra fűtés vezérlését kellene megoldanom. A fűtő fólia a laminált burkolat alá került ide kellene egy szenzor ami egy adott hőmérsékletnél ki be kapcsolna, mert a folyamatos működéstől túlmelegedhet a fólia, tehát ki-be kapcsolgatással redukálná a hőmérsékletét. Valami egyszerű kisméretű érzékelő kellene, amit pár méterre ki lehetne vezetékezni.
Kb 10.000,-ért kapható egy jól programozható hőfokszabályozó kb 5mm átmérőjü érzékelővel melynek akár meg is hosszabítható a vezetéke. Típus "AKO 12123".
Köszönöm! Konkrétan az infra fóliához is van hasonló programozható termosztát, de a teljes költséget figyelembe véve nem láttam értelmét venni valami komolyabb vezérlést. Csak valami egyszerű kapcsolást gondoltam összedobni. Azt hiszem egy DS1821-el fogom megoldani valami tokozással és pasztával rögzítem a fóliához. Mondjuk ennél konkrétan nem tudom mennyire szabad távolra helyezni az érzékelőt de max 5m-re kell vinnem azt is csak az esztétikus elvezetés miatt. Gondolom ha árnyékolt a kábel, nem probléma. Még egyszer köszönöm! Üdv!
Üdv mindenkinek!
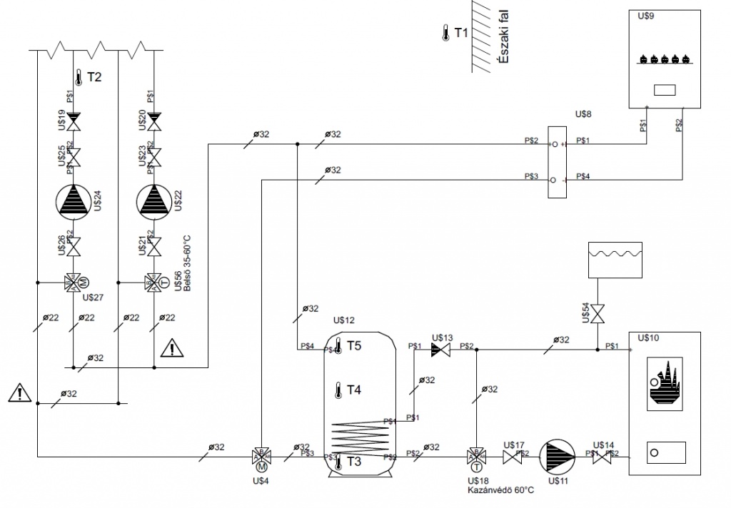
Nagy a bánatom. Itt ez a megvakósult gépészkapcsolás. A kazán 30kW, a puffertartály hőcserélője (csőkígyója) 48kW, 2,2négyzetméter. Már ott kezdődik a bibi, hogy valamiért nem melegszik eléggé a tartály, és hamar megrottyan a kazán. Most mi van, ki és hol hibázik? Előre is kösz, bárki ért hozzá...
Szia!
Pedig hibátlan. Dobj egy tartály típust. US 11 nincs beragadva, US 18 iránya megfelelő? Gondolom 14/ 17 nyitva.US 11 tömegáram megfelelő? Amit már láttam sokszor elszúrva, hogy elkötik a csőkígyókat, sok tartályban elég idióták a csőpárok.
Sziasztok.
Padlófűtés vezérlésén gondolkodom. mégpedig úgy hogy egy hőcserélő (60kw) kilépő vízhőmérsékletét figyelném egy termosztáttal a szekunder oldalon. Ami a primer oldalon lévő keringtető szivattyút (28w) vezérelné, megy nem megy üzem módban, és ezzel beállítva 30-45 fokos vizet. Amúgy 6kör 80nm a ház. Érdekelne hogy életképes megoldás lenne ez vagy felejtős.
Szia!
Minden helyes van bent (gyengébbek kedvéért még rajz is van a kazánvédő keverőszelep oldalán). Begyújtás után 60°C-os kazánbelsőnél elindul a kazánszivattyú. Kazán előremenő 85°c pislákoló lángnál, visszatérő 55°c (miért nem 60°c, mert olyan a kazánvédő), de a csőkígyó visszatérője is 50°c, mintha nem adna le elég hőt. Előkaparom a tartálytipust valahonnan.
Miért lett leválasztva a vegyestüzelésű kazán azzal a csőkígyóval? Szerintem egyszerűbb lett volna ha a puffer vize közvetlenül menne a vegyeskazánra. A leírásodból az derül ki, hogy nincs elég hőátadás a csőkígyón keresztül, ezért nem melegszik a puffertartály vize és ezért forr fel a víz a vegyeskazánba. Szerencsésebb lett volna fordítva kötni, és a fűtés felé tenni azt a leválasztásnak szánt csöves hőcserélőt. Meg kellene nézni, hogy a mostani felállás szerint mekkora a hőlépcső a vegyeskazán előremenő és visszatérő ága között. Ha ez nincs lagalább 15C-fok akkor bizon kicsi a hőcserélő teljesítménye. Nekem az a tapasztalatom, hogy normál körülmények között a legtöbb hőcserélő a ráírt teljesítmény felét-kétharmadát tudja csak, igaz ez legtöbbször lemezes kivitelü, de itt is ilyesféle probléma lesz!
A kazánvédő fix vagy állítható? Milyen márka? Ha minden helyesen van bekötve akkor vagy a hőcserélő kicsi, vagy a kazánvédő nem működik rendesen. A múlt héten mi is kínlódtunk egy ESBE szeleppel :-S
A hő kapcsoló lomhasága miatt vagy a szivattyú nem díjazná a ki be kapcsolgatást?A kapcsolást termisztorral oldanám meg a hozzá való elektronikával a szivattyú esetleg kaphat egy lágyindítót de ez már tényleg túlzás.
|
Bejelentkezés
Hirdetés |







