Fórum témák
» Több friss téma |
Mielőtt kérdezel, a következő két dolgot ellenőrizd!
I. A helyes tápfeszültségek megléte.
II. A kimeneten van-e egyenfeszültség.
Élesztés.
Szia, nekem BEAG.ATP.100,as trafók hajtják ezt a kapcsolást, és nagyon megvagyok vele elégedve. A hangja is szép és már a negyedik pár épül belőle és még mind indult elsőre. Én magam terveztem hozzá a nyákot mert nekem az eredeti túl nagy lett volna és 2SC5200-2SA1943 a vég tranzisztorok vannak benne. A trafókat 5000,ért vettem a vatxxx.
APT 100-aséból van itthon 4 darab, sőt EBE250-eséből is kettő. A nagyokat néztem legutóbb, de hiába vannak beöntve, és árnyékolva, akkor is hallhatóan zizegnek. Egyik kevésbé, a másik jobban. Ami meglepő, hogy legutóbbi két 668VA-es beszerzésemnél már csak fülrátétél mellett hallható némi hang, és most kapaszkodj, ezek a reduktorok kínaiak!
Az egyik polcom sarka. A hozzászólás módosítva: Nov 24, 2012
JÉZUSOM!!! Nekem ennyi fain trafóm lenne én lennék a leg boldogabb ember. Én szoktam a trafó alá tenni egy 2mm,es gumi lapot és az elég sokat tompít a zajon, és még azt vettem észre ahogy üzemben telik az idő egyre jobban csendesedik biztos a hőtől vagy a szigetelő anyag puhul a tekercsek közt és elnyeli a tekercs zaját.
Gumi nekem is van, elsősorban ÉV szempontból kell alulra és a leszorító tányér alá is, de raktam már pluszba terosztátot is csillapítás gyanánt. Ilyen bordám is van mint nálad, még itt vettem pár éve az apróban.
![]() A Deprez-t szépen feliratoztad. Mivel csináltad? Nyomtatás fotópapírra?
Referáltunk már régebben is ez ügyben, tudod nekem nem jött be a nevezett cég úgy mint Neked. Mos pedig már el vagyok látva anyaggal bőven a jövőre nézve is. Legutóbb sikerült 2000Ft-ért Denon HM erősítőbe való, jó minőségű, 150VA körülieket vennem. Szükségem nem volt rájuk, de ennyiért ott nem hagytam volna.
Na nehogy azt mond hogy Te feliratoztad a skálát!
Sziasztok.Az lenne a kérdésem hogy van párban tda2030-as ic-m és nem tudom hogyan tudnék neki negatív tápfeszt adni.Én 12V-ot adok neki abból +12,Gnd-van meg,de azt írja hogy -12V is kell neki.Azt hogyan tudnám előállítani egy egytekercses 12V-os kimenetű trafóval?A válaszokat előre is köszönöm.
Így, A Max az +-18V amit az IC elvisel. Miért nem szimpla tápfeszes kapcsolást csináltál?
A hozzászólás módosítva: Nov 24, 2012
Nem tudtam hogy lehet egyszerű tápfesszel üzemeltetni.Na mindeggy azért köszönöm a választ és utánna nézek az egyszerű tápfeszes megoldásnak is
Szia! A TDA2030-nak van külön témája, ott rábukkantál volna. Készítettem egy kapcsolást, amihez a meglévő áramkörödet nem kell szétszedni: Bővebben: Link
Nekem ez az áramkör teljesen össze van rakva csak a -12V hiányzott.Csak arról én azt hittem hogy ott is a gnd-t kell rákötni.Még van mit tanulnom
A TDA2030-hoz elég egy sima feszültségkétszerező, picit jobban megpufferelve, felesleges ennyire túlbonyolítani a tápját.
Matricás papírra és ráragasztottam a régi táblájára.
Ügyes. Milyen progival csináltad a skálát?
Van egy meter nevű program (nekem a 2.24-es verzió volt meg), azt kifejezetten műszerek skálájának rajzolásához készítették.
Köszi a sok választ a trafóm ügyében!Csináltatok egy 1000w-ost letkésen frankón ajánlott feszre
2x42.5v+1x12v azt le van tudva!Majd berendelem a melóhelyre azt nem tudja meg a feleségem egyszer élünk!A mühelyemben úgy sem tudja mi az! Üdv:janika
Valami rémlik, mintha lett volna szó már erről.
Ágota DS1200 kapcsolási rajzot tud valaki?
Üdv mindenkinek.
Egy olyan kérdésem lenne, hogy 2SB773A és 2SD883A helyett nagy hülyeség lenne-e mondjuk BD242, B243-at berakni, mert ezeket a tranyókat már nem lehet kapni. Ezek egy Pioneer SA-510-ben vannak végtranyók. A válaszokat előre is köszönöm.
Üdv.
Köszönöm a választ. Csak azért gondoltam a BD242-re és 43-ra mert ezek vannak itthon és feszültségre és áramra nagyjából azok amiknek lenni kell, csak a Bétájukat nem tudom. És elnézést nem szeretnék kötekedni, de nem 245-246 lenne az? Bár csak 249-250-em van itthon. Elnézést rosszul párosítottam, BD243-244. És persze C jelűk. A hozzászólás módosítva: Nov 25, 2012
A 242 és a 243 nem párok. A 243 párja a 244, ezeket nyugodtan belerakhatod A 2SB-SD helyett.
Sziasztok! Valaki ajanlana nekem egy kapcsolasi rajzot ami 1 par 2n3055/ch mukodik es +/-30 Vdc rol. Nembaj ha csak 8 ohmot bir. Szobaban mukodne, gyarilag is erositoben volt mellekelek nehanykepet a bordarol amin fennvanak a tranyok.Bocs a minosegert telefonnal keszult.
Sziasztok!
Egy közép kategóriás erősítőre lenne szükségem, ami egyaránt használható HIFI-hez, és Gitárhoz is, Tranzisztoros, vagy Fetes, és 100W-ot ad le 8 Ohm-os terhelés mellett, trafó majd erősítőhöz lesz méretezve! Mit tudtok ajánlani? Köszi előre is!
Ez jó kis kütyü. Nyugodtan járathatod pufferelt tápról. Használhatsz általános célú, olcsó helyettesítő tranzisztorokat.
Nézd meg a Texas-t.
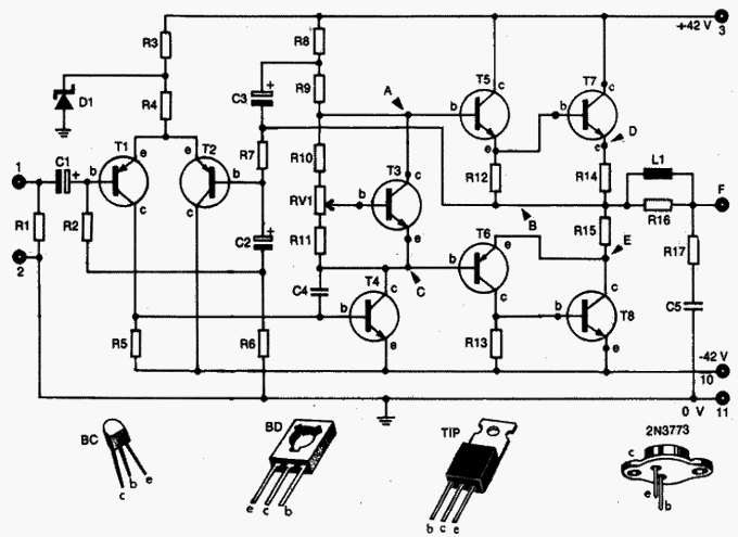
Szia! Én ezt merném neked ajánlani,nekem tökéletesen bevált.
http://www.electronica-pt.com/circuitos/en/audio-amplifiers/44-audi...3.html
A hozzászólás módosítva: Nov 25, 2012
Szia! Kényelmesebb, ha a LINK gombot használod. Bővebben: Link
|
Bejelentkezés
Hirdetés |























