Fórum témák
» Több friss téma |
Mielőtt kérdezel, a következő két dolgot ellenőrizd!
I. A helyes tápfeszültségek megléte.
II. A kimeneten van-e egyenfeszültség.
Élesztés.
Elnézést nem tudtam a kérdésemnek milyen címet adjak.így ezt adtam meg.BOCSÁNAT!!!
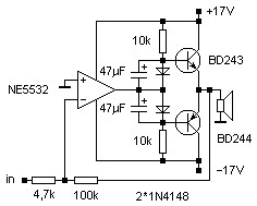
tápot amúgy nem mértem.a BD243 TRANZISZTOR sem lehet rossz. tokozás legyen a legnagyobb baj. azt valahogy megoldom. csak a helyettesítéseket nem tudom.nem tudtam. **A piros szín, a mondat elejei nagy kezdőbetűk hiányát jelöli. ** --moderator A hozzászólás módosítva: Dec 5, 2012
Sziasztok. A kérdésem az lenne, hogy hogyan kell illeszteni egy Equalizert egy végfokhoz. Az enyémmel valami nem stimmel. Hogyha megkerülöm az EQ-t akkor kihajtható szépen az erősítőm. Az EQ viszont nem bír el a bementén 0,5voltnál nagyobb jelet, így nem erősíthetem a jelet csak mögötte, amivel nincs is bajom. A baj az, hogy ha az EQ mögött elkezdem felnyomni az erősítést, akkor kb 2watt után sisteregni kezd, méghozzá elég hangosan. A végfok : 1-es kép. Az equalizer: EQ. Hogyan kell ezt csinálni? Lehet hogy gerjed? vagy torzít?
Válaszotokat előre is köszi.
Szia!
Én az E800-at venném meg.
köszönöm a tanácsot esetleg ha nem jön össze akkor veszek egy castone-t hasonlóárban.talán kapok ennyiért egy cpa 500 at vagy a 600 ast.
Neked hányszor kell szólni, hogy legyél szíves használni a shift gombot mondatkezdéskor?
A potmétereknek mi a pontos szerepük? azok rossz állása nem okozhat ilyen gondot?
A P3-mal tudod beállítani, hogy a kimeneten 0VDC legyen. P4 állítja a végtranzisztorok nyugalmi áramát. A 0,2 ohm emitter-ellenállásokon 3-5mV esése esetén kb. jó.
Értem, köszi! Most végeztem a tápegységével. De mérni majd csak holnap fogok. Majd mondom miket kaptam.
Használj majd valamilyen áramkorlátozót!
Sziasztok.!
Van nekem egy Onkyo A-9755 típusú erősítőm és mivel rossz volt elvittem egy szerelőhöz és meg is csinálta rendesen.! Hazahoztam és elkezdtem járatni persze csak szépen, és egyszer csak amikor kicsit feljebb tekertem a hangerőt (ami még mindig nem volt túl hangos), akkor kattant egyet és kikapcsolt. Most csak a power gomb világít ha bekapcsolom. Azt szeretném megkérdezni hogy van mi a teendő ilyenkor?? és hogy itthon javítható-e mert ha nem akkor viszem vissza.! Előre is köszönöm.! Pacsi.
Szerintem nyugodtan vidd vissza. Az a biztos.
Nem csinálta meg rendesen, vidd vissza.
Hello! Bocsi de most egyenlőre nem tudok képet küldeni viszont itt a link hátha ez működik.
Bővebben: Link Jééé! Müködik a LINK gomb a válaszablakban! -- moderátor A hozzászólás módosítva: Dec 8, 2012
Sziasztok azt szeretném kérdeni, hogy komoly PA rendszereknél az erősítőkbe merre fele vezetik a jelkábelt?
Vagyis mi tesz benne nagyobb zavart a nagy feszültség vagy a nagy áramerősség (unbalanced vezeték)? (Azt gondolom trafók mellett nem ajánlatos vezetni.)
Erre nincs recept , az egyik gyártó így a másik úgy kinek mi tetszik és mire esküszik , rengeteg Pa erősítőt láttam már belülről és szinte mind más és más elgondolás alapján van vezetékelve , nem törődve semmivel össze -vissza drótozva, sőtt még a jel vezeték is sima kommersz ,semmi hókuszpókusz.
A hozzászólás módosítva: Dec 6, 2012
Szia! Nem unbalanced, hanem balanced - azaz szimmetrikus az erősítő bemenete. Ezzel gyakorlatilag bármit megtehetsz. Katt ide!
Most sem megy a link!
Sziasztok. Jelentkezett egy éredekes problémám. Egy 2 utas aktív hang(dobozt)sugárzót építek, és amikor bekötöttem a piezó magas(sugit)hangszórót, egy 4,7 mikrós kondival, az egész elkezdett sisteregni veszettül. Ha lekötöm róla, akkor szól a mélyközép szépen. Ha elé kötök egy 9ohmos ellenállást, akkor nem sistereg ugyan, de ércesen recseg a mélyhangoknál. Találkoztatok már ilyennel, mert nekem ez idegen jelenség. Az erősítővel lesz a gond ugye? Gondolom gerjedésgátló kéne bele, de mekkora? Segítségeteket előre is köszi. De hogy ettől gerjedjen
A hozzászólás módosítva: Dec 7, 2012
A piezo elé nagyon sok a 4.7uF, 100-470nF-al jobb lesz. Az már persze érdekesebb, hogy aktív váltóról beszélsz, de passzív váltót használsz.
A hozzászólás módosítva: Dec 7, 2012
Aktív váltó? Elnézted. Aktív hangsugárzó ami kétutas, és azért aktív, mert bele van építve az erősítő. Ez egy kihangosító.
Jaaj igen, igazad van butus vagyok.
De a párszáz nanó ajánlat továbbra is él, ahogy köbzoli is mondta.
Jaa. Értem.
Erről az erősítőről megy. A hozzászólás módosítva: Dec 7, 2012
Nem. A piezo elé nagyon sok a 4.7uF! 100-470 nanó közötti legyen sorban a piezoval, vele párhuzamosan 30-50ohm ellenállás minimum 5W-os. A piezonak 50-100ohm környékén van az ellenállása 10KHz felett, ezért kell alacsonyabb kapacitást használni, mint normál magassugárzó esetén, ráadásul jellegzetes az erős középtartomány is a piezo-ra.
Konkéran az erősítőnek az alapzaja hangos, vagy a zene szól rajta őrültmódon?
Az erősítőnek semmi alapzaja nincs. Abban a pillanatban hogy rákapcsolom a piezót, azonnal mind a két hangszórón megjelenik ez a rózsazaj, méghozzá elég hangosan. Alatta szól a zene ugyan úgy. Ha nincs rajta jel, akkor is ezt csinálja. Érdekes az, hogy a saját erősítőről meghajtva semmi ilyet nem produkál.
A hozzászólás módosítva: Dec 7, 2012
No kipróbáltam ezzel a szűrővel. Az van, hogy ugyan úgy megvan a zaj, csak egy kicsit magasabb frekin, az alsóbb zajt szűri egy kicsit. Sajna a probléma fennáll még mindíg. Kipróbáltam 220 nanóval a piezó előtt, akkor is ezt csinálja.
Vagy úgy, akkor igen, begerjed. Ha más nem segít a kimenettel sorosan kell rakni egy néhány menetes induktivitást és ezzel párhuzamosan 10ohm ellenállást.
Nem üvölti le a fejedet a piezo 4.7µF-al? A hozzászólás módosítva: Dec 7, 2012
De igen agresszív a hangja, mint az megszokott egy tölcséres hangosítástechnikai cucctól. Hogyha a piezo elé teszem a 9ohmos ellenállást, akkor nincs zaj, csak ez az érces recsegés. 4,5 ohm-nál a zaj fennáll. Próbálom kombinálni a kondit meg az ellenállást, de nekem ez új jelenség. Miért gerjed egyáltalán?
Neeem, a tölcséres közel sem jelenti azt, hogy piezós üvöltése van, a kettő nem ugyanaz. A kompressziós driverel meghajtot PA tölcsér akár gyönyörűen is tud szólni. Én 2 évig használtam ilyet itthon.
Tettem bele egy 2 nanós kerámia kondit, mert ez volt itthon a legkisebb érték. Megszűnt minden zaj egyből. Ha nagyobbat tettem bele lehúzta a magashangokat. Érdemesebb lenne egy 470pf-ot beletenni e helyett, vagy maradhat így is? Köszönöm a segítséget!
Nem gondoltam volna, hogy ez a szűrés ennyire számít. |
Bejelentkezés
Hirdetés |




Válaszotokat előre is köszi. 

Nem gondoltam volna, hogy ez a szűrés ennyire számít.




