Fórum témák

» Több friss téma
Fórum » Oszcilloszkóp számítógépre
Lapozás: OK   12 / 29
(#) Medve válasza minicooper hozzászólására (») Szept 26, 2012 /
 
Hello, csupán vágni akarod a jelet?
Amúgy a kivezérelhetőséget egyszerűen megállapíthatod, csak meg kell figyelned, hogy a hangszerkesztődön mikor "akad ki a jelalak" (na ez sem lesz egy segítő hozzászólás! )
A hozzászólás módosítva: Szept 26, 2012
(#) _vl_ válasza minicooper hozzászólására (») Szept 26, 2012 /
 
Egy potméterrel szépen le lehet osztani a bejövő jelet. Egyik vége a jelre, a másik vége a földre, a középső kivezetésről meg le lehet venni a leosztott jelet.
Két szembefordított szilícium diódával pedig szépen meg lehet védeni a hangbemenetet, így addig lehet tekergetni a potit, míg az "eredmény" nincs kb. a mérési tartomány közepén.

Pontos mérésre nem lesz alkalmas a megoldás (a hangkártya bemenete se nagyon), de arra igen, hogy egy DC tápon megjelenő 20-50kHz alatti tüskéket meg lehessen nézni.
(#) pucuka válasza _vl_ hozzászólására (») Szept 26, 2012 /
 
Idézet:
„DC tápon megjelenő 20-50kHz alatti tüskéket meg lehessen nézni.”

Jó az 10 - 12 kHz alatti tüskéknek is.
(#) minicooper hozzászólása Szept 28, 2012 /
 
Köszönöm a válaszokat!
És bocsánat hogy ilyen későn írtam.
(#) peter1995 hozzászólása Dec 16, 2012 /
 
Sziasztok. Van nekem ez a program. Eddig a jelgenerátor részét használtam műszerek beállításához. Most viszont az oszcilloszkóp részét is kéne használnom. Tudnátok mutatni egy kapcsolást amin keresztül ráköthetem biztonságosan a vizsgált jelet a gépre. Laptop mikrofon csatijára szándékozom kötni.
(#) elektroncso hozzászólása Dec 29, 2012 /
 
Abból gondolom hogy van benne ellenálás, hogy mérve a csipeszek között ellenálást mérek.Minden mindennel ellenálásos kapcsolatban van.A tanácsod alapján bele engedtem 10 voltot és a kimeneten 1 volt jelent meg.Ez elég jónak számít szerintem.
(#) Doncso válasza elektroncso hozzászólására (») Dec 30, 2012 /
 
Az pontosan 1:10-es osztónak felel meg. Egy szkópkábel ugyanezt tudja csak kapcsolható. Én épitenék elé egy illesztö fokozatot. Biztonságosabb és kiterjeszti a méréshatárt. Ha így használod és véletlen rámérsz monjuk 40v ra akkor szia hangkártya. Nem vagyok abba sam biztos hogy 1v jól esik a miki bemenetnek.
A hozzászólás módosítva: Dec 30, 2012
(#) elektroncso válasza Doncso hozzászólására (») Dec 30, 2012 /
 
Nem tudnál nekem egy kapcsolási rajzot adni az illesztő fokozatról?
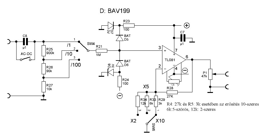
(#) mps válasza elektroncso hozzászólására (») Dec 30, 2012 / 1
 
(#) Doncso válasza elektroncso hozzászólására (») Dec 30, 2012 / 1
 
Bővebben: Link Ez egy jó választásnak tünik, van hozzá panelterv is. persze akkor már a te csipeszes szkópkábeled 1:10-es osztója nem kell, mert az áramkör tud 1-es 10-es 100-as és 1000-es osztást is, de ha nagyon kis jelet vizsgálsz akkor pedig szorzója is van, védi a kártyád bemenetét a túlfeszültségtől. Én ha megépíteném BNC csatlakozót és egy normális szkóp kábelt használnék, az áramkört pedig árnyékolt dobozkába tenném, amilyet mondjuk egy rossz TV-ből lehet bányászni, a tuner doboz, vagy videóban is van. Ez azért fontos, hogy megszűrd a zavar jeleket. De ez is jónak tünik. Bővebben: Link
A hozzászólás módosítva: Dec 30, 2012
(#) JoeCity hozzászólása Dec 30, 2012 /
 
Hello. Ez mitől van meg tudná mondani valaki? Letöltöttem a "Soundcard Scope" ingyenes progit, csináltam hozzá árnyékolt mérővezetéket stb. Ha rákötöm a hangkártya kimenetére teljesen jól megméri annak a kimeneti jelét. Viszont ha pl. egy RC aluláteresztő szűrőre kötöm rá: 1Vpp, 440Hz-10kHz ig 1Vpp-t mér, pedig a törésponti frekvencia elvben 9048Hz-nél lenne.
(#) elektroncso hozzászólása Dec 30, 2012 /
 
Mindkettőtöknek köszönöm a válaszokat és a segítséget.Ha megyek következőnek üzletbe megveszem az alkatrészeket és megépítem.Amikor először találkoztam a programmal nem is gondoltam, hogy ilyen egyszerűen fel lehet turbózni ezt a szkópot.
(#) blackdog válasza elektroncso hozzászólására (») Dec 30, 2012 /
 
Ahogy előttem is írták ezek szerint van benne 1:10 osztás.
De ez még kevés és látom már ajánlottak neked mindenféle előtéteket is.
Azt azért ne feledd, hogy ha "pontos" mérést szeretnél akkor 20 kHz felett ne mérj.
A hangkártyád mintavételezési frekije kb. 44 kHz. Kvantálás 16bit. 44 kHz -es jelet már nem fogsz hibamentesen visszakapni afelett pedig teljesen torz képet kapsz.
Lehet kapni PC-hez mindenféle előtéteket, de horror az áruk. Szóval, ha HF tartomány felett is mérni szeretnél akkor komolyabb előtétre lesz szükséged.
(#) Doncso válasza blackdog hozzászólására (») Dec 30, 2012 /
 
Meg komolyabb hangkártyára is. Hobbira, tanulni de még javítani is teljesen jó, ezek úgysem professzionális cuccok, bármilyen előtétet vásárol, inkább indikálásra jók, úgysem fog labor méréseket végezni, ebben az esetben pedig tökéletesek azok az előtétek.
(#) elektroncso hozzászólása Dec 30, 2012 /
 
Nekem csak indikálásra kell.Amúgy se értek az oszciloszkópokhoz ezen szeretném megszerezni hozzá a gyakorlati alapot.Amúgy is csak HF-re tervezem egyenlőleg használni.
(#) 06smici válasza peter1995 hozzászólására (») Dec 30, 2012 /
 
Sziasztok. Én is letöltöttem ezt a programot. Na most a kérdésem vele, hogy a ch1 ch2 az gondolom a sztereó jack két fele nem? A jelgenerátor részénél próbáltam de nem igazán tudtam kiszűrni hogy most melyik oldalon is szól. A szkóphoz csinálnék én is egy bementi osztót. A kapcsolás valakinél működik már? írták páran hogy nekik nem sikerült a jelet kiszedni belőle Az erősítő részén még gondolkodok, azt az usb 5V-jával hajtanám meg valami DC-DC konverterrel, de az is lehet hogy pár darab 9V-os elemet kap. Külön tápot semmikép se szeretnék hordozni hozzá.

Másik mit nem tudok, hogy a jelgenerátor kimenete ugye a hangszóró kimenet. Ehhez valami illesztő fokozat nem kéne? Elvégre ezeket erősítők bemenetéhez tervezték, de ha valami olyat kéne mérjek aminek kisebb a bemeneti impedanciája? Meg valami rövidzárvédelem se ártana rá. Ezekre van valami ötletetek? Ilyen impedancia illesztéssel nem foglalkoztam még, úgyhogy minden segítséget szívesen vennék
(#) peter1995 válasza 06smici hozzászólására (») Dec 30, 2012 /
 
Szia. Nekem ezt ajánlották. Meg is építettem. Az ellenállás 18K a poti 1K a 2 dióda sima 4148. A kimeneten van egy bipolár kondi nekem 4,7uF. Ezt kötve a mikrofon csatira tudtam mérni.
(#) 06smici válasza peter1995 hozzászólására (») Dec 30, 2012 /
 
És a ch1, ch2-t próbáltad hogy melyiket hova kell kötni? Gondolom sztereó jacknél az egyik oldal ch1 a másik pedig ch2 a test meg közös lenne???
(#) peter1995 válasza 06smici hozzászólására (») Dec 30, 2012 /
 
Nemtudom mert csak az egyiket kötöttem be. Jelgenerátornál is csak az egyik oldalt használtam.
Én is úgy gondolom , hogy a jobb és a bal lehet a Ch1 és Ch2.
(#) Hodinka válasza 06smici hozzászólására (») Dec 30, 2012 /
 
Idézet:
„Na most a kérdésem vele, hogy a ch1 ch2 az gondolom a sztereó jack két fele nem?”

Igen a CH1 és CH2 a hangkártya sztereó bemenetének a jobb és bal csatornáinak felelnek meg.Nekem is fenn van ez a szoftver és nem egy nagy durranás.Ahogy fentebb is írták már a többiek,hogy még hangfrekis tartományban el lehet vele játszadozni,afelett viszont már borzasztó a jelátvitel.Nyilván a hangkártyák nem erre lettek tervezve,ezért a 20kHz fölötti frekvenciákat nem adják vissza rendesen,vagy teljesen szűrni fogják azokat.
(#) David 3g hozzászólása Jan 15, 2013 /
 
Sziasztok. Ennek a hangkártyás megoldásnak mennyire lehet hinni? visonylag pontos értéket kaphatok?
(#) Medve válasza David 3g hozzászólására (») Jan 15, 2013 /
 
igen, "viszonylag" pontos értéket kapsz. Nagy kérdés, hogy most mihez viszonyítottam.
(#) David 3g válasza Medve hozzászólására (») Jan 15, 2013 /
 
pl egy olcsobb skophoz nem?
(#) Moderátor hozzászólása David 3g hozzászólására (») Jan 15, 2013
 
Légy szíves, és írj rendesen! (Helyesírásra figyelve, nagy mondatkezdő betűkkel, stb.)
(#) Nanok hozzászólása Jan 24, 2013 /
 
Hali!

Az lenne a kérdésem, hogy lehetne-e hangkártyához frekvencia osztót készíteni? Még az sem túl nagy gond ha kicsit szögletes jelet ad, csak a frekvenciát be tudjam lőni. Kb. 1Mhz-ig szeretnék mérni olyan 1:100 osztás megfelelne és akkor 1Mhz, 10khz-nek felelne meg és akkor szépen látnám spektrométeren, hogy milyen frekvencián vannak jelek.
A hozzászólás módosítva: Jan 24, 2013
(#) _vl_ válasza Nanok hozzászólására (») Jan 24, 2013 /
 
Persze hogy lehet! Ha mondjuk egy TTL vagy CMOS négyszögjelet akarnál megmérni, sima TTL/CMOS számlálóval leosztod a négyszögjelet, a kimenetre teszel egy feszültségosztót (a hangkártya nem fogja szeretni a TTL/CMOS jelszintet), esetleg raksz mögé sorba egy kondit, hogy a DC se menjen át, és már készen is vagy.

Valami azt súgja, hogy nem pont erről álmodoztál...
(#) Nanok válasza _vl_ hozzászólására (») Jan 24, 2013 /
 
Értem, köszönöm! De ha jól sejtem, akkor ezzel nem tudnék spektrumot mérni, ahol több frekvencia is jelen van. Még az is jó lenne, ha az amplitúdójukat is meg tudnám különböztetni.
Nem tudom létezik e valamilyen osztó amivel ezt meg lehetne oldani, olcsón.
Még azon is spekuláltam, hogy valamilyen memóriával rögzíteni lehetne 10ms-ot, és vissza játszani 1s alatt. De gondolom, hogy olcsón ezt sem lehet megvalósítani.
(#) _vl_ válasza Nanok hozzászólására (») Jan 24, 2013 1 /
 
Én digitális jelekről beszéltem, te meg analóg jelekről. Digitális jelekre vannak digitális kapuk, viszont digitális jeleknél értelmezhetetlen a "több frekvencia is jelen van" mondás - nem tud jelen lenni, pláne nem lehet amplitúdóról beszélni.
Analóg jelekre nem fogsz osztót építeni, ha a digitális osztóba bevezeted az analóg jelet, annak köze nem lesz az eredeti jeledhez.
Venni kell egy rendes szkópot.
A hozzászólás módosítva: Jan 24, 2013
(#) pucuka válasza Nanok hozzászólására (») Jan 24, 2013 /
 
Amit szeretnél, az nem frekvencia osztás, hanem keverés. Keveréssel egy a szelektivitással meghatározott frekvencia sávot át lehet helyezni, egy másik frekvencia sávba,
Pl. van egy oszcilloszkóp alkalmazásod számítógépre, amiben található egy spektrum analizátor alkalmazás. Ennek a frekvencia tartománya 20 Hz - 20 kHz. Ezt a 19980 Hz sávszélességet keveréssel el tudod helyezni a frekvencia spektrum bármely részén.
Esetedben a 1000,02 - 1020,0 kHz bemenő jelhez hozzákeversz egy 1000,0 kHz jelet, és kiszűrőd a két jel különbségi jelét, ami pont a 20 Hz - 20 kHz sávba fog esni, akkor a spektrumanalizátorodon pont az 1 MHz -es jel környezetét fogod látni. Persze ez elmélet, a gyakorlatban nehézségeid fognak támadni a szűrő kivitelezésével, mert a szükséges meredekséget nehéz elérni, és ezzel a kijelezhető sávszélesség csökkenni fog.
A hozzászólás módosítva: Jan 24, 2013
(#) Nanok válasza pucuka hozzászólására (») Jan 24, 2013 /
 
Értem, amit igazából én szerettem volna az az, hogy 100kHz-nél 1kHz, 200kHz-nél 2Khz, stb.
hogy be tudjam látni a teljes 1MHz-es spektrumot. Variáltam az előbb ezen a tárolós dolgon, hogy századrészére lelassítva vissza lehetne nézni, de milyen eszközzel tudom felvenni?
Még azon spekulálok, hogy soros vagy párhuzamos portra lehetne fabrikálni valami olcsó valamit, 8bit-es amplitúdóval már elégedett lennék. De vajon elég gyors lenne az 1MHz-hez?
Következő: »»   12 / 29
Bejelentkezés

Belépés

Hirdetés
XDT.hu
Az oldalon sütiket használunk a helyes működéshez. Bővebb információt az adatvédelmi szabályzatban olvashatsz. Megértettem