Fórum témák
» Több friss téma |
Ha valakit foglalkoztat még a tx-20 protokolja. Itt egy kis segítség. Bővebben: Link
Sziasztok!
Van egy ilyen időjárás figyelő állomásom,úgy néz ki tönkrement az időjárás figyelőbe a külső hőmérséklet jeladó. Vajon hol lehet vásárolni ilyent, vagy hol lehetne meg javíttatni?
Szerintem neked kell megjavítani. A panel másik oldaláról is tennél fel képet? Hátha tudok valami okosat írni. Vagy ha én nem valaki más.
Csináltam pár képet.
Ezzel sok mindent nem lehet tenni azon kívül, hogy megméred megkapja-e az IC a tápfeszt, meg a tranzisztort ellenőrizni működik-e. Nem olyanra van csinálva, hogy javítani lehessen. :no:
Megmértem az IC megkapja a tápfeszt, az SMD tranzisztort sajna nem ismerem.
Úgy néz ki a dolog, hogy amikor rá rakom a tápfeszt, felurik az ampermérő1-15mA-ra és kb. 3-5másodperc múlva visszamegy 0-ra, majd eltelik 3-5másodperc és ismét vesz fel áramot, de csak 1ma-ig látom, majd megint visszamegy 0-ra. A vevő részén, a kijelzőn nem mutat semmit.
Az a probléma, hogy nem tudhatjuk melyik oldalon van a hiba. Mert lehet a beltéri vevő részén is.
Az is lehet, habár a többi beltéri funkciója szerintem jól működik. (óra,Beltéri hőmérséklet, min.-max. páratartalom mérő, grafikon.)
Megépítettem én is, az én szélirány- és szélerősségmérőmet. Néhány lehetőséget kipróbáltam CD meghajtóból guberált Hall szenzorral, de nem sikerült úgy, ahogy szerettem volna. Fáradtak a szenzorok. Az ötödik parancsot már megtagadták. Szélirányjelző márpedig kell, és a nálunk szabvány traktor önindító motorjának a kollektorhengerét használtam fel. Bosszúságomra, egy nem a legegészségesebbet, mert fel volt valamikor hevítve túlságosan. Ebből kifolyólag több led is világit, de legjobban az, amelyiknek tényleg kell. Öt vezetéken jön le a 16 információ. Váltó árammal táplálom a készüléket. Az is igaz, hogy 16 diódára és kilenc ledre volt szükségem. A nyolceres UTP kábelen jön le az anemométer információja is a beltéri egységhez.
Mellékelek néhány képet.
szia nem tudnál egy tervet adni kinti benti dolgokról hogy mi kell+ összeszerelés dekötésirajz stb.
Előre is kköszi A hozzászólás módosítva: Dec 16, 2012
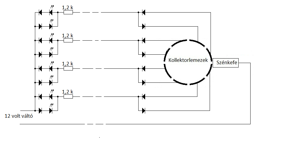
Az eddigi munkám eredménye már nem tetszik. Másat fogok készíteni. A terv az, hogy nyolc kollektorlemez összekötve sorosan nyolc diódával. Minden dióda után valamennyit esik a feszültség. Ezt a feszültségesést egy analóg mérőműszer méri és a skálán az égtájak és a melléktájak lesznek feltüntetve. Rajzot is készíthetek, de amíg nem próbálom ki, nem teszem fel, csak ha kéred.
Nekem minden ötlet jöhet rajz stb mert én is szeretnék egy ilyet és nem nagyon értek ezekhez így rajz nélkül autót szétszedem össze rakom de ehez ötlet , rajz elkészítési rajz kell. Ha készítesz rajzot amit egy amatőr is megért azt meg köszönném
Jah de nekem a másik terved rajza is tökéletes A hozzászólás módosítva: Dec 17, 2012
Kedves Michelika
Ne haragudj, hogy ilyen sokára válaszolok, ez a fránya idő. Most küldök két képet, hogyan is gondolom. Szerettem volna elébb kipróbálni, de ha arra várok, ki tudja mikor lenne elküldve. Amennyire igényeled a további segítségem, állok rendelkezésedre és hamarabb, a legapróbb részletekben is. Itt a fórumon, vagy Skypen is. Lehetőleg olyan kollektorhengert keress, amelyik pontosan osztható 8-al. A négy égtáj és a négy melléktáj ennyit igényel. az enyémé nem osztható pontosan, így nem mutatja tökéletesen pontosan az irányt, de attól még jó lesz. Most ünnep következik, letárgyalhatunk mindent a legapróbb részletekig. Várom kérdéseid. Itt van egy Link ahol egy profi cucc van feltéve. Mi nem akarunk olyat építeni. De az irányát és az erősségét a szélnek megmutatja. A hozzászólás módosítva: Dec 23, 2012
Én végül is csak szél sebességet és irányt akarok métni nekem ez a lányeg
Ha megadod a skyp neved felveszlek A hozzászólás módosítva: Dec 26, 2012
A Skype, Messenger és Yahoo mail címem ugyanaz. Az adatlapomon van. Kattints a nevemre.
hali na sikerült valami?
Íme itt a kapcsolási rajz. A diódák típusát nem tüntettem fel. Lehet akármilyen csak nem zener. Vigyázz, a kollektorhenger ne legyen megpörkölődve, mert akkor több led is fog égni. Az se túl nagy baj, mert ami fontos, erősebben világit. Továbbra is maradunk beszélő viszonyban, csak kérdezz, ha valahol elakadsz.
Jó munkát !
A motoros, szénkefés konstrukciókat felejteni kellene már, a tüzet, és a kőbaltát rég felfedezték!
A LED-es kapcsolásnál érdemes elgondolkodni reed relén vagy HALL generátoron. Megjegyzem, ezzel a megoldással csak a pillanatnyi szélirányt lehet hozzávetőlegesen megállapítani, ami egy lakott terület esetén igen zavaróan fog hatni, ugyanis sokszor "körbefordul" a szélkakas az épületekről visszaverődő ellenirányú széllökések miatt. Aki egy kicsit is komolyan akar ezekkel foglalkozni, annak az elektronikában kell jártasnak lennie mert hatalmas csalódás lesz a kezdetleges ős-szélkakas! Igen, elektronika, mikrokontroller. E nélkül nagyon körülményes az ÁTLAGOLÁS ami a fenti körbeforgásra, imbolygásra az egyetlen egy megoldás!
Istenem, de szívesen lecserélném a szekerem egy Rolls Roycera. A legújabb változat is megtenné, abban bizonyára több az elektronika.
A hozzászólás módosítva: Dec 28, 2012
XD XD
Ne felejtsd el, hogy sok céllal lehet szelet mérni. A szélgépeseknél a kisebb hatásfokú függőleges tengelyű gépet pont azért használják, mert nem törődik az örvénylő szelekkel, csak forog és termel. Látnod kell, hogy a lehetőségeid miatt mekkorák az örvények. Mert az se jó, ha egy vízszintes tengelyű gép csak azzal tölti az időt, hogy igyekszik szélirányba fordulni. Ez egy szélgépes vélemény.
Tavaly télen eltalátam,hogy építek egy időjárás naplózó állomást.Akkor nézelődtem,hogyan lehetne megoldani a szélirány mérését.Amelyik megoldás szimpatikus volt,abban egy érdekes megoldás volt látható.Egy kerek lap volt kimarva egy bizonyos labirint formában.Ez -ha jól rémlik- négy infrakaput szakított-nyitott meg,amit egy mikrovezérlővel,vagy egy logikai áramkörrel lehetett dekódolni.Nyolc irányt tudott megkülömböztetni.Én egy rézlemezből szándékoztam kivágni a kerek formát,majd fotózással kimaratni.Mindez egyéb okok végett elmaradt.
István
Azt is vegyük figyelembe, kinek mire kell a szélirány jelző. Nekem arra, hogy ha kicsit jobbra és fel nézek netezés közben, lássam fúj-e a szél és melyik irányból. Az se nagy baj, ha nem tudom. Egy darabig jegyeztem egy papírra, milyen erős szél fúj, de egy két nap elfelejtettem jegyezni és abbahagytam. Azóta se érzem hiányát. Próbáltam Hall érzékelőkkel készíteni szélirány jelzőt, de nem sikerült. Mindig elállítódtak, pedig rengeteget kínlódtam vele. Szolgáljon mentségemre, hogy volt más is, akinek nem sikerült.
A hozzászólás módosítva: Dec 29, 2012
Én hasonlót építettem! Egy tengely 2 helyen csapágyazva és a tengelyen egy kód tárcsa, a tárcsa alatt és felett infra kapu. 16 irányt érzékelt! Gyakorlatilag a TX20 kódtárcsája. lapozz ebben a topikban vissza és megtalálod. Márc 1, 2010
A kapuk által adott értékekhez csak az irányt kell hozzárendelni és átlagolni. Erre e mikrokontroller pont megfelelő. Egyik ismerősöm azt mondta " A 21. században ne akarjunk már egy befőttes gumival hajtott, szalagos magnó számlálóval világot megváltani!" - És milyen igaza van! A hozzászólás módosítva: Dec 31, 2012
Kedves Rumcájsz
Igazad van. Kell haladni a fejlődéssel. Valahol olvastam: a haladás megy, a jó útján jár, ha felülünk felvesz, ha nem ülünk, nem vár. Bizonyára pontatlan az idézet, de a lényeg ez. Ezt szeretném lefordítani a magam és Michelika esetére. Michalika autószerelő, én köztisztviselő. Nem tudunk programozni. A mikrokontroller működtetéséhez szükséges a megfelelő program. Kérlek szépen, ha már ennyire ajánlod a mikrokontrollert, adj egy leírást, programmal együtt, vagy legalább egy linket, ahol olyan szinten van leírva, hogy én vagy Michelika ( aki autószerelésben jó) meg tudjuk építeni. Az én helyzetem rosszabb, mint a Michelikáé. 150 méter a távolság a kijelző és a szélkakas között. Sikerült összeszedjek annyi Ethernet kábelt, több darabból, de ha tudnál valami rádióhullámos megoldást, megköszönném. Három információra lenne itt lenn szükségem: szélirány, szélerősség és a generátor feszültsége vagy teljesitménye. Szeretném, ha az egész nem kerülne többe, mint az anyagár, mert a minimálbérrel vagyok fizetve és nem futja anyagilag profi félépítésre és programozásra. Ilyenkor jön reflexből a válasz: akkor ne építs szélirányjelzőt ! Istenem bocsáss meg, ártok én azzal valakinek, hogy saját magam barkácsolok valamit? Tulajdonképpen ártok. Nem vásárolom meg a profik által épített készüléket, programmal együtt és így nem keres rajtam nagy összegeket több ember. Hogy is van ez? Nem ismerem a mikrokontrollert, de megvásárolom. Nem tudok programot írni, hát megíratom. Elhívom a programozót és beprogramozza a dolgokat. Ez az egyik lehetőség. A másik az, hogy megrendelem, kifizetem. A szakemberek elhozzák és telepítik. Pár ezer, vagy pár tízezer euró egy minimálbérrel fizetett köztisztviselőnek meg se kottyan. A szakik felszerelnek egy olyan készüléket amit lehar fórumtárs feltett december 21-én itt . Minden kész, mindenki jól járt, főleg az eladó. Ránézek a PC monitorára és látom kelet-délkelet irányból fúj a szél 7,68 km/h sebességgel, a szélgenerátorom 23 százalékkal termel. Ekkor én hátradőlök és elégedetten megállapítom, ez a befektetés tényleg megérte !
BUÉK minden fórumot olvasónak!
Nekem meg azt mondta az ismerősöm, hogy a fórum azért jó, mert itt nem téma a résztvevők anyagi és szellemi lehetősége, ezt a témát itt elkerülik. Magamról viszont beszélhetek. Én leragadtam félvezetők terén a tranzisztor, tirisztor szinten, de azokkal jól bánok. Ha valamit barkácsolok, gyakran befolyásolja a munkám a meglévő anyag és tudás. Ha elkészül, akkor működik, és értek hozzá, tudom karbantartani, javítani. Ha kell pl. nagyobb elektronikai tudás, tudom melyik fiatalhoz forduljak, aki segít és nem nevet ki, mert jól tudja milyen általa nem megoldható témában kereshet meg. Mindezt azért írom, mert mint szélgépes elgondolkodtam ezen a szélirány jelzőn, hogy én miként készíteném el. Még egy skicc is van róla. De nem akarom ezt a figurát senkire rálőcsölni, csak egyszer lehetőségként megmutatni. Ja, és a legprofibb széljelzőt műholdas kapcsolattal (mert a kertem messze van), nem fogom megcsinálni (ez lazán verné pedig a szerkentyűd), sem megvenni.
Kedves István!
BUÉK 2013! Nos, elolvasva leveled, mindenképp tartozom egy bocsánat kéréssel ha megbántottalak volna! Hangvételedből ez derül ki. Rosszul ítéltem és gyorsan ítélkeztem! Elnézést kérek! A másik dolog a folyamatos fejlődés! Nekem sem (teljesen) az elektronika a szakmám, de én is az alapoknál kezdtem. Azonkívül mindig matatott az agyamban az a törekvés, hogy egy elkészült készülék, eszköz hogy lehetne jobb, tökéletesebb. Mikor elkészítek egy áramkört, készüléket, már megvan a fejemben hogy a következő verzió hogy fog kinézni, működni! Ezt én önképzésnek mondanám, hiszen a mikrokontrolleres világba úgy kerültem hogy 2009-körül itt a HE oldalain tettem fel egy pár kérdést a nagyra becsült szakiknak, elhajtottak, túl egyszerűt kérdeztem. Egyébként igazuk volt, mosolygok is azokon a kérdéseken. De el kellett indulni valamerre. Azután kerestem és találtam oldalakat a neten, ahol egy adott szálon elindulhatok. Elindultam és 3 év alatt igen sok mindent megtanultam. No, de nem akarok magándolgokat topicba írni, egy a lényeg, amit a hozzászólásom elején írtam! Kérlek ne haragudj! Magán OFF! Egy kérdésem viszont volna, a szélgenerátorod teljesítményét hogy/mivel méred! A leírnád (akár magán levélben) megköszönném! A hozzászólás módosítva: Jan 1, 2013
|
Bejelentkezés
Hirdetés |


















