Fórum témák

» Több friss téma
Fórum » Szkóp építési gondok
 
Témaindító: gery yu, idő: Feb 24, 2009
Témakörök:
Lapozás: OK   2 / 4
(#) velence válasza peterpan hozzászólására (») Márc 17, 2009 /
 
Köszi a részletes adatokat! Lehet hogy az éveket illetőleg igazad van, már annyira nem emlékszem. De abban nem vagyok biztos, hogy Évkönyvben volt - e. Hacsak a Stefanik Pali be nem válogatta egy évkönyvbe..
Üdvözlettel, Tombor J.
(#) Sebi válasza peterpan hozzászólására (») Márc 17, 2009 /
 
Kicsit javítgattam rajta, hátha szebb lesz.
Az eredmény:

D.10-119.pdf
    
(#) peterpan válasza Sebi hozzászólására (») Márc 18, 2009 /
 
Naccerű!
Ezt én is eltanulnám! Van valahol valami leírás; hogyan készült?
(#) Sebi válasza peterpan hozzászólására (») Márc 18, 2009 /
 
Hát, ez végülis csak idő és türelem... Ez sajnos fotózva volt, ezért a felület nem egyenletes megvilágítása miatt több darabra kellett szedni és azokon a Picture Managerrel korrigálni a kontrasztot, fényerőt. A jpg nem szerencsés vonalas fekete-fehér képekhez, ezért átraktam gif-be, ennél minden javítgatás után csak kisebb lesz a file (nem nő a szemét rajta). Ezt paint-tel gyorsan el lehet követni. Végül pdf-be tettem, de djvu-ban még kisebb lenne a file.
(#) peterpan válasza Sebi hozzászólására (») Márc 18, 2009 /
 
aha, értem.
(#) Syn7h37ic hozzászólása Okt 18, 2009 /
 
Hali.
Van két szkópcsövem, ezek valamelyikével szándékozom építeni egy műszert. Egy DG7-113, és egy 7VP1-es 13cm-es finomság.
A DG7-re van is sok kapcsolásom, de a 7VP1-re nincs.
Esetleg arra gondoltam, hogy egy meglévő szkóp eltérítő fokozataival hajtanám meg a csövet. Ez járható út? Mert akkor beáldoznám a miniszkópot a 7VP1-re, a DG7-re nincs értelme, a kisebb sávszélessége miatt.

(#) mrn válasza velence hozzászólására (») Okt 17, 2011 /
 

Sziasztok!
Látom, elég rég nem jött hsz ebben a témában, én is most úgy találtam rá, hogy beírtam a Google-be: DG10-119... Ugyanis van másfél szkópom, amiben ilyen cső van, és kíváncsi voltam az adatlapjára. Azóta a feltöltött német nyelvűnek megtaláltam a munkaközi magyar verzióját is ("ideiglenes adatok"). Ha érdekel valakit, feltöltöm.

Épp itt fogok a kezemben egy ilyen csövet, és felmerült bennem egy kérdés.

A régi TV-knél volt egy olyan probléma, hogy a katódból az elektronoknál nehezebb ionok is kiléptek, amelyekre nem (vagy alig) hatott az eltérítő mágneses tér, és így mindig a képernyő középső területét bombázták (volna), ami gyorsan "lekoptatta" (volna) a fényporréteget. Ezt először úgy oldották meg, hogy döntve szerelték be a katódot, és az elektronsugarat egy állandó mágnessel (ioncsapda mágnes) térítették vissza az egyenes irányba, így az ionnyaláb pedig az ernyő helyett a cső nyakába csapódott, mert a ferdén beszerelt katód tengelyének vonalában, egyenesen haladt tovább.

Modernebb képcsöveknél ehelyett a fényporrétegre rágőzöltek egy nagyon vékony alumíniumréteget, ami egyrészt megvédte a fényport a becsapódó ionoktól, másrészt a fényerőt is kicsit megnövelte több okból is: egyrészt mivel az aluréteg az anódfeszültség potenciálján volt, rásegített az utángyorsításra, másrészt az aluréteg visszaverte a fényporból hátrafelé, a cső belseje felé kisugárzott fényt, és előre irányította. Ez a két tényező bőven kompenzálta azt a hatást, hogy az aluréteg az elektronok egy részét is "megfogta".

Na a jó hosszú bevezetés után a konkrét kérdés:
Miért nincs szükség szkópcsövekben az ioncsapdára?

- 1-2kV-os gyorsítófeszültég esetén nem lépnek ki ionok a katódból?
- a sztatikus eltérítés hat az ionokra is, ezért azok nem egy pontba koncentrálódnak, és így már nem okoznak problémát?

Hát ez kicsit off lett, így inkább beszürkítem
(#) Sebi válasza mrn hozzászólására (») Okt 18, 2011 /
 
Ha jól sejtem, a dolog magyarázata az, hogy nagyságrenddel kisebb teljesítmény szükséges egy viszonylag rövid és kis eltérítési szögű elektronsugár előállításához. Tehát a katódnak nem kell akkora teljesítménnyel dolgoznia, a sugár "lágy", jól fókuszálható, kis (sztatikus) energiával eltéríthető. A képcsöveknél kellő felületi világosság eléréséhez az egyetlen sugarat nagy energiával "keményen" kell előállítani és az eltérítéshez is nagyobb enegia kell(ett), pláne a 110fokos rövidebb csöveknél.
(#) mrn válasza Sebi hozzászólására (») Okt 19, 2011 /
 
Köszi. Én is valami ilyesmire gondoltam, szóval a kisebb energiájú elektronsugárnál van a blöki leföldelve.

Majd ha lesz egy kis időm rájuk, lehet, hogy indítok egy témát a másfél szkópommal kapcsolatban (vagy talán ebbe a témába is belefér), egy kicsit újra kellene gondolni a nagyfesz tápját, mert nem működik valami jól. Terhelésre változik valamelyik feszültsége (még nem mértem, hogy melyik, valószínű a gyorsítófesz), a fényerő állítására függőlegesen és vízszintesen is változik kicsit a képméret... Ez egy komersz TV-nél megszokott dolog, de szkópnál elég durva! Így sem az idő, sem az amplitúdó nem tekinthető hitelesnek. LM3842, TL494, ilyesmikben gondolkozok az eredeti egytranzisztoros önrezgő kapcsolás helyett, attól függ, melyiket lehet az eredeti inverter frekijén járatni, végső esetben lehet, hogy 555 lesz, az elég rugalmas ilyen téren (nagyon nem akarok új trafót készíteni, az eredetivel akarom megoldani, csak egy normális vezérléssel, amiben van rendes visszacsatolás).

Ja, HT TR-0619-es wobblerről van szó. Más bajom is van vele, pl. a centerfrekvencia leolvashatatlansága... Nem is értem, hogyan gondolták, a skála alapján kb +/- 20% pontossággal lehet megsaccolni, éppen milyen frekin is járok... A löket az leolvasható, mert van 1 és 10MHz-es marker is, de a centerfreki az sacc...
Aztán oszcilloszkóp módban sem túl használható a fix trigger miatt. De amúgy jó kis műszer (is lehetne...) Talán még ebben az évtizedben neki is állok. A centerfreki gondjára más megoldást nem nagyon látok, mint szerezni egy hiteles RF generátort, és annak a jelével összeüttetni a wobbler kimenő jelét, egy markert / "kurzort" létrehozva így. Már csak azért, mert majdnem 1GHz-re frekimérőt építeni nem egyszerű és főleg nem olcsó...
(#) pucuka válasza mrn hozzászólására (») Okt 19, 2011 /
 
Igen, az anód, ill. a gyorsítófeszültség nagysága, ami lényeges. Az anódfeszültség olyan 1 - 2 kV, a gyorsítófeszültség 4-5 kV értékeinél a TV képcsövek 16 - 25 kV gyorsítófeszültsége azért jóval nagyobb.
A kép méretének fényerővel kapcsolatos változása pedig a nagyfeszültség előállító belső ellenállásának problémája.
a wobler centerfrekvenciáját pedig úgy kell kiszámolni, hanyadik 10 megás, és utánna hanyadik 1 megás marker, elég babrás, de ez van. Jó megoldás, ha építesz egy változtatható frekvenciájú marker generátort, ma már nem nagy ügy egy DDS generátort összerakni.
(#) mrn válasza pucuka hozzászólására (») Okt 19, 2011 /
 
Igen, olyan mintha nagy lenne a belső ellanállás, ugyan van az 1000V kimenettel sorbakötve 10K+1K, de azon a néhányszor 10 uA-en alig eshet rajta 1V körül, a trafó szekundernek bár vékony és nagyon sok menetes, nem hinném, hogy 10K-nál nagyobb lenne a DC ellenállása, a nagyfesz diódán úgyszintén nem esik sok szerintem. Szerintem ezzel az önrezgő kapcsolással van a gond, illetve a konkrét visszacsatolás hiányával. Első körben esetleg megpróbálom megnövelni kicsit az 1000V kimeneten a kondit, mondjuk 100nF-ról 150-re.

Arra gondoltam, hogy az 1000V kimenetről csatolok vissza majd az új vezérlésnek, de azzal meg az lehet a gond, hogy ha terhelésre beesik az 1000V, a vezérlés utánaszabályoz, akkor meg az eltérítő végfokok 75 és 150V-os tápfesze fog megemelkedni. Először is majd megmérem, hogy melyik feszültségem mászik el és hol. Lehet, hogy nem is a transzverterrel van a gond, hanem az osztók vannak rosszul méretezve. Majd előásom és összedrótozom a tartalék alkatrésznek szánt roncsomat, azon bátran lehet kísérletezni, mielőtt az egyben lévőt bolygatnám (a roncs is működik, csak nincs burkolata, előlapja, és kicsit hiányos, de a szkóp része megy.)

Olyan merész gondolataim is támadtak, hogy megnövelem a gyorsítófeszt 1500-2000V-ra, de ehhez nagyon bele kellene nyúlni az egész szkópba, eltérítés sem stimmelne, valószínű új trafó is kellene a transzverterbe, vagy kikerülném ez utóbbit azzal, hogy a megnövekedett 75 és 150V-ot visszastabilizálnám zenerekkel Már ha vissza kellene, mert lehet, hogy az eltérítés tápfeszét is nagyon meg kéne növelni miatta, de akkor már nem jók az eredeti végtranyók, stb, stb... Szóval ezt a részét sztem hanyagolom, megbarátkozok inkább a kis fényerővel.

A centerfrekvenciát azt hogyan tudnám kiszámolni a markerekből? Semmi támpont nincs hozzá, csak azt tudom megszámolni a markerekkel, hogy mekkora frekvenciasáv látszik az ernyőn, azaz mekkora a löket. Ha a frekisáv elejéről tekerem felfelé és számolom a markereket, az sem segít, mert lehet, hogy a sáv eleje 390,3MHz, de az is lehet, hogy 399,8, vagy bármi más, szóval ez sincs hitelesítve. És azt hiszem, nem is lehet hitelesíteni, mert a két sáv (0,5-400MHz és 400-860MHz) alját és tetejét nem lehet külön kalibrálni, de majd beleásom magam jobban a gépkönyvbe, most pedig megyek vízszintesbe.

(#) fater0827 hozzászólása Jan 8, 2013 /
 
Üdv
Szeretném újból megépíteni az (5 Lo 38) szkóp csöves készülékem ,Rajz : Rózsa Sándor Amatör mérőkészülékek építése című szürke könyv mellékletén volt . A panelok megvannak de a rajz kellene hozzá .
Aki tud segíteni köszi !
Alkatrészek BC 182 marék ? , bf244 FET , BF257 VIDEÓ tranzisztor , eltérítő poti ? , feszültségek ? .
Esetleg ugyanevvel a csővel 5-10 Mhz rajz is jól jönne .
Köszi
Üdv
(#) Sebi válasza fater0827 hozzászólására (») Jan 9, 2013 / 1
 
A szürke könyv pontos címe: Elektronikus amatőr mérőkészülékek, ennek van két melléklet lapja, amin a formátumnál nagyobb ábrák található, de 5LO38-al nincs szkóp.
Viszont a másik Rózsa-könyv: Elektronika-sorozat, Amatőr mérőkészülékek építése - tartalmaz egy kapcsolást 5LO381-es csővel, de pár tranzisztor van benne...
(#) peterpan válasza Sebi hozzászólására (») Jan 9, 2013 / 1
 
Üdv!
Ahogy Sebi mondja, nem ott hanem itt:

Üdv.: PP
A hozzászólás módosítva: Jan 9, 2013
(#) peterpan válasza peterpan hozzászólására (») Jan 9, 2013 / 1
 
Bővebben: Link

"lassú letöltés" ingyenes.
Van benne 5MHzes is a te csövedhez.
A hozzászólás módosítva: Jan 9, 2013
(#) fater0827 válasza peterpan hozzászólására (») Jan 9, 2013 /
 
Üdv Sebi és Péterpan
Átnézem ,Köszönöm , köszönet néktek .!
Ebben a szürke könyvben 4 részre volt hajtva egy lap , -de lehet , hogy 3 cm cső rajz van és nekem ugye 5 cm csövem van , így 1/1 beraktam helyette !
Üdv
(#) Sebi válasza fater0827 hozzászólására (») Jan 10, 2013 / 1
 
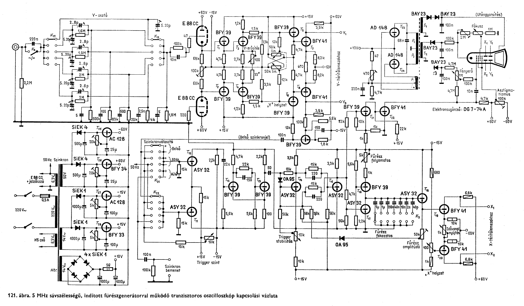
Ha a szokásos - neten keringő - verziód van meg,abból hiányoznak mellékletek, én is most vettem észre, be is scanneltem. Érdekes, hogy a 121 és a 178 ábra aláírása fel volt cserélve - javítottam.
A 118-as lehet, az 5 vagy 6 centis csővel van.
A hozzászólás módosítva: Jan 10, 2013
(#) fater0827 válasza Sebi hozzászólására (») Jan 10, 2013 /
 
Üdv Sebi
Telitalálat a 119.gif az én keresésem .
Nagyon köszi . A könyv maga megvan csak a melléklet nincs közel 1000 újság könyv közt eltemetődött . Funkamatőr , amaterszké rádió , rágyió , rádiótechnika , Magyar elektronika , mikrómagazin , hobbielektronika most ennyi jut eszembe . Több évfolyam több mázsa .
Köszönöm még egyszer .
Üdv
(#) pancser1960 hozzászólása Márc 31, 2019 /
 
Üdv.!

Szeretném kérdezni, hogy mi a különbség a DG7-113 és a DG7-113F között?

Köszi!
(#) vatti65 válasza pancser1960 hozzászólására (») Márc 31, 2019 / 1
 
Az F végűek képcsöve lapos elejű, míg a másik kicsit domború. Elektromosan nincs különbség.
Üdv...
(#) pancser1960 válasza vatti65 hozzászólására (») Márc 31, 2019 /
 
Köszönöm szépen a válaszodat.

Azt esetleg még meg tudnád mondani, hogy a DG7-113 szimmetrikus, vagy aszimmetrikus eltérítésű?
Egy régi rádiótechnikában megtaláltam a csőfej bekötését, de abban nincsen infó az F betűről, meg a szimmetriáról.
(#) vatti65 válasza pancser1960 hozzászólására (») Márc 31, 2019 / 1
 
Szimmetrikus, Uf: 6,3 V/600mA; Ua2: 2kV; Ua1:320-600 V; -Ug1: 45-90V; d1,2:39-53V/cm;
d3,4: 30-40V/cm. RT1978/10 494.oldalon egy ajánlott tápegység hozzá. Illetve a sorozatban komplett kapcsolások.
Üdv...
(#) pancser1960 válasza vatti65 hozzászólására (») Márc 31, 2019 /
 
Még egyszer köszönöm szépen a segítségedet.

Szerintem ez a szám meg is van. 1975-től 1990-ig vettem csak. De ez még benne van.
Azért az adatokat, amit megadtál, elteszem.
(#) vatti65 válasza pancser1960 hozzászólására (») Márc 31, 2019 / 1
 
Ott kevesebb az anódfesz, ezért érzékenyebb a cső, persze kisebb a fényerő.
Ajánlom még az RT évkönyv 1976, és 1985 számait.
Sok sikert..
(#) pancser1960 válasza vatti65 hozzászólására (») Márc 31, 2019 /
 
Köszönöm!
Keresem.
(#) pancser1960 hozzászólása Ápr 15, 2019 /
 
Van esetleg valaki, akinél jelenleg is van folyamatban szkóp építés és esetleg megosztaná a tapasztalatait?
(#) Ge Lee válasza pancser1960 hozzászólására (») Ápr 15, 2019 / 1
 
Konkrétan milyen szkópra gondolsz? Nekem az a meglátásom, hogy esetleg valami nagyon primitív, 1-2MHz-es csöves szkópot van csak értelme építeni, azt is csak abban az esetben ha nem kell venni hozzá semmit, azaz minden ott van hozzá a fiókodban. Mert ilyet is adnak már néhány ezresért használtan, ahogy pici hangfrekis DSO-t is. Tíz-húszezer között meg már kétcsatornás gyári, legalább 10MHz-es szkópokat kapni használtan, sőt némi hibával komolyabbakat is, amiket annál sokkal több pénzből sem tudsz házilag megépíteni.
Tehát, a szkóp építés mint olyan mára erősen okafogyottá vált, amik vannak, azokat sem lehet eladni még árukon alul sem.
(#) ronin75 válasza pancser1960 hozzászólására (») Ápr 15, 2019 / 1
 
Jópár évvel ezelőtt én az alábbi kapcsolást építettem meg, DG7-113F csővel. Szépen működött, határfrekvenciáját nem mértem. Bedobozolva sosem lett, maradt deszkamodell szintjén. Az azonban igaz, hogy házilag inkàbb az építés öröme vagy fiók kisöprés lehet a motiváció, gyáriakkal nem lehet versenyre kelni. Régebben lehetett ebben ráció, amikor a hobbista maga készítette a müszereit, mert készen elérhetetlen áron volt. Ma szerintem inkàbb fordítva van, sokkal olcsóbb megvenni.

image.gif
    
(#) pancser1960 válasza Ge Lee hozzászólására (») Ápr 15, 2019 /
 
A lehető legjobbat szeretném összehozni, ami tőlem telik.
Hogy milyen telik, azt még nem tudom.

Használt szkóp nekem is megfordult a fejemben, de még nem akadtam ilyenre.
Talán a hétvégén kapok egyet Németországból. Használtan.
Van egy nagyon öreg Orionom.

Van ugyan három katódsugárcsövem is. Jó lenne kezdenem velük valamit.
Csak az építés lenne a lényeg.
Az se gond, ha bele törik a bicska.
(#) pancser1960 válasza ronin75 hozzászólására (») Ápr 15, 2019 /
 
Ilyen egyszerű rajzot még nem is láttam.
A gyáriakkal nem akarok versenyezni.

A rajznak nincsen több darabja?
Ezen nem látom a fűrészjel generátort.

Vennem legfeljebb néhány potmétert kell.
A dobozzal nekem is lesznek gondjaim. Nem vagyok egy ügyes bádogos.
Következő: »»   2 / 4
Bejelentkezés

Belépés

Hirdetés
XDT.hu
Az oldalon sütiket használunk a helyes működéshez. Bővebb információt az adatvédelmi szabályzatban olvashatsz. Megértettem