Fórum témák
» Több friss téma |
Pár mV AC tényleg ugrál de a dióda előtt, és csak 0-10 mV tartományban. A dióda után stagnál 3.5 mV közelében. Így néz ki az egész szerkezet, talán ez segít.
A hozzászólás módosítva: Nov 24, 2012
Hello!
Jóember! Ennek a kapcsolásnak hangfreki kell, vagy is váltó! Mi az a két diófa az LM3900 blokk előtt? üdv! proli007 A hozzászólás módosítva: Nov 24, 2012
Csak azért raktam, hogy így ha a balance-ot teljesen az egyikre csavarom, és ezért az egyiken nincs jel akkor a másik adja, és így nem zárom rövidre.
Hello!
Ez nem egyenáram! Ennek így az égvilágon nincs semmi értelem. Ha mind két csatornát szeretnéd rávezetni, akkor az áramkörödnél a bemeneten található 120nF és 100kohm-ot kell megkettőzni, (még egy ugyan ilyen soros RC tagot kell kötni az IC felé) és így két bemented lesz. üdv! proli007 A hozzászólás módosítva: Nov 24, 2012
Oké, köszi ezt majd megcsinálom hétfőn. A kimenet még mindig ugyanolyan, ha csak az egyiket kötöm rá.
Hello!
Elsőként meg kell nézni, hogy a három poti tetején van-e hangfreki, vagy is váltó jel.. üdv! proli007
Hello!
Itt valami egyszerű hiba van. Ha az első fokozatnak a munkapontja rendben van, akkor erősítése is van. Ami itt a 820k/100k=8,2-szeres. Meg kell mérni a bemenő jelet is meg van-e. Az erősítő és az áramkör GND pontjai össze vannak kötve? Lehetne az 'IN' pontra 50Hz-et is adni egy kis trafó és egy poti segítségével. Ha 100mV váltót adsz be, a potikon 820mV váltó mérhető. üdv! proli007
Rákötöttem közvetlenül a számítógépre és tökéletesen működött, úgyhogy a bemenettel lesz baj. Hogyan kellene erről a szabályzóról leágaztatni?
Hello!
Erről, ugyan úgy kell működnie, ha ez az áramkör maga működik és van is kimeneti jele. Csak éppen értelmetlen egy szűrőkapcsolást, egy hangszínszabályzó kimenetére kötni. Hiszen ha szabályzod, azzal elállítod a három csatorna arányát is. Ez közel lineáris, a füled meg logos, úgy hogy a hangszínszabályzó elé, értelmesebb kötni.. üdv! proli007
Gondoltam rá, lehet ezt is fogom csinálni. De ebben az esetben, ha pl. a basszust lejjebb veszem, nem fog az első oszlop kisebbeket ugrálni, mint ahogy akkor tenné, ha a szabályzó után lenne.
Igazad van, jobb lesz, ha elé rakom, és így ha a hangerőt lecsökkentem, akkor is kitölti a teljes oszlopot. Kösz Neked és reloopnak is a segítséget!
Szevasztok. Kérdezném, hogy meg-e építette valaki azt a kapcsolást, amit variszabi is megépített, és hogy jól-e működik, zavarmentesen? Vagy ha nem, mit kellene rajta változtatni?
Bővebben: Link
Új vagyok a dolgokban úgyhogy ne nézzetek hülyének, ha a kérdésem túl egyszerű.
A cikkek között találtam a Idézet: című leírást.„Számítógép tunningolás II. - PC ventillátor visszajelző” Itt azt írta a készítő, hogy a visszajelző skálát a mode lábbal be lehet állítani, hogy pont szerű, vagy bár szerű legyen. Csak nem tudom hogyan lehet beállítani a pont szerűt.
Ha a lábat nem kötöd sehova akkor egyszerre csak egy LED világít, ha a + Ut-ra kötöd, akkor bár szerű.
Szia!
A "MODE", azaz a 9-es lábat nem kell bekötni. Az infó az IC adatlapjának 7. oldalán található.
Sziasztok!
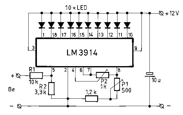
Szeretném megépíteni a mellékelt kapcsolást. Autóba szánom feszültségmérőnek. Az lenne a kérdésem, hogy a stabil tápfeszültség amit mindig megkapna(csak ha rá van adva a gyújtás persze), az lehetne 9V ? A rajzon 12V van stabil tápfesznek, de ha 12V alá merül az akku, akkor egy 7809-es IC-vel még mindig stabil tápot tudnék biztosítani. Ezt így lehet? Esetleg kell valamin változtatni? Köszi
Szia! Nem igényel stabil tápot, mehet direkt az autó villamos hálózatára. 3V-tól üzemképes.
Rendben! Csak azért kérdeztem, mert azt olvastam, hogy, ha ugyanaz a két táp, akkor hosszútávon melegszik az IC, ha pedig külön stabil 12V a tép, akkor nem vagy nem annyira.
Inkább rákérdeztem az okosabbaktól
Az IC melegedését úgy csökkentheted, hogy a LED-ek közös anódja és a táp közé 47-100 ohm ellenállást iktatsz. Ezen a rajzon az R8 épp ilyen funkciót tölt be.
OK, rendben. 47 és 100 Ω között mindegy mekkora lesz az ellenállás? 3mm-es normál ledeket használnék.
Ha P2 értéke 1k, akkor 12,5mA lesz a LED-áram. Ha az összes LED világít 125mA ejt feszültséget az ellenálláson. Ez az eset 14-15V környékén következik be, tehát az ellenálláson akár 12,5V-is eshet - ez felel meg a 100 ohm-nak (1,5W hő fejlődik!). Mivel adott számú bekapcsolt LED-nél az áramfelvétel konstans, a disszipáció az ellenállás mértékének megfelelően oszlik el közte és az LM3914 között. Választhatsz hol szeretnél több hőt leadni. A 47 ohm-nál kisebb ellenállás már nagyon hagyná az IC-t fűteni.
Értem. Akkor minél inkább a 100Ω felé megyek el. Elvégre inkább az fűtsön, mint az IC
Sziasztok!
Ismét bizalommal fordulok hozzátok! Lehet nem a legjobb helyen kérdezek, de majd jelzitek, ha így van. Építettem egy fordulatszámmérőt, ami tökéletesen működik, de szeretném kicsit módosítani. A cél az lenne, hogy az 500 f/p-es felbontás helyett 200f/p-es felbontásban mutasson és így 3db LM3914 30LED-et hajtana meg 0-6000f/p tartományban. Át lehet alakítani ezt a kapcsolást? Sajnos még mindig a lelkes amatőr szintjén vagyok A segítségetekért előre is hálás köszönetem!
Szia! 30 LED-es.
Itt tízes csoportonként a fényerő növekszik, utolsó 10 LED a legfényesebb. Nekem bejön, de lehet változtatni is. A P1-gyel tetszőlegesen kalibrálhatod.
Szia!
Köszi a gyors választ és segítséget! Akkor, ha jól értem úgy kalibrálom majd 200f/p-es felbontásra, hogy ha rákötök egy kicsi 5-6 V-os 50Hz-es trafót, addig kell tekernem míg a 15. LED is világít és az jelzi majd a 3000f/p-et? Illetve az érdekelne, hogy mit kellene módosítani, hogy mindegyik LED egyforma fényerővel világítson?
Hello! Kb. Ezt kell tenned. üdv! proli007
Szia!
Köszi szépen a segítséget!
Sziasztok!
Megépítettem ezt a kapcsolást, de nem nagyon akar működni. Minden második LED-et kötöttem csak be. Lehet. hogy ez miatt nem jó? A hozzászólás módosítva: Feb 23, 2013
Szia! A bekötött LED-ek száma nem befolyásolja a működést, más hibát keress!
|
Bejelentkezés
Hirdetés |















