Fórum témák

» Több friss téma
Fórum » LED-es fordulatszámmérők
 
Témaindító: (Felhasználó 4577), idő: Okt 29, 2007
Témakörök:
Lapozás: OK   3 / 4
(#) proli007 válasza Hidi hozzászólására (») Okt 4, 2012 /
 
Hello!
Egy NE555-öd IC azért kell bele, és vélhetően egy LM358-as műveleti erősítő is, mert az integrált jelet fel kell erősíteni. Ugyanis ez a kapcsoláshoz, kb. 9V feszültség kell, hogy mind a 10 Led jelezzen.. Tranyókkal is meg lehetne oldani, de keserves..
üdv! proli007
(#) Hidi válasza proli007 hozzászólására (») Okt 4, 2012 /
 
Köszi! Megpróbálom . Ha nem sikerül marad az ic.
(#) proli007 válasza Hidi hozzászólására (») Okt 4, 2012 /
 
Hello!
Én megrajzoltam az elő fokozatot tranyóval. Aztán, hogy ez megnyeri-e a tetszésedet, és hogy működik-e, az majd kiderül.. A kimentét, a BC549 emittere helyett lehetne bekötni, vagy annak bázisába. (Előtte lévő dolgok nem kellenek.)
üdv! proli007
A hozzászólás módosítva: Okt 4, 2012
(#) Hidi válasza proli007 hozzászólására (») Okt 6, 2012 /
 
Szia! 555-el nem lehetne egyszerűbben megoldani? Elég kezdő vagyok.
(#) proli007 válasza Hidi hozzászólására (») Okt 6, 2012 /
 
Hello!
Miért? Nem azt írtam, vagy nem olvastad el?
üdv! proli007
(#) Hidi válasza proli007 hozzászólására (») Okt 6, 2012 /
 
De én csak lm3914-et nem akarok venni. Vagy még az 555-ön kívül kell a rajzon lévő kapcsolás is? Bocsi de tényleg kezdő vagyok.
(#) proli007 válasza Hidi hozzászólására (») Okt 6, 2012 /
 
Hello!
Nézz meg olyan kapcsolást, amiben 555 van és pld. ami megy az LM3914 Led-meghajtóra, az megy majd a tranyós kijelzőre. De mint mondtam, valószínű a kimeneti jel, kicsi lesz az RC integrátor fokozat után. Azt még fel kell erősíteni 2..3-szorosára. Pld. ahogy a tranyós rajzon az utolsó két tranyó teszi, vagy egy műveleti erősítő..
üdv! proli007
A hozzászólás módosítva: Okt 6, 2012
(#) Hidi válasza proli007 hozzászólására (») Okt 6, 2012 /
 
Köszi.
(#) dani9228 hozzászólása Okt 27, 2012 /
 
Üdv! Abban kérném a segítségeteket, hogy van nekem itthon egy M66311P- típusú led meghajtóm, és ebből lehet e építeni egy fordulatszámmérőt? Még azt kérdezném, hogy hogyan kell ezt bekötni. A kimenetek az oké, meg a táp, de a többi ez nem. A leírását mellékeltem.
Köszi!!!
A hozzászólás módosítva: Okt 27, 2012

M66311P.pdf
    
(#) kadarist válasza dani9228 hozzászólására (») Okt 27, 2012 /
 
Szia!
Ez egy digitális áramkör, úgyhogy kontroller nélkül felejtős a használata.
(#) dani9228 válasza kadarist hozzászólására (») Okt 28, 2012 /
 
Helló!!
Értem! Köszi!!
(#) rolandi350 hozzászólása Jan 25, 2013 /
 
Hali, LED-es fordulatszámmérőt szeretnék csinálni.
Ebben tudna nekem valaki segíteni?
Nem találok rá megfelelő kapcsolást mert nekem kicsit saját elképzelés alapján kellene.
4 ütemű motromra szeretnék, de olyat ami 3O ledes.
De nem a teljes fordulatszám tartományt mutatná csak a vége felé a 3OOO-es tartományt.
Tehát kb 6000-től 9000-ig szóval az első led akkor gyúlna ki, ha 6OOO-er a fordulat már és az utolsó pedig már akkor mikor 9OOO. És e között pedig lenne 3O led 'átjárás'.
Kb ilyen elven.

Szóval ha nyugisan közlekedek 6OOO alatt akkor ne mutasson semmit, de ha kicsit meghúzatom magasabb fordulatszám tartományba hirtelen előugrik végig fut a csík majd mikor végig ment váltok és olyankor pedig leugrana kb az első ledre ha pl pont 29OO-at esik vissza a fordulat.
Remélem érthető, hogy mit is szeretnék.

Nézegettem simsonra azt a 2O ledest, hogy kihagynák belőle 14-et de akkro csak 6 marad az nekem kevés, abból a 6-ból kellene csinálni valahogy 3O-at de nem párhuzamos összekötésssel természetesen.

Ha valaki tud ehhez szolgálni valami hasznos információval akkor megköszönném.
(#) proli007 válasza rolandi350 hozzászólására (») Jan 25, 2013 /
 
Hello!
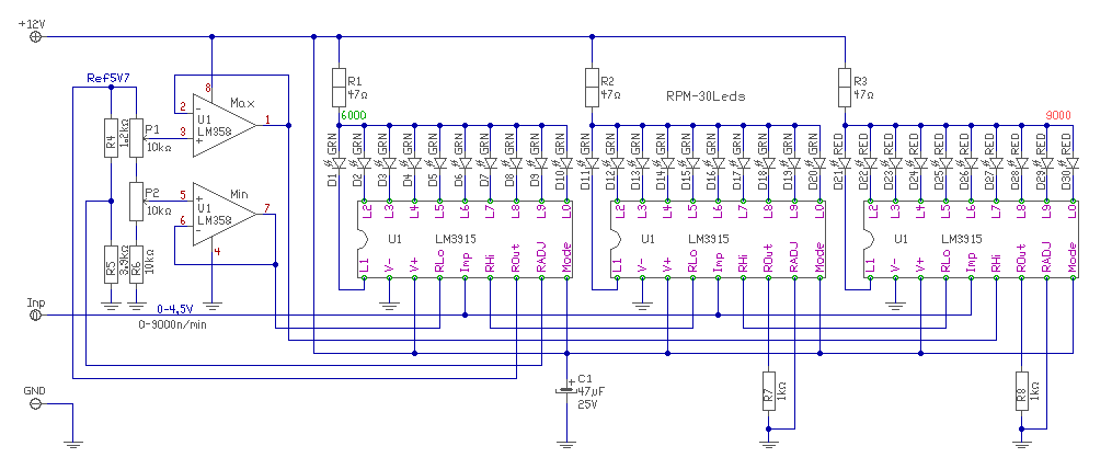
Nem megoldhatatlan ez. Ha megépíted valamelyik fordulatszámmérő "elejét" (vagy is ami a fordulatból feszültséget állít elő), akkor ahhoz hozzákapcsolható három LM3914. Ezek referenciáját kell sorba kötni.
Ha pld. az f/u átalakító 9000 fordulatra 4,5V-ot állít elő, akkor 6000 fordulaton az 3V feszültséget ad. A referenciák minimuma ként 3V-ot, maximumaként 4,5V-ot beállítva, az LM3914-ek felbontják a köztes értéket 30 részre. Már "kész is vagy".
De egyébként nem írtad, hány Volt a motor tápfeszültsége.
üdv! proli007
(#) rolandi350 válasza proli007 hozzászólására (») Jan 25, 2013 /
 
Köszi, hogy írtál!
Esetleg erre a kapcsolásra gondoltál?
Azzal megoldható?
Mit kén rajta változtatni, kitörölni hozzátenni, hogy arra képes legyen amire nekem kell?
Amatőr vagyok nem sokat értek hozzá
A két szélsőséges referenciaértéket hol lehet beállítani mivel?
Amúgy a motor 12V-os rendszerű na de hát ennek ha kell adok egy állíthatós feszstabin keresztül annyit amennyit kell.
(#) proli007 válasza rolandi350 hozzászólására (») Jan 26, 2013 / 1
 
Hello!
Meg lehet oldani, csak kicsit másképpen. A Led-ek áramával nem érdemes kínozni a stabilizátort, az mehet 12V-ról. Az 555-nek meg jobb ha nem 5, hanem 6V-ról jár. Ennek a bemenetét kell oda csatlakoztatni, ahol az eredeti áramkör is csatlakozott. (Első tranyó bázis-emitterébe kell egy 10kohm..)
üdv! proli007
(#) rolandi350 válasza proli007 hozzászólására (») Jan 26, 2013 /
 
Köszi szépen!
Majd ha még kérdésem van jelentkezek.
(#) Sendi hozzászólása Feb 20, 2013 /
 
Üdv.
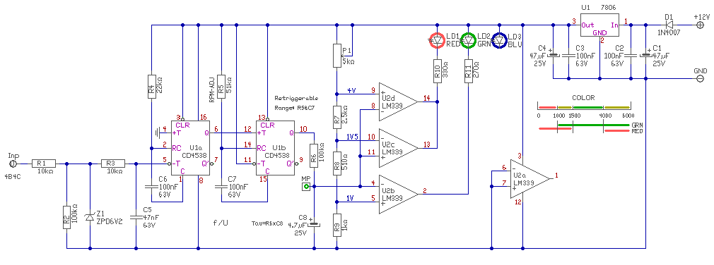
Egy egyedi, de egyszerű fordulatszám mérőhöz kérnék ötleteket. Egy hölgy sofőrnek kellene. Egy RGB led, amelyik 1000 fordulatig piros, 1000-1500 sárga, 1500-4000 zöld, 4000-sárga. Tudom, Pic-cel a leg egyszerűbb, de koromnál fogva nem tudok programozni. vagy egy a/d és pl. eprommal vezéreljük a ledeket. Minden ötletet köszönök.
(#) proli007 válasza Sendi hozzászólására (») Feb 20, 2013 /
 
Hello!
A dolgot két részre lehet bontani. Első, hogy a fordulatszámmal arányos egyenfeszültséget állítsunk elő. Második ennek komparálása.
- Tekintve, hogy piros-sárga-zöld jelzés van, ezt az RGB Led két diódájával megoldható. Hiszen a piros ég: piros, ha zöld:zöld, ha mind kettő:sárga. Vagy is csak két Led-et kell vezérelni.
- Komparálni három értéknél kell. 1000-1500-4000 fordulatokon. Látható, hogy a zöldnek végig égni kell 1000 felett. A pirosnak meg 1000-ig, és 4000 felett.

Megrajzoltam, hogy miképpen gondolom. Szokásomhoz híven, meg nem építettem, ki nem próbáltam.
- Frekvencia/feszültség átalakítóként gyakorlatilag használhatod más fordulatszámérő kapcsolását, ha az esetleg szimpatikusabb. Lévén, hogy én ezt csak kiagyaltam, kocsiban nem próbáltam ki!
- A komparáláshoz egy négytagú komparátort használta, amiből egy felesleges. A referencia feszültségeket úgy választottam meg, hogy az könnyebben érthető legyen vagy is a konverziós tényezőt 1000fordulat/1V-ra számoltam. Természetesen a potival más értékekhez is hozzá állítható. Az ellenállások értéke kötött, mert az adja a fordulat arányokat. (Már amennyiben ezek a fordulatok megfelelőek, amit kigondoltál)

Amúgy nem sok értelmét látom a dolognak. A hölgy gondolom örül, ha vezeti a kocsit, nem még a Led-színeit "visszakódolva" nyomkodja a gázpedált. Mert az még nehezebb feladat.. De szórakozásnak biztos jó.
üdv!
A hozzászólás módosítva: Feb 20, 2013
(#) Sendi válasza proli007 hozzászólására (») Feb 21, 2013 /
 
Helló.
Mint mindig, most is tisztelettel adózok a kreativitásodnak. Igen, egyet értek a megjegyzéseddel, a hölgy gondjai nem a gázpedál nyomásából adódnak, hanem a sebváltó kar kezeléséből. Vagy elfelejt visszaváltani, és ugrál a kocsi, vagy elfelejt feljebb váltani. A férfinak meg kötelessége segíteni a NŐT. -
(#) Sendi válasza proli007 hozzászólására (») Feb 21, 2013 /
 
Helló.

Kicsit áttanulmányoztam a rajzot. Ezt az IC még nem használtam. Nem lehet, hogy az 1 és 15 lábat le kell kötni földre? Vagy az belül le van kötve? Lehet hogy igazad van, hogy "nehéz" figyelnie több felé. lehet hogy elég lenne egy-egy "pittyenés" a túl alacsony vagy túl magas fordulatszámnál.
(#) proli007 válasza Sendi hozzászólására (») Feb 21, 2013 /
 
Hello!
A két láb belül össze van kötve a GND lábbal. A 4528 gykorlatilag ugyan ez az IC, ott nem kötik le, 4538-nál már az adatlapon le van kötve.
De a kedvedért előkerestem egy IC-t és megmértem. A két láb között, kb.10ohm az ellenállás. Ez vélhetően a kivezető huzalok és a belső fémezés lesz. Az impulzus szélesség, kb. 2%-ot nő ha lekötöd, és 50mV értékű differenciális jel van rajta, ha szabadon van. Amúgy 51 helyett 47kohm-al van meg az 5ms-os késleltetés amit számoltam. De ha neked úgy szimpatikusabb, kösd le a GND-re. Egyébként szokták úgy is használni, hogy a kondi megy csak a GND-re, a láb meg lóg.
Nekem valaha nagy kondival volt rossz tapasztalatom, mert a kisütő Fet zárlatossá vált benne. Vagy is hosszú időzítésre nem igazán való ez az IC.

A gépjármű vezetés rutinmunka, olyan mint a kötés, egy idő után a nők sokkal jobban elsajátítják mint a férfiak. De tapasztalatom szerint ma már a nők városi forgalomban sokkal agresszívabban vezetnek mint mi. Egy férfi ma már hamarabb megáll egy zebránál, vagy kienged egy kereszteződésben min egy nő.
üdv!
A hozzászólás módosítva: Feb 21, 2013
(#) Hidi hozzászólása Dec 8, 2013 /
 
Sziasztok!Ezt már megépítette valaki? Működik rendesen vagy kell valamit változtatni rajta?
(#) zolek hozzászólása Jan 19, 2014 /
 
Én ezt építettem meg az egyik haveromnak ladához és müködik.
(#) Hidi hozzászólása Jan 21, 2014 /
 
Sziasztok! Egy kis segítség kellene. Megépítettem ezt a kapcsolást. 1.5uf kondi helyett csak 1 uf volt. Az baj? A másik. Összeraktam kis trafót rákötöttem beállítottam hogy 6 led világítson. A motorra rákötöttem beindítottam világított 5 led. Ez eddig jó. A bajom az lenne hogy már fele gáznál kiakad pedig még alig pörög a motor. Ez mitől lehet? Válaszokat köszönöm.
(#) proli007 válasza Hidi hozzászólására (») Jan 21, 2014 /
 
Hello!
- Az 1µF nem gond, legfeljebb az előtte lévő 22kohm-ot cseréld le 33kohm-ra. akkor "ugyan ott vagy".
- Próbáld meg ezt a kis jelformálót a trafó és a fordulatmérő közé beiktatni, hátha a jel tréfál meg.
- Nézd meg a hogy a 50Hz/300fordulat, csak a kétütemű egyhengeres motorra vonatkozik. Nálad így van-e.
- Lehet zavarokat szed össze a bement. Nézz körül milyen változások voltak a bementi körben, de mindenesetre próbálj egy 10kohm-os ellenállást bekötni a bementi zénerrel párhuzamosan..
üdv!
(#) Hidi válasza proli007 hozzászólására (») Jan 22, 2014 /
 
Kipróbálom. Köszönöm.
(#) Hidi válasza Hidi hozzászólására (») Jan 22, 2014 /
 
Sziasztok! Kicseréltem a 22k-t 33k-ra nem változott semmi. A zénerrel párhuzamosan raktam 10 k de akkor nem vette a jelet. Az a baj még hogy a jel vezetékét elég ha csak közelítem a gyújtókábelhez és már jelez is. A potival a kalibrálásnál 5 és 9 led között tudom állítani. Az nem baj?
(#) proli007 válasza Hidi hozzászólására (») Jan 22, 2014 /
 
Hello!
- A 33kohm-al megjavulni nem fog a mérés. Az a kondival, egy integráló tagot alkot, melynek időállandója R*C szorzat adja. De az csak a kijelzést befolyásolja. Vagy is csak szűri az 555 képződött négyszögjelet, hogy a kijelzés maximuma ne "vacilláljon" több Led-en keresztül.
- Neked akkor az érzékeléssel van bajod. A kapacitív gyújtásjel levétel, olyan mint a "kutya vacsorája". Vagy túlérzékeny és minden zavart felvesz, vagy nem érzékeli a jelet. Watt-nak van egy stroboszkóp bemenete, esetleg azzal lehet kísérletezni. De egy strobinál, néhány zavarimpulzus, csak néhány felesleges villantást idéz elő. Itt viszont mérési hibát okoz. Olvass utána, volt ezzel már itt kínlódás.. üdv!
(#) Hidi válasza proli007 hozzászólására (») Jan 22, 2014 /
 
Oké köszi.
(#) Hidi válasza proli007 hozzászólására (») Jan 23, 2014 /
 
Még egy Kérdés. Olvasgattam és olyat találtam hogy a 47nf-ot 22nf-re a 150nf-ot pedig 47nf-re kell cserélni és akkor mehet a világítótekercsről a jel. Kicseréltem de kalibrálásnál nem reagál a trafóra. Valami ötlet?
Következő: »»   3 / 4
Bejelentkezés

Belépés

Hirdetés
XDT.hu
Az oldalon sütiket használunk a helyes működéshez. Bővebb információt az adatvédelmi szabályzatban olvashatsz. Megértettem