| Fórum témák 
 
 » Több friss téma | Fórum » NYÁK terv ellenőrzése 
				Szia! Nem értek a csöves erősítőkhöz de, a táp szerintem ennél is igen fontos dolog, ami eléggé el lett rontva. Többször leírtuk már hogy a buffer kondikat az áram útvonalába kell tenni és a te terveden egy sincs még csak véletlenül se jó helyen. E nélkül sose fogsz rájönni hogy miért gerjed és miért lesz brummos az erősítőd. Mellékelek egy képet egy általam összedobott szerintem jobb verzióról, hogy hogy is kellene kinéznie, de valaki majd kijavít ha mégse jó benne valami. mod: A tiédnél a test pont nincs kivezetve ami viszont elengedhetetlen az erősítő működésének szempontjából, ezért ezt az én verziómban a jp1-jelzéssel láthatod. A hozzászólás módosítva: Jan 27, 2013 
				Szia! Nincs Eagle a gépemen, az egészből csak annyit látok, hogy jót rajzoltál    
				Mellékelem, hogy milyen volt az eredeti az összehasonlítás végett.						 
				Nem csak jobb, de kisebb és átláthatóbb is lett    
				Kicsit átrendeztem az erősítőt is.  
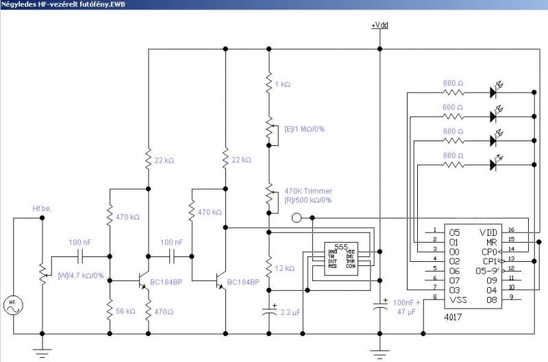
				Sziasztok. Átt néznétek nekem ezt a kapcsolást, hogy működő képes-e?  Köszönöm 
				Szia! Működik. A BD243 6A-es tranzisztor, a vezetősáv szélességek inkább ennek az áramnak a tizedéhez valók.						 
				Köszi. Oké áttméretezem, de a maximum áram csak 3.2A lessz. Szerinted mennyire fognak fűtteni a BD243-mak? Es ha minden, igaz akkor ez a zenére fog váltani a kimenetek között.				 A hozzászólás módosítva: Jan 31, 2013 
				Hello! Nagyon. A BD243-nak , 3,2A-en a bétája kb. 40 körül van. Vagy i s hogy teljesen kinyisson, 80mA bázisáram igénye van. A CD4017, legfeljebb 5-6mA-t fog szolgáltatni. Vagy is kb. a tizedét. Amúgy Te hol látsz itt kapcsolási rajzot? Mert én csak nyomtatott áramköri rajzot látok. Vagy ennyire rossz már a szemem? üdv! proli007 
				Azt írja az adatlap 3A-nél 1V-on szaturál, az 3W. A 40mA meghajtó áramból nem biztos, hogy lesz 3A-ed. Ez tipikusan MOSFET-nek való feladat. Látom proli007 beelőzőtt. A MOSFET ajánlatot fenntartom. A hozzászólás módosítva: Jan 31, 2013 
				Szia ! Köszönöm, hogy rámszóltál, erre egyán talán nem is figyeltem. Ne haragudj, eltévedtem. 
				Köszönöm, neked is. Csodálkoztam is volna, hogy miért nem megy. Milyen MOSFET-et használhatnék ? Valami olcsó, és könnyen beszerezhető kéne. 
				Hello! Nem haragszom én, csak sokadszorra látom leírva ezt. De nem értem, miért kell a nyákrajzból kibogarászni, hogy valami elvileg működik-e, mikor arra való a kapcsolási rajz, hogy könnyen áttekinthető legyen. (Jó, egy ilyen nokedlinál még nem gond.) Egy nyákrajznál, már "csak" azt kell nézni, hogy megfelel-e az összekötés a kapcsolási rajnak. Valamint, hogy az áramkör sajátosságainak, mint itt áram - sebesség - földhurok stb. Ez rendben is van, de nem az, hogy működik-e..  üdv! proli007 
				Csatoltam volna kapcsolási rajzot is, ha lenne. Ezt a nyákrajzot az IC lábkiostásából dobtam össze.						 
				IRF 540-el megoldható lenne?  Csak sajna nem tudom, hogyan kell bekötni.						 
				Hello! Igen. Teljesen úgy, mint a nagy BD-t. üdv! proli007						 
				Megoldható. Ha egybe írtad volna az IRF540-et, akkor rákattintva elvezet az adatlapjához.						 
				Ezt úgy érted, hogy a nyákba betehetem változtatás nékül a DB helyére ?						 
				Hello! Ha ugyan úgy kell bekötni, akkor mi a kérdés? Beteszed ha van, és örülsz.. üdv! proli007						 
				Értem! Ne haragudj a eszetlen kérdeseimért.						 
				Szia! Az IRF540 tényleg szerencsésebb választás lenne. De térjünk vissza a nyák ( és kapcsolás ) problémáira.  A 7805 kimenetén van kondi. Ha a tápfeszültséget az áramkörről lekapcsolod akkor a kondenzátor hátba táplálja a stabil IC-t, s ez nem tesz jót neki. Érdemes egy nagyobb kondenzátort a bemenetre is bekötni. Szerintem ezt megéri megszokni, hogy a stab IC közvetlen közelében ( a bemeneten és a kimeneten a GND-hez képest ) legyen egy egy *100nF-os kerámia kondenzátor. PL: Link Alkalmazása sokszor feleslegesnek tűnik, de sok kellemetlenséget lehet vele megelőzni... A HF bemenet. Hmm... Minimum egy bázis ellenállás illene a tranzisztornak. S Biztos jó lesz az effekt ha a HF-jelet 4-el leosztva jeleníted meg? ( Szegény tranzisztor azt sem fogja tudni, hogy a frekvenciát vagy a nyitó feszültséget kövesse.  KB:4.4V bázisfeszültség kellene, hogy el kezdjen kinyitni. ) Ez lehet át kellene még gondolni... A 4017-est jól kötötted be. 
				Van kapcsolás HF-vezérelt futófényre: Link1, SCH: Link2. Nem bonyolult és tényleg látványos. De ezt itt most kibeszélni OFF lenne. A hozzászólás módosítva: Feb 1, 2013 
				Üdv! Elkészítettem a mellékelt kapcsolási rajznak a paneljét. Kicsit elmagyarázom hogy érthető legyen mi mi a panelen. A jobb felső sarokban van két forrpont az ellenállás mellet, oda is majd egy kondi jön. Bal oldalt van egy olyan hogy imp meg hogy out, oda egy 2x2 rca-s aljzat fog csatlakozni, ezeket csak azért írtam le hogy ne adódjanak félreértések. Az ic pedig ne5532/tl072.						 
				Szia! Így, hogy potenciométer van a bemeneten az R6 ellenállás nem kell. Azért volt benne, hogy a C3 kondenzátor feltöltődjön, ne pattanjon egy nagyot a hangszóró, ha rádugsz valamit. Sztereó változatnál elég egyszer elkészíteni az R2-R4 + C1 feszültség osztót, ide mehet a 3-as és az 5-ös láb is. Mindjárt egyszerűbb lesz a NYÁK-terv   
				Udv! Na modositottam a panelen, tenyleg sokkal egyszerubben jott ki, es eszre is vettem es sajat hibat, meghozza a potirol mikor ment a jel ugyment hogy kihagytam a kondit. Minden kondi akkor 10 µF legyen?						 
				Hello! - A C2 és C5 nem kimondottan ott van, mint a kapcsolási rajzon. A C5 a bejövő tápon van, a C2 meg sehol. A két kondi feladata az IC tápfesz szűrése lenne, ahol most egy fia kondi sincs. - Nem tudom mire kötöd ezt az erősítőt, de ennek bementi impedanciája 2,2kom. 10µF lehet mindenhol, de a kimenetet maximum 1kohm-al lehet terhelni. ekkor az alsó határfreki 16Hz lesz. - A kimeneten lévő ellenállás cseppet nagy. Mert ugyan elvégzi a kimeneti kondi feltöltését, de kb. 5 másodperc alatt. Vagy is a 470kohm sokkal kisebb is lehetne, mondjuk a tizede. üdv! proli007 
				Oké, meg berakom akkor azt a kondit, nem értettem hogy minek kell 2x100 nF, így nemtettem csak egyet.Meg akkor rakok kisebb ellenállást, 50 K-t az van most itthon.						 
				Hello! Az nem 2db 100nF, hanem egy 100µF és egy 100nF.. üdv! proli007						 
				Uhg tényleg   latszik tegnap éjszaka kezdtem tervezni, nem figyeltem hogy n vagy u. Átalakítottam a panelt. Amit akarok kérdezni kicsit off lesz, meghozza azt hogy azért olyan kicsi a bemeneti impedancia mert csak 2.2k van teve? 4.7k-sat akarok tenni oda, hogy kisebb legyen az erősítési tényező. | Bejelentkezés Hirdetés | 









 
						




