Fórum témák
» Több friss téma |
Akkor minden meg van bocsájtva!
Tedd be a 100 mikrósakat, jó lesz az! Az élesztést azért írtam le, hogy mások is olvassák akik még az építés elején járnak, Neked pedig jó lehet a jövőre nézvést, ha épp nagyobb fába vágnád a fejszédet.
Mindenképp köszönöm hogy leírtad az élesztést mert ez még hasznos lehet máskor is !!
Egyébként megtaláltam a hibát , de le se írom mert kiröhögtök ![]() Tökéletesen szól mind a két fele , a 7808as stab ic-vel meghajtott ventilátor zaja nem hallatszik be elektronikusan , és mechanikailag se Bátran ajánlom mindenkinek ezt a végfokot!! http://xtronic.org/circuit/amplifier/audio-amplifier-potency-circui...a2030/ Nagyon korrekt oldal , még alkatrész lista is van nézzetek szét van az oldalon egy két jó kapcsolás Jelenleg így áll a szerkezet , utólag átgondolva a bemenetek és kimenetek csatlakozóit is előre hozhattam volna a táp csati mellé , de nem baj jó így is A Tápnak majd még csinálok egy új nyákot külön csatival a puffer után és külön a stab ic után Egyenlőre még nem dobozolom be mert megpróbálkozom harmadszorra is a TDA1524es Hangszínszabályozó összerakásával a 3dik féle kapcsolással
Szia!
Örülök, hogy összejött az erősítő. Kezdő létedre nagyon szépen, igényesen dolgozol. Külön elismerést érdemel, hogy taktikusan, mindenféle értetlenkedést mellőzve -mondhatni átgondoltan követted tanácsainkat. Meg lett a gyümölcse.
Sziasztok tervezem, hogy építek TDA2030-al egy erősítőt, valaki letudná nekem írni, hogy mi vegyek meg hozzá, tehát ha be megyek a boltba és mondom h ez az kéne tudni fogja.
előre is köszi.
Szia! Ha bepillantasz a cikkek közé, találsz egy részletes leírást.
Nem kellett volna kimásolni, elég, ha hivatkozol rá.
Az ellenállások 0,6W-osak. A kondenzátorok elektrolitok, kivéve a 100nF-osat az legyen fólia, vagy kerámia.
Vagy néztem még a TDA2003-st erről van valami véleményed? Kezdésnek jó lenne szerintem. Egyszerűbbnek tűnik megcsinálni.
Az is jó, válaszd amelyik szimpatikusabb!
A TDA2003-as is nagyon jó hangminőséget ad !
azt építettem meg először kb 1 éve és nagyon szerettem , szépen szól , otthonra egész jó . Innen építettem: http://home-elektro.atw.hu/ (project-ek fül alatt találod)
Megcsináltam az új nyákokat , végül a végfokokhoz is csináltam egy kis átalakítás miatt .
a végfokokon , a tanácsokat követve a kimenetnél levettem a föld csatlakozót , és mind az 5 csatlakozási pontot előre hoztam , így egyszerűbb . 2 hiba történt az egyik csak esztétikai hiba , a 220nFos kondik valamiért ferdén lettek beletervezve ![]() A másik hiba meg figyelmetlenségemből adódott , az egyik végfokban az egyik diódát fordítva kötöttem be , és túlvilágra küldtem az ic-t .A Táp nyákját is átalakítottam. a Könnyebb csatlakoztatások érdekében ,és a graetz-et is oldalra fordítva szereltem be hogy az is kapjon egy kis hűtést. a középső 3as csatlakozónak két pontja föld , egy a tápnak egy pedig a két hangszóró földjének. Készen van a végfokok hűtése is . Már csak vennem kell egy új ic-t és be kell dobozolni
Sziasztok!
Készülget a 2.1-es erősítő, természetesen a kötelező TDA IC-kel. Viszont átalakításokra szorul, mielőtt véglegesítve lesz, és lesz hozzá egy kis egyszerű előerősítő is építve. A képet a nyák miatt tettem fel főleg. Most csináltam először ilyet, hogy rávasaltam a beültetési oldalt és elég tetszetős lett. A hűtőbordák csak ideiglenesen lógnak az IC-ken. Sziasztok.
Sziasztok!
Építettem egy sztereo végfokot TDA2040-el gyakorlatilag adatlapi alapkapcsolás szimmetrikus táplálással. Szól is szépen már egy jó ideje. Készítettem hozzá egy DC védelmet is tartalmazó koppanásvédő áramkört, és amikor rákötöttem a védelem leoldott. Jött a mérés: multival a kimeneten mérve 1,4, másik csatorna 1,7V DC-t mértem (ezért oldott a védelem). Kérdésem, hogy normális jelenség ez a DC a kimeneten, amit kétlek, vagy valamit elszúrok (ha bekapcsolom az erősítőt a hangszóró membrán kinyomódik egy kissé és ott is marad, amíg ki nem kapcsolom -eddig erre nem is figyeltem fel csak most). Köszönettel: metabo
Szia! Csak pár tíz mVDC jelenhet meg a kimeneten. Élesztésénél ennek vizsgálata mondhatni kötelező.
Az adatlapi rajzon C1 és C2-vel jelölt kondenzátorokat ellenőrizd zárlat illetve szivárgó áram szempontjából, szükség esetén cseréld. Mérj feszültséget testhez képest az 1 és 2 lábakon, ez sokat elárul.
Szia! Köszönöm a válaszaid (a trafós topiban adottat is) ellenőrzöm amiket írtál, ha odajutok.
Nos, megmértem a kondikat (LCM-3) és jónak tünnek és polaritáshelyesen "ültek" a panelon.
Az IC 1. és 2. lábain mért feszültség 1,5V. (ezt rövidrezárt bemenetnél mértem). Ezek után kiszedtem a panelt a helyéről és labortápra tettem, hátha az erőlködő tápja csinál valami hülyeséget. Kimenetét 4 ohmos műterheléssel lezártam, bemenet testen, tápfesz 2x15V. Bekapcsolás után a negatív tápfesz oldalon konstans 12mA áramfelvétel, a pozitív ágból nem tudom mennyiről indult (50-60mA), de gyorsan kúszik felfelé, majd kb.:400 mA-nál megáll. Ez így ugyebár nem kóser! Egyébként az 1., 2. lábakon a fesz ez esetben is kb.:1,5V tehát nem a táp bűnös. Holnap csinálok képeket az áramkörről és felteszem, hátha... A hozzászólás módosítva: Feb 11, 2013
Az aszimmetrikus tápáramfelvétel a félre billent és terhelt kimenet miatt van.
Az 1-es lábon egy tranzisztor bázissal kezdődik az IC, mely uA nagyságrendű áramot folyat a bemeneti ellenálláson. Ha ott 22k ellenállás van, azon 10mV körül szokott esni. Lehet: nagyságrendben eltér az ellenállás értéke, a panelen szennyeződés miatt parazita áramfolyás alakult ki, vagy esetleg a TDA hibás.
Szia! A jelenség mind a két csatornánál azonos. Az egyik IC 15-20 éves lehet, a párját egy butaság miatt cseréltem nemrégiben, tehát nem egy széria. Az alkatrészek jelölésük szerint megfelelő értékűek, igaz a kondikat leszámítva nem mértem ki őket. A panelt is igyekeztem lepucolni, hiába. Nem értem mi lehet a gond egy ennyire triviális kapcsolásban, ettől bonyolultabb dolgokkal is megbirkóztam már.
Azért csatoltam néhány képet, hátha van valami amit én nem vettem észre. (a kettes négyes lábnál sincs probléma még ha úgy is látszik. Többszörösen kapartam, tisztítottam.)
A bemenetet testre húzó ellenállást nem az egyes lábra kötötted, hanem a kondenzátor elé! JAJ!
Szerk.: az R1-ről van szó. A hozzászólás módosítva: Feb 12, 2013
Nagyon szépen lehet javítani. A C1 helyét kösd át egy darab huzallal. A kondit tedd át az előfúrt lyukak valamelyikébe. Lábai között vágd át a fóliát!
O..óóóó... Hát ezt benéztem! Nincs kalapom de veszek (meg egy szemüveget).Hazaértem javítom és újramérek. Igazság az, hogy át se néztem a panelt, hogy esetleg elkötés... Rossz alkatrészre gyanakodtam, tanultam belőle!
Köszönöm, hálás vagyok
Igen-igen, a probléma megoldódott. (Ment a pont)
Mégegyszer köszi!
Üdv!
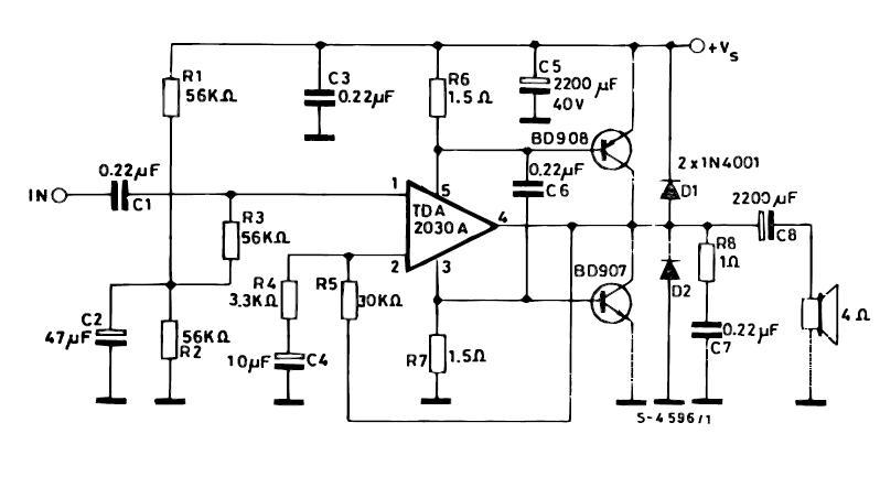
Tudna valaki tippet adni nekem, hogy a linkel kapcsolásban szereplő bd907/908 páros mivel helyettesíthető? bd139/140 elegendő lehet hozzá, vagy esetleg bd711/712 lenne a jobb választás? Előre is köszi!
Értem, köszönöm.
Átnéznéd esetleg a nyáktervet, hogy vétettem e valahol hibát?
Jól csináltad
Azokat azért hagytam úgy, ha a kondi nagyon útban lenne, akkor hosszabb lábbal beforrasztva rá lehet fektetni az ellenállásokra.
Köszönöm a meózást!
Nem szerencsés az elgondolás. A kicsatolón ott a kimenő jel, a bemenethez közelítve gerjedést okozhat. Jobb helykihasználást és kedvezőbb működést eredményez, ha két fele kapacitású kondenzátort kötsz párhuzamosan.
|
Bejelentkezés
Hirdetés |





nézzetek szét van az oldalon egy két jó kapcsolás 


















