Fórum témák
» Több friss téma |
Fórum » Oszcilloszkóp számítógépre
A fejtegetésemből láthatod, hogy mennyit láthatsz az 1 MHz sávszélességből, az a megjelenítő sávszélességétől függ, mint egy ablak. Ezt tologathatod a keveréssel, különböző frekvenciákra.
A számítógéphez akár soros, akár pérhuzamos porton csatlakoztatott konverternek a sebességét az abban alkalmazott A/D átalakító sebessége határozza meg. Ilyen szempontból a hangkártya is az, csak annak a sebessége 44,1 kHz, ami egy hallható hang tartományának digitalizálására elég. Lehet más, nagyobb sebességű, más felbontású A/D -t használni, pusztán pénz kérdés, hiszen ma már szinte minden műszer kijelzője pont olyan mind a számítógépeké. Az adatátviteli sebesség pedig az általad említett tartományban nem nagyon korlátoz, (USB -nél 480 Mb/s) csakhát ez már nem hobbi kategória.
Esetleg egy régi soros portos egérből nem lehetne összehozni valamit?
Abból biztos nem, az egyáltalán nem ilyen célra készült, és abban nincs is A/D konverter.
Hello, fogj egy feszültséghangolású közép(hosszú)hullámú vevőkészüléket...értesz a hangolásához?
A hozzászólás módosítva: Jan 24, 2013
Mondjuk, a varikap dióda feszültségét kell állítani. De hogy lesz ebből spektrométer? Erre kíváncsi vagyok
.
44,1kHz az kb. 22,7ms-os részletesség. Ha egy 555-el megcsinálnám hogy kapcsoljon 2,27ms-ig és legyen 20,43ms-ig szünet. Ha így kapcsolgatnám a jelet akkor elvileg láthatnám a 10-edét.
Meglepően egyszerűen: Amit én követtem el, az egy házimozikban, DVD lejátszóban használatos rádióvevő volt, amely mivel digitális hangolású volt, PC-ről hangoltam, és közben a térerő jelet figyeltem. A PC a hangolás függvényében ábrázolta a térerőt. Hátránya ennek az volt, hogy a hangolást nem sikerült felgyorsítanom, így a műsorszóró sáv szkennelése kb fél perc volt (?). De ez így csak egy fapados megoldás, mert a PLL behúzásáról nincs visszajelzése a PC felé. Ha nem akarsz PC-zni, akkor lehet az ilyen modulokat közvetlenül feszültséggel is hangolni, ha kiiktatod a PLL-t és a varicapot hangolod fűrészfeszültséggel, szkópról, vagy amiről kedved tartja, a térerő jelet pedig -ha szkóp-, akkor a függőleges bemenet dolgozza fel.
Ja és a másik hátránya a PLL felbontása, ami rendszerint 50-100kHz (és kvantált), az URH esetén, ezen javíthat az analóg hangolás. A hozzászólás módosítva: Jan 26, 2013
Sziasztok!
Tudna valaki olyan programot ajánlani, amellyel a pc-n belüli audio jeleket meg tudnám nézni-elemezni, mint egy tárolós szkópon? (jelalak, frekvencia) A pc-n belülin azt értem, hogy az audio file (waw, cda esetleg mp3) nem kívülről jönne be mint a hangkártya-szkópoknál, hanem hdd cd ill usb háttértárból lehet megnyitni. Szóval nem DSO ill hangkártya szkóp ...
Hello, én a Sound Forge-t használom például...lehet ms-ra skálázni. A függőleges sajnos eddigi tudásom szerint csak %, vagy Db lehet.
A hozzászólás módosítva: Jan 30, 2013
Köszönöm a javaslatokat, mindketőt letöltöm és kipróbálom...
Összehoztam egy kis USB hangkártyás szkópot.
Vettem az ebay-en egy olcsó usb hangkártyát, sajnos mono felvevőset adtak. Megkerestem azt a pontot ahol nincs AC leválasztás, ide kötöttem egy műv. erősítő kimenetét. A bemeneten bnc csatlakozó, osztó, ac/dc kapcsoló van, az usb +5V ból ICL7662 segítségével -5V állítok elő így a DC ofszetet (sugár le-fel mozgatása) is tudom potival állítani mint a rendes szkópon. Sajnos nem lett valami jó mert zajos még. Előnye hogy a DC is látható.
Sziasztok!
Gyors segítség kellene. Nagyon jól működik a hangkártya előtét, amit építettem Hátránya, hogy szimetrikus táplálás kell neki +-12V. Segítenétek átalakítani olyanra, hogy 1 db 9V-os elemről elmenjen? Nem gond a +- 4.5 Volt a fesz osztó úgyis leossza a mérendő jelet. PLEASE!!!
Korábban már volt említve ez a PC-s szkóp program. A hangerő vezérlőpulton beállíthatod, honnan vegye a jelet (mic, line-in, wave, midi, amit hallasz,...). Ráadásul magyar nyelvű így tényleg egyszerű a használata. Arról nem is beszélve, hogy otthoni használatra ingyenes.
A hozzászólás módosítva: Feb 15, 2013
Megoldás lehet az icl7662, ez az ic 2 darab kondenzátorral a +9V ból -9V-ot állít elő.
Köszönöm!
Tényleg egyszerűnek néz ki! De, ha jól láttam, ez az ic oszcillátort tartalmaz 5KHZ -10KHZ. Nem fog ez bezavarni a mérendő jelbe? A hozzászólás módosítva: Feb 18, 2013
Hello, én nem értem a kérdésedet, ha nem gond, akkor használd azt. Ha mégis gond lenne, (pl az osztó nagy fogyasztásával, impedanciájával) toldd meg egy OPA-val. Vagy ezzel mi a baj?
A kimenetre 5. láb LC szűrőt kell tenni, a kondi után kis 100uH tekercs majd pl. 22µF kondenzátor.
Jól működik a kapcsolás, de nem tudom mindig használni.
Hátránya a kapcsolásnak, hogy kell hozzá egy szimmetrikus (-+)12V-ot előállító kézi készülék. Ezt szeretném a mérésből kihagyni. Ezért kellene ezt a kapcsolást átalakítani hordozható változatra(9v-os elem). Így lehet használni az előtétet androidos mobillal is! Az általad ajánlott kapcsolás jó ötlet. Kevésbé értek az erősítőkhöz. Ha berajzolnád az eredeti rajzba, hogyan alakítsam át, azt megköszönném. Norbert A hozzászólás módosítva: Feb 18, 2013
Köszönöm a választ.
Így kicsit bonyolultabbnak tűnik, mint ha csak szimmetrikus +-4,5 V-al dolgoznék. Gyanítom, hogy csak valami egyszerű módosítás kell az eredeti kapcsolásra. Sajna azonban nem értek annyira az elektronikához, mint szeretnék. Abban kellene segítség, hogy az eredeti kapcsolást hogy alakítsam át.
Egyszerű kérdésem lenne:
A szkóp előtét kapcsolások általában tartalmaznak egy soros kondit. Van jelentősége, hogy az ellenállás osztó előtt, vagy után van? (Nekem nem mindegy, hogy az 1µF kondi 250V , vagy 2,5V -os) Mellékletben példa: Az ellenállás osztó nem így fog kinézni, de a kérdés szempontjából ez most lényegtelen.
Bizonyára van jelentősége, mert a szkópokban mindig(?) ezzel a kondival kezdődik a sor, tehát ott van a bemeneti csatlakozón. Én készültem a amúgy arra, hogy egy hangkártyán lévő, ugyanilyen célú kondit kiiktatom, de nem mertem mégsem megtenni. Legfeljebb nem megyek 10Hz alá...A régebbi kérdésedre ott a válasz a battery voltage divider résznél, ami a középfeszültséget állítja elő.
A hozzászólás módosítva: Feb 26, 2013
Sziasztok!
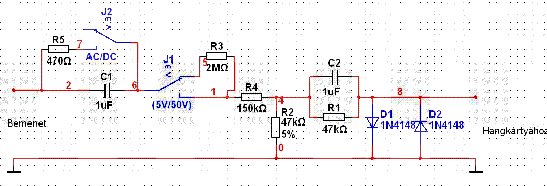
A topik alapján megépítettem a hangkártyás oszcilloszkóp adaptert a mellékelt kapcsolási rajz szerint. Az egészet egy kicsi fém dobozba raktam légszerelve, hogy árnyékolva legyen. RCA aljzatos ki és bemenete van. Eredetileg egy 3,5 jack <--> 2xRCA kábellel vittem a PC-be a jelet, de az RCA dugókat kicseréltem fém dugókra, hogy ne szedjen össze felesleges zajt. Mérőfejnek kísérletezés után (furcsa mód) egy gagyi sárga RCA-RCA vékony videó kábel lett jó, persze átcseréltem fém dugósra. A másik végére egy átlátszó betétes zselés tollat használtam fel. A föld vezetéket a szkóp mérőfejekhez hasonlóan kivezettem belőle. Egész jó lett. Ha leárnyékolom a szabadon lévő mérőtűt, akkor kevesebb zajt produkál, mint ha be se lenne dugva a PC-be. Van rajta 5V/50V és AC/DC kapcsoló. Annyi gondom van vele, hogy AC módban bizonyos aszimmetrikus esetekben (pl. graetz híd utáni teve púpok) az 1u-s leválasztó kondi feltöltődik és a jel alját kicsit lenyeli, de nem vészes. Kisebb kondit nem akartam berakni, mert akkor az alacsony frekik elvesznek.
Mindenesetre jól elbonyolítottad. A bemenet AC/DC kapcsolónak semmi értelme, a hangkártya egyenfesztt úgy sem visz át. Az átkapcsolható feszültségosztót jobb lett volna 1:10, vagy valamilyen kerek értékűre választani. A soros RC komplexum is felesleges, a diódák a határolást, (védelmet) az előtte levő osztóval anélkül is ellátják. Az osztó kompenzálására sincs túl nagy szükség, a viszonylag alacsony felső határfrekvencia miatt. A hangkártya bemenetének alsó határfrekvenciáját a kártya D/A átalakítója határozza meg, ennek megváltoztatásához nagyon kellene ismerni a hangkártyát.
A kapcsolást a Zeitnitz féle Scope programmal használom. A készítője javasolta EZT a kapcsolást. Ezt bővítettem ki. Az AC/DC kapcsolónak van értelme, mert a hangkártya nem tudja szűrni pl. az 50V-os egyenfeszt. Másrészt a jeltorzítás miatt jó, ha ki lehet iktatni. Ráadásul ha az egyenfesz kinyitja a védő diódát, akkor nem sokmindent fogunk látni a mérendő jelből. A feszültségosztó 5V/50V-ot ad, ami szerintem 1:10. Viszont a hangkártya bemeneti érzékenysége nem állítható, ezért fix értékű a hozzá tartozó feszültség is. az 5V és az 50V pedig a nálam előforduló feszültség értékekből adódott. Akinek más kell, az méretezze át. Nem nagy dolog, de nem hinném, hogy hiba lenne, hogy a saját igényeimhez igazítottam.
A progival 96 kHz-el digizek, így magasabb a felső freki illetve pontosabb az ábra. A hangkártya egy SB Audigy, így elég széles tartományban képes digizni.
Igaz, hogy a bemenetre kapcsolt egyenfesz a diódákat kinyitja, így szükség van a bemeneti kondira, bár a hangkártya bemenetére sem illik egyenfeszültséget kapcsolni. A soros rc komplexumot minezek ellenére nem értem, az egyenszintet nem választja le a kondival párhuzamos ellenállása miatt, az 1uf II 47 kohmm időállandója úgy ránézésre is a hangkártya alsó határfrekije alatt van, tehát akkor mi is a szerepe?.
A mintavételezési frekvencia pedig csak a két 20 kHz -es csatorna átvitelére elég, Ami a hangkártya bemenetén sávhatárolva is van a szabványnak megfelelően. Ezen sem lehet változtatni. Ezt ragyogóan megfigyelheted a spektrumanalizátor funkció használatánál. 10 kHz felett szépen kiegyenesedik. Mindezekkel együtt jól használható program. A hozzászólás módosítva: Feb 27, 2013
Idézet: „a hangkártya bemenetére sem illik egyenfeszültséget kapcsolni” Sajnos ez nem illemprogram, ez egy illetlen szkóp, ami el nem ítélhető módon kaphat egyenfeszt is mérés közben. Ezért van az AC/DC kapcsoló. ![]() Az RC "komplexum" azért van, mert az eredeti kapcsolásban volt. Nem firtattam a mibenlétét, működött, otthagytam. A hangkártya nincs határolva 20 kHz-en. Ez csak városi legenda, és mindenki terjeszti. Illetve az ősrégi hangkarikban volt. Ha így lenne, akkor nem volna értelme a 48k/96k/192k mintavételezésnek. A spektrum analizátorhoz a mellékelt képet nézd meg. gyönyörűen virít 23,5 kHz-en a jel, amit 555-össel küldtem rá. Sajnos csak 48kHz-en mintavételeztem, mert 96k esetén a hangkártyám 3,7 kHz-en levág, még ismeretlen okból. De dolgozok rajta. A hozzászólás módosítva: Feb 28, 2013
Szia. A soros rc tagnak a szerepét nem értem. Elmagyaráznád?
Azért vág, mert hardveresen nem tudja a 96KHz-et.
|
Bejelentkezés
Hirdetés |




. 








