Fórum témák
» Több friss téma |
Fórum » Oszcilloszkóp számítógépre
Nagyszerű ötlet egy kapcsolóra tervezni, sokkal olcsóbb lesz. Remélem sikerrel jársz, várom a beszámolód.
Sikerült egy bő 6 (!) éves hozzászólásra válaszolnod...
Üdv noris! Hogy sikerült a megépítés? Írtad, hogy dolgozol egy kapcsoláson, érdekelne mire jutottál.
Hogy rohan az idő....
Egyébként reméltem azóta lett tapasztalata valakinek az áramkörrel. De hiába
Szia!
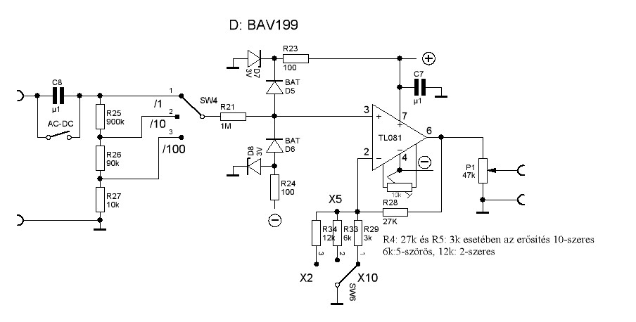
Megépítettem az 1.0-ás verziót, amit korábban fel is töltöttem. Van egy usb-s hangkarim. Napokig próbálgattam vele visszakapni a 250V-os szinuszjelet. Nem sikerült! Aztán átdugtam a PCI-os hangkártyába és láss csodát. Működött, viszont kevésnek bizonyult a 100-as osztó. Átterveztem az áramkört. Került bele 1000-es osztó, valamint a 10-es szorzó mellé 5-ös és 2-es szorzó is. Mindezt nagyon egyszerűen és olcsón. Kapcsoló helyett jumpert használok. Ha megépül, remélem ezen a héten, akkor teszek fel képet. Addig itt a kapcs. rajz. Az egész dupla áramkör 3,5 x 7 cm-es dobozkában elfér
Hello, igen, helyettesítheted. Nem felejtsd el szűrni az IC tápját 100nF-dal és pár mikróval az IC-hez közel.
Kellene még egy kis segítség.
Gondolom a "BE" az a bemenet a "KI" pedig ami megy a számítógép hangkártyába.Jól gondolom? Az osztásokat hogyan kell kötni? Pl. Ha én 100 osztásban szeretném használni? Mit mivel kell összekötni?
Jól gondolod, és a "/100" jelű pontot a "jel"-lel kell összekötni
Megépítettem de sajnos nem működik.
Nem tudom mit ronthattam el. +-12V megvan az IC-nél. A kimeneten pedig semmi feszültség nincs. Teljesen mind1 melyik állásban van az osztó.
Tegyük helyre ezt a kapcsolást....A Gnd és a nem invertáló bemenet között mit mérsz?
Gondolom AC-ban kellett mérni és úgy,hogy a bemeneten legyen jel.
Nos 1-es osztásban volt összekötve. A bemenetre 7,11V-ot kötöttem és így a nem invertáló bemeneten is 7,11V-ot mértem.
ismeri valaki ezeket a kügyüket, mennyire használhatók???
http://elektronika.vatera.hu/muszerek_alkatreszek/merestechnika/osz...6.html
Attól függ, mire szeretnéd. Ez a kütyü a számítógépre oszcilloszkópot varázsol, már ha van telepítő CD -je is.
Elég kis sávszélességű, de pl. autók gyújtásának vizsgálatához elegendő. Másra nem nagyon.
Ez semmire nem használható.
3kHz a sávszélessége, még audió célra is kevés. Mondjuk szerintem ez is megkérdőjelezhető, mert a mintavételi frekvencia 4Khz, így a valódi értékelhető sávszélessége max. 500Hz lehet.
Viszont engem az érdekel, hogy viszonylag jó áron valami hasonló műszer van-e olya, mint ez: http://www.digilentinc.com/Products/Detail.cfm?NavPath=2,842,1018&P...COVERY
Ha lenne ilyen min. kétszeres mintavétellel, akkor az már egész jól használható lenne.
Amire kitalálták, arra használható. Gyújtásszög beállításra.
Léteznek hasonló eszközök, igen komoly sávszélességgel, és GHz -es mintavételi frekvenciával, természetesen igen más árfekvésben.
Nem voltam soha autószerelő, enm is értek hozzá, de azért egy mai motor nem csak 3000-es fordulatig megy.
Lehet, hogy ennyi elég gyújtás beállításra, de hogy akár egy elektronikával foglalkozó hobbista semmire sem tudja használni, az is biztos.
Mondjuk azért annyit csak sejtesz, hogy előgyújtást alapjáraton állítják.
Viszont viszonylag jól használható programok vannak a neten, hangkártya használatával, a programokon kívül semmi nem kell hozzá, esetleg egy kis védelem a hangkártya bemenetére. 10 - 15 kHz ig egész jó, onnan már nemannyira.
A hangkártyás megoldást még nem használtam, de azért ott sem árt a - a védelem mellé - egy kis előosztó. Raadásul gondolom egyenáramot, vagy nagyon kis frekvenciát nem lehet vele mérni, de néha a szükség nagy úr.
Sziasztok!
Az imént találtam ezt az egész jó kis projectet: http://www.x-io.co.uk/node/4 Valaki megépítette már? Nekem igazából a felprogramozással lenne gondom. Ha valaki esetleg tudna benne segíteni, akkor lehet nekivágnék.
Szia!
Azért a 32,768kSps nem túl sok. Szinuszjelet kb 16kHz-ig tudsz vele pontosan mérni. (a fölött nem lesz meg a két mintád egy perióduson belül, nem lehet belőle visszaállítani az eredeti jelalakot) Ha a jelednek több felharmonikusa is van, akkor a legnagyobbnak a frekvenciáját kell figyelembe venni. Pl.: négyszögjelnek illik legalább az alapharmonikus frekvenciájának 10-szeresét venni sávszéllességben, hogy elfogadható formájú jelet kapj. Mindent összevetve "hagyományos" oszcilloszkóp helyettesítésére ez az eszköz is csak annyira alkalmas, mint egy hangkártya. Inkább tűnik alkalmasnak nagy sebességű, sok csatornás adatrögzítésre. (ha ez a cél, biztosan jó választás a kapcsolás.)
Van olyan hangkártyás oszcilloszkóp program ami tudja az X - Y módot?
Lissajous görbét rajzolnék ki mérés céljából.
Szia!
Bővebben: Link
Hello!
Volna pár kérdésem. Szóvalén én jelenleg úgy csinálok oszcilloszkópot hogy a számítógépnek a mikrofon dugójába vezetem az áramot és egy hangszerkesztő programmal nézem a jelet. Egyik kérdésem az volna hogy vajon ide sem szabad 0.7 V-nál többet engedni? A másik pedig hogy tudna-e valaki egy egyszerű kapcsolást ami 1-12 V-ig minden feszóltségből 0.7-et csinál? Persze egyenáramon.
Na na. Legyünk pontosabbak. Nem az áramot vezeted a számítógép mikrofon csatlakozójába. Ez így egy erősáramú technikában használt kifejezés. Mivel a mikrofon erősítő elég érzékeny, ezért kis feszültséget (amplitúdójú hangfrekvenciás jelet) kapcsolhatsz rá, és a bemeneti ellenállása (impedanciája) meglehetősen nagy, több tízezer ohm, igen kis áram fog folyni. Ezért nem is használjuk azokat a kifejezéseket amiket írtál.
A számítógép hangkártyájának bemeneteire hiába vezetsz egyenáramot, az nem arra való, nem tesz vele semmit. (csak esetleg leégeted) Ezek a bemenetek egyenáram, egyenfeszültség mérésére nem alkalmasak. A bemenetek védelmére két egymással szembefordított szilícium diódát szokás párhuzamosan rákapcsolni, ez a bemeneti jel amplitúdóját +/- 0,7 V közé korlátozza. Ha ennél nagyobb amplitúdójú jeleket kívánsz mérni, akkor osztót kell alkalmazni, ami a 12 V -ot 0,6 V ra leosztja.
Értem csak nekem hálózatról jött az egyenáram graetz hídon keresztül és nem volt pufferelve úgyhogy a zavarokat figyelem vele de féltem a hangkártyát mert én 1.5 voltot szabadítok rá a mikrofon bemenetére.
Szóval féltem az egész hanglapot. |
Bejelentkezés
Hirdetés |











