Fórum témák
» Több friss téma |
Fórum » NYÁK terv ellenőrzése
Direkt készítettem így el, hogy 2 db icvel, esetleg tudjam próbálgatni a különböző műveleti erősítőket. De azért csináltam stab. icvel hogy ne legyen bugás benne így mi a baj vele?
A szűrőkondik nincsenek az áram útjában tehát nem fognak szűrni.
Sziasztok.
Készítettem egy lágy indító nyák tervet.Aminek egy már meglévő terv szolgált alapjául.Azért rajzoltam át,mert a meglévő alkatrészeimhez nem passzolt minden furat.Az egyenirányító lábait széthúztam meg be tettem pár plusz viát mivel én 1N4007-eseket teszek be, de meghagytam későbbi után építés miatt az egybe tokos híd lehetőségét is.Remélem nem fog áthúzni a híd lábai közt a fesz mint a lágy indítós topikban pár embernek a képeket látván.Szerintetek jó lesz ez így vagy dolgozzam át egy kicsit?A képen a pirossal jelölt viákat utólag PDF editorban már kiműtöttem,mert csak ott tudtam.Le is gyártottam a panelt de még nincs kifúrva.
Koszonom szepen, akkor ezt fogom elkesziteni, amit te mellekeltel.
Üdv
Segítségre volna szükségem készítenék a simsonomba feszszabályozót de amint a brd oldalon rendezgetem a panelem mindig van piros vonal, gondolom ez elég bajos, valaki segítene nekem átrendezni olyas formán hogy a graetz végül is nem lesz a panelon csak az egyenáram fog a panelra érkezni, de szeretném a 3 csatlakozót egy oldalra rendezni.Mellékelem az eddigi harcaim termékét .Köszönöm előre is a segítséget, ami fontos hogy kb 6-8 Amper fog szaladgálni a vezetősávokon!
Köszönöm szépen
![]() Közben váltottam léjoutra és ebben kellene egy ellenőrzés, a kapcsolás ugyanaz Graetz nélkül az külön dobozba fog kerülni, de lehet felcsavarozom a villamosszekrény oldalára és az hűti is
Jónak jó csak hatalmas és helypazaló
A mérete még így is jóval kisebb lett mint az eredeti fesszabályozóm a régi motoromról, mindamellett én ezt viszonylag nagy hűtéssel szeretném ellátni, aztán gyanta neki és többet nem tervezem megmozdítani se, de ha ezen még így is sokat le lehet kicsinyíteni kb 7 Amper mellett szívesen tanulok a hibáimból
Ok, köszönöm.
Vasárnap délután kifúrtam és összeraktam.Teszi a dolgát.A kritikusnak vélt helyeken nem ütött át, remélem később sem fog. ![]() Kb 1 percig ki/be kapcsolgattam egy 100W-os izzóval.
Üdv!
Valaki segítene nekem ezt a kapcsolást megtervezni eagle-ban? Nagyon megköszönném.
Azt szeretnéd, hogy megrajzoljuk helyetted, vagy azt, hogy elmagyarázzuk, hogy Eagle-ben hogyan kell megrajzolni?
Azthogy hogyan kell mert még nem annyira értek az eaglehez
Hát akkor írj egy mailt a címemre, vagy vegyél fel skypra, mert ez itt litánia lenne leírni...
Illetve javasolom még, hogy Ebben a témában, a felső bekeretezett rész alatt lévő linkeket olvasgasd(mármint nem a linket, hanem a mögötte lévő tartalmat ).
Sziasztok! Kedvet kaptam en is, hogy a keveromnek csinaljak egy-egy balanced outputot en is. Meg nem szedtem szet a keverom, nemtudom mennyi hely van benne, most nem is ez a lenyeg, de gondolom hogy kicsi a hely ezert egy tl074-el oldom meg a muveleti erositoket. Mellekelem a kapcsolasi rajzot, es a nyakot is, vessetek ra nemi pillantast, mit javitsak, hogyan.kapcsolasi rajz
A hozzászólás módosítva: Márc 19, 2013
Hello!
Jó ez, de a tápra valami kondikat rakhattál volna (10u/100nF. Meg talán odaírhattál volna a nyákra valamit, hogy ne mindent úgy kelljen kitalálni.. üdv!
Udv! Koszonom hogy atnezted, igy nyugodt szivvel merem felhasznalni a kozeljovoben. Kicsit alakitottam rajta.[ellenallasoknak nem tudom hogyan kell odairni az erteket]
Sziasztok!
Szeretnélek megkérni Titeket, hogy mondjátok meg, milyen hibák vannak a NYÁK tervemben. A kapcsolás ugyan nagyon egyszerű, de inkább ezen tanulnám meg, mit hogyan, mint egy 100 alkatrészesen. Akárhogy próbálom, nem tudom helytakarékosabban elhelyezni a Graetz és a rögzítő távtartók miatt az alkatrészeket. Ti hogy csinálnátok? Ha a kapcs. rajzban is van javítani való, azt is mondjátok. Köszönöm előre is.
Ez valami feszültségstabilizátor lesz?
Ha teliföldet használsz , sokkal "szabadabban " tudod az alkatrészeket elhelyezni.
Inkább csak egyenfesz. táp, de nem stabilizált. Jelenleg egy ilyen LM2596-ossal hajtott áramgenerátoros töltőt hajtok meg vele, ami egy 12V-os NiCd akkupakkot tölt, de bármi másra is használható.
A hozzászólás módosítva: Márc 20, 2013
Kétoldalas panelon gondolod? Mert csak 1 oldalasom van.
Nemérted a lényeget, küldd át emilben a sematikot , megmutatom miről "hablatyolok"
Akkor a másik variáció, azaz a negatívval akarod kitölteni az üres helyeket. Tudom, mi a teliföld, csak van ilyen is, meg olyan is, attól függően mennyire akarnak vele árnyékolni is. Ugyan még nem csináltam ilyen panelt.
Ha lehet, inkább mondd el, mit hogyan, mert meg akarom tanulni! Nem az Eagle használatára gondoltam, - mert azt nem itt kell kérdezni -, hanem a NYÁK kialakítására.
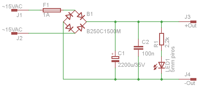
Nem pontosan ugyanazok az alkatrészek, de én valahogy így képzelném el.
Ha a negatívot teliföldként használod , a vezetők fele "eltűnik" egybeolvad és a pozitívat sokkal ésszerűbben tudod végigvezetni a nyákon . Ha ismered a program használatát , tedd fel ide a bord rajzot (ne képfilét) és segítek megérteni mire is gondoltam . Elkéstem johny999 már megmutatta mire is akartam kilukadni
A hozzászólás módosítva: Márc 20, 2013
Nah, ja! Olyan Graetz híddal könnyű, de az enyémen egymással szemben vannak a ~ kivezetések, és ráadásul 5mm-es lábtávolsága van.
|
Bejelentkezés
Hirdetés |





.Köszönöm előre is a segítséget, ami fontos hogy kb 6-8 Amper fog szaladgálni a vezetősávokon! 
). 








