Fórum témák
» Több friss téma |
Üdv mindenkinek!
Szeretnék 48.5kHz-es 12V-os négyszögjellel meghajtani egy piezot, de problémákba ütközöm. Ha függvénygenerátorról előállított 12V 48.5kHz négszöget rákapcsolok, gond nélkül működik. Nekem azonban 3.3V-os 48.5kHz-es négszögjelem van és egy 12V-os DC tápom. Próbáltam a piezot collector körbe kötni, de a kicsatolt teljesítmény értékelhetetlen volt.. Nem tudnátok valami okos, egyszerű tranzisztoros kapcsolást amivel ezt a 12V-ot tudom a 3.3V-al kapcsolgatni a piezora?
Elviekben jól próbálkoztál.
Lehet, hogy a tranyód nem bírt ekkora frekit és a tehetetlensége miatt torzította a négyszögjelet fűrész vagy háromszögre. Szkóppal érdemes lenne megnézni a kimeneti jelet. A kis teljesítményű "hangfrekis" tranyók ide már nem jók.
Ha ellenállást rakok a piezo helyett akkor hibátlanul kapcsolgat a tranyó, amint átcserélem piezora meghülyül az egész.
Mit jelent az, hogy ellenállással jól működik? Oszcilloszkóppal kimérted, vagy csak nem szólt a tranzisztor, hogy nem bírja?
És egyébként is, milyen piezo, milyen tranzisztorral, hogyan van bekötve? Azaz nem látjuk a kapcsolást.
Bocs
A jól működik, annyit takar, hogy szkóppal mérve az ellenálláson lévő feszültséget szépen kapcsolgatja 48kHz-el, ha viszont az ellenállás helyett piezót teszek, a piezó jóval kisebb amplitúdót csatol ki mint függvénygenerátorról vezérelve. Van egy ultrahangos vevőm, azzal tudom mérni a kicsatolt amplitúdót, ami függvénygenerátorról mondjuk 400mV az tranzisztorral 4.. Ebből arra következtettem, hogy valami hiba van a meghajtás elvében. Próbálkoztam eddig BD135-el és S9018-al.
Ha nem kell neki nagy teljesítmény akkor két szembefordított CMOS kimenet közé rakd.Ha nagyobb kell akkor egy ellenütemű erősítő (esetleg ez is hídba kötve).
Esetleg a tranzisztorra tegyél plusz ellenállást a piezóval párhuzamosan. Idézet: „két szembefordított CMOS kimenet közé rakd” Így gondoltad neki (rajz)?
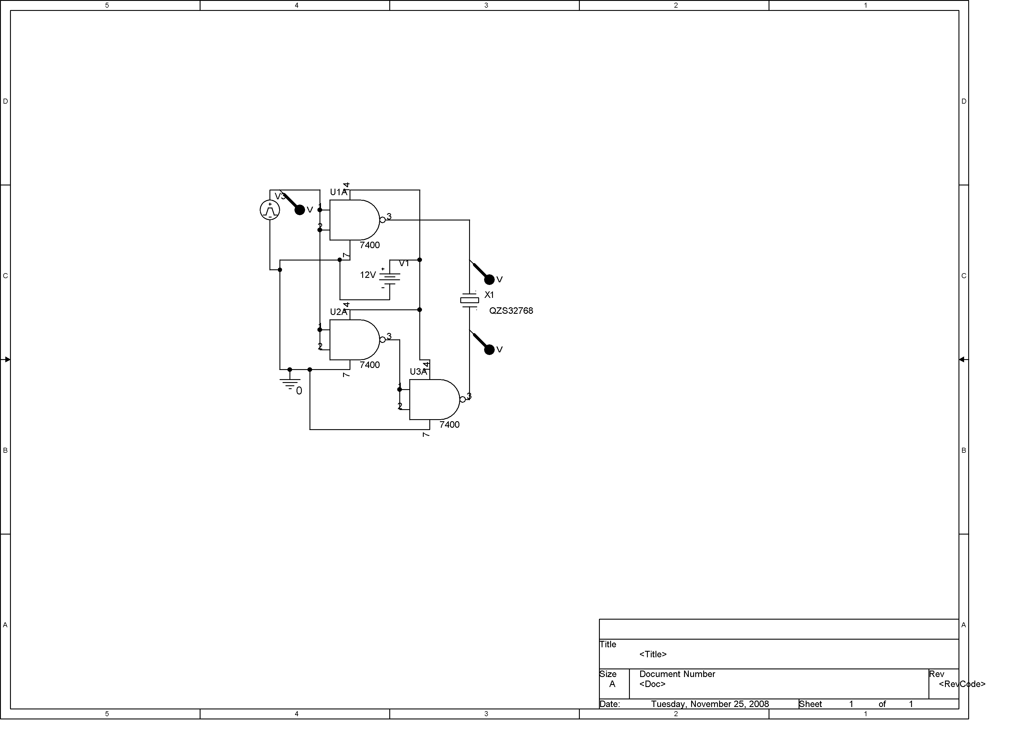
Egy piezzo kb. 1-2kOhm nagyságrendű impedanciával rendelkezik. DC-t le kell választani,tehát a kicsatolás mehet kb. 330nF-os kondin keresztül. Próbáld ki úgy.
Ha nem menne,akkor video végfok tranyóval kellene próbálkoznod.Jó lenne komplementerben (npn-pnp). Ha kell,keresek típust. Amúgy a BD139/140 elmegy 30-40kHz-ig is.(De 30-ig biztos)Ha kell,rajzolok ide egy végfokot.
Eszembe jutott, hogy láttam itt egy szúnyogriasztó rajzot (nagyon jó az új kereső, pikk-pakk megtaláltam).
Ennek a végfokát nézzétek meg! Bővebben: Link
Köszönöm ezt a sok segítséget!
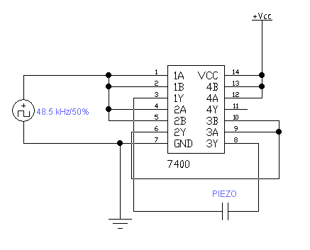
Próbálkozom a felvázoltakkal. A 7400-s megoldás nagyon jónak tűnik, az egyetlen gond, hogy nem ismerek olyan 7400-t amit 7V-nál többel lehetne hajtani.
Ezt is kipróbálom, köszi!
Bonanza02: Ha van időd, akkor kíváncsi lennék a te végfok ötletedre is
Szia !
Az lehet a probléma, hogy a piezó nem rezisztiv, hanem kapacitiv terhelésként van az áramkörben,és szépen "visszarugdal" a tranzisztorra. Próbáld meg Fet-tel ,és fet meghajtóval meghajtani. Üdv! Luki
CD 4001, a 7400-ás TTL-eket felejtsd el gyorsan(!).
Nem kapacitív.Az viszont valós,hogy illeszteni kell. Amiket láttam rajzokat,azok felejtősek. Mindjárt beteszem ide ami neked kell.
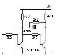
Én így szoktam csinálni...
Az első tranyót a 3.3 voltos négyszöggel meghajtod, a másodikkal ellenütemű jelet kap a piezo. A párhuzamos ellenállással kísérletezhetsz.
Én ezt a végfokot ajánlom:
Ez a kimenőjel neked állandó jelleggel kell a kimeneten,vagy valami esetleg vezérelné a kemenő jelet? Mert az is könnyen megoldható. Régebben gyártottam 22kHz-es fejátkapcsolókat,bele kellett nyúlni a műholdvevő processzor körüli részébe,hogy a távszabályzón adott gomb megnyomásakor megjelenlen a kimeneten a jel (ott a tápfeszre még rá is kellett ültetni). Azt a kapcsolást egy sima CMOS ic-vel csináltam és elég stabil volt a fej számára. Ha még komolyabb végfok kell,akkor 4013-al szét kell választani a jel fázisát és utána minkét fázist komplemmenterrel hajtani meg.Ha kell,lerajzolom majd. (amúgy a mellékelt kapcsolás elég nagyot erősít,próbáld ki először)
Köszönöm a segítséged, egyelőre ferci megoldásával próbálkozom, sajnos a válaszod túl későn vettem észre
A kapcsolás viszont nagyon jónak tűnik. Köszi!
Hello!
Nemrég készítettem egy dallamkürtöt, semmi extra: ATTiny2313 mikrokontroller hajt meg egy nagyteljesítményű H-hidat. A H-híd fontos, mert a piezo csak ellenütemű kimenettel működik rendesen! Ha csak egy tranzisztorral hajtom akkor tizedakkora hangot sem ad ki, míg egy patkómágneses feleakkorát, ahogy elvárnám. Viszont az elvileg 110dB-es piezo kürt kb. 30dB-el szólt, míg a kb. 10 éves patkómágneses sziréna a fájdalomküszüböt súrolta... Nagyobb feszültség kell a piezonak??? Miért szól hangosan egy 4 tranzisztorból, 1 tekercsből és 20 ellenállásból felépülő sziréna? Mivel lehet az impedanciát rendesen csatolni?
Piezónak a rezonancia frekijét is el kell találni.Meg úgy néztem igazán hangos esetekben még transzformátort is tesznek bele.Szerintem a bemenő ellenállása sokkal nagyobb mint egy sima hangszóróé,tehát ugyanakkora feszültségre sokkal kisebb áram folyik rajta ergó jelentősen kisebb a leadott teljesítménye.
A rezonanciafrekvencia az csak egyetlen freki, miközben dallamot játszanék le vele...
Kísérletezgettem vele, főként a ráadott váltakozóirányú négyszögjel kitöltési tényezőjével. Ugyanis 3 állapotot tud a H-híd: pozitív, negatív és leválasztott(nagyimpedanciás). Beadtam ugyanazt a dallamot 0.5% és 100% kitötési tényezővel. A hangerő majdnem ugyanaz lett. Megcsináltam a kísérletet patkómágnesessel, ott a kitöltési tényezővel lineárisan nőtt a hangerő(kb. 60%-ig ahol a hangszóró recsegni kezdett). Ebből arra következtettem, hogy a piezo nagyon gyorsan át tud billenni, és utána egy helyben áll amíg el nem engedem(akkor lassan megy csak vissza) vagy ellenkező polaritást nem adok neki(ugyanolyan gyorsan átbillen a másik oldalra). Szóval a hangerőt nem az átbillenés amplitúdója, hanem a sebessége határozza meg, azaz - szerintem - a feszültségváltozások mértéke. Következőnél valami trófós-tekercses megoldásba kezdek, lényeg hogy minél egyszerűbb legyen a trafó és +/- 100V-ot le tudjon adni.
Sziasztok!
A következő a problémám: van egy PIC-es panel, 3VDC a max és szeretnék rá csipogót. A piezo-t a PIC PWM lába és a táp közé rakva tökéletesen működik, csak éppen halk. Mit tegyek? Nem tudtok valami töltéspumpás piezo drive IC-t? Valami olyasmit, mint EZ, csak jó volna, ha lehetne kapni valami elérhető boltban, illetve ha nem LGA tokozású lenne. Szeretném minél kisebb helyen, minél kevesebb alkatrészből megoldani, mert nagyon necces a panelen a "fölösleges" hely. Köszönöm!
Mit szolnal ket, ellenfazisban hajtott labhoz?
Ezt részleteznéd egy kicsit, légy szíves?
Ha két PIC láb közé rakom, akkor is csak 3V feszültségkülönbséget tudok kifacsarni maximum.
A piezo-k a feszültségváltozásra érzékenyek, ez különbözteti meg a dinamikus hangszórótól!
A kolléga úgy érti hogy a piezo mindkét kivezetését a PIC portlábaira kötöd, két olyan lábra amelyek ellenfázisban mennek. AVR-nél biztosan megoldható két ellenfázisú hardveres PWM kimenet, ehhez egy ATTiny2313 OC1A és OC1B lábai használatosak. Kizárt hogy PIC-nél ne lenne ilyen! Ez azért jó, mert egy váltásnál(minden félperiódus végén) 6V feszültségkülönbség adódik, ami a 3V-hoz képest 4-szeres teljesítménynövekedést(~12 dB) jelent.hangtechnikusok javítsatok! A fenti IC-t felesleges megvenni: egy MAX232 pontosan azt csinálja csak utána kell nézni! Vagy inkább egy H-híd kell neked amit diszkrét alkatrészekből is kiraksz, de lehet venni direkt H-híd IC-t is töredék áron DIL vagy egysoros(SIL) tokban. Egy régi vinyón 100% hogy találsz, a motormeghajtó IC lesz, az a nagy hűtőfelületű valami. Ha nem akarsz segédtáppal bajlódni akkor MAX232, de neki 4V kell minimum. A hozzászólás módosítva: Márc 18, 2013
Probald csak ki, hogy mi van, ha egy lab rangatja a foldre/foldrol es ha ket, szelso erteket kepviselo pin koze rakod, tehat az egyik esetben a ket pin 1/0 a masikban 0/1.
Lehet valami egyszerű tekercs /transzformátor volna a legkisebb helyigényű.Ami még fontos a piezo rezonancia frekvenciáját illik eltalálni,valamint egy megfelelő "doboz" is sokat segít rajta.
Hát dallamgenerálásnál nem hiszem hogy a rezonanciafrekit veszik figyelembe.
Max. sípoló riasztónál vagy ultrahangos mosónál, esetleg távolság/sebességmérő esetén lényeges.
Köszönöm a tanácsokat!
A 6 V-ot még mindig nem értem, hogy alakul ki egy 3V-os tápról járatott kontroller 2 lába között feszültség-inverter nélkül, de nem kételkedem benne, hogy jobban szól két, ellenütemben hajtott láb között.. Ki is fogom próbálni! (Én inkább valami arra tudom gondolni, hogy a piezo kapacitív tulajdonságából fakadóan a dinamikus hatás miatt valahogy jobb lesz a dolog..) MAX232 tényleg jó ötlet! Eszembe sem jutott, pedig tényleg.. alacsony szintű "négyszög" jelet fordít magas szintűre.. végül is erre van szükség.. csak mondjuk 4V nincs a panelen sajnos.. Megpróbálom ezt az ellenütemű dolgot, aztán majd kérdezek.
Szia!
Igen, nézegettem ilyen "audio transformer"-eket, mert "pulse transformer"-eket,, egyenlőre csak Farnellnél.. a legkisebb is majdnem 10mm élhosszúságú kocka... nem nagyon tudom bepréselni.. Első sorban a magasságával van gond.. nekem low profile megoldás kellene... egyébként berendeltem egyet, az ma megjön és kipróbálom azért. Kösz a tippet! |
Bejelentkezés
Hirdetés |




És egyébként is, milyen piezo, milyen tranzisztorral, hogyan van bekötve? Azaz nem látjuk a kapcsolást. 









