Fórum témák
» Több friss téma |
Fórum » Ki mit épített?
Ez a téma ha úgy tetszik a mi "kiállítótermünk", nem pedig a ki mit csinált volna másképpen, mások helyett, és legfőképpen nem javítós téma.
Minden készüléknek van saját témája, ott kell kitárgyalni a részleteket!
FONTOS! A kapcsolási rajzok keresésére is van saját téma, ott keressetek rajzokat!
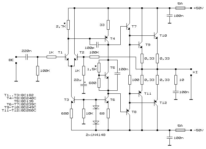
Szevasz!, köszi, itt van a kapcsolás.
Idézet: Ha jól értem, akkor ez egy manuálisan vezérelt, alacsonyfrekvenciás PWM. Egyszerűbb lett volna megoldani egy dimmerrel, de bizonyára ezek az alkatrészek voltak otthon. A FAHRENHEIT 28020-hoz hasonlóan nem hőfokot, hanem teljesítményt lehet szabályozni vele. „Ez hogyan működik vagy mi a lényege?”
Nemrég született a gondolat, hogy csinálok egy kis teljesítményű gitárkombót, a tavaly készített EL84PP túl soknak bizonyult szobagitározáshoz.
Egy hete a lomispiacon találtam egy kis csöves rádiót 1500 ft-ért, ez meg is oldotta az alapokat. Amíg a dobozkáját rendbe raktam, vadásztam a hangra, amit szeretnék, ami kis keresgélés után meg is lett, a kapcsolási rajzával együtt. A csöves egyenirányítás elmaradt, az eredeti szelénes egyenirányító gyenge volt, kapott 4 új diódát, több új alkatrész nem is nagyon ment bele. A végcső a 6V6GT helyett az eredeti EL84 maradt (annak megfelelő értékű alkatrészekkel körülötte), az előfok a rajz szerinti. A hangszóró az eredeti kis ovális hangszóró. Nem vártam tőle nagy hangerőt (arra ott lenne a másik), inkább kisebb hangerőn is részletgazdag hangot (ezt nem tudja a másik, csak ha már nagyon hangos), amit meg is kaptam, de meglepetésemre nagyon hangos is tud lenni, és még akkor is kellemes hangja van, amit erről a pici hangszóróról nem gondoltam. (Ámbár az eredeti Fender Champ is csak 8"-os hangszóróval készült.) Még egy hálózati kapcsoló kell a lyukba, nem találtam itthon megfelelőt.
Gratulálok hozzá. Szép újrahasznosítás.
Érdekes a dolog, de én inkább maradok a jó öreg 5000Ft-os kattogós welleremnél.
A be és kikapcsolási időt függetlenül szerettem volna kezelni.
Ezért lett így, de lehetett volna tirisztoros teljesítmény szabályozó is akár, de mivel minden (12V 20W-os trafóból van itthon kb 20 darab) volt, csak poti nem, ezért ez volt a legolcsóbb.
5000Ft-ért Wellert? Ha tudsz akkor jelezd, veszek is egyet!
A tirisztoros teljesítményszabályozóval sincs előbbre a dolog. Csak akkor jó, ha pákahegyben hőérzékelő, és ez alapján teljesítményszabályozás.
A délután eredménye, egy egyszerű autó akkumlátor töltő!
![]() Akkor meg mindegy. A hőszabályozó a kezemben van, ha forraszt az ember észreveszi, ha hideg, vagy ha meleg. Munkahelyen 11 évig wellert használtam, az új munkahelyemen Fahreinheit van, az messze nem jó. (a hegye, az állomás...). A 80W-os weller max 30 sec, és elérte a forrasztási hőmérsékletet.
Szép munka.
Mit tud, kapcsolási rajt, s egyéb dokumentáció?
Zolika, Sárgarigó, köszönöm.
![]() Jó alap lett volna felújításhoz is, de ehhez is nagyszerű volt, és így a kihasználtsága is nagyobb.
Egyébként veszel egy ilyet és beleteszed a weller hegyet, és? Bővebben: Link
De, hogy a kérdésedre is válaszoljak, itt van 2 perc keresés után : Bővebben: Link
Ezért érdemes egy szót rátervezni , így a "gyártásnál " kizárod a hiba lehetőségét !
Nagyon tetszetős lett, a Tőled megszokott minőségben. Pont egy ilyen töltőt kell a barátomnak készítenem. Ha jól látom a nyákot át dolgoztad. Az eredeti Lengyel doksihoz nincs külön nyákterv, illetve ami van az részemről nehezen látható. Az nagy kérés lenne ha közzé tennéd a Te nyákodat?
Gondolom másokat is érdekelne. Előre is köszönöm!
Tessék itt van!
Beültetés az eredeti alapján. A hozzászólás módosítva: Szept 9, 2013
Köszönöm, a gépemből hiányzik valami program mert nem tudom megnyitni a lay formátumot.
Kösz ezt írja ki, már tíz perce: Please wait ... contacting download location!
Valami nem gömbölyű nálam, lehet, hogy én.
Nekem is kb. 1 másodperc után megjelent a "Fájl mentése" felugró kisablak, tehát Nálad lesz a gond. Próbáld meg frissíteni az oldalt, vagy újra rákattintani a Zoli által beírt linkre.
Talán segíthet, a böngészöből törölni az előzményeket. De nem biztos, hogy itt a hiba.
Egyébként a Sprint Layout nyáktervezővel készült a nyák. A hozzászólás módosítva: Szept 9, 2013
Hali
Nem a vírus irtód akadályozza meg?
Beírod, hogy Sprint Layout letöltése, és a 4-5. találat Vicsys oldala ott szépen le van írva, honnan töltsd le.
Sziasztok!, ma végre készen lettem a KENWOOD KA 5050R-tipusu erősítő átalakításával, azért alakítottam át mert nagyon drága lett volna a finál tranzisztorok újonnan meg vásárolni, és így az mellet döntöttem hogy kap egy olcsóbb végfokot, és megyen eladásra. Most a végfokok amit bele építettem az két darab 200W/4ohm-os panel, egész jól viselkedik a végfok a KENWOOD belsejében, igaz kellet némi átalakítás a végfok élőfok-kán, mert túl érzékeny volt a bemenetele, de meg oldottam, már csak egy kis brumm halható még a hangsugárzókban, de majd valahogy ki küszöbölöm. Ami viszont elég érdekes dolog a számomra az az hogy ha a hangerő potenciométert minimumon, és maximumra ki tekerem, csak akkor hallatszik a bugás, de ha közép állásban van a potenciométer, teljesen el tűnik a bugás a hangsugárzókból!.
Nem akarok nagyon offolni de le tudnád írni a működését (akár valamelyik topicba)? Köszönöm előre is!
|
Bejelentkezés
Hirdetés |
















