Fórum témák
» Több friss téma |
Fórum » PC táp átalakítás
Szia!
Jól, szépen megépített táp, a PWM, és a PFC, FET-eket hajt, viszonylag modern félvezetőkészlettel. Egy kicsit, szeretnék emelni a 12 Volton, 13,8 Volt lenne a cél. És ha, húsz Amper kijönne, boldog lennék. Már terhelgettem, 5-6mperrel(egyenlőre melóban ) nem volt kéznél nagyobb izzó, stabilan tartja a 12 Voltot.
Szerintem BC182-es mehet helyette csak ügyelj a lábkiosztásra!
A kérdéses táppal nem boldogulok. Bontottam S8050-et, és azzal sem megy.
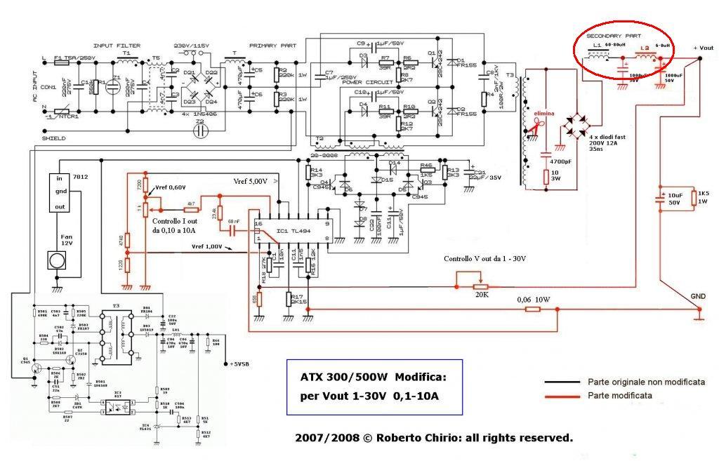
Amin túl vagyok: S8050 csere (zárlatos volt) + 1N4148 (mindkét irányban 70ohm/átvezet) + PC718 optokapu csere(ennek elvileg nem volt baja). Jelenleg feltöltődik a primer és nagyon lassan sül ki ha kihúzom a tápot, és nem indul a vsb egyáltalán. A vsb trafó elvileg jó, mert nem szakadt egyik része sem. Mellékeltem egy rajzot. Szerintetek miért nem megy még a vsb? Mit nézzek meg? Köszönöm!!!
Lehet, hogy már menetzárlatos a trafó.
Még esetleg a kondikat egyesével ki szedhetnéd és meg mérhetnéd, hátha zárlatos csak szemmel még nem látható. Én is futottam már ilyenbe bele.
Üdv White
Az S8050 tranyó bázisárol hiányzik -(egy darab)- Megás nagyságú indító ellenállás (+ 3xx Voltról ) . A hozzászólás módosítva: Ápr 18, 2013
Elvileg a trafó jó a következők miatt: A vsb "végtranzisztora" nem volt zárlatban és a primeren a biztosíték sem égett ki. Csak a "meghajtás" S8050 volt rossz + a dióda. Köszönöm a választ!
Sajnos mindet kicseréltem, a szekunder oldalon is. ( még a főpuffereket is) Köszönöm a választ!
A hozzászólás módosítva: Ápr 18, 2013
Elképzelhető, bár a tápom vsb része, csak 90%-ban ilyen. Más rajzot meg nem találtam.
A tápom típusa: MS Industrial Gold MS400ATX-P4 Eredeti baját már írtam, aksitöltőnek alakítanám majd át. Emiatt szeretném megjavítani. Már vagy húsz tápot megjavítottam különböző hibával, de ezzel nem bírok. Ha volna valami ötlet még hogy mit ellenőrizzek, azt szívesen venném. Köszönöm a választ!
Üdv.
Én is szeretnék átalakítani egy tápot, rengeged van itthon, és épp kellene nekem egy 42V-os 1.5 amperes az elektromos biciklink töltéshez. 200W-os, de maximum 1.2 amper kellene nekem. ATX-es, van benne egy lm 338-as IC is benne, de ott a TL 494-es is. Az lenne a kérdésem, hogy a főtrafót ugyanúgy át lehet tekerni, mint egy egyszerű kocka vasmagosat? Úgy értem, hogy elő lehet vele állítani 30VAC-t, és egyenirányítva én ebből 40 valahány voltot fogok kapni egyenben? (4 utassal)Arra gondoltam, hogy a szekunder 2x15V-os lenne AC-ben, ha lehet, az egyik párost egyenirányítanám, és feszültségstabilizátorokkal állítanám elő a 3.3, 5, és 12V-okat(hogy átverjem a figyelő elektronikát), nah és a minuszosokat is. A 30V meg ott lenne nekem. Ezt így meg lehet csinálni? ![]() Ha igen, segítenétek, hogy ezen a nagy trafón egy menet hány voltnak felel meg? Ha nagyon bátor leszek, megoldom a 44 volt figyelését is, hogyha ez leesne, akkor az elektronika stabilan tartsa, és hogy ne legyen annyira kínlódás, és ne a tl494-et vezéreljem, hogy esetleg nehogy közbeavatkozzon az lm 338, ezért külső szabályzóval változtatnám a feszültséget. Ha ez így működne, akkor bármelyik táppal ezt el lehetne játszani, nem lenne tl494-es függő a dolog, mert láttam olyat is, amiben nem is ez a fajta van. Köszönöm előre is. Tomi
...és egy "kezdő" kérdése:
(igaz az elöző is szerintem az volt.. )A csatolt képen a jobb felső sarokban bekarikázott tekercsek milyen célt szolgálnak ott?
Szia!
Szerintem a 4. lábát kösd a testre a tl494-nek és a túlfesztől tutira nem fog lekapcsolni. (azon van gyárilag a figyelés) Így nem kell bajlódnod a védelem kiiktatásával, úgy ahogy írtad. A 44volt egy kicsit sok valóban át kell tekerned. Ezt legjobban úgy lehet megoldani, hogy 1 szálat 3 összesodrásából alakítod ki. A menetszámot fejből nem tudom, de olyan 6 menet kell azt hiszem a 12v-hoz. A többiek majd kijavítanak ha ez az infó nem pontos. A rajzodon bekeretezett rész a kimenetet szűri/simítja az áramot. Kapcsolóüzemben szokás beépíteni ilyen tagokat, hogy ne "lüktessen" annyira a kimenet. Első körben csináld meg a védelem kiiktatást soros izzóval és tekerd fel a feszültséget maxra. Utánna tekerd csak szekundert, ha működik minden. Ja és mindenképp nézd meg honnan kapja a tl494 a feszültséget, nehogy elpukkanjon majd a 44V kimeneti fesztől. (általában a vsb hajtja ATX-nél ---így nem mindig fordulhat ez elő --- at tápoknál viszont jellemző ez a hiba!!) A hozzászólás módosítva: Ápr 18, 2013
Szia.
Az a baj, hogy a rajz, amit átjavítva, vagyis módosítva itt megtalálható bárki számára, az a rajz nem igazán stimmel az én tápommal, ráadásul még egy lm 338-as IC is van az enyémben. Ezért próbáltam azt a megoldást feszegetni, hogy létrehozok egy olyan feszültséget, ami a 78xx, és 79xx szériás staboknak kell, és a 3.3V-osnak is, hogy elő tudjam állítani ezeket a feszültségeket, hogy a táp úgy működjön mint eddig, ÚGY, hogy én leveszem a trafóról az én 42.5, vagy 42 voltomat. ![]() Ezért érdeklődtem a menetszámmal kapcsolatban, és kérdeztem a tekercsek szerepét. Ha ez bejön, akkor szinte ez mindeggyik táphoz alkalmazható lesz, igaz macerásabb is lesz, mintha csak egy-két vezetéket kellene beiktatnom, és pár alkatrészt módosítani, illetve cserélni, de én szeretem az ilyen kihívásokat. ![]() Köszi.
Szerintem kezdjed azzal, hogy egyáltalán megpróbálod szétszedni a trafót, úgy, hogy közben nem töröd össze. Ezzel szerintem elleszel egy darabig, pár trafónyi veszteség lesz majd útközben
A 42V 1,5A-hez egyáltalán nem kell áttekerni a trafót, nem is ajánlanám. Némi alakítással ekkora feszt még simán kiszabályoz ekkora terhelésen. Egyébként ha visszaolvasol minden kérdésedre találsz választ, mert erről szól az egész topik. A trafó primerje egyébként 38 menet, amin 150V-os négyszögfeszültség van, tehát nem játszik a gyökkettő.
A trafót én főzni szoktam, és úgy szétjön rendesen. A másodiktól kezdve az ötödikig egyik sem tört el.
Te hogyan szoktad szétszedni?
Nekem eddig nem sikerült 100%-ban beváló taktikát találnom. Bármilyen módszert próbáltam, volt elhullás...
Nos, a probléma megoldódott. Elég primitív hiba volt, mégis két nap kellett hozzá. (mellette más dolgom is volt)
A hiba: A vsb "végtranzisztora teljesen nyitott állapotba került amiatt mert előtte a meghajtás zárlatban volt (állandóan nyitott S8050). A "végtranzisztor valahogy "túlélte" ezt, de az EMITTER ellenállás már nem. 2,2ohm helyett 180k lett az értéke úgy, hogy nyoma sem volt sérülésnek nagyító alatt nézve sem!!! Úgy jöttem rá a hibára, hogy ha minden jó már csak ez lehet a baj . A fő problémám az volt, hogy ehhez a táphoz nem találtam rajzot. Nagyjából olyan a táp, mint itt a fórumon az átalakításra ajánlott rajz. Bővebben: Rajz Köszönöm a segítséget ismét! A hozzászólás módosítva: Ápr 19, 2013
Szia. Szerintem ha 7812vel állítod elõ a 12V-ot, akkor a vezerlés nem fog működni, nem lesz fesz. visszacsatolás. Hiszem honnan tudja a TL, hogy hany V van a kimeneten? Ha 15V-ra szabályos, akkor is 12V lesz a visszacsatoláson. Ha 24V-ra, akkor is stimmelni fog a 12V. Lehet félreértem, en így gondolom.
Idézet: „és feszültségstabilizátorokkal állítanám elő a 3.3, 5, és 12V-okat(hogy átverjem a figyelő elektronikát)” Ha csak erre kellenének a stabilizátorok, akkor nincs is rájuk szükség. Ki kell kötni a figyelő elektronikát teljesen, és tolni fogja, ami a csövön kifér. Ennek persze az lesz az ára, hogy terhelés hatására csökken majd a feszültség (ez gondolom nem probléma), ill. a kimenő feszültség (és a max. kinyerhető teljesítmény) függeni fog a hálózati feszültségtől.
Köszönöm szépen mindenkinek a segítséget.
![]() Igen, tudom, hogy nem könnyű törés nélkül szétszedni egy ilyen trafót, ha be van kenegetve mindenféle ragasztóval. Valószínűleg egyszerűbb így sorba kötni, csak jobban szerettem volna úgy látni, ha már egyből a sárga védőréteg alól úgy jönnek ki a szekunder kivezetései, ahogy nekem kellenek. ![]() (ha jól értelmezem a rajzot, így össze kell kötözgetni a nyákba ültethető lábakkal az eredetileg használt GND kivezetéseket, hogy egy sort alkossanak, a két végét pedig egy 4 utas egyenirányítóval egyenirányítani. Kovidivi, vl: Azért gondoltam arra, hogy kell nekem 12V a ventillátor megtáplálásán kívül, mertha nem megy simán csak úgy az átkötés, és a táp nem indul el, akkor meg kell teremtenem az eredeti feszültségeket, amellett, hogy nekem sorba vannak kötve a trafó kivezetései a 42V-hoz, de értem, így valószínűleg nem fogok akkora feszültséget kapni a soros kötéssel sem, ha csak úgy vezérelnek a FET-ek, hogy csak 12V-ot kapjon a kimenő rész.(persze úgy tudja, hogy nekem még az eredeti 2 utas egyenirányítás is van, de ezek nem lesznek.) Ge Lee: "Némi alakítással ekkora feszt még simán kiszabályoz ekkora terhelésen." Oké, csak valahol nekem is el kell kezdenem , ehhez kértem egy-két segítséget, amit nektek köszönhetően meg is kaptam.Jogos, hogy olvassam át a topikot. Inkább úgy fogalmaznék, hogy beleolvastam, Amaron cikkét kerestem fel legelső sorban, és onnan közvetetten jutottam ide. Köszi mégegyszer. ![]() Nagy megkönyebbülés ez az eredeti kínai töltő halála után, és miután rájöttem, hogy nem nagyon tudom újraéleszteni sem. A hozzászólás módosítva: Ápr 19, 2013
Ma próbáltam ki ezt a módszert, több kevés sikerrel be is vált, a lényeg, hogy olyan vasmagú trafó legyen, mint amilyen a képen van, szóval ne az a típusú, ahol 2 db "E" vasmag van összefordítva, mert lehet, hogy ezzel a módszerrel szét lehet szedni, de akkor le kell vágni a csévetestet, mert a középső összragasztott "idomhoz" nem lehet majd hozzáférni.
A képen látható eljárást gondoltam ki(bocsi a paintért, de biztos tudjátok értelmezni ilyen rondán is.. )A tekercs, a csévetest, és az E vasmag részt a hideg vizben lubickol, még a felső I részt melegítem, én gázégővel, de ezzel a karamellizáló félének hívott tipussal, szóval nem gázpalackos, csöves fejjel, hanem ami talpas, és öngyujtógáz van benne, piezós. Arra gondoltam, hogy míg az alsó részt hideg, addig a felső kitágul a melegtől, és elválik a ragasztás. A siker csak 60% os, az I rész magától lecsúszott egy darabban, de ahogy kézzel kicsit próbáltam megcsavarni, hogy mennyire stabil, szét is esett 3 felé. :/ Az "E" részt meg próbáltam lefeszegetni a tekercsről, de mivel be volt ragasztózva így az is széttört. A megmaradt "U" vasmagot(mert ugye a szára letört az "E"-nek.) finoman megütögettem, és ki is csúszott egy darabban. Az I rész valószínűleg azért vált "rideggé", mert beleesett a vízbe olyan forrón, hogy amikor fűtöttem a vízcseppek körülötte felforrtak. szóval túl gyorsan hűlt le. Lehet, hogy érdemes ebben az irányban elindulni. ![]() UI: Azért szedem szét, mert a közösített GND pont összesodort szálljaira huzótt varniscső tele lett lakkal, ahogy szétbontottam biztos megsérült a lakk, így most 2 vezeték vezet. Letekerem, és ugyanannyit tekerek vissza, csak megcsapolás nélkül.
Szerintem kurdarcra van ítélve minden olyan módszer, ami egyenetlenül melegíti a trafót. A ferrit ugyanis már alapból nagyon rideg (hiszen kerámia), az eltérő hőtágulás miatti erőket pedig nem tudja rugalmasan felvenni, szerintem már melegítés közben elrepedt.
Egyébként óvatosan próbáld csavargatni (kb. mint a hímestojást ), mert kézzel simán el lehet törni a ferriteket.
Ez az anyagot nem ismerem, de nem volt egyeletlenül melegítve, a szúrólángot laposan "fektettem" rá az "I" végre.
Csavargatni pedig nem csavartam annyira, mint amennyire melegítés nélkül is szétrepedt volna, de lehet, hogy tényleg már elrepedt. Mindenesetre ez még nem egy lefutott kör. ![]() Próbálom a darabokat összeragasztani pillanatragasztóval. A törések egyébként passzosak, szóval egy szilánk sem hiányzik sehonnan. Csak ez az egy ilyen trafó volt hirtelen kéznél, ami ilyen E, I felépítésű volt, és mellesleg ezt a működő PC tápból szedtem ki, ami átalakításra vár, szóval kell ez nekem. ![]() ..max keresek egy ugyanakkorát, és a menetszámot ugyanúgy betartom majd. A lábtávolság úgysem számít, mert szerintem nem ültetem vissza az eredeti pc táp nyákjába, hanem próbanyákban lesz, HA kész lesz.
Ezt a módszert már én is megírtam régebben. Én szépen lassan főztem egy kis fazék vízben. Az EI és EE magokat is kb 80-90%-os sikerrel bontottam szét. Sikeresen bontottam még, a munkahelyemről hozott furcsa (aluminium dobozos!!!) lemosóba áztatottakkal is.
Én nem egészen megfőztem őket, de az is igaz, hogy a főzést még nem próbáltam.
Mivel van egyébként összeragasztva a két "mag?" Pillanatragasztó? Annak azt hiszem van oldószere. Azt hiszem az alkohol, de majd kipróbálom. (láttam a discoveryn, hogy mivel lehet szétválasztani az újjunkat, ha azok összeragadtak a pillanatragasztótól.Valamivel oldta a ragasztót a csóka, csak nem tudom, hogy mivel.) Jó lenne kisebb hibaszázalékú megoldást kitalálni, nincsenek itthon nekünk porvasmag trafó hegyek.. A hozzászólás módosítva: Ápr 29, 2013
Szia!
Bocs, hogy közbeszólok. Ezzel a "főzéses" megoldással nekem is elég sok trafó szépen szétjött. 10-ből 9 nem tört el!! A titka, hogy lassan kell főzni és óvatosan feszíteni kb 10perc forrás után. Nekem ez bevált. Üdv! A hozzászólás módosítva: Ápr 29, 2013
Szia.
Nem baj, hogy közbeszólsz, a fenti hideg vizes, gázlángos megoldás jutott az után az eszembe, hogy nekem túl egyszerűnek tűnt ez a forralásos módszer.. Úgy szerettem volna kivitelezni, hogy az E ne táguljon, de ne is huzodjon össze, mivel hideg vizben tartom, még az I-t melegítem, ezzel tágul az anyag, és mozgásra késztetem, avagy, hogy mocorogjon az E mozdulatlan maghoz képest, de nem tudtam, hogy a forralásos módszerrel majdnem ugyanezt a hatást lehet elérni, kevesebb "elhullás"melett. ![]() Ki is próbálom. Köszi. A hozzászólás módosítva: Ápr 30, 2013
|
Bejelentkezés
Hirdetés |




) nem volt kéznél nagyobb izzó, stabilan tartja a 12 Voltot. 
(4 utassal)
(igaz az elöző is szerintem az volt.. )





