Fórum témák
» Több friss téma |
- Ez a felület kizárólag, az elektronikában kezdők kérdéseinek van fenntartva és nem elfelejtve, hogy hobbielektronika a fórumunk!
- Ami tehát azt jelenti, hogy a nagymama bevásárlását nem itt beszéljük meg, ill. ez nem üzenőfal! - Kerülendő az olyan kérdés, amit egy másik meglévő (több mint 17000 van), témában kellene kitárgyalni! - És végül büntetés terhe mellett kerülendő az MSN és egyéb szleng, a magyar helyesírás mellőzése, beleértve a mondateleji nagybetűket is!
Sziasztok! Csináltam egy lézerhez való áramgenerátort (sokat volt róla szó, szupepe féle)
Az egész kapcsolás egy kapcsoló üzemű tápról megy (régi DVD-é, 5,5V-ról megy) Egy 1 Ohm-os figyelő ellenálloson pc-n, megnéztem (rövidre zárva az áramgenerátor kimenetét) A probléma ott van, hogy ugyanezen az ágon van egy kis ventillátor is, ami csúnya tüskéket hoz létre az áramgenerátor kimenetén is. Sikerült csökkentem nagy mértékben, de eltüntetni sehogy. Csináltam 2 képet a mérésről. Ekkora tüske megölheti a diódát?
Azt szeretném megkérdezni, hogy tudnám megoldani egy müveleti erősítő táplálásást, aminek +-15V kell, de nekem csak szimpla tápom van. És egyben erről a tápról menne egy erősítő is. Annak elég a szimpla táp.
Kimenet, bemenet kondival csatolva, a műveleti erősítő + bemenetére féltápot adsz, egy feszültség osztóval.
Hello! És most honnan tudjuk, miből szeretnél +-15V-ot gyártani? Mert tanácsot adni, legfőképpen egy rajz alapján lehet. üdv!
Bocsi, ez lemaradt 12V ac amit szolgáltat a trafó. A 15Vhoz beteszek 7815öt és 7915öt, de ugye valahogy kellene negatív tápfesz.
Bővebben: Link ezt nézd meg.
A hozzászólás módosítva: Okt 22, 2013
Ezt néztem is, csak az erősítőt is rákötve gerjedt. Bekötést csatolom. Arra is gondoltam, hogy az erősítőt a +ágra kötöm, csak nem tudom, hogy nem teszi tönkre ez a fajta egyenirányítás.
A hozzászólás módosítva: Okt 22, 2013
Külön-külön megy is, csak együtt nem. Ha így kötöm be akkor működhet?
Hello! Inkább így old meg két egyenirányító híddal a negatív segédtápot. De a negatív oldal terhelése csak minimális lehet a pluszhoz képest, és a plusz terhelésének mindig többnek kell lenni.. (Ami általában teljesül a végfok miatt.) üdv!
Ez jónak néz ki, holnap ki is próbálom.
A negatív terhelésen csak egy TL072 van, az meg nagyon minimálisan terhel. A végfok meg szimpla tápos. Köszönöm a segítséget!
Üdv!
NI Multisim segítségével készítettem el ezt a kapcsolást, de semmiképpen sem tudom működésre bírni. Én kötöttem be rosszul a dolgokat vagy csak simán nem tudja a program kezelni a 74HC138-at?
A LEDeket nem szabad így bekötni, ez nem LED-meghajtó IC! Minden LEDdel sorba kell tenni egy ellenállást!
Ezen kívül a bemenetek (A, B, C) lebegnek, mindet fel- vagy le kell húzni ellenállással, és úgy kapcsolni. A hozzászólás módosítva: Okt 23, 2013
üdv!
Én azt szeretném megkérdezni hogy minek találták ki az lm317 nevű tápegység ic-t,hogyha a feszültségszabályozást egy feszültségosztóval is meg lehet oldani. De továbbmegyek, minek kell feszültségosztó hogyha elég egy darab ellenállás is a feszültség szabályozására?
Szia!
Ahogy a neve is mondja a feszültségosztó az osztja a feszültséget és nem szabályozza. Ha a feszültségosztó bemenetén megváltozik a feszültség, akkor a kimenetén az osztásaránynak megfelelően a feszültségváltozás megjelenik. A feszültségosztók nem terhelhetők nagyobb árammal. Az LM317 a kimenő feszültségből leosztott feszültséget a belső referencia feszültséghez hasonlítja és állandó kimeneti feszültséget biztosít. Az LM317 1,5 A árammal terhelhető megfelelő hűtés esetén. Egy ellenálláson a rajta átfolyó áram függvényében változó feszültség esik, ez így "szabályozásnak" nem mondható. Üdv.: Feri A hozzászólás módosítva: Okt 23, 2013
A feszültségosztó a feszültségből a tüskéket nem tünteti el (magyarán nem stabilizálja), ráadásul a feszültségosztónál a terhelés megváltozásával a feszültség is változik. A feszültségosztó csak fix terhelésre használható. Igazából teljesen másra való a kettő.
Sziasztok! Volt már egy ilyen téma, csak sehol nem találom, ezért kérdezem meg itt, hogyan oldható meg egyszerűen egy biztosíték állapotának visszajelzése, olyan módon, hogy amikor kimegy a bizti, akkor mondjuk egy led világítson?
Például így. Az a lényeg, hogy a relé olyan legyen, hogy áram nélkül "felkapcsolva" van, árammal pedig "kikapcsolva".
A legegyszerűbb, ha a biztosítékkal párhuzamosan kapcsolsz egy ledet (természetesen a megfelelő előtéttel), így, ha kiég a biztosíték a led a védett áramkörön keresztül kapja az áramot, és világít. Normál esetben (ha nincs kiégve a biztosíték) a led rövidre van zárva, így sötét marad.
Én rendszeresen használom ezt a megoldást. Persze, hálózati feszültségen már nem feltétlen ledet, hanem inkább glimmet szoktam használni. A hozzászólás módosítva: Okt 23, 2013
Igen, a reléig én is eljutottam, de ebből egyszerre 12 db kellene nekem, az üvegcsöves biztik mellé ez így már necces lenne szerintem.
Arról nem is beszélve, hogy elég tetemes kiadással jár a relézés. És, folyamatosan fogyaszt.
És az utána kötött 230V-os akár 1kW terhelés mit kezd a leddel például? Hálózati feszre én kapacitív előtéttel szoktam tenni ledet, de ha kimegy a bizti, akkor a ledes dolgon keresztül megy a feszkó, nem?
A lednek teljesen mindegy hogy 1W van utána, vagy 10KW, a rajta átfolyó áramot úgyis a saját előtétje fogja korlátozni.
De hálózati feszre inkább használj glimm lámpákat, egy 100Kohm -os ellenállattal elmegy.
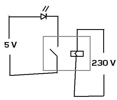
Így valahogy? Mindenképpen leddel kellene megoldanom, de ez például, ha kimegy egy egy bizti, és nincs rajta fogyasztó, akkor nem is világít, mert nem záródik az á.k.
Természetesen egy antiparalell diódával a led mellett. A hozzászólás módosítva: Okt 23, 2013
Pontosan így. Azt hogy milyen előtétet csinálsz, már nem tudom. De ha kimegy a bizti, szerintem 100% hogy van rajta terhelés
Rendben, köszönöm a kisegítést.
Szivesen.
Közben még az jutott eszembe, hogy, ha ilyen nagy terhelés van, akkor miniatűr 230-as relékkel is simán meg tudod oldani ugyan így, hiszen annak szinte elhanyagolható az áramfelvétele a védett áramkörhöz képest. Így Galvanikusan leválasztott jeled lenne a biztosíték állapotáról, és nem mellékesen csak akkor működne a relé, amikor kiég a bizti.
Meg lehetne, de: ad1: 12db áramkörről van szó; ad2: egy kondi meg egy led egyszerűbb és olcsóbb mint egy relé led, és nem beszélve arról, hogy itt kell egy külön tápfesz a lednek is.
Ezek természetesen így vannak.
Arról se feledkezz meg, hogy így, hiába ég ki, vagy távolítod el a biztosítékot, érintésvédelmileg feszültség alattinak kell tekinteni az egész áramkört.
Természetesen, biztosíték cserénél áramtalanítva lesz a készülék.
Villanyszámla tekintetében pozitívum vagy negatívum az inverteres mikró, vagy hegesztő?
Gondolom jobb a hatásfoka, de az óra többet mér nem? Vagy megéri olyat keresni? Esetleg a légkeveréses mikró is kevesebbet fogyaszt? Mert ha a levegőtől melegszik egyenletesebben, akkor kevesebbet fogyaszt, mintha csak a mikrohullám menne tovább, de gyengébben. A táp vesztesége miatt. Gondolom én. |
Bejelentkezés
Hirdetés |

















