Fórum témák
» Több friss téma |
Fórum » PC táp átalakítás
Hát ez elég merész ötlet, de elméletileg működhet. Annyi van, hogy alapból a táp földje össze van kötve a táp házával és a 220as földdel. Na most ha mindkét tápot földelten rakod össze, akkor ha jól gondolom azt az eredményt kapod a sorbakapcsolásnál, mintha a +12Vot összekötnéd a -12Val. Ha jó a táp védelme, akkor azonnal elkezd ciripelni és eltűnik a kimenetről a fesz. Ezt ugye kilehetne úgy küszöbölni, hogy a 220as ágról leválasztod a földet, de akkor meg nem lesz védőfölded, ami nem jó dolog, szóval ezt nem tanácsolom!!!!
Én azt mondanám neked, hogy a vezérlő icről kösd le a visszacsatolást. Csak simán forrassz rá egy 1k-s ellenállást és azzal kösd le a földre. Ezzel azt éred el, hogy maxon fog járni a táp. Így nálam van kb +-40V (azaz a kettő között80V). Ez a feszültség erősen táp függő. Tehát lehet, hogy valamelyik tápon több lesz vagy kevesebb. Én ezt nézném meg először. Természetesen maximális odafigyeléssel!!! A kimeneten a kondikat cserélni kell, a diódáknak a max feszét is megnézném stb. És még az is hozzá tartozik, hogy így nem stabil lenne a feszültség. Tehát ha terheled, akkor esne a terheléstől függően. (Amúgy milyen akkut szeretnél tölteni? Ólom vagy Lithiumos? Én ebayről rendeltem annó töltőt kb 4000 huf és bármit lehet vele tölteni. 12Vot adsz neki és ő előállítja a pak-hoz szükséges feszültséget dc-dc.)
Sziasztok!
Van egy PC-tápom. Működik rendesen, csak az a kérdés, hogy nem okoz-e gondot, ha terhelés nélkül járatom. Úgy hallottam, hogy nem kapcsolóüzemű tápot terhelés nélkül nem szabad bekapcsolni. Pár percig menne csak, egy kémiaórai galvanizálásnál. Amúgy fúrógéphez szeretném használni, esetleg 12V-os világításra, galvanizálásra. Amikor nincs rajta semmi, mekkora terhelést tegyek rá? Egyszer egy másik, szintén PC-tápot át szeretnék alakítani, hogy 3-5-12V helyett -20V +400V +30V ra. Erősítőhöz kellene. Gondolom a primer oldali részeket meg lehet hagyni változtatás nélkül, csak trafót kell cserélni, valamint a szekunder oldali diódákat, kondikat. Meg lehet oldani, vagy jobban járok egy teljesen új kapcsolóüzemű táp építésével?
Szia!
Véleményem szerint nem gond, ha üresjárásban megy. Én rengeteget járatom terhelés nélkül és kutya baja. Fúrógépnél majd ne csodálkozz, ha "gyors" indításnál leold a táp. Én is használom néha ilyesmire és ha hirtelen nyomom meg a gombot akkor a védelem közbe lép. Ha nincs rajta semmi, akkor ne rakj rá semmit. Nem lesz baja. Az átalakítás már más kérdés. a 400Vot kicsit soknak találom... de majd valaki okosabb nyilatkozik abban a témában. A 20-30Vok megoldhatók, csak lehet nem egy időben...
Köszi a választ, akkor nem cifrázom. Lehet, hogy 300-350V is elég lesz, de az majd függ az erősítő kapcsolásától, csövek típusától...
A hozzászólás módosítva: Máj 12, 2013
Várd meg valaki okosabb véleményét is... lehet csak én tudásom kevés ehhez.
Ha a fúrógép elé beteszek egy kb. 2000μF-os kondit, akkor is leállítja a védelem?
Azt nem tudom... de lehet csak nálam működik így. Lehet Nálad nem lesz ilyen gond. Különben meg csak óvatosabban kell megnyomni a gombot és menni fog.
A földet lekötöm, ha kell, nem csak ez az egyetlen földelési mód, avagy annak a megakadályozása, hogy a fázis, vagy bármiféle feszültség rájuthasson a fémházra, és az balesetet okozzon.
Létezik még a kettős szigetelés, vagy magát a fém házat beburkolni, esetleg a nyákot még ennél is jobban kiszigetelni. A földdel egyébként nem csinálnék semmit. Vennék 2 tápot, mindegy, mekkora teljesítményű, nekem csak 1 amper kell.(1.2-1.5A maximum). Mindkét táp -12V-os részénél kicserélném a diódákat, hogy a fentebb írt 0,8A-t kitoljam nagyjából 3-4A-ra, hogy azért maradjon biztonsági tartalék, ha én tartani szeretném a stabil 1A-t. Az 1. táp -12V-os része lenne a 48V-os táp negatívja, az 1. tápon belül a +12V-os rész össze lenne kötve a 2. táp -12V-os részével, és a 2. táp +12V-os része lehetne a 48V-os tápom pozitív pólusa. Erre a 48V-ra raknék egy szabályzót, amivel én be tudom állítani a 41-42V-ot, vagy ha nem is tudom beállítani, a töltés kezdetekor 1.2-1.5A-re tekerném a cuccot, és ahogy töltődik az akku 10óra mulva megszakítaná a töltést egy időzítés. Semmi dolgom nem lenne a PC táp eredeti földjével. ![]() Ez az átkötés dolog csak a szakiknak megy, nekem nem. ![]() Mellesleg az én tápom még a minuszos feszültséget is figyeli. Tudom, mert lekötöttem, és el sem indult, visszakötés után pedig ment is. Tápból itthon van elég,azt se tudjuk hova rakjuk már lassan, mert fater ingyéééé begyüjtötte a bontókból, van, ami működik. Ha feladnám, akkor már rég vettem volna 9eFt-ért a szomszédfaluból (6-7 km)egy direkt az ilyen elektromos bicókra szakosodott boltból egy ehhez való töltőt. ![]() Amugy 3db 12Ah, 12V-os zselés(ólom) akku van sorba kapcsolva. Van is bennük élet, mert vasmagos trafóval feltöltöttem már egyszer, mentem is 5km-t, még le nem merült, de ott csak 800mA-ral töltött a töltés kezdetén, és trafó nincs itthon(ami erre a célra jó lenne), PC táp pedig van. A hozzászólás módosítva: Máj 12, 2013
A szabályozott 41V-ot simán meg lehet csinálni állítható áramszabályozással, rajzok lettek már csatolva többször is. Semmilyen plusz áramkörre nincs szükség.
Ahogy gondolod! De figyelj oda, hogy ne legyen belőle baleset!!
A -12V hiányakor valószínű a PG (power good) miatt nem indult a táp. Ha nem érzékeli az összes feszt megfelelően, akkor nem indul be a szgép védelme érdekében.
A kondi nem megoldás, az áramkorlát közbe fog szólni. Plusz a túl sok kondi veszélyesebb, indulásnál nagyobb áramot akar felvenni... Nekem van egy tápom, ami az 5V-ot figyeli, 12V-ról fúrógépet hajtok. Ha lefogom a fúrót, veszi fel a sok-sok A-t, ekkor leesik a feszültség akár 8-9V-ra is (az 5V stabil), cserébe nagyon erős a fúrógép, és nem tilt le a védelem. Egyszer megterheltem az 5V-os ágat 1-2W-tal, ettől a 12V sokkal jobban tartotta a feszültséget, viszont állandóan, a legkisebb fúrógép szorulásnál leállt a táp. Én inkább levettem az 5V-ról a terhelést, hogy essen a 12V, engem nem zavar. Így is, amikor túl gyorsan váltok irányt a fúrógépen, nagyon-nagyon ritkán lekapcsol a táp, gondolom egy kis negatív feszültség visszajut a tápba.
Rátettem a fúrógépet, és tökéletesen megy. Nincs szükség módosításra.
Üdv!
Mivel nem nagyon találtam olyan tápegységet ami 12V-nál 3A-t ad le ezért arra gondoltam, hogy egy pc tápegységet kellene átalakítani. A lényeg az lenne hogy passzív lenne(hűtés nélkül) adjon egy stabil 12 Voltot. Esetleg 3A-s terheléssel mennyi lenne a tápegység fogyasztása? Illetve üresjáratban mennyi lehet a fogyasztás. Végső esetben az ATX táp Vsb feszültsége is megfelene(5V) amelyet elvileg 2A-rel lehet terhelni.
Ismét én vagyok...
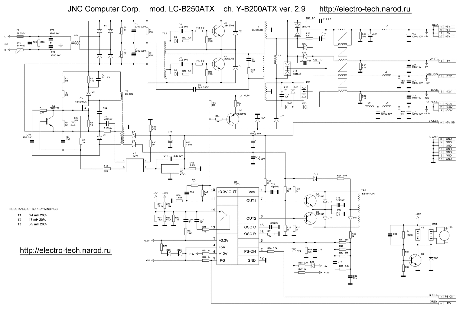
2005Z IC vezérlésü ATX táp... Átkötöttem a feszültségfigyelő lábakat a 4.est és a 6.ost amin a +5V, és +12V -ot figyeli. A panelen van +5V segéd és +16V segéd feszültségek. Működik a táp még rendesen, viszont a 3.3V os ágat nem kötöttem még mert kis homály támadt. ![]() Meg tudná mondani valaki, a mellékelt kapcsoláson a Q7, D26, D25 alkatrészek mi célt szolgálnak (és az L1 tekercs)?
Sziasztok!
Az volna a kérdésem, ha van egy átalakított tápom amibe a holtidő szabályzó lábat nem a megszokott módon a földelésre kötném, hanem a kimeneten lévő tápfeszültséget feszültségosztóval visszaosztanám 2,5V körüli feszültségre, akkor van-e arra esély, hogy rövidzárlat esetén ezen funkció jóvoltából nem megy tönkre a tápom? Most a primer körbe be van kötve egy 60W-os izzó, de ha mondjuk 2-3A-es terhelést kötök rá, rögtön elkezd normál fénnyel világít a primerkörben az izzó, amit nem tartok egészen helyesnek.
Átalakítottam egy ACORP LC-235ATX tápegységet: 0-20V és 0-10A között beállítható a kimeneti feszültség és áram. A szekunder oldalon csak a 12V-os ágat hagytam meg, persze cseréltem nagyobb diódára (VS-30CTH02PBF: 2x15A, 200V) és kondenzátorra (2x 1500µF/35V), ahol szülséges. Az áramkorlátot LT6105-el oldottam meg, a pozitív ágban elhelyezett 0,05 ohmos ellenállást figyelve.
Az áramkorlát néhány mA-ig is levihető (5mm LED-el teszteltem). A feszültség 0,00V és 19,96V között állítható (többfordulatú potikkal). A gondom a következő: a kimeneti feszültségen több amperes (4A..8A) terhelés esetén megjelenik egy 100Hz-es, közel szinuszos jel. (12V, 4-5A esetén a 100Hz-es jel kb. :600mVpp értékű). Arra gonldoltam, hogy a primer oldali 2x 330µF/200V kondenzátorok a gyengék, de 470µF-os csere után sem változott a helyzet. Sajnos az átalakítás előtti tápot nem teszteltem ekkora áramokkal, ezért nem tudom, hogy a hibát én okoztam -e. (Egy habvágóhoz készítettem a tápot, ahol ez nem okoz gondot, ráadásul a terhelés is csak 2A körüli. Ennek ellenére szeretném - legalább - tudni a hiba lehetséges okait. A segítséget előre is köszönöm.)
Szia!
Én azt vettem észre ezeknél az átalakított tápoknál, hogy ha nincs visszatéve az eredeti dobozukba, akkor instabilabb és zajosabb. Próba szerencse, de szerintem érdemes lenne megpróbálnod. A földelést is kösd be.
Szia!
Köszi. Az a helyzet, hogy valóban nem volt a dobozában a tápegység a mérések alatt. (Föld sem volt bekötve). Sajnos, most pár hétig nem leszek otthon, ezért nem tudom kipróbálni, amit írtál. A potikat egyébként egy rossz egér USB vezetékével kötöttem be, ez nagyon bevált.
Én éppen ma foglalkoztam a sajátommal egy kicsit. Borzasztóan félek tőle, hogy tönkre megy, így most összeraktam a cikkben szereplő komparátort a védelemhez. Úgy tűnik működik, illetve rövidzárlat esetén is bírja egészen jól, pedig a primerköri izzó ebben az esetben zárlatot mutatott. De valahogy mégsem tartom egy életbiztosításnak a dolgot.
Amíg nem alakítottam ki a komparátoros arám korlátozást, addig folyamatosan használtam a 60W-os izzót a primer oldalon. Sőt később is mivel a tápegység szét volt bontva.
Én azt tapasztaltam, hogy terhelés nélkül az izzó nem világít, 12V/0,5A kimenet mellet már pislákol. Egy 12V/50W-os autóizzóval terhelve a kimenetet már világít rendesen a primer izzó, és ilyenkor már nem is képes a tápegység a 12V-ot biztosítani a kimeneten.
Pontosan ugyan ezt tapasztalom, és ugyanezekkel az eszközökkel. Nálam annyi változás van, hogy a kimenet fix. 40V körüli feszültséget ad, és a kimenetre egy analóg labortápegység van kötve, a kettő közé pedig még be van suvasztva egy kapcsolóüzemű előszabályzó a veszteségek csökkentése érdekében. Ha a labortáp kimenetét rövidre zárom, akkor nagy áram folyik rajta, viszont nagy a feszültségesés. Kivettem a primerkörből az izzót, nem durrant el a rövidzárlat hatására. Persze nem tartósan zártam rövidre, mert azt a vezeték nem bírta volna ki. Utána leterheltem az 50W-os izzóval is, gond nélkül elindult. Meg se kottyant neki. Viszont még mindig tartok tőle.
Ha van kapcs. üzemű előszabályzód, akkor ha rövidrezárod a labortáp kimenetét, és folyik mondjuk 10A, akkor az előszabályzó leszabályozza a feszültséget (Ha az Attila86 és Skori féle előszabályzóról van szó) nem tudom pontosan mennyire, mondjuk 3V-ra, ekkor lesz kb. 30W disszipáció, viszont a számítógép tápodnál ez a 30-35W 40V-on lesz felvéve, a rövidzár hatását egyáltalán nem fogja érezni! Ha kábellel zárod rövidre a labortáp kimenetét, akkor a kábelen alig fog teljesítmény disszipálódni, a nagy részt a végtranzisztorok fogják elfűteni. Tehát a vezeték biztosan bírta volna hosszabb távú rövidzárlatot is. Egyébként jó ötlet a számítógép táp feszültségének megemelése, és abból labortáp építése!
A hozzászólás módosítva: Máj 24, 2013
Szia!
Sajnos a tapasztalatom a vezetékkel az, hogy baromira vékony a belső sodrony. Iszonyatosan melegszik, ha nagy terhelést kötök a végére. Szerintem le se lehetne tagadni, hogy Ebay-en rendeltem Kínából. ![]() Egyébként Én is jó ötletnek tartom. Annyiból lesz rosszabb, hogy kicsit zajosabb lesz a kimenete. De állítólag ezt egy párhuzamos L-C taggal lehet javítani. Majd igyekszem belőle a legjobbat kihozni.
Ha a végén egy rendes labortápegység van, akkor az már kiszűr minden zajt, tehát teljesen korrekt a megoldás!
Az előszabályzót én is ismerem, nagyon tetszik. A vezetékes részt akkor félre értettem, azt hittem, simán csak vezetékkel zárod rövidre a tápot. Már várom, mikor lesz kész Attila86 az új cikkjével. Bővebben: Link A hozzászólás módosítva: Aug 9, 2013
Nem értetted félre a vezetékes részt. Rövidre is zártam vele. De annyira gyenge, hogy azt a pár watt teljesítményt sem bírja ki. Vasalóba cekásznak megállná a helyét! Közben készen van az áramfigyelő panelje. 6 Amperre kalibráltam, ugyan magát a tápot csak 5A-re tervezem, viszont szerintem nem árt egy kis tartalék.
Attila86 cikkeit annyira nem követem. Régen sokaknak voltak problémái a rajzaival. Az SMD technika sajnos nem a szívem csücske. A hozzászólás módosítva: Máj 24, 2013
Majd képet rakj fel, szívesen megnézem! Csak a visszacsatoláson, meg az áram védelmen változtattál, egyenirányító dióda és kondik cseréjével együtt? Akkor most maxon megy a tápod? Mennyit esik a 40V-od 40-60W terhelésre? Elvileg Attila86 tápja majdnem ugyanazt fogja tudni, mint most a Te tápod, 40V 10A, jó hatásfok, minimális melegedés. Az smd valóban problémás, de gyorsan bele lehet jönni!
A hozzászólás módosítva: Máj 24, 2013
A pc tápból hogyan lehet labortápot építeni????
mert a pc tápon 1000 féle vezeték jön ki, és nem tudom hogy mit hogyan kössek szóval ha lehetséges v.ki tegyen fel egy rajzot!!
Ennél azért kicsit bonyolultabb a dolog! Javaslom, olvasd el a vonatkozó cikket, és nem árt, ha ezt a témát is átolvasod.
|
Bejelentkezés
Hirdetés |




Nem lesz baja. 



Attila86 cikkeit annyira nem követem. Régen sokaknak voltak problémái a rajzaival. Az SMD technika sajnos nem a szívem csücske.




