Fórum témák
» Több friss téma |
Mielőtt kérdezel, a következő két dolgot ellenőrizd!
I. A helyes tápfeszültségek megléte.
II. A kimeneten van-e egyenfeszültség.
Élesztés.
Már korábban is töprengtem ezen a fajta bekötésen, amire hivatkozol (csak a kábel részére gondolok).
Miben látod előnyét ahhoz képeset, mikor egy "normál" árnyékolt kábelt használnánk, és annak árnyékolását szépen bekötnénk mindkét végén? Az említett megoldás -nézetem szerint- semmit nem tesz hozzá a dologhoz, csak egy többlet vezetéken viszi el a bemeneti GND-t az erősítő GND-jéhez (de miért?).
Tisztelt Diy-lerek!
Kérdezném hogy a becsatoló kondi értékét hogy kell meghatározni? Az már világos hogy nem elko de hogy mekkora azt nem tudom.Általában 1-2 µF-osakat építettem be a rajzok függvényébe.Az ajánlás szerint ide is ez kéne.Nekem viszont csak 2 uf-os remix meg 10-es fóliák vannak. Köszönöm!
Sziasztok! Érdeklődnék,hogy valakinek ismerős ez az orosz erősítő?
Ha valaki tudna róla infót adni,nagyon meg köszönném.
Szia! Az árnyékoló harisnya két vége között a környezetből származó szórt induktivitások és kapacitások miatt zavarfeszültség jelenik meg. A harisnya védelmében futó jelvezetékre a zavarok kisebb mértékben hatnak. A két hiba különbözete hozzáadódik az átküldött jelhez.
Amennyiben az árnyékolást csak egy független palástként használjuk, akkor a belsejében futó jel és test vezetékre jó eséllyel azonos hiba ül rá. Ezek a fogadó pont szempontjából kioltják egymást, nem adódnak hozzá a jelhez. Fontos hangsúlyozni, hogy az árnyékolás csak egyik végén legyen bekötve, ettől viselkedik a legsemlegesebben. Az árnyékoláson belül futó test vezetéket pedig nem ildomos más célra igénybe venni, tehát ne legyen sem tápnak sem hidegítésnek a része. Ennek a módszernek a tökéletes változata a szimmetrikus jeltovábbítás, de ez is sokat segít. Amennyiben az árnyékoló harisnyában csak egy ér fut és zavarmentesnek bizonyul, annak az alacsony környezeti terhelés az oka. A kábel rövidsége is hozzájárul a zavarmentességhez.
Sziasztok! Lassan betolom a dobozába.
Nincs még bekötve poti, meg nem is tudom, mekkorát tegyek majd bele. Poti nélkül direktben nincs brumm. Kihúzom a keverőből a két jelet RCA-t , néma csend van. Amit mondtál 12-13 menet, 10.35 AC az is nagyon jó lett, egyenírányítva 12.35V DC 4700µF /25V -al.Az 50Wattos fényszóróízzó teljes fénnyel világít, még kakaó is van benne. Szóval jó. Mekkora potit tennél bele? Remélem büszke vagy az erősítődre? A két oldal nyugalmiát egyformára 5mV -ra beállítottam.
Üdv: Gyuri A hozzászólás módosítva: Jún 2, 2013
Brutál szól 4 illetve 8 ohm-on is. A Reflex ládák mélysugárzóiról le fog szakadni a perem (membrán). Erre az erősítőre felesleges lenne a clip LED. A hangsugárzóra jobban ráférne.
A hozzászólás módosítva: Jún 2, 2013
Végfok elé 10k log potit szoktam rakni. Veled örülök én is természetesen
Ok. 10 K poti, rendben. Teljesítményben a poti nem csökkent semmit? Emmiter 5 mV az a tápon mérve mennyi nyugalmi áram lehet mA-ben? Teljesítménymérővel nyugalomban a trafót levonva 17-18 watt.
A hozzászólás módosítva: Jún 2, 2013
A végekhez elvitt + - táp 0.75 mm sodrott a GND 1.5 réz elég vastag vezeték? A hűtő tetejére még egy 60-80 fokos klixont fogok tenni, ami a koppanásgátló reléjével sorba lesz kötve.
A hozzászólás módosítva: Jún 2, 2013
A teljesítményt közvetlenül nem érinti a potenciométer értéke. A jelforrásod remélhetőleg játszva tud 10k-ra dolgozni, nagyságrenddel kisebb a kimenő ellenállása. A relatív alacsony értéket azért preferálom mert jól elnyomja a jelkábel által összeszedett zajokat.
Használd bátran az I=U/R képletet. Behelyettesítve 5mV/0,47 ohm némileg kerekítve 10mA-t kapunk. Mivel ez mindhárom egymással párhuzamos emitter ellenálláson egyszerre folyik, ezért összeadódnak, tehát az egész erősítő csatornára vonatkozólag 30mA nyugalmi árammal számolhatsz. Ragyogó. Köszi. A hozzászólás módosítva: Jún 2, 2013
Ha nincs búgás és a vezeték nem melegszik, akkor megfelelő.
Ok.
A erősítő dobozára nem merem feltenni a foganytyúkat, le fog szakadni. Ebben a kapcsolásban az MJL21... nagyon jól teljesítenek. Hihetetlen. A hűtéssel szerintem nem lesz gond. A hozzászólás módosítva: Jún 2, 2013
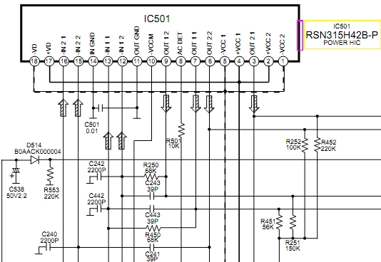
Sziasztok! Segítséget szeretnék kérni hogy van egy RSN315H42 4 csatornás ic-m valaki nem tudja ennek az ic-nek a bekötését és teljesítményét?? Előre is köszönöm a segítséget.
Gyorstalálat...
Kiindulásnak szerintem elég.
Köszi.Még egy kérdésem lenne a 8-as láb a 'mute' azt hogy kell bekötni?
Sziasztok!
Lenne egy számítógépes hangfalnak a kis erősítője ami már jelen pillanatban ha áramot adok neki és bekapcsolom a hangszóró kattan egyet, viszont még megszólaltatni nem sikerült! Mit mondtok mit lenne érdemes megnézni, kicserélni a panelon? Köszi előre a választ! András
Üdv! Egy olyan kérdésem lenne, hogy torzított gitárnál, ha megpenetek két hangot egymás után külön, akkor néhány hang esetén elég ronda zajok keletkeznek, magyarul élvezhetetlen torzítás. A hiba valószínű, a végerősítőben rejlik.Mi okozhatja ezt a kellemetlen hangot és hogy lehet kiküszöbölni?
Sziasztok!
Szeretnék egy kis segítséget kérni! Megépítettem egy kis sztereo végerősítőt TEA2025-ös IC-vel. Mindkét oldal egy-egy hídkapcsolás a gyári adatlap alapján. Minden értéket megtartottam az adatlap szerint csupán annyival van kiegészítve, hogy a tápot egy FET-es feszültség stabilizátoron keresztül kapja így állandó ~9V-ot kap és egy kapcsolóval ezt át lehet váltani egy elemre, továbbá tettem be ezek jelzésére egy duo ledet. 16Ohm 2W-os hangszórók vannak rákötve és egy 50kOhm-os kétpályás poti, hangerőszabályzó gyanánt van még. AMIT CSINÁL: a jobb oldal meg se nyikkan, pedig a hangszóró jó, a bal oldal pedig csak búg, ha DC tápról megy, ha elemről akkor ez a búgás még szaggatott is (mintha mélyen csipogna). Ekkor a tápjelző led is villog (az elemes táplálásnál). Átnéztem a forrasztásokat, zárlatot én nem találtam, át is forrasztottam a pontokat, de semmi változás. Felcseréltem az IC-ket (mert foglalatba vannak), de ugyanez a jelenség áll fent. Szerintetek mi lehet a gond? Sajnálnám eldobni, mert már olyan szép lakkozott házat kapott
Szia István!
Kérdésem a következő, ha a venti szabályzónál 2 db NTC-t párhuzamba kötöm, jól fog viselkedni a szabályzás? Gondolkodom rajta természetsen én is. Üdv: Gy A hozzászólás módosítva: Jún 3, 2013
Szia! Belikkelnéd, hogy ne kelljen keresgélnem?
Szia! Parancsolj!
A hozzászólás módosítva: Jún 4, 2013
Szia! A dupla NTC szükséges ugyan, de nem szerencsés. Próbáld ki a soros és a párhuzamos kapcsolásukat is. R2 értékét duplázd illetve felezd, hogy az NTC-vel létrejövő osztás nagyjából a helyén maradjon szobahőmérsékleten.
Megnéztem még egyszer a gyári hídkapcsolást és az enyémet, de egyezik.... Hibás lenne mindkét IC? Viszont akkor miért viselkednek eltérően, ha felcserélem őket (vagyis mindegy melyik IC van a bal vagy jobb oldalon, az adott oldali kapcsolásban ugyanúgy viselkednek, az egyik búg a másik süket). Nem értem....
Szia! Nyilván a panelben lesz a hiba, NYÁK zárlat vagy szakadás. Forrasztás után lemostad a gyanta maradványokat?
Hmm, azokat nem... de őszintén (lehet megrónak érte, sőt biztos is) nem szoktam, eddig nem volt baj azzal semminél, hogy rajta hagytam. Mivel lehet lemosni? Ez lehet a baj?
A gyantában oldott szennyeződés képes vezetni. Denaturált szesz könnyedén eltávolítja.
Egy IC-t tegyél csak be és mérj feszültséget testhez képest a híd két kimenetén. Fél táp lenne az elfogadható. Mindkét foglalatot ellenőrizd így le! |
Bejelentkezés
Hirdetés |







A erősítő dobozára nem merem feltenni a foganytyúkat, le fog szakadni.
Ebben a kapcsolásban az 











