Fórum témák
» Több friss téma |
Mielőtt kérdezel, a következő két dolgot ellenőrizd!
I. A helyes tápfeszültségek megléte.
II. A kimeneten van-e egyenfeszültség.
Élesztés.
Váltó fesz kellene, ilyen építésre most sajnos nincs időm amúgy sem..
Mert a gazdája, akitől kaptam, azt mondta, hogy a panelon már van diódahíd , meg minden, nekem pedig csak 12V-ot kell adni neki, és szól.
Elméletileg jo kellene legyen, mivel kevés a menetszám 4.2V nak. mikor bekapcsolod akkor a két kimeneten nincs semmi feszültség?
Az nem probléma ha van dioda hid.
Vagy adsz neki DC12V ot, vagy letekersz a trafobol pár menetet, ez a két lehetöséged van.
De a trafót sajnos nem tudom szétszedni, meg a letekeréshez sem értenék, szóval ezért akartam valami jó megoldást találni...
Szia! Mivel az egyenirányító diódákon 0,6-0,7 V feszültség esik ezért ha sorba kötsz a híd után 7-8-at akkor elvileg jó lesz. Ez ugyebár veszteséges, de cserébe egyszerű. Kísérletezd ki, hogy mennyi dióda kell az a biztos.
Megoldod ugy ahogyan irtam LM317 és egy tranzisztor, nyugodtan köthetsz oda DC feszültséget, nem pacil semmit az erösitö, ugyanugy fog müködni, mivel a diodák azok csak annyit csinálnak hogy jo utra terelik a megfelelö feszültséget.
Maximum beszerzel egy megfelelö trafot.
Sziasztok, azt szeretném kérdezni, hogy egy ilyen dual erősítőt hogy tudnám úgy bekötni, hogy oldalanként 1-1 szélessávú univerzális hangszóró van, és a 2 erősítőről pedig a jelet közösítve, mono-ban meghajt egy mélynyomót. Én golndoltam egy hangváltót, ami olyan 1000Hz körül vág, és azon alul dolgoz a mélynyomóra, de akár még a hangváltó után lehetne egy sub erősítő is, csak nem kell olyan nagy teljesítmény, kinek mi a véleménye?
A két póluson, egymáshoz képest nincs feszültség abban a kis időben míg bekapcsolom és vissza kikapcsol (kb: 2sec.), viszont a testhez képest van mind a kettőn, de nem 4.2 hanem 15V.
Fura, mivel ay egz külön secunder a rajz szerint.....
Szia! Ennek egy aktív hangváltóval, és a szub számára egy teljes értékű erősítő csatornával kéne nekifutni.
Akkor inkább az legyen, hogy az elején leválasztom a mély hangokat, és a mélynek is külön erősítő legyen?
ÜdV!
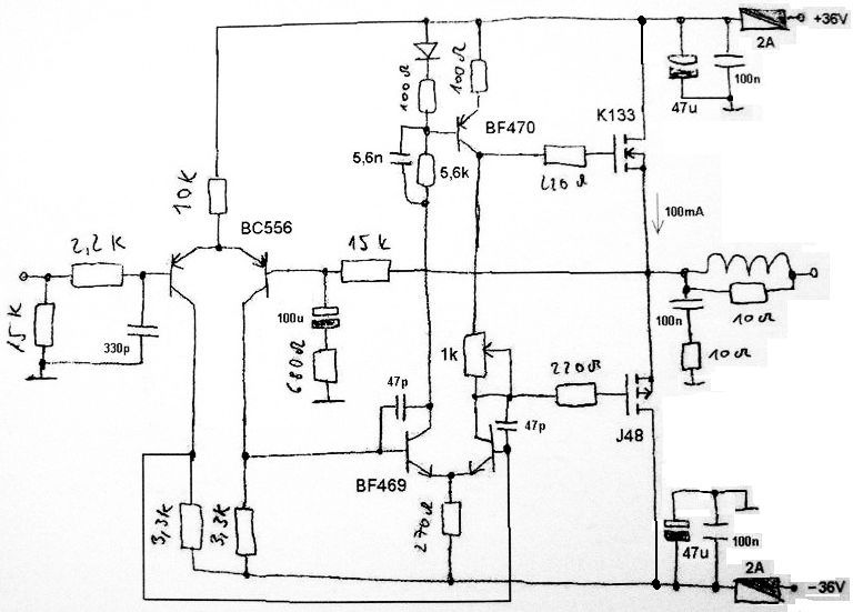
Sziasztok, csak érdekességképpen, "mayanosítottam" a fetes végfokomat, mára összesen 48 alkatrésszel lett kevesebb benne mint ahogy kaptam, most kb. a minimum, a hangja szerintem sokkal jobb lett, dinamikus és kellemes, nagyon jó hallgatni. A korábbi állapot itt látható: Bővebben: Link
A hozzászólás módosítva: Jún 16, 2013
Szia! A kioperált 10pF-nek volt valami észlelhető funkciója?
Szia István !
Ilyen a keverőd a Tiéd is? Üdv: Gy A hozzászólás módosítva: Jún 16, 2013
Jópofa, én a trafót kiraknám a sarokba és árnyékoló lemezt is raknék köré, az a tuti. Illetve a külső tápnál nincs jobb.
Úgy döntöttem hogy kiforrasztom az összes ellenállást ami a panelon van meg a tranzisztorokat is.
Jó az FL1 és FL2 közt megvan a 4,2V. R151-nél a feszültség a bekapcsolás pillanatában felugrik -40V-ra, aztán visszaesik 0,3V ra, viszont a kikapcsolás után felugrik +40V-ra és onnan lassan csökken.
Kimértem a BC548C tranzisztort szerintem ő a bűnös mert ezt mértem.
Pedig új tranzisztor mind.
Az tudom csak ebbe rajzoltam meg mert ez BD tranzisztorok hoz van.
Légy nagylelkű, és küldj vagy kettő 810-est 'janikukac' fedőnevű ifjú, vajdasági kollégának; most szenved egy ilyen sztereóval.
A hozzászólás módosítva: Jún 17, 2013
Semmi a világon, de ez sejthető is volt... a többi részben pedig volt pár problémás alkatrész és hiba amit jobb hogy ilyen módon megoldottam, mert ahogy anno kaptam pár watt felett igen gázos torzítások jelentkeztek. Most viszont így minden oké, jól meg lehet hajtani. A trafó 63VA-os csak, de szobában így is házibuli hangerő.
Nincs ezzel a tarfóval semmi baj, csak nagyon halk pici búgás hallatszik a hangfalból a fülemet 5cm-re téve.
Végül is helyre állítottad a kapcsolást a megszokott formájúra. Már az is gyanús volt, hogy ez a MOSFET pár Ugs védőt kapott, hiszen benne van a tokban.
Igen, valójában azzal kezdtem. Meg azzal a 10pF +stb. komplexummal. Ez a jól ismert H&T fet-1, roksan, sugden, maplin stb. kapcsolás. Egyszerű és ezekkel a fetekkel igen jó hangú is szerintem. De lehet nem minden fettel ilyen jó. Viszont lehet egy kicsit csökkenteni kellene a második diff. pár áramát mert elég forrók. Főleg most a 28 fokos szobában
A hozzászólás módosítva: Jún 17, 2013
|
Bejelentkezés
Hirdetés |













