Fórum témák
» Több friss téma |
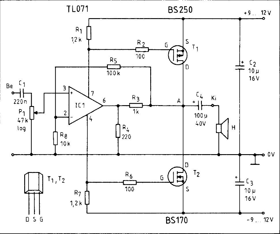
Sziasztok! Mi a véleményetek erről a kapcsolásról, érdemes megépíteni? A FET kivezetései rosszul vannak jelölve a lábkiosztásnál. A műveleti erősítő végén jól van az a 220 Ohm-os ellenállás? Nem túl nagy terhelés az oda? Gondolom azért kell, hogy kellően megrángassa a tápot, de így nincs túlterhelve az IC?
Szia! Készült pár VF3 erősítő ezen topológia alapján: Bővebben: Link
Nincs ezzel semmi gond.
Ha a linkre kattintok, ez ugrik fel. Nálam van valami hiba?
Nálam hibátlan, teszek azért másik linket: Bővebben: Link
Keves Fórumtársak!
Valakinek akad e tapasztalata a következő linken talalható kapcsolással? http://diyaudioprojects.com/Solid/12AU7-IRF510-LM317-Headamp/ A következő lenne a kérdésem: Fejhallgató erősítő használata mellett alkalmas lenne e előerősítőként is mondjuk tda 7293 hoz? A másik, hogy egyáltalan működhet e a masina, milyen lehet a hangja?
Sziasztok!!
Fulhappgato erosito kapcsolasi rajza erdekelne az alabbi kovetelmenyeknek megfeleloen: -Tudjak rajta dogos mejhangot beallitani -Legyen nagy teljesitmenye -Legyen jo hangminosegileg, tiszta hangu legyen Ha valaki tud ilyen vagy ehhez hasonlo kapcsolasi rajzot kuldeni, azt megkerem, hogy ossza meg velem is. Elore is koszonom
Milyen fejhallgatóhoz akarod? (hány Ohm-os?)
Pl. egy jól megcsinált Canamp-nak (5532-vel) "dögös" mélye van, ha olyat akarsz.
Itt vannak a technikai adatai:
Errol a fulhallgatorol van szo Frequency Response: 15 - 21,000 Hz Impedance: 32 O at 1kHz Input Power: 200 mW Drivers: 40 mm, with neodymium magnets Connector: 3.5 mm headphone jack Inner Ear Cup Diameter: 50 mm / 1.97” Cable Length: 1.3 m / 4.27 ft + 2 m / 6.56 ft extension cable Approximate Weight: 207 g / 0.46 lbs Ami hang ami a gepbol kijon nem eleg mely.
Értem... tehát az ízlésed kívánja a több mélyet.
Más cuccon is mélyszegény a füles? Ha a "loudnes"-es hangzást szereted, akkor lehet hogy más trükköt is be kell vetni, EQ-t például... Ha mindenképpen építeni akarsz egy erősítőt, akkor csinálj Canamp-ot, vagy ESP-t, NE5532 ícével.
Mas eszkozzel altalaba melyebb mint gepen.
Egy ehhez hasonlo kapcsolasra gondoltam, hogy epitsek, csak BD vegfokkal. Esetleg egy jobb kapcsolast ha tudsz ajanlani??
Alaplapi hangkartya, ilyen alaplapom van jelenleg, amit vissza kell kuldjek javitani, es ha nem tudjak megjavitani, akkor majd mas lesz.
Am nekem ez jobban tetszik a ketto kozul.
Az egy jó hangú erősítő, én is sokáig használtam. Ezek az alaplapi hangcuccok elég gyengék.
Nekem is Gigabyte lapom van (870A-UD3), de nem szeretem hallgatni, inkább FCA-202 vel hajtok egy csöves füles erősítőt.
NYAK terved van hozza??
Szerintem már nincs meg...
Kérdezd meg Reloop-ot, ő is csinált ilyet valamikor, talán neki van.
Szia! Ez van róla.
Es ennel az erositonel melyik ellenalassal es milyen erteku potmetert kell parhuzamosan kossek ahoz, hogy tudjam allitani a melyhang erosseget??
Kedves Bassmester!
A csöves fejhallgató erpsitődről érdeklődök. Valahol található e itt a fórumon róla bővebben leírás? Vagy megosztanád e velünk a masina titkát? Üdvözlettel MM
Ajajjj... nem egészen így működik a dolog.
Amit Te akarsz, ahhoz hangszínszabályzó kell, ami egy külön áramkör.
Arra gondoltam, hogy evel is meglehet oldani. Ha epitek egy hangszinszabalyzot, az nem rontja majd a hangminoseget?
Ez megfelelne a celra?
A hangszínszabályzó "színez" tehát rontja a hangminőséget.
Zenehallgatáshoz szerintem nem kell hangszínszabályzó, nem vagyok híve az ilyesminek. Úgy vélem, hogy az igényes zenehallgatást is "tanulni" kell és ez a hangrontó eszközök száműzésével kezdődik.
Ertem, akkor nem kell ilyesmi.
Kedves Bassmester!
Vetnél az alábbi kapcsolásra egy pillantast? Vajon minden jól áll e a lapon? Szerinted hangminőségben mit tud produkálni?
A müködését szerintem nem zárja ki semmi. Össze kell drótozni és kipróbálni. ECC 82-vel csináld.
Köszönöm a választ!
Igen ECC82 vel akarom, mert az van itthon igaz használt de vagy 7-8 darab, egy csak működik közülük. Ha meg beválik akkor lehet befektetek egy új csőbe. Amint időm engedi nekifogok a kivitelezésnek és beszámolok mit alkottam, rossz esetben egyszer használatos füstgépet! Aki szemezne a .lay kész tervvel az csak saját felelősségre mert még nincs kipróbálva, a nyák tervet amatőr kezek készitették ezért ellenőrizni kell.
A terv az még akár lehet jo is de a FET -et illetve az LM317-et hűteni kell ezt ne feledd!
Bővebben: Link A hozzászólás módosítva: Jún 22, 2013
Szia! Amit linkeltél azt Te építetted? Ha igen akkor mi a véleményed a hangjáról?
Igen én kreáltam anno , itt találsz a web albumomban több kis füles erősítőt is , nézegesd őket és ha van kérdés szólj !
Ennek a kis füles erősítőnek szép hangzása van , hozzá teszem rendes fejhallgatóval és min legyen 50 ohm környéke az impedancia.
Köszi. Az Ágoston -féle SRPP-t kipróbáltad már? Érdemes vele foglalkozni?
|
Bejelentkezés
Hirdetés |












