Fórum témák
» Több friss téma |
Fórum » Tápegység készítése
+5V-hoz nemelég a 470u minimum 100µF kell, mert 500mA az áram. De nem kellene átmenni az "egyszerű tápegység " topikba, mint ezt szétoffolni? Mert mikor lesz itt szó nyákról?
Idézet: 470 több mint a 100...„nemelég a 470u minimum 100µF kell” de igazad van, ez már nagyon off, menjunk át oda. Ide "költöztem": http://www.hobbielektronika.hu/forum/topic_post_1463161.html?r=0.52...463161 A hozzászólás módosítva: Jún 29, 2013
Sziasztok!
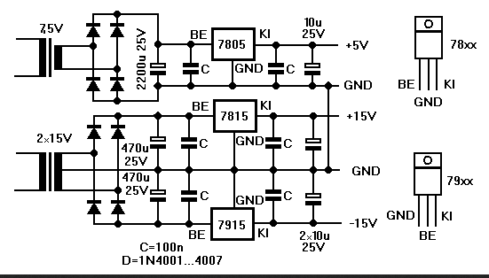
Az alábbi tápegységet szeretném megépíteni. +15V 200mA -15V 200mA +5V 600mA Az alábbi rajz az alap, már csak szét kéne választani mert az 5V-os ágra külön trafót szeretnék, és a lényeg amiért beírtam a kondenzátorok méretét be kéne pontotsítani. Köszönöm a segítséget!
Természetesen 1000µF-ot szerettem volna írni. De általában amperenként 2200µF vagy ennél nagyobb a megfelelő. (trafó feszültségétől és feszültségesésétől is függhet.) Kimenetre meg nem kell akkora kondi, elég egy 10..47µF is. Ott úgy is a stabi szabályoz, szűrni a brummot meg már nem kell..
Még annyi hogy itt van a trafó, mi lehet a lábkiosztása? Sajnos eléggé le van kopva, és mindkét oldalon 4 láb van.
Lábkiosztás?!?
![]() Ahol távolabb vannak a lábak, az a 220-as oldal (de ellenállásmérővel is leellenőrizheted, amelyik oldalon nagyobb az ellenállás, az lesz a 220-as). A 220-as oldalon a két középső lábat összekötöd, a két szélsőre megy a 220. A túlsó oldalon az egymás mellett levő párok alkotnak egy-egy tekercset.
Hello! Ez 2x110V/2x25V. A 15V-os felirat felén van a 15V. De a ráforrasztott vezetékek jól is vannak bekötve, mert a 110V-os részt is sorba kell kötni. Két szélére a 230V-ot, a másik felén meg a 2x15V. Középen a kék a 15V középkivezetése lesz. üdv!
Helló mindenki!
A 7805 -ös adatlapjának a végén található egy kapcsolás, amivel egy 8A es stabil tápegységet lehet megvalósítani. Megépítettem, de nem akar működni. Annyit változtattam rajta, hogy a DB536 -ot BD540 re cseréltem, mert csak ilyen volt a boltban. Lehet ez a gond? A hibajelenség: A kimeneten stabilan van fesz. 1A -nél nagyobb terhelésnél, viszont erősen el kezd melegedni a stab. kocka a tranzisztor viszont nem. Ebből én arra következtetek, hogy a tranzisztor nem nyit ki. Valakinek tudna segíteni? Előre is köszi! A hozzászólás módosítva: Júl 25, 2013
Hello! Jó a következtetés. Nem cserélted fel, a tranyó bázis-emitterét? (Egyébként a tranyó csak 5A-es..) A "B" a béta. üdv!
A hozzászólás módosítva: Júl 25, 2013
A tranzisztor erősítése (béta).
Az az igazság, hogy ha a 7805-re nem teszel egy combos hűtőbordát, akkor kellően nagy feszültségkülönbség esetén már akár 100-200mA-tól igen durván tud melegedni. Szóval az, hogy melegszik, nem hordoz információt. Ha pl. a berajzolt 3ohmmal építed meg a kapcsolást, akkor csak az ellenállás miatt minimum 200-250mA fog átmenni a 7805-ön, mire a tranzisztor kinyit. Ennyi pont elég a 7805-nek, hogy igencsak megizzadjon. Szerintem a hűtőborda nem spórolható le.
Azt elfelejtettem leírni, hogy pár másodperc alatt meg is szűnik a fesz. Mint, amikor csak önmagában van rákötve egy 1,5A nél nagyobb fogyasztóra.
Ha nincs hűtőborda rajta, akkor ez azért van, mert túlmelegszik, és lekapcsolja magát.
Ha jól számolok 32 ohmos ellenállás kellene.
17 voltos trafó --> egyenirányító híd --> puffer kondenzátor --> Vbe = 17 * gyök2 = 24V B = 20 Ireg = 1A Iq1 = 5A 24/(1-5/20) = 32ohm Jó ez így?
Nagyon nem érted a dolgokat...
VBE = a tranzisztor adatlapján megadott bázis-emitter nyitófeszültség. VBE néven fogod megtalálni. Az Ireg a kimenő áramnak az a része, ami átmegy a stabilizátoron, nyilván a maradék megy a tranzisztoron át. Ezt valamilyen szinten az ellenállással te választhatod meg. Egyébként ilyen hatalmas feszültségkülönbségnél (20-24V be, 5V ki = ~15-20V különbözet) hatalmas hőtermelésre kell számítanod mindenképpen, 5A-nál konkrétan 75-100 Wattról beszélünk, amit még a combosabb tranzisztorod sem fog tudni elfüstölni, szóval ez az egész koncepció valahol működésképtelen így. A hozzászólás módosítva: Júl 25, 2013
Hello! Ott van a rajzon, mi az I-reg. A stabi árama. Ez a tranyó bázisáramából, és az R1 áramának összegéből áll össze. Ha a tranyó kollektoráramát elosztod a bétával, megkapod a szükséges bázisáramot. Ezért van a képletben, hogy az I-reg-ből ki kell vonni a bázisáramot, akkor megkapod az R1-en átfolyó áramot. Az R1 ellenálláson eső feszültség a tranyót nyitó bázis-emitter feszültség lesz. R1=UR1/IR1=VbeQ1/IR1=VbeQ1/(Ireg-IbeQ1)=VbeQ1/(Ireg-(IQ1/béta))
Nyilván az Ireg nem lehet több, mint amit a stabi maximum tud, de annál kicsit kevesebbnek kell lenni. Nyilván kicsire sem érdemes választani, mert a bázisáramnál nagyobbnak kel lenni, valamint értelmetlen, ha a stabi nem vinne a max 1..1,5A mellett semmi kimenőáramot.. üdv! A hozzászólás módosítva: Júl 25, 2013
Akkor rosszul értelmeztem. Azt hittem BE = bemenő feszültség. Akkor 1.25 V Az Ireg pedig legyen 0.5A és akkor elvan hűtőborda nélkül is a stab. kocka.
Akkor 1,25 / (0,5 - (5/20)) = 5 ohm. Idézet: „és akkor elvan hűtőborda nélkül is a stab. kocka.” Nincs! P = U*I. Nálad az U a stab. kockán 15-20V, * 0.5A = ~7-10W. 10 Watthoz már komoly hűtőborda kell! De a tranzisztorra még ennél is sokkal komolyabb fog kelleni, mert oda meg még ennél is több fog kerülni.
Akkor teszek rá. Az 5 ohm az most akkor helyes eredmény?
Az 5 ohm valószínűleg jó lesz oda.
Viszont amit lentebb írtam, az továbbra is áll (csak esetleg nem jutott el a tudatodig): ekkora feszültségkülönbségnél az 5..8A-t sehogyse fogja tudni az áramkör egy darab tranzisztorral.
2 maximum 3 Amperre lenne szükségem. Esetleg nincs egy komolyabb kapcsolásod?
Ha nincs egy oda passzolóbb trafód (amiből egyenirányítás után 8..10..12V jön ki), akkor inkább ebbe az irányba mennék el: Bővebben: Link
Ja, és 2-3A-re az ebay-en/vaterán/apróban is találsz LM2596-tal felépített kapcsolóüzemű DC-DC konvertert, ha nem akarsz építgetni: Bővebben: Link A hozzászólás módosítva: Júl 25, 2013
Csak megjegyezném... Itt van egy korrekt megoldás a 3 Amperre, de mivel minden egyes Voltot amivel többel táplálod el kell diszcipálnia a tokoknak - jelentős hatásfok romlásod lesz és fűteni fog mint a bolond, tehát hűtened is kell. Érdemesebb egy DC-DC konvertert használni - némelyik azok közül sem bonyolultabb és jóval kevésbé melegszik. Íme egy a sok közül..... Egy tény: nagyobb "zajt" csapnak, mint egy áteresztős táp.
Azt szeretném kérdezni,hogy ha szretnék SMD-ledekből világítást csinálni(hálózatról),akkor milyen diódahíd és előtét ellenállás szükséges.
(sorban,35db,hálózatról) SMD led adatlap Válaszokat előre is köszönöm!
Nem kezpenz amit irok!
Az adatlaprol azt vettem le, hogy 3.5V-on 20mA a fogyasztasa 1darabnak. 35x3.5V=122.5V # 240V-122.5V=117.5V # 117.5V / 20mA=5,8k a szabvany 5.6k, amivel 21mA korul lesz az aramfelvetel. Diodahidat nem tennek bele.
Ezt nézegesd: Bővebben: Link
|
Bejelentkezés
Hirdetés |









Nem tudom mi az a B. 




