Fórum témák
» Több friss téma |
Szia,
A következőket vettem észre: - Az oszcillátorról elvileg 5-8Vp-p közötti jelnek kellene lejönni. Ebből a 100k -> 1k osztó után elő kellene állítani a 30mVp-p jelet. Ha ilyen kicsi a jeled, amit írsz, akkor félő, hogy az oszcillátor éppen csakhogy berezeg, és lehet, hogy az amplitudó nem lesz stabil. A műszered a hőmérséklet hatására folyamatosan "el fog mászni". - A Deprez műszereddel köss sorba egy ellenállást, vagy inkább egy trimmer potit (mondjuk legyen 5k). Amíg nem tudjuk, milyen a műszered érzékenysége, addig csak próbálgatni lehet, konkrét értéket nem tudok mondani. - Az, hogy melegszik / elszáll a tranzisztor, ha rövidrezárod a műszer ezen két pontját, nem csoda, hiszen olyankor kb. 500mWp-p disszipálódik a tranzisztoron. Ennek a tranzisztornak a maximális disszipációja 350mW @Ta=25C fok. Ráadásul ilyenkor 50mA folyik rajta (a maximális áram (elvileg) 100mA lehet.) - a LED valószínűleg azért halványodik el, mert nem tud a tápegység 50mA-t szolgáltani. Leesik a tápfeszültség, nem lesz meg az IC2 bemenetén a szükséges 8,8-9V. Szkóppal kellene ellenőrizni. A 470µF kondi növelése, vagy a tápfeszültség emelése feltehetőleg ezen a problémán segítene. Próbáld megkeresni azt, aki tervezte, hátha tud hasznosabb tanácsokat adni.
Szia!, köszönöm a válaszod meg fontolom amiket le írtál, és ki is próbálom majd holnap. Ha csak nem működne a műszerem akkor fel veszem a kapcsolás tervezőjével a kapcsolatot!. ÜDV
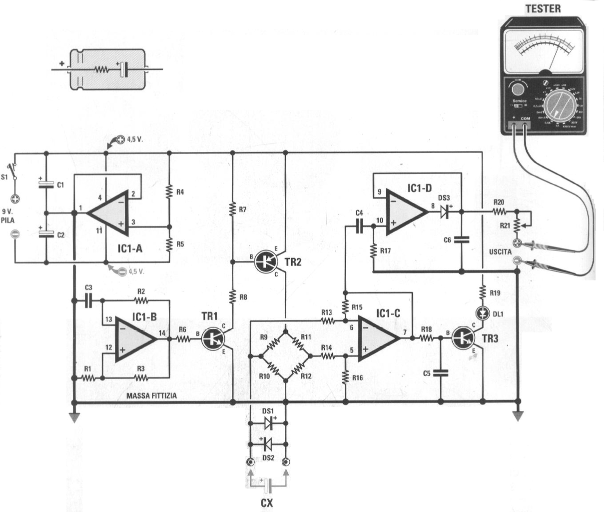
Sziasztok, a kérdésem az volna hogy ehhez a rajzhoz használhatok a TL084-es icé helyet LM 324-est?,most jelenleg csak ez van itthon, és ezért kérdem?.
Valaki egy kis segítséget tud nekem adni. Köszönöm!.
A lábkiosztása ugyanaz, elvileg mennie kell azzal is, de majd kiderül ha összerakod.
Hello, veszélyes, mert a 084 bemeneti árama jóval kisebb, lehet, hogy ezt a tervezés során figyelembe vették.
Ez elsőre rendben indult és megy.Már csak a hitelesítés lenne hátra..
Sziasztok, na össze raktam, és ki próbáltam a kis műszert, és sajnos nem működik!, ha össze érintem a mérő csúcsokat, akkor a mutató fel ugrik a 20-as skáláig aztán vissza is esik azonnal, a zárlatot mutató led meg világit. Ez a rajz és panel terv után építettem meg a kis műszert!. Fel teszem még az oszcilloszkóppal mért jeleket is a 68K-ellenállás élőt és után, és az 1-es láb közt mértem, tehát a test. Valamint a mérő csúcsoknál mért jelet is, de ott már nagyon torz a jel. Lehet ha le cserélném TL084-esre az LM324-est akkor nem volna ilyen nagy torzítás a mérő csúcsoknál és a 68K ellenállás élőt és után?. A 275-os képnél a műszer mérő csucsainál mértem ezt a jelet!.
A hozzászólás módosítva: Jún 26, 2013
És itt van még két kép a kis panelról is.
Teljesen mindegy mit ír az ember, el sem olvasod. Leírtam már többször hogy ez a rajz így nem jó, azért alakítottam át (lásd a kettővel ezelőtti hozzászólásod). Az biztos hogy működik, mert évek óta használom. Nem tudom hogy ezt a szinuszt hol mérted, mert az IC négyszögjelet csinál. Nem tökéletes négyszöget, hanem trapéz szerűt. De a rajzra rá is írtam, hogy hol mekkora amplitúdónak kell lenni.
A hozzászólás módosítva: Jún 27, 2013
Szia, akkor át alakítom az általad át alakított rajzot, de a zárlatot jelző elektronikája az bent maradhat, vagy nem?. Amúgy le írtam hogy a jeleket a 64K-ellenállás élőt és után mértem, és a mérő csúcsoknál!, amúgy a legutolsó képIMG275-os a mérő csúcsoknál mértem. Gondolom ennél a kapcsolásnál is a mérő csúcsoknál szép szinusz jelet kellene hogy mérjek 30mV amplitúdóval igaz?.
A hozzászólás módosítva: Jún 27, 2013
Sziasztok!, na csak leltem ihol egy TL084-es iccét, nem is tudtam hogy van csak keresni kellet!. Ge Lee fórumtárs-nak a rajza szerint építettem most meg a kis műszert és így működik is -ELMÉLETILEG- azért mondom hogy elméletileg mert a mérő csúcsoknál nem tudok egyszerűen jelet mérni!, de a 14-es lábon meg van a képen látható jel alak, most nem tudom hogy ez így jó volna vagy nem?. A kimeneten miért nincs semmi jel alak?, ha viszont össze érintem a mérő csúcsokat akkor a mutató ki tér teljesen a nullára, a 3K3 trimerrel, nálam 4,1K lehet állítani a műszer érzékenységét. A képen a 14-es láb és a test közt volt a mérés!. Egy kis segítség még jól jönne. Köszönöm!.
A hozzászólás módosítva: Jún 28, 2013
Üdv!
Ha a 14-es lábon mérsz, akkor a kimenetem is kell lennie feszültségnek! Viszont itt csak kb 30mV(0,03 Volt!!). Az 560 Ohm és a 4,7Ohm kb a 120-ad részére osztja le a 3,8 V-ot!!
Arról ugye nem feledkeztél meg hogy a test a táp közepe, tehát a 9V-os elem feszültségéből az egyik OPA +/-4,5V-ot csinál, ennek a közepe lesz a föld. Ehhez képest kell a 14-es lábon 100kHz-es, kb. 4V-os (csúcstól csúcsig) négyszögjelnek lenni. Nem tudok most képet csinálni róla mert nem vagyok otthon.
Egyébként ha 100uA-es a műszered és a rajzomon látható értékeket kapod (tehát egy 3,3 ohmos ellenállásra kb. középállás, a 15-20 ohmosra pedig kis elmozdulás) akkor nagy baj nem lehet. Kalibrálás után meg kell rajzolni a skálát és kész. Ha nagy kapacitású (több ezer vagy tízezer uF) elkókat nem nagyon akarsz méricskélni vele (erre elég ritkán van szükség), akkor lehet rontani a felbontáson, arányaiban nagyobb ellenállásokat téve a hídba. Ekkor nem 20 hanem mondjuk 30-40 ohm-ot is lehet mérni vele, cserébe az 1 ohm alatti rész rövidebb lesz, tehát nehezebb lesz leolvasni mondjuk 0,1 ohm eltérést. Az enyémre jó nagy műszer lett rátéve, erről még a 0,05 ohm is leolvasható az 1 ohm alatti tartományban.
Szevasz, tudom hogy az egyik OPA a 9V-os elemből csinál +-4.5V-ot!, és ahhoz képest mértem is 96KHz-et, de nem oszcilloszkóppal, hanem egy freki mérővel, viszont már a freki mérővel a mérő csúcsoknál nem tudom meg mérni ugyan ezt a frekvenciát!. Akkor valami nálam csak nem stimmelhet, mert nekem nem négyszögjel jön le a test és a 14-lábon hanem fűrész jel, hol lehet akkor a probléma?.
A hozzászólás módosítva: Jún 28, 2013
A frekimérő valószínű nincs annyira érzékeny, hogy ekkora szintű jelet is mérjen. Hogy miért úgy néz ki azt nem tudom.
Nem tudod nekem le mérni a te műszeredet egy oszcilloszkóppal, és le fényképezni a 14-es lábon és a merőcsúcsoknál a jeleket, nagyon sokat segítenél vele, hogy akkor úgy csináljam meg én is az enyémet hogy olyan jelek jöjjenek le az én műszeremnél is mint amilyen kell hogy legyen pontosan!.
De le tudom fotózni, csak hetek óta nem voltam otthon. Majd talán a jövő héten valamikor...
Oké! akkor várom a fotókat a jel alakokról.
Itt van újra a rajzom, meg a működő példányon mért jelek. A felhasznált műszer 100uA végkitérésű (+/- valamennyi).
Szia!, nagyon szépen köszönöm a képeket!. Igyekszem majd el érni hogy az én műszerem is ilyen jeleket produkáljon ki magából!.
Sziasztok!
Végre sikerült véglegesre megépítenem a harmadik ESR mérőt. Az első, elektrorudi eredeti tervei alapján készült, de tönkre tettem ( ha a hülyeség fájna ...). A második em fórumtárs átdolgozott változata volt, amit egy próbapanelen dobtam össze és azóta doboz nélkül nyersen használtam. Ez azért nem igen emelte a kényelmi szintet. Úgyhogy erőt vettem magamon és csináltam egy véglegeset. A dobozolás sajnálatos módon nekem mindig egy probléma. Ezért aztán egy sajátos megoldás született. Egy kisebb fém lemez, színes plexi darab és pár távtartó. Ilyen lett: 1. Az "alaplap" 2. Már összerakva. 3. Itt már "dolgozik". 4. A nyák bottom oldal. 5. És ezzel mérünk. Ezennel szeretnék köszönetet mondani elektrorudi és em fórumtársaknak a kitűnő munkájukért. A hozzászólás módosítva: Aug 6, 2013
Én viszont ma megcsináltam, LAY –os nyákod LM 324 IC-t tettem bele. Azonnal működött valamit elnézhettél.
Találtam a nyákodban egy hibát, az IC 6 lábához vezető sáv szakadt. Ha még nem dobtad ki ellenőrizd lehet hogy csak annyi hibája van.
Szia! Már bele fáradtam ebbe az ESR mérő rajzokba egy se működöt nekem tokéletesen!, három darabot is meg építettem!, lehet hogy nálam volt a hiba, de már meg vetem az LCM 3 mérő műszerhez az alkatrészeket és azt fogom meg építeni, hátha nagyobb sikerrel fogok vele járni.
A skálázással nekem is gond volt, úgy hogy kivettem belőle a 3db tranzisztort és a hozzá kapcsolódó ellenállásokat és a ledet, úgy már lehetett skálázni. A 0.33 R a műszeren 2-3 mm-es kitérést jelentett, .a tranzisztoros változat észre sem vette ha egy 0.33 R-hez hozzá csatoltam még egy ugyanolyat.
Ja és az lcm 3 -at jóval nehezebb mégépíteni, én is gondolkodtam sokáig rajta, aztán vettem egy komolyabb Maxvell müszert féláron a Vaterán ami helyettesíti.
Az sajnos nem helyettesíti. Ha mérsz majd vele a uH-s tartományban (mondjuk néhány uH-t) akkor majd rájössz (tudom mert nekem is van).
Sziasztok!
Ilyesmi ESR mérővel nincs valakinek tapasztalata? Az érdekelne főképp, hogy használható-e áramkörben levő kondenzátor kimérésére? Bővebben: Link Ez pl nem használható, legalábbis azt írják róla, csak kiforrasztott kondenzátort lehet mérni vele: Bővebben: Link
A leírásban nem írja, tehát nem lehet tudni. Ha nem létkérdés a digitális kijelzés, akkor csináld meg azt az analógot amit régebben feltettem ide. Kell bele egy bontott alapműszer, egy 100Ft-os IC, meg néhány passzív alkatrész. Nekem (és még 1-2 embernek) bevált.
|
Bejelentkezés
Hirdetés |























