Fórum témák
» Több friss téma |
WinAVR / GCC alapszabályok: 1. Ha ISR-ben használsz globális változót, az legyen "volatile" 2. Soha ne érjen véget a main() függvény 3. UART/USART hibák 99,9% a rossz órajel miatt van 4. Kerüld el a -O0 optimalizációs beállítást minden áron 5. Ha nem jó a _delay időzítése, akkor túllépted a 65ms-et, vagy rossz az optimalizációs beállítás 6. Ha a PORTC-n nem működik valami, kapcsold ki a JTAG-et Bővebben: AVR-libc FAQ
Köszi, most már sikerült megoldanom, csak néha akadozik-recseg, főként a magas frekvenciánál, de az gondolom, hogy nem a program hibája. Most csak arra lennék kíváncsi, hogy az én megoldásom miért nem működött?
Idézet: „én megoldásom miért nem működött?” Elmondtuk. Módosítottad alacsonyabb értékre az OCR-t, hogy a TCNT már túlhaladott rajta. Ezért nem esett be a compare esemény, nem váltott a port állapotot.
Persze hogy elmondtátok. Én tudom, hogy miért nem működöt, értem is. Csak arra a kódrészletre lettem volna kíváncsi amit én megoldásnak gondoltam, de nem volt jó:
A hozzászólás módosítva: Júl 15, 2013
Sziasztok!
Próbálkoztam egy avr programozó építésével, soros portra amit egy korábbi hozzászólásomban is írtam (sajnos nem érkezett rá válasz), de sehogy sem sikerült működésre bírni. Aztán találtam ezt és érdekelne mi a véleményetek róla, esetleg rendelt-e már valaki hasonlót, hasonló árban és melyiket? Valamint kérdés, hogy ez kompatibilis-e az avr stúdióval s ha nem akkor mivel?
Szia!
Gyanúsan olcsó ez a szerkezet. Már két példányban is megépítettem az alábbi kapcsolást és működött. Igaz elsőre nehezen indult, ugyanis az egyik forrasztási pont nem zárt folyamatosan. Amikor "kicsipogtattam" jónak bizonyult, de amint rádugtam a gépre elengedett. Bővebben: Link
Kuka, 3 körös varázslat...
Minden ami emulált USBvel megy... Az ASP meg különösképpen.... A legbiztosabb: MKII (AT90USB162 / ATMega16U2 chipre) vagy STK500 (nem AVRDoper!) Az AVR-égetők fórumban van is pár rajz/hozzászólás kb. 1 hónappal ezelőtt ezt a témát körbejárva... A hozzászólás módosítva: Júl 15, 2013
Szia!
Az én soros égetőm egy ehhez nagyon hasonló és ahogy itt is írtam fel is programozza z avr-t csak az nem csinál semmit. A legjobb az lenne ha erre valaki találna megoldást, lehet hogy a kódban van a hiba vagy mulasztottam valamilyen beállítást. Nagyon kezdő vagyok avr témában szóval legyen az akármilyen alap dolog s nem biztos hogy megcsináltam ha nem írtam le az előző hozzászólásba.
Szia!
Rendben hiszek neked akkor ezt hanyagolom. Az MKII-t nem ismerem de SMD-vel még nem próbálkoztam, majd egy kicsit később... Az STK500-nál meg jobb lenne valami olcsóbb szerkezet mivel amit én láttam az 5000 körül van. Még egy olyan kérdésem lenne, hogy mivel új vagyok a fórumon, jobb az ha egyesével válaszolok a válaszokra vagy inkább egy hozzászólásba tegyem?
STK500:
USB illesztő vagy sorosport (usbsoros átalakító) + atmega8 + sallangok.... anyagár kb. 2500-3000Ft... Vagy LPT port (régi PC) : inyen. Superlowcost programmer MKII sima pillanatpákával és ónszívó harisnyával forrasztható....
Sziasztok!
Nem tudom, hogy miért, de nem tudok programozni az AVR Studio 4-el. Két évvel ez előtt pedig tudtam. A Win AVR-el bezzeg tökéletesen tudok most is. Azért lenne szükségem az AVR Studio 4-re mert a fuse biteket szeretném állítgatni. De amikor lefordítom a programot, ezt a hibaüzenetet kapom az értesítési sávban: avr-objcopy: 'avrproba.elf': No such file.És mindent ugyan úgy csináltam mint 2 évvel ez előtt.
Nincs esetleg ékezetes karakter az elérési útban?
Mit kell értenem az elérési út alatt? A mappát, ahol a fájl található? Mert ott nincs.
Igen, de nem csak a mappát, hanem a teljes utat a meghajtótól kezdve. Nekem ugyanis akkor jön ez a hiba, ha van valahol ékezet (bár én a 6-os verziót használom).
AVR Studio 4.18-ban volt utoljára WinAVR support... Ha frissebb verziód van, akkor kézzel kell beállítani az avr-gcc.exe-t és a make.exe-t (ez a project options-ben).
Valószínűleg ez lehet a hiba, mert 4.19-es változat van rajta. Csak azt nem tudom, hogy miket kell ide betallózni, és mit jelent a a pipa, hogy AVR toolchain?
Mint mondottam, az avr-gcc.exe-t és a make.exe-t a WinAVR könyvtárából.
Az előző problémámat már sikerült megoldanom, viszont egy új merült fel: Amikor rámegyek a fuse bitek-re és bármit babrálok rajtuk, egyből kijön a szokásos órajellel kapcsolatos hibaüzenet. Viszont hogyha hagyom auto read-en és a programozást ellenőrzöm le(a program fülnél a verify gomb) akkor is kijön a hibaüzenet, pedig minden alapbeállításon van. A célom minden esetre a JTAGEN fusebit kikapcsolása lenne.
a, mivel programozol (hardware _pontos_ neve)?
b, oprendszer? A Winavr telepítése _után_ tedd fel a AVR-Studiot, akkor magától mindent beállít...
Sziasztok!
A Hestor-nál vásárolt T-BIRD 2 panelra AVR Studio 4.19-ben írt programot nem tudok feltölteni, a kapcsolódás sikertelen. Mi lehet ennek az oka? Előre is köszönöm a válaszokat! Üdv János
Előző levelemhez csatoltam a tipikus hibaüzenetet, amit az AVR Studio küld.
Üdvözlettel, János
- Kimozdult a JTAG kábel
- Kitiltottad magadat Fuse bit állítással a cél mikrovezérlőből (JTAGEN bit kikapcsolásával) - Nem kap tápot a céláramkör.
Ezeken már túl vagyok, más a probléma. Kábel rendben, Fuse bit is, ugyanazt a program ugyanerre a panelra a suliban simán felmegy.
Azért közsi, János
Esetleg nem abba az USB portba dugtad ahova eredetileg telepítetted a JTAG driverét?
Ezért nem találja?
A programozó neve STK 500, de a win avr STK 500 v2-t jelöl be automatikusan az Mfile-ban.
Az oprendszer windows xp.
Találja, mert a JTAG és a PC között a kapcsolat létrejött. Az üzenet is mondja, hogy adapter megvan, de a céláramkör nem olvasható.
Ilyen esetben a céláramkörrel van a gond, ez nem PC oldali szoftveres, vagy nem JTAG kérdés. A hozzászólás módosítva: Júl 17, 2013
Ja amúgy tökéletesen tudok vele programozni, csak a fuses biteket nem engedi babrálni semmi képen.
LM7805 re kell hűtőborda, ha egy ATTINY2313-at hajt, meg LM324-et?
A hozzászólás módosítva: Júl 19, 2013
Számold ki mekkora teljesítmény esik rajta. 1.5W fölött már érdemes legalább egy
régi egyforintos, vagy egy májkrémes doboz tetejét rárittyenteni. Apropó. LM324-nek nem biztos hogy elég a 0V-5V, de Te tudod...
Konkrétan a kérdésre válaszolva: nem kell! Általános tipp fizikából rosszul teljesítők számára:
nézd meg hogy rendes használat mellett melegszik, ha nem akkor nem kell hűtő. Ennyi!
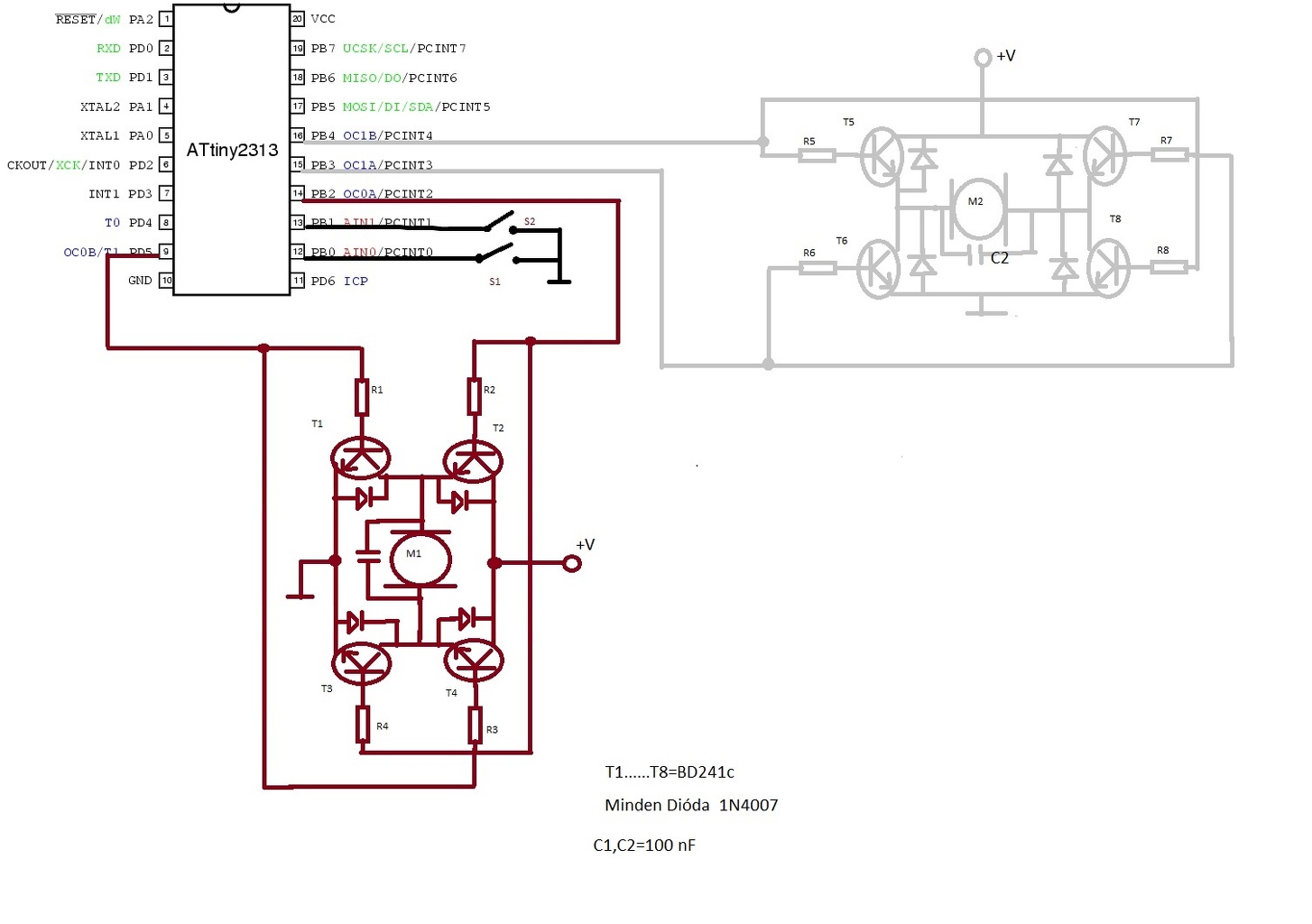
Valaki segítene befejezni a programot az ATTINY2313-nak, PWM jel előállításánál akadtam el.
Nos ezt akartam megépíteni: Bővebben: Link Nincs ilyen motorvezérlő ICm, H -Híddal akarom megoldani, mellékelem a módosítást. Szóval azt szeretném elérni hogy s1-nek deklarált kapcsoló (PB0) csökkentse a motor sebességét, s2 pedig (PB1) növelje, azt hogy előre, hátra stb vezérelje a H-hidat azt a sensortol-függően csinálja. |
Bejelentkezés
Hirdetés |




Az MKII-t nem ismerem de SMD-vel még nem próbálkoztam, majd egy kicsit később... Az STK500-nál meg jobb lenne valami olcsóbb szerkezet mivel amit én láttam az 5000 körül van. Még egy olyan kérdésem lenne, hogy mivel új vagyok a fórumon, jobb az ha egyesével válaszolok a válaszokra vagy inkább egy hozzászólásba tegyem?
Két évvel ez előtt pedig tudtam. A Win AVR-el bezzeg tökéletesen tudok most is. Azért lenne szükségem az AVR Studio 4-re mert a fuse biteket szeretném állítgatni. De amikor lefordítom a programot, ezt a hibaüzenetet kapom az értesítési sávban: avr-objcopy: 'avrproba.elf': No such file.





