Fórum témák
» Több friss téma |
Fórum » JLT-02 analóg forrasztóállomás
csá
semmit ne csinálj, mert úgy gyári. a kondi fel van töltve az ellenálláson keresztül tápfeszre (asszem 10K s ellenállás van ott).. csá öhh ha a kondit kisütöd és 5 percen belül megint tápfesz jelenik meg a kimeneten akkor van baj..
jajj elítam egy 10^3 onanl
tehát 2,3sec alatt a kimeneten tápfesz mérető.. 10K és 47µF ..
Hello!
Elírtam a "Nah!" val kezdődő hozzászólásoban a volt értéket,nem 15v hanem 7v körül van!! Szóval nem nagyon értem Gulyi88 hozzászólását akkor most ne csináljak semmit vele,jo ugy ahogy van vagy mi van most??? Ha tud valaki akkor kérem szépen segítsen rajtam!!!
Csá!
Köszi a segítségedet! Akkor ha most veszek egy hozzávaló pákát,összerkom,bekötözgetem akkor működnie kéne ugy ahogyvan az átalakítással együtt? Mégegyszer köszi a segítséget!!!
Helló!!!
Azt szeretném kérdezni hogy ha esetleg jó lesz a forrasztóállomás amit csináltam,akkor nem tudnám valahogy kiegészíteni egy hőfokkijelzővel???? Köszi a választ!!!
meg lehet oldani!
csak vegyél már pákát könyörgöm!
Csá!!!
Holnap jön a páka amit rendeltem ugyhogy lesz már az is!! ![]() És ha esetleg me tudnád mondani hogy hogy tudnám megoldani vagy mit kell vennem hozzá???? Kösz hogy elviselitek azt az amatőr lényemet és a kérdeseimet!!!!
Heló!(Már megint ÉN)
Na megjött a páka amit rendeltem,megvettem hazahoztam,összeraktam,bekapcsoltam,feltekertem a potit félig aztán vártam!! A páka melegedett szépen,csak a led nem akart elaludni! Nem tudom hogy mennyi idő alatt melegszik fel a páka??? És hogy ha felmelegszik azt hogy jelzi a led elalszik?? vagy villog?? Na de utána kikapcsoltam,betettem az előkészített dobozba,és összekötözgettem mindent,majd újra ráadtam a feszültséget és a piros led felvillant és már nem is világít???!!! Szerintetek mi lehet a baja??? És még az is zavar hogy a páka hőelemének sorkapcsán van egy 7v-os egyenfeszültség ha tudtok segítsetek ebben is!!! Ja és még azt szeretném megtudni hogy esetleg a moc3062-őt itthon ki tudom-e próbálni valahogy???? Köszi a segítséget előre is!!
nah akkor mikor is van 7V a hőelem csatin?
(ha a páka rajtavan, akkor tuti nem lehet) ha a páka eléri a beállított hőmésékletet, akkor kikapcsol esik a hő--> a hőelem fesze is--> visszakapcsol.. tehát szakaszosan fűt a lednek villognia kell valamilyen ütemben..
te figy árammérő 10A eres ellásba mérjél már rá egy illanatra arra ,a 7 voltra (páka nélkül a hőelen csatira, ha nem akad ki a műszar, akkor mérd meg pontosan.. ).
kivi vok, h mégis mennyi áram bír folyni (normális esetben kb 1,2mA folyna..)
Nah szia!!
A hőelem sorkapcsán úgy mértem,amikor be volt kapcsolva és nem volt rádugva a páka!!!! Akkor mértem rajta 7v-ot! Ok tehárt tegyem a műszert 10A-eres állásba és mérjek rá a sorkapocsra??? És azt elfelejtettem írni hogy amikor tettem be a dobozba kikapcsolt állapotba hozzáért a 7808 a doboz falához és szikrázott egyet, attól lehet valami baja a 7808-nak vagy az lm324-nek vagy a moc3062-nek???
jaja pont úgy..
lehecccséges hogy a 7808 kinyiffant .. akkor már annak a kimeneén is megmérhetnéd a feszt (középső és szemből nézve a jobb oldali lábán a feszt..) (ha 7808 van benne akkor a hőelemcsatin cirka 800uA (0,8mA) folhyna, én aszittem h 7812 vel megy... )
Na!
Figyu akkor ebben az állásban mérjem???(Kép!!) És a moc-ot nem tudom valahogy megnézni hogy jo-e??? Pl:szakadásvizsgálóval??? egyébként ebben az állásban 0.00 amper volt rajta
A 7808 szerintem jo mert stabil 8v van rajta,meg a kék led is világít!!
A hőelemen meg nincs semmi áram,vagy nullát vagy 0.01-et mutat!! Következő tipped???
ja de elötte lemérted a 7808 at hogy jó e még?
ha az jó és 00.0 át muat, akkor nagy baj nem lehet már..
köv tipp kisebb méréshatárral 200mA eresen mérd meg pontosan (ha mehet még lejjebb, akkor ott..)
érdekel az az áram
meg egy azaz 2 rendesen exponált képet is dobhatnál a cuccról (egyet az alkatrészoldalról egyet meg a forroldalról..)
Megpróbáltam 200mA val meg 20mA val is de mindkettőnél 0.00 és 0.01 között változott!!
Azt mondom hogy a 7808 on 8v stabil van a led meg viládít!!
Ok itt van 2-2 kép remélem jo lesz(próbáltam jót csinálni
)
(átdugtad a műszert? )
hát akkor nem itt lesz a baj! vagy nincs is baja..
Visszadugtam a rendes ellenállásméréshez való helyre!!
Pedig reggel amikor először raktam össze már az ónt is megolvasztotta
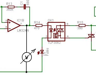
mióta szikrázott azóta nem megy?. páka rá, poti a plafonra, és mérd a test VS komparátor kimeneténa feszt (a optodiak anódja).. pill megkeresem Masterfox rajzát... aztán úgy képbe leszek XD
KKOR A TEST LEGYEN A HŐELEM - KAPCSA A MOC-NAK MEG AZ 1-ES LÁBA???
ha a páka rajta, a poti a plafonon és nem viláágít a D1 ,akkor az optodiaknak heló van (íves javítás következik..)
(de páka nélkül is kéne világítania!)
Akkor a fűtés lednek vílágítani kell???
És ha nem vílágít akkor csak a csere segít???
Nah megmértem 6v van rajta a led vílágít de most valamiért kiment a bizti ami rajta volt ez miért van????
Itt van egy kép még!!(a kiegészítést bekarikáztam!!)
ja valószinűleg igen (vagy a leg vagy a moc. vagy mindkettő szar)
csatolt cucc... na ot mérj egy feszt páka nálkül, poti plafonon..
hát akkor enenk nem sok baja van!
kicsi volt a bizti, más nem lehet mer reggel még ment.. vagy gyorskiégésű és esetleg pont a sin csúcsértékénél kapcsolt be a triak |
Bejelentkezés
Hirdetés |

















