Fórum témák
» Több friss téma |
Nagy valószínűséggel már nem aktuális a válaszom, de azért másoknak hasznos infó lehet!
Én innen rendeltem ezt az IGBT: http://www.aliexpress.com/item/H20R1202-IGBT-NEW-Original-from-Infi...0.html
Miele km 494 indukciós az E 29 hibakódot dobja mi lehet a baja ? Hogyan lehet resetelni a vezérlőjét ? Az újabb tipusok resetje nem segít .
Nekem egyszer egy IC2009-ben az egyenirányító és az IGBT is tönkrement. A 16A-es egyenirányító helyett 25A-est tettem és ugyanolyan IGBT-t, és azóta is működik.
A javításért cserébe kaptam egy Clatronic EKI 3092-es indukciós főzőt, ami tavaly még jól működött, de hosszabb szünet után elővettem és korlátozottan fűt. Legfeljebb 300W-ot vesz fel amikor fűt, és különböző ideig ki-be kapcsolgat és közben az E6 hibakódot mutatja, ami túl magas hálózati feszültséget jelent. A tasztatúra minden gombja működik. Most ott tartok, hogy minden elkót kicseréltem a vezérlő panelen, de maradt a hiba. Egy levest forrásban tud tartani órákig, erre jó.
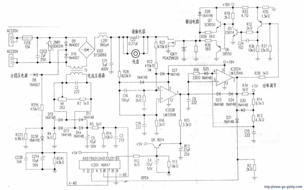
Volt egy ilyen hibám, bár másképp nevezték a motyót... Abban egy sima 339-es komparátor volt hőfokoknak és - általam ismeretlen okból - az egyik szekció a hálózati feszt kapta leosztva. Lejjebb húztam az osztót és kész.
A hozzászólás módosítva: Jún 20, 2013
Megkaptam a hivatalos Miele szervítől a hibakód leírásást de vagy a fordítom nem jó vagy én nem értem kérem ha valaki járatos benne nézzen rá erre és értelmezze nekem !
Nach dem Einschalten des Kochfelds blinkt e29 in der Anzeige der Kochzonen von hinten nach vorn gelesen. Die Anzeige erlischt nach 10 Sekunden. Das Kochfeld kann nicht in Betrieb genommen werden. Ursache Kochzonen werden den Sensorfeldern falsch zugeordnet
Néhány írásjel hiányozhat...
Idézet: „Nach dem Einschalten des Kochfelds blinkt e29 in der Anzeige” A főzőlap bekapcsolása után E29 villog a kijelzőn. Idézet: „der Kochzonen von hinten nach vorn gelesen.” A főző(melegítő) zónákat hátulról előre olvassuk (értelmezzük). Idézet: „Die Anzeige erlischt nach 10 Sekunden.” A kijelző 10 másodperc múltán törlődik. Idézet: „Ursache” Ok(a): Idézet: „Kochzonen werden den Sensorfeldern falsch zugeordnet” A főzőzónák a szenzormezőkkel hibásan sorolva (talán inkább összerendelve, párosítva). Már ha létezik ilyen... Nem ismerem ezt a készüléket, de ha jól értelmezem a szöveget, ez a hiba magától nem következhetett be
Köszönöm!
A lapot hibásan vettem pár csavar hiányzott belőle de nem tűnik úgy hogy össze lenne kevergetve bármi is . Ja Svájcban vásároltam! Átnéztem az alkatrészek jók működnie kellene de a vezérlés tiltja. Semmi ráfolyt leves vagy akármi patika az egész belseje! Még a szenzor panelt átnézem hátha okosabb leszek .
Sziasztok! Gondolkodom egy indukciós főzőn, de valóban annyira jó a hatásfoka, mint ahogy mondják? A tekercs hálózati 50Hz-en megy, vagy nagyfrekvencián? Az IGBT-n nincs nagy veszteség? Ha nagyfrekvenciás, akkor menet közben nem okoz rádiófrekvenciás zavarokat? Ezen kívül érdekel az élettartama is, mert ahogy látom, döglenek rendesen.
Valóban jó a hatásfoka... Gondolj bele: ha gázon melegíted a lábasban a vizet, mennyi hő keletkezik az edény körül, ami kárbavész, nem azt melegíti. Villany platnival már sokkal jobb a helyzet, de az edény alja és a lap között - még ha teljesen síkok is - nem tökéletes a hőközlés.
Az indukciósnál a tekercs nagyfrekvenciával táplálva a fölé helyezett ferromágneses anyagban ébreszti a hőt, tehát maga az edény melegszik, az alatta lévő kerámialap nem. (persze vesz át meleget az edénytől) Az IGBT vesztesége elhanyagolható, nagyfrekvenciás zavarokat a beépített szűrők hivatottak elnyomni - persze valamennyit nyilván kisugároz, de nem rádiófrekvencián. Élettartam - elvileg - korlátlan lenne, de - mint minden teljesítmény elektronika - meghibásodhat. Márkás cucc éppúgy, mint a gagyi. De láttam már étterem konyhán a millós profi 6-os lap helyett 6db gagyi 1-es lapot használni napi 10 órában. A tulaj 10db-ot vett, 3év múlva kettő még a raktárban volt...
Sziasztok, a korábbi leírások alapján sikeresen javítottam a Hauser IC2009 főzőlapunkat. Nekem is E1 hibakód jelent meg, nem érzékelte az edényt. Én csak az IGBT-t cseréltem benne, itt vettem egy helyettesítő darabot:
http://www.hqelektronika.hu/product.php?pid=101000000004689796
Kerámialapos hagyományos főzőlaphoz hasonlítottam az indukcióst, ugyanazzal a lábossal vizet forraltam. Nekem csak 10% körüli hatásfok előny jött ki az indukciós javára, úgyhogy nem olyan nagy előny, ha figyelembe vesszük, hogy az indukcióson meg kell tanulni, hogyan adagolja a meleget, mindezt lábosonként külön. Egyébként nem olyan nagy frekvenciával van kapcsolgatva a munkatekercs, nagy teljesítménynél 29kHz, kicsinél 32kHz a Clatronic EKI 3092-nél. Ennek a javításával ott tartok, hogy valamitől eltűnt az E6 hibaüzenet és csak az a baja, hogy kis teljesítménnyel fűt, az 1600W-os lábost csak 700W-tal, az 1300W-ost csak 300W-al. Kivettem és mértem a teljesítményágban lévő kondikat, 2db 3,3µF szűrő, 1db 5µF puffer, 1db 0,3µF rezonátor. Az E6 hibaüzenet magas hálózati feszültségre utalt, de megvolt akkor is amikor toroiddal tápláltam 200V- ról (most meg nincs).
Szerintem 10%-nál jóval nagyobb a különbség. Ugyanazt az edényt ugyanannyi vízzel felrakom indukciósra, kb. harmad annyi idő alatt felforr, a katalógus szerint a teljesítménye mindkettőnek ugyanaz. De ez teljesen jogos, hiszen a kerámialap úgy néz ki, hogy van egy kerámia korong, amibe bele van préselve a fűtőszál - ez melegszik. Innen a melegnek át kell mennie kb. 1 cm levegőn (a levegő hőszigetelő anyag), a kerámialapon (az üveg közepesen vezeti a hőt), majd az edényen, és így jut el az ételhez. A meleg egy része persze a kerámialapon keresztül, a főzőlap belseje felé távozik (ami még hűtve is van), másik része meg a levegőbe, ott, ahol nincs edény a melegítős rész felett.
Ezzel szemben az indukciósnál ez edény aljában keletkezik a hő- ez szinte közvetlenül melegíti az ételt. Innen persze "szivárog" vissza a meleg az üveglapon és légrésen vissza a főzőlapba, de lényegesen kevesebb, mint a fűtőszálas esetén (az üveglap és légrés indukciós esetén az edényből elszökő hő ellen dolgozik, míg kerámia laposnál pont a melegítés ellen). Ezen kívül a kerámialap az egész felületet melegíti, míg az indukciós csak azt, ahol az edény van. Kisebb edényeknél ez óriási különbségek forrása lehet. A fentiek miatt a legjobb hatásfoka egyébként azoknak a berendezéseknek van, ahol a fűtőszál "integrálva" van az edény aljába (vízforralók, grillek, spec. sűtőtálak (HotPlan)) - csak ezek általában egy-egy célra használhatóak.
Halihó!
Lassan öt éve használunk egy akkor újonnan beépített Fagor (4x) főzőlapot. Az a jelenség, hogy az egyik főzőlap nem kapcsol ki, folyamatosan a maximumon van, függetlenül attól, hogy a kijelzőn éppen mi áll. (Felizzik, kisvártatva kihuny, majd újra felizzik) Mit lehet ezzel kezdeni? Korábban egyszer volt vele valami hasonló gond. Kiderült, hogy a 230V dugalj vizet kapott, mert pont a mosogató szárító része alá szerelték be. Akkor az oldotta meg a problémát, hogy beiktattam egy hosszabbítót.
Szerintem sem indukciós, hanem üvegkerámia. Mi a pontos típusa?
Ha felizzik, majd kihuny, akkor hogy mehet maximumon? A főzőlapokon (de igazából a legtöbb elektromos fűtőberendezésen) a teljesítményszabályozást úgynevezett "állásos" szabályozással oldják meg, ami azt jelenti, bizonyos ideig megy a fűtés, utána bizonyos ideig nem. Pl. ha 10 másodpercből 1 másodpercig megy a fűtés, 9-ig pedig nem, akkor ott kb. 7-ed akkora teljesítménnyel megy a főzőlap, mint amikor 7 másodpercig megy, utána 3-ig nem. A maximális teljesítmény ebben az esetben azt, amikor 10 másodpercig megy, 0-ig meg nem, azaz folyamatosan megy. De ahogy írod, nálad nem ez történik.
Az összes ilyen főzőlapban van egy elektronika, ami a fokozatnak megfelelően az adott zónára kapcsolja a villanyt. De minden főzőzóna rendelkezik saját vész klixonnal is. Amit Ő tapasztal, hogy ki-be kapcsol, az azért van, mert az elektronika adja neki a szuflát folyamatosan, de a klixon ki-be kapcsolja, hogy ne hevüljön túl, ne repedjen meg az üveg. A főzőlap baja 99% egy beéget relé, vagy az azt meghajtó ULQ2003.
Kedves Jerico!csak a kissebb lapon cserélted a kondikat?
segítség pls
![]() art-land bt-180 indukciós lapom ( eddig működött...) bemiondta az unalmast, kb 4-5 perc melegítés után E-01 üzenettel leáll. Ahogy én gondolom, a hűtőventillátor állt le. Nagy segítség lenne, ha valaki megmondaná, vagy papiking@freemail.hu-ra priviben elküldené hol lehet ilyen ventillátort venni, vagy a lapot javíttatni... előre is köszi, szép meleg napokat mindenkinek Papi
Sziasztok!
Engem egy indukciós főzőlap építése érdekelne. Létezik egyszerű, jól bevált rajz? A lap kályhaüvegből lenne, alulról hőálló festékkel festve. Nem kell hiperszuper intelligens gondolkodó készülék, a lényeg hogy szabályozható legyen, és kb. 1,5-2kW-os teljesítményt adjon. A nagyfrekvenciát előállíthatnánk 555-tel is. Az IGBT lenne az egyetlen drága alkatrész. A tekercset elkészíteném rézhuzalból, gondolom nem kell nagy menetszám. Az előlapon egy KI/BE kapcsoló, és egy hőfokszabályozó lenne, semmi több. Megoldható, egyszerűen vagy mindenképp szükséges valamilyen automatika, mely érzékeli az edényt, stb.
10 ezerért kapható készen. Te most fejlesztgetsz egyet fél milláért?
Nem fejleszteni akarok, csak egy kész rajz alapján megépíteni, feltéve ha van ilyen, és nem bonyolult.
Akkor inkább maradok az erősítők építésénél.
A főzés amúgy se az én feladatom.
Rajzot még csakcsak találsz ehhez, viszont a munkatekercs elkészítése nem is olyan egyszerű.
A hozzászólás módosítva: Aug 7, 2013
Itt egy rajz meg egy tekercs.
A rajz nem tűnik vészesnek, feltéve ha ennyi az egész és beszerezhetőek az IGBT-k.(kadarist linkjére gondolok) A teljesítményszabályozás fokozatmentesnek néz ki. A zavarszűrést kicsit kiegészíteném. A munkatekercs menetszáma nem nagy, ezért egy vastagabb üvegszálas NYÁK lapból kivágott korongon hoznám létre vasalásos technikával a számítógéppel elkészített spirált. Maratás után alaposan átónozom az egészet.
A hozzászólás módosítva: Aug 8, 2013
Van egy fórumtopik tekercskészítési tippekkel. Érdemes szilikonszigetelésű vezetéket használni a tekercshez. Ezek persze kísérleti tekercsek, tehát nem lehet eleve működőképes konstrukcióknak tekinteni őket.
A NYÁK-lapra készített ónozott "tekercs" miért nem jó? A szilikonszigetelés se rossz ötlet.
Egyébként felmerült egy kérdés. Mi történik akkor, ha valaki egy bekapcsolt főzőlapra ráteszi a kezét? Elvileg a sós vízben (esetünkben a vér) könnyedén létrejöhet örvényáram, ami komoly áramütéshez vezethet. |
Bejelentkezés
Hirdetés |








