Fórum témák

» Több friss téma
Fórum » Labortápegység készítése
Egyéb népszerű labortáp témák:
- SMPS labortáp
- Labortáp javítása
Lapozás: OK   503 / 851
(#) szili83 válasza riddler17 hozzászólására (») Aug 30, 2013 /
 
Mennyi volt kedvezményesen?
Ezek azt tudják ami rá van írva.
(#) Alkotó válasza riddler17 hozzászólására (») Aug 30, 2013 /
 
Az értékek alapján benne van a sönt és a feszültségosztó.
(#) ktamas66 hozzászólása Aug 30, 2013 /
 
Privátban kapott kérésnek eleget téve teszek fel néhány képet a megépült SMPS II-ről, a feltett kérdésekre válaszolva.
Az eredeti utasítást követve építettem, pár apró módosítással.
Az előlapot sima papírra nyomtattam a megadott matrica alapján (amiről letöröltem a gombok helyeit jelölő köröket, mert az enyémek nem akkorák és nem pontosan oda sikerültek. Az előlap előtt látható fóliára nyomott gyászkeret az LCD kivágásának hiányosságait hivatott elfedni, amit kétoldalas celluxszal rögzítettem, mint a papírlapot, mielőtt rákerült a védőfólia (a másik képen levő tápnál előre nyomtatott keretet használtam, de az sem elsőre sikerült ilyenre ).
Hűtésre egy procihűtőt raktam fel, és a hátlapot is átalakítottam az én csatlakozóimhoz.
A szögletes nyílásokat én lombfűrésszel szoktam kivágni.
A panelmérő kétoldalas ragasztóval van felrakva, elég stabil így is, és így nem kell kettős előlap.
A trafón az a sárga a segédtáp, amit én tekertem fel a gyári trafóra (kb. 30 menet), mivel ez egy szabványos 2x24V/5A-es trafó.
(#) Kovidivi válasza Alkotó hozzászólására (») Aug 30, 2013 /
 
Szia. Ez rossz hír, viszont fontos tudni!
(#) riddler17 válasza szili83 hozzászólására (») Aug 30, 2013 /
 
Ampermérő: 1400 Ft, Feszültségmérő: 1700 Ft.
(#) kazdothu válasza riddler17 hozzászólására (») Aug 30, 2013 /
 
Ezen értékek alapján az áram mérőben szinte biztos, hogy benne van a sönt (az alap műszer kb. 100uA körül mér, ahhoz viszont nagyon alacsony a 0.5 Ω, ami szerintem kevesebb, mivel nem hiszem, hogy 3A esetén 1.5V esne rajta). A feszültség mérő estén nem tudom, nekem picit nagynak tűnik az 1mA, próbáld ki egy digitális multiméterrel és ismert feszültséggel, valamint egy előtét ellenállással (mondjuk 5 V 100 kΩ esetén mérd meg).
(#) proli007 válasza kazdothu hozzászólására (») Aug 30, 2013 /
 
Hello! Az ilyen "egyszerű lelkületű műszereknél", nem szoktak 100uA-es alapműszert használni. Sokkal hihető az 1mA-es alapműszer, mechanikailag stabilabb, csillapítani is jobban lehet. A 0,5ohm-ot meg akár el is mérhette. Mert kis ellenállás mérése esetén, a helyes módszer, az ismert áram melletti feszültségmérés a műszer kapcsain.. üdv!
(#) szili83 válasza riddler17 hozzászólására (») Aug 30, 2013 /
 
soso...
Akkor kb mint egy új, én olyan 1200-ért vettem analógot (5A, 3A)
most digitális voltmétert ~800Ft-ért (0-100V), és árammérőt (0-10A) 1300Ft-ért rendeltem. De Feszmérőből 3-30V-os csak ~500Ft.
(#) adapter hozzászólása Aug 31, 2013 /
 
Kedves Fórumtársak!

Kb. 3 órája túrom ezt a topicot, de vagy nem találtam, megfelelőt vagy elsiklottam felette -ez könnnyen lehetséges.
Tápegység rajzot keresek éppen a következő szempontok figyelembe vételével:
-0(?)-24V állítható fesz.
-Áramkorlát nem szükségszerű, de ha van az se baj.
-Rövidzár védelem már inkább kéne.
-12V-on tudjon 12A-t. (Ez tipikus felhasználási érték lenne, mivel szeleptömböket kellene vizsgálgatnom időnként ahol tipikusan 5db 27W-os szelep dolgozik plusz a vezérlő elektronika)

Tud valaki segíteni?
(Jaa, a gugli a barátom volt, találtam is, de az itt lévőkben jobban bízom, esetleg kipróbált kapcsolás jobb lenne, most sok időm nem lesz kísérletezgetni egy ismeretlen rajzzal, sajnos)
Üdv:L
A hozzászólás módosítva: Szept 1, 2013
(#) szines válasza adapter hozzászólására (») Szept 1, 2013 /
 
Szerintem ezzel ennek el kellene bírni a plusz 2 ampert.
A hozzászólás módosítva: Szept 1, 2013
(#) fongab válasza adapter hozzászólására (») Szept 1, 2013 /
 
Szia
Elvileg bármelyik 0-30V os tápegység jó neked, csak a áteresztő tranzisztorok számát kell növelned. Ha 30V nál rövidzárad van, az a tranzisztor előtt kb. 40V és 12A folyik akkor 40x12=480W Pl.: a 2n3055 az 117W os Hogy ne legyen 100% kiterhelve 100W kellene számolni480W ba a 100W az 5 egész tranzisztor. ( itt márt kell egy meghajtó tranzisztor is. )
Természetesen a trafot is nagyobbra kell választani, hogy birja a kb.:32V és a 12....14A.
De nem lehetetlen.
üdv.
A hozzászólás módosítva: Szept 1, 2013
(#) kegyetlen19 hozzászólása Szept 1, 2013 /
 
Sziasztok.
Készülőben van az Alkotó féle, tervezésű tápegységem, de idő hiányában nagyon lassan halad. A tápegységet ki akarom egészíteni /vagy külön dobozolva, hátha ez hamarabb elkészül/ egy 5, 12, 15, 24 Voltos, 2 Amperes Tápegység Ic-kel, és mind duplán / +/- feszültség/. Tehát 8db egymástól független szekunder lenne a trafón.
Jó volna azért az Áramerőséget mérni valahogy a +/- ágakban 1-1 panelműszerrel egy forgótárcsás kapcsolóval meg lehetne a feszültségek között „lépkedni”.
Kérdésem, ha a tápegység Ic-k után berakok egy-egy sönt ellenállást /amit felhasználnék az áram mérésére/, az ezen eső feszültséggel kevesebb lesz a végső kimeneti feszültségem, ezt a feszültségesést hogyan lehetne kompenzálni valahogy? Vagy valami más megoldás?
(#) fongab válasza kegyetlen19 hozzászólására (») Szept 1, 2013 /
 
Szia
A feszültség figyelés előtt tedd be a söntöt. Igy nem lesz gond.
Esetleg a konkrét link?
üdv.
(#) kegyetlen19 válasza fongab hozzászólására (») Szept 1, 2013 /
 
Nincs még kész kapcsolás, de egy sima TO220 tokozású 2A-es tápegység Ic-ket használnék, Ic előtt-után egy-egy puffer és szűrő kondi.
De ha az Ic elé teszem a söntöt, belemérem a kapcsolásba az Ic saját fogyasztását is.
Az Ic fogyasztása a terhelésre ingadozik vajon?
Ui.: ez eldisszipált feszültség-áram is még ott van.
A hozzászólás módosítva: Szept 1, 2013
(#) kegyetlen19 válasza kegyetlen19 hozzászólására (») Szept 1, 2013 /
 
Van olyan áram mérő kapcsolás ami megelégszik pár millivoltos feszültség figyeléssel? / 20mV = 2A /
(#) pinyó39 válasza kegyetlen19 hozzászólására (») Szept 1, 2013 /
 
A sönttől függ főleg hogyan méred, a mai 3,5-ös műszerekkel ez nem gond.
(#) Kovidivi válasza fongab hozzászólására (») Szept 1, 2013 /
 
Szia!
Egy félvezető minél melegebb, annál kevesebb hőt tud eldisszipálni. Csatoltam egy 2N3055 adatlapját. Látható, hogy 75fokos hőmérsékletnél már csak 82W-ot tud leadni. Szerintem a maghőmérsékletét mutatja a grafikon, így mikor a borda még csak 65fokos, a mag simán lehet 85fokos is. Ha csak 40W-ot bízunk rá, nagyon kicsi az esélye a hőmegfutásnak. Ha 100W-ot bízol rá, akkor a maghőmérsékletet 45fok alatt kell tartani, a tehát a bordát még alacsonyabb hőmérsékleten. Peltier elemmel esetleg lehetséges.

2n3055.jpg
    
(#) fongab válasza kegyetlen19 hozzászólására (») Szept 1, 2013 /
 
Szia
azért kértem a konkrét linket hogy melyiket csinálod akkor túdnám mondani hogy én hogy alakitanám ki. Minden esetre, a IC illetve ha pozítiv ágba akarod a söntöt, akkor a tranzisztorok után, de a fesz figyelés, előtt. Mondjük a negativ ágba jóbb a sönt. Akkor csak egy váltó érinkező kell a fesz/áram méréshez. Pozitiv ágba két váltó érinkező kell. De ez mindenki dötse el hogy milyen kialakitást akar. Mert pl.: a tranzisztor közösítő ellenelást lehet használni söntnek is, akkor előnyösseb a pozitív oldalon mérni.
üdv.
(#) fongab válasza Kovidivi hozzászólására (») Szept 1, 2013 /
 
Szia
Igazad van. Csak én azt gondolom, hogy nem áram generátoros üzembe, használja a tápot. De akkor nem 100W ra, hanem 60W ra kell méretezni, a tranzisztort, esetleg a hűtőbordára egy ventilátort 50foknál bekapcsolni.
üdv.
(#) kegyetlen19 válasza fongab hozzászólására (») Szept 1, 2013 /
 
Akkor nem értettél meg, sima tápegység Ic-ket akarok használni.
/Se több, se kevesebb./
De ha minimális alkatrésszel kiegészítve jó lehet, az is érdekel.
A hozzászólás módosítva: Szept 1, 2013
(#) fongab válasza kegyetlen19 hozzászólására (») Szept 1, 2013 /
 
Szia
Akkor elviseled hogy lesz egy 20.....50uA töblet fogyasztásod, ebben az esetbe a IC előtt mérsz.
Vagy kisseb lesz a kijővő feszültség, itt az IC után mérsz. Ha egyik se felel meg, akkor a IC test felé menő lábára teszel egy müveleti erősítőt ekkor kisebb feszültségú IC kell választani. A 7812 helyett a 7805....7808IC és a müveletí erősítőt alá kell tenni. Vagy másikat választani Pl.: LM338 A adatlapján 5oldal Figure2 variációnál ott van a Rs ellenállás.
Igen elértettük egymást. Bocsi.
üdv.
A hozzászólás módosítva: Szept 1, 2013
(#) fongab válasza kegyetlen19 hozzászólására (») Szept 1, 2013 /
 
A L7812cv IC nél a 29oldalon ( Figure 11 ) rajznál ott van a műveleti erősítős megoldás .
Esetleg, nézd meg.
üdv.
(#) kegyetlen19 válasza fongab hozzászólására (») Szept 1, 2013 /
 
Az xxx feszültségszabályzós Ic-ket nem használnék, most inkább az egyszerűség és az olcsóság a motívum, meg hogy egyszerre több feszültséget is tudjak használni.
Ha az Ic elé rakom a söntöt, az Ic-n eldisszipált pár voltos plusz feszültség a mérést nem befolyásolja?
(#) kegyetlen19 válasza fongab hozzászólására (») Szept 1, 2013 / 1
 
29 oldalon ( Figure 11 )
Ha a Ic kimenete és a potméter közzé, /amit ellenállással helyettesíthetek/ tehát a Plusz ágba rakom a söntöt az úgy működő képes lehet?
(#) fongab válasza kegyetlen19 hozzászólására (») Szept 1, 2013 /
 
Szia
Igen, de akkor a fesz méréshez, a átkapcsolónak, két körösnek kell lennie.
Inkább a testhez rakd, a potméter elé, és a test jel közé. Mert akkor a potméternél lévő vezeték jó a műszerfelé menő negativnak, (itt a fesz áram mérés egy kábel ) a áram mérő sönt előtti vezetékre kapcsoló, és azzal tudod kapcsolni, a feszültség áram mérést. Amit a +kimenetre kell kötni. ( fesz mérés )
üdv.
A hozzászólás módosítva: Szept 1, 2013
(#) kegyetlen19 válasza fongab hozzászólására (») Szept 1, 2013 /
 
Köszi a tanácsokat, leállok tesztelgetni és majd kisül valami.
Mivel a 79xx-sorozatba nem kapni 2A-est így a 78xx-est duplázom, ezért a GND-ket nem lehet összefogni, tehát marad a pozitív ág. A feszültséget meg nem kell mérni mert az fix lesz.
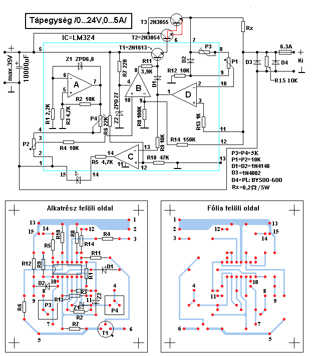
(#) adapter válasza fongab hozzászólására (») Szept 1, 2013 /
 
Hello,

Pl. erre gondoltál? (van itt mondjuk más is...)
Bővebben: Link
Itt lehetne 3055-kel bővíteni... Bár lehet hogy 0,22Ohmok kellenének még..
Bár Rx-et is módosítani kellene stb. Üdv: L
A hozzászólás módosítva: Szept 1, 2013
(#) szili83 válasza kegyetlen19 hozzászólására (») Szept 1, 2013 /
 
2A-eset nem kapni, de 2 Tr-el meg lehet növelni akár még többre is.
(#) fongab válasza adapter hozzászólására (») Szept 2, 2013 /
 
Szia
Igen hasonlóra. De ahogy te is irtad, az emiter ellenállás kell.
Az más kérdés hogy mindent a 12....14A nak megfelelően kell kialakitani. A dioda hid +szürő kondenzátor, a csatlakozók, a kábelek, a Rx, stb. stb.
üdv.
(#) Attila86 válasza ktamas66 hozzászólására (») Szept 2, 2013 /
 
Kár hogy magáról az áramkörről nincs kép. Illetve, az utolsó kép az biztos hogy ide tartozik? Szerintem az egy másik tápegység lesz.
Az előlapon meghagytad az "50V, 10A" feliratot pedig a trafó adataiból amiket írtál, a táp nem fog tudni 50V-ot és 10A-t.
Egyébként jól néz ki.
Következő: »»   503 / 851
Bejelentkezés

Belépés

Hirdetés
XDT.hu
Az oldalon sütiket használunk a helyes működéshez. Bővebb információt az adatvédelmi szabályzatban olvashatsz. Megértettem