Fórum témák
» Több friss téma |
Itt volt egy válasz, de eltűnt. Ugye nem én tüntettem el?
A műveleti erősítők használatánál azért vannak korlátozó tényezők.Az egyik az offset feszültség beállítása (ha szükséges). Az offset hiba állandó értéken tartásához az is szükséges, hogy a bemeneti differencia erősítő mindkét bemenete azonos generátor impedanciát lásson. A bemeneti feszültségnek is vannak korlátai. A működési tartomány nem minden esetben terjed ki a teljes tápfeszültség tartományra, léteznek rail to rail erősítők, ahol a kimeneti feszültség megközelítheti a tápfeszültségek értékeit. A bemenetre nézve tekintettel az erősítési tényezőre, már nem áll, hogy a bementet tápfeszre kötöd, akkor minden rendben van. Akkor már rég kikerült az erősítő a lineáris tartományból. Ha az erősítendő jel egyik értéke + 12 V, akkor az erősítő tápfeszültségének nagyobbnak kell lennie, és ha 0 V akkor az erősítő tápfeszültségének ennék kisebbnek kell lennie, közönséges műveleti erősítő esetén.
Komparátor esetén más a helyzet, ott a közbenső értékekre semmilyen linearitási tényező nem teljesül, nincs is rá szükség. Ott csak az a fontos, hogy a műveleti erősítő nem tudjon kiakadni, reteszelődni, ha a kimenete tápfeszültségre kerül. Kifejezetten komparátoroknál ez az eset nem fordul elő.
Én írtam egy választ, de mivel a 741 nem egytápfeszültséges típus, ezért töröltem a hozzászólásom. Az offszet-nullázást kellene megoldani.
Lehet használni a 741 -et is egy tápfeszültségről. De a munkapont beállításáról gondoskodni kell. PL. a + (neminvertáló) bemenetet féltápra (vagy bármely a két tápfesz közti értékre) be kell állítani. és akkor ez lesz a virtuális nulla pont.
Azonban el kell gondolkodni, hogy a szintek milyen feszültség értékek között lesznek. A kimeneti szinteknek nem szabad, hogy megközelítsék a tápfesz értékeket. Megzavart ez a kivonó áramkör história. Persze ilyen is van, de ezesetben invertáló erősítőről van szó.
Én tudom, hogy lehet, de a kérdezőnél sejtésem szerint nincs féltápfeszre húzva a neminvertáló bemenet.
Bocs, tudom, hogy tudod, de nem akartam bonyolítani a hozzászólást.
Remélem az is olvassa, akinek szólt. zsugabubus: Neki nem is biztos, hogy féltápra kéne húzni, hiszen az invertáló bemenet + 12 V tápfesztől lefelé 2 V -ot (12 és 10 V közötti tartományt. kellene átfordítani a kimenetre 0 és +4 V tartományba. Csakhogy a bemenetre nem lehet +12 V tápfeszültséget adni, 12 Vcc tápfeszültségnél. Pontosabban lehet, de akkor pont azt tapasztalhatja. A hozzászólás módosítva: Aug 5, 2013
Szia!
Idézet: „Van egy ellenállásom, aminek az egyik vége a plusz tápon van (kb 13,5 V)...” Az STM adatlapján a Fig.10. -en látható, hogy a + bemenet feszültsége meg is haladhatja a +táp feszültségét (jelen esetben a 13.5V -ot), de a - bemeneté el sem érheti (kb 10..11 V -ig mehet csak), ha a lineáris üzemben szeretnénk használni. Ide csak "rail to rail" bemeneti specifikációval rendelkező műveleni erősítő lesz jó. Vannak speciálisan erre a feladatra tervezett áramkörök: INA210-214, ZDS1009... Mekkora a pontossági igény? Ha nem kell nagy pontosság, a ZDS1009 összerakható 4db tranzisztorból, 2 db dual tranzisztorból... A hozzászólás módosítva: Aug 5, 2013
Hello! Az alaphiba onnan indul, hogy a 358 kimenete a negatív táphoz terhelhető, de a pozitívhoz képest kevésbé. Hogy ezt egyből nem látod? De látni fogod, ha megnézed, hogy a visszacsatoló ágon keresztül áram folyik, amit az IC kimenetének kellene lehúzni nullára. Ez nem igazán megy neki. De én inkább egy másik kapcsolást ajánlok. Itt az IC egy TL071, melynek kimenetét fel "lehet engedni" a tápfeszre. Ezzel egy áramtükör valósítható meg. Hogy milyen eredménnyel, ahhoz leszimuláltam ha az 1ohm-on (mert nem írtad az áramot és a Shunt értékét) csak 1mA folyik a 2A helyett. üdv!
Nagyon köszi mindenkinek a gyors válaszokat! Szuper kedves fórum vagytok
)Próbálkoztam azzal is, hogy a fél tápfeszre rakom a kivonó áramkör U1 és U2 bemeneti pontjait (0 körüli kimenetet remélve), de az LM358-cal nem ment így sem. Biztos az van, amit írtok, hogy a kimenet sem lehet túl közel a nullához. Azaz, ha jól értem, nekem olyan műv.e. kell, ami rail-to-rail, de a kimenetben (is). Ráadásul elbír 14 V körüli tápfeszt és bemenetet. Ha jól láttam van ilyen, csak drága és nem biztos, hogy van a sarki boltban. Proli kapcsolása (külön köszi) ezért szimpi, bár egyelőre nem értem Sebaj, holnap megkonzultálom a nálam szakavatottabbakkal.
Igazán nem komplikált.. Ez egy feszültség vezérelt áramgenerátor, amit a Shunt (mert gondolom az lesz) ellenálláson eső feszültség hajt meg. Az IC addig nyitja-zárja aFe-et, míg az R3 ellenálláson ugyan akkora feszültség nem esik, mint R1-en. Az R3-on folyó áram ekkor UR1/R3 lesz. Vagy is végértéken 2V/1k=2mA. A Fet forrásában ugyan akkora áram folyik, mint a Drain-ben. De mivel ott már 2kohm van, azon már 4V esik. A zéner határolja a maximéális feszültséget 5,1V-nál, az R7 meg korlátozza az áramot, ha az egész túl lenne vezérelve. (De végül is az csak túlbiztosítás, elmaradhat.) Az R5 csökkenti s DS kapacitásának visszahatását az OPA-ra, C1 gátolja a terhelést. R6 "hagyja" hogy C1 hasson, R2 pedig kiegyenlíti R6 bemenőáram miatti offset hatását. (De az is elhagyható, mert ez nem egy precíziós áramkör.)
(Egyébiránt N-Fet-el is megoldható, mert a kimeneten csak 0..5V szükséges.) Ennyi az egész. üdv!
Köszi szépen, így már érthetőbb. Meg is építettem, működik is. Mondjuk a TL071 offsetjével kellett kicsit bűvészkedni, hogy megkapjam a kívánt duplázást, de ez is sikerült. Köszi nagyon még egyszer. Csodaszép napot!!!
Sziasztok, egy számomra bonyolult feladat megoldásában kérem a segítségeteket, hátha valakinek lesz egy egyszerűen megvalósítható ötlete.
A kapcsolás lényege, hogy a bemeneti feszültséget - ami jelen esetben 0-5V közötti - egy trigger jel hatására elkezdje lehúzni, de nem azonnal, hanem viszonylag lassan, pl 1V/s ütemben. Amint a trigger jel megszűnik, az éppen aktuális érték kezdjen visszakúszni az bemeneti értékre hasonló sebességgel. Tehát, ha 5V-ból indulunk ki, akkor a trigger jel jelenlétéig folyamatosan csökken, amíg el nem éri a minimumot, majd a trigger megszűnése után emelkedik. Újabb trigger esetén újra csökkenni kezd. Tudom, hogy nem egyszerű, de hátha valakinek lesz ötlete. A kimenet végén terhelés nincs! A lefutás és felfutás idejét illetve az alsó tartományt ha lehetne potival szabályozni, az nagyon-nagyon jó lenne! Előre is köszi! K. A hozzászólás módosítva: Aug 31, 2013
Hello! Amit Te rajzoltál, annak sebessége nem állandó, vagy is nem ehet definiálni az 1V/sec sebességgel. De a trigger sem "trigger" funkciójú, hanem egy kapcsolójel.
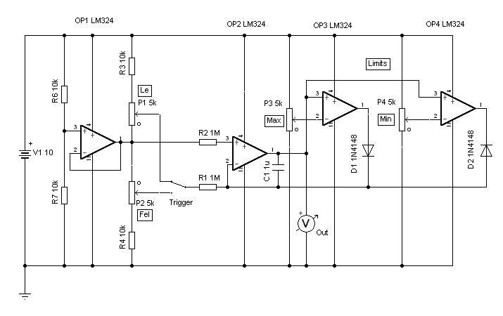
Rajzoltam neked egyet, hátha kiindulásnak jó.. - A jel sebessége állandó vagy is lineáris a futása. - A sebesség Le irányba P1-el, Fel irányba P2-vel állítható be. - Az irány váltását (trigger) pld. egy CD4066 analóg kapcsolóval lehet végezni. (De lehet akár egy relé kontaktusa is.) - A feszültség maximumát P3-al, míg minimumát P4-el lehet beállítani. A jel eddig az értékekig fut, majd állandósul. Mint ahogy a lefutás ábráján is látható. Egyébként felesleges volt új topikot nyitni, megtette volna a műveleti erősítős topik is. Gondolom át is lesz helyezve.. üdv! A hozzászólás módosítva: Aug 31, 2013
Nagyon köszi, kipróbálom, szerintem tökéletes lesz.
Elnézést, ha nem voltam elég körültekintő a nyitással kapcsolatban! Üdv: K.
Sziasztok,
köszi a kapcsolási rajzot, de közben rájöttem, hogy nem teljesen jó! Lehet, hogy nem jól írtam körül, kicsit pontosítok: adott egy alkalmanként változó feszültség, 0-5V között, legyen most példámban 4.7V. Egy jel hatására - de csak akkor - ez a 4.7V beállítható időtartam alatt (max 1.5s elég) csökkenjen le szintén beállítható szintre, aminek minimuma 1.5V. Az aktiváló jel megszűnése esetén szintén beállítható idő alatt - itt is elég max 2sec - térjen vissza az eredeti feszültségértékre, tehát jelen esetben 4.7V-ra. A kapcsolásodban nem tiszta, hogy ez most így működik e, vagy kell módosítani? A segítséget előre is köszi! Üdv: K.
Hello!
Nem így működik, de így működhet, ha a maximumot nem a P3 potiról adod be, hanem oda vezeted a "4,7V-odat". Mert ha átvált, akkor lecsökken a minimum szintre, ha meg visszavált, akkor felemelkedik a bemenet értékéig.. Csak van ellentmondás is a feladatban.. - Mi van, ha a bementi jel, kisebb, mint a beállított minimum? Mert a minimum limiter akkor is határolni fog... - Mi van, ha a bementi jel kisebb mint a beállított minimum, és jön a "trigger"? Akkor menjen fel a minimumra, ami ekkor magasabb? üdv!
szia, köszi ismét a választ, akkor az OP3 2-es lábára tegyem a példában szereplő 4.7V-ot?
Az észrevételeid jogosak, hogy lehetne kiküszöbölni ezt? Megoldható, hogy adott szint alatt a trigger tiltott? Köszönöm!
Igen oda kell kötni.
Elvileg ugye minden megoldható, csak két kritérium van. Első, hogy logikus legyen a kívánság. Ezt minden szempontból át kell gondolni. Második, hogy legyen is értelem ennyit vakaródzni a jellel.. Gondolom, valami motorról van szó. De át kellene már tisztességgel gondolni, mit is szeretnél valójában. Nem ötletelgetni, mert "elfáradok". Én nem tudom kitalálni, számodra mi jó, mi nem, maximum az illogikus dolgokat fedezem fel, vagy a működési változatokat tudom áttekinteni.. Azt is tisztázni kellene, honnan jön a aktiváló jel, az milyen szintű. Stb. Mert így soha nem lesz vége a változatoknak, és tapasztalatom szerint nem is fogod a végén megépíteni, csak két kapura fárasszuk egymást.. üdv!
Szia,elvileg a trigger 1.5V bemeneti jel alatt nem keletkezhetne, de "mi van ha" alapon ha mégis, akkor tényleg illene rendesen lekezelni. Az aktiváló jel két frekvenciát összehasonlítva keletkezik, ha nagy az eltérés, akkor ennek a komparátornak a kimenete lesz a trigger. Mindenképpen kell a kapcsolásod, nem fáradtál feleslegesen, holnap be is szerzem, meg is építem, és hálás is vagyok érte!
Köszönöm!
Ez a frekvencia különbség nagyon kísértetiesen hangzik. Nem lehet hogy valami egész más áramkörre van szükséged? De nekem mindegy. Tegyél a D2 diódával sorba egy 10kohm-os ellenállást. Így ha a maximum és a minimum határolás is benn van, a minimum nem tudja megerőszakolni a maximumot. Vagy is a jel lejjebb tud menni a minimum alá is. Próba cseresznye. De a freki-összehasonlító és a kapcsolójel közé is meg kell oldani az illesztést. üdv!
köszi, holnap kipróbálom, és ha teszi a dolgát, tovább tudok lépni. Írok privátot, amint összeállt!
Nagyon köszi!
Sziasztok! Remélem jó helyre írok.Tudnátok-e abban segíteni,hogy a mellékelt kapcsolási rajzon a műveleti erősítő 13 és 14-es láb között elhelyezkedő 10kohm-os ellenállás,és 100nF-os kondinak mi a szerepe a kapcsolásban?Hogyan befolyásolja a műveleti erősítő működését? Mi történne,ha kivennénk onnan,és szakadás lenne helyette?Ez egy zselés akksitöltő szabályzó elektronikája. Ehhez tartozik még egy kapcsolóüzemű táp.Köszönöm!
Szia.
Szerintem frekvenciafüggő visszacsatolás, és esetleg gerjedésgátlás. Ha kivennéd, valószínűleg nem működne megfelelően a kapcsolás. Miért akarod kivenni?
Sziasztok!
Van egy két jelem, annyi a különbség köztük, hogy a csatolmányban feltöltött fehérrel kijelölt részen változik a jel frekvenciája, és az amplitúdiója is, de ez nem lineárisan, tehát azt nem tudom feldolgozni. A jel többi része állandó. Hogyan lehet az egyik frekvenciát, mint referenciát használni? Tehát ha annál alacsonyabb a másik jel azon része, akkor negatív a komparátor/műveleti erősítő kimenete, ha magasabb a frekvencia, akkor a kimenet is magas? A mérendő jel frekvenciája 20KHz körül van. Ezzel a hozzászólással van kapcsolatban a kérdés. Köszönöm a segítséget!
Frekvencia analízist végezve ezt az eredményt kaptam, ahogy változtattam az egyik jelet. A másik jel fix lenne, és ezt a kettőt kellene valahogy összehasonlítanom.
Szia!
Analóg úton PLL-el vagy FLL-el lehetne megoldani a problémát. Nézz utána fáziszárt hurok és a frekvenciazárt hurok kifejezéseknek. Persze ha nagyon rövid ideig tart a frekvenciaváltozás, akkor nagyon érzékeny áramkörökre van szükség.
Hello! Én úgy gondolom, hogy ez egy értelmetlen erőlködés. Ez nem egy tényleges jel, csak valami zavarjel, amit összeszed a forrás. Mert szerinted hogyan dolgoz fel egy ilyen jelet az, amiben ez benne van.
A feldolgozáshoz időkapu is kellene, azt mivel szinkronizálnád? Meg egyik ferki referenciája a másiknak? Mi ez egy űrhajó? Nem valami mezei hőmérő? Gyanítom, hogy valami proci kapcsolgatja a bementet hol erre, hol arra, amikor meg sehova, összeszedett zagyvaság van a vonalon. De a szkópod (ha az lenne) vagy egy kondi, differenciálja is a jelet, ezért vannak ezek a lefutó tranziensek. Vagy is a jel szerintem nem az aminek nézed. Ez olyan, mint ha a TV melletti rádió kerregéséből szeretnéd a képet visszaállítani. A hangnak is változni fog a jellege a képtartalomtól függően.. üdv!
@Kadarist:
Köszi. Elsőre nem gondoltam, hogy ilyen kaliberű a probléma... @Proli007: Köszi a választ! Közben folyamatosan gondolkodok, és valóban túl van bonyolítva ez az egész. A "szkópom" hangkártyás próbálkozás, gondolom becsatolókondival. Szerettem volna, ha a hőmérő és a vezérlő áramkör tud egymással kommunikálni, de ez nem megoldható ezek szerint. Mennyivel egyszerűbb dolgom lenne, ha csak simán a tápfeszültségre lenne egy 10k és a 10k NTC feszültségosztóként akasztva...
Ha egyszerűen gondolkodol, (máshogy nem is érdemes..) ha állandóan rajta lenne a villany az NTC-n kajálná az elemet. Egy telepes szerkezetnél az nem túl célszerű. Vagy is szinte biztos, hogy a proci csak néha felkapcsolja a villanyt, és megnézi hány óra van. Mivel a termikus változások igen lassúak, nem igazán van szüksége kapkodásra sem. Maximum az átlagolás miatt nézegeti sűrűbben. Még pozitív hozadéka is van a dolognak, hogy a mérőáram nem fűti az érzékelőt. Kivétel, ha relatív hőérzetet mérnének, nem hőmérsékletet. üdv!
|
Bejelentkezés
Hirdetés |






)











