Fórum témák
» Több friss téma |
Szia!
Tényleg nem erőltetni akarom, de szerintem ehhez is jó amit fentebb csatoltam.
Boldivi! Tiéd a pont
Elnézést, de jópár napja nem jártam fenn, ünnepek meg minden, de nagyon tetszik az ötlet és amint írod, már gyakorlatban is bizonyított. Ki is próbálom, csak az a kérdés, hogy mi volt - van a PIC-ben, megvan még vagy ki tudod olvasni a hex-et belőle? Igazán úgy érne valamit... Akkor van értelme a nyomtatott áramkört kibogarászni és beszerezni az MPC602-t Vagy szerinted egy síma műveleti erősítő is megfelel helyette ha nem kell a többi szolgáltatása az MPC602-nek? ez esetben is a PIC programja azért kincset ér!
Gondoltam könnyen megírható a uC programja.
Azért az src-ket fordítsátok le, bár valószínűleg az objektek szinkronban vannak velük.
Az RPM2-t ajánlom, úgy tudom az van az enyémben - illetve már a haveroméban. Az RPM_DIGI egy régi PC házból kitermelhető LED kijelzőt működtet. Az a lényeg, hogy az "a"-"g" kivezetései össze legyenek kötve minden digitnél. Inkább a forrás informatív, mert belőle kiderül, hogy mit működtet és mit melyik lábra kell kötni. PIC16F84 adatlap legyen kéznél. Észrevehető, hogy a forrásban vannak felesleges szubrutinok, ezek egy előző fejlesztésből maradtak benne... Törölhetők. Ha kérdés van és tudok, segítek.Köszönöm a pontot!
Az egyszerűség kedvéért itt van egy komplett kidolgozott fordmérő. Erre rá lehet kötni a fotoellenállásos babrát.
A kijelzés x100 rpm-ben történik. A mű Philip Sun munkája. A TACHO.asm 16F84-hez, a TACHO_16F628.hex pedig 628-as PIC-hez van (ezt én írtam át).
Köszi Boldivi! Így már lehet kezdeni a bogarászást
Üdv!
Adott egy merevlemez lemeze, amelynek a fordulatszámát kell mérni. A lemez kb. 20-22 ezer fordulat/perccel foroghat. Erős motor van rajta, a meghajtó szét van szerelve, tehát a lemez hozzáférhető (nem kell azzal foglalkozni, hogy közben a meghajtó működjön is). A motor sajnos már nem tud 18 ezernél nagyobb fordulatszámot mérni. Arra gondoltam, hogy a lemez egyik felét befesthetném valamilyen fekete színnel, azután valamilyen optikai módszerrel megvilágítanám a lemezt, detektálnám a visszaverődő sugarakat, majd egy számlálóval számolnám a fordulatot. A polírozott fémfelület visszaverné a sugarakat, míg a festett lemezfél elnyelné. Ez így megvalósítható terv, vagy van erre más megoldás is?
Működhet, ha az opto bírja követni. Én inkább attól tartok, hogy a festékréteg miatt kiegyensúlyozatlan lesz, és ez 350 1/s környékén már elég rendes vibrációt okozhat (természetesen ez függ attól is, hol lesznek rezonanciapontok).
Én lehet, hogy inkább karctűvel készítenék a lemezbe néhány átlót, aztán vizes, nagyon finom polírpapírral lesorjáznám. A tömeg így szinte nem változna, és egy reflexiós opto érzékelhetné az árkokat.
Értem. Ez egy jó ötlet. Annyit még tudsz segíteni, hogy EZ a reflexiós opto tudná érzékelni az árkot? Esetleg egy kis irányt mutatni milyen meghajtás kell ennek az alkatrésznek? Persze, tudom, a gúgli segít.
Néha kihagy az agyam, vagy nem tudom, miért írok ekkora baromságokat...
Szóval, karc helyett megteszi pl. lakkfilccel húzott csík is, de előfordulhat, hogy a vinyó lemezére csak előzetes polírozást követően lehet rajzolni (az alkoholos filc sem fog rá rendesen). Ennek az optónak nem szaturált módban (ilyenkor a leggyorsabbak) 60 us kell a jel fel- és lefutásához összesen. Maradva a 350 1/s fordulatszámnál, ez azt jelenti, hogy kb. 8°-os körcikkekben válthatják egymást a tükröző - elnyelő felületek, azaz sem a karc, sem egy egyszerű vonal nem elég ahhoz, hogy határozottan állapotot váltson a szenzor. Lehet, hogy a végén mégiscsak festés lesz belőle...
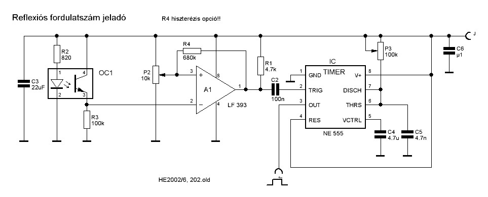
Hello, én ezzel a kapcsolással csináltam, igaz, nem ekkora fordulatszámra. A nagy fordulaszámhoz a P3-mal rövid impulzusokat kell beállítani. Ha nem lehet, akkor vedd le az impulzusokat a C2-ről. SZerintem is az alkoholos, vagy a lakkfilc lehet a megoldás, de a tárcsára szektor alakban, 180 fokban felvíve, a szenzor érzékelési szélességének megfelelően, a középponthoz közel. Ott nem lesz nagy hatása a kiegyensúlyozottságra.
Sziasztok.4 szegmenses fordulatszám mérőt mennyiből lehetne kihozni? 220-as villanymotor fordulatát szeretném vele mérni,pontosabban egy tengely fordulatát.Köszönöm válaszaitokat.
Nézd meg a villanymotor adattábláját és megtudod a fordulatszámát , és egy kérdést csak egy témába tegyél fel !
*
Idézem magam "pontosabban egy tengely fordulatát" Arra nem gondoltál hogy az a tengely amit mérni szeretnék az változó fordulatszámú?? Rendben megértettem,egy kérdést csak egy témába teszek fel,nem tudom miért baj ha 3 topik is foglalkozik a fordulatszám méréssel és felteszem a kérdést mind háromban. Nem birja a szervere ennek az oldalnak a pár bájtos,megabájtos kérdésemet? Köszönöm válaszod,tisztelettel:Barta László. Nem kolléga nem a szerver nem bírja, hanem a SZABÁLYZAT! Az pedig terád is vonatkozik! A nem kívánt rész törölve! A hozzászólás módosítva: Szept 16, 2013
A legtöbb 230V os motor fix fordulatszámra van tekercselve ,ezért "mertem " azt írni hogy....
Egy tengely fordulatszámát optikai úton megmérheted, egy CNY70 reflexiós optokapuval, mint érzékelővel, és egy utána kötött frekvencia mérővel.
Ha a tengelyre felfestesz egy fehér csíkot, a reflexiós optokapu tranzisztora minden körülfordulásnál ad egy impulzust. Ennek a frekvenciáját egy frekvencia mérővel megméred, és megszorzod 60 -al, megkapod a percenkénti fordulatot.
Szia.
Köszi válaszod,nekem valami olyasmi kellene amit el tudok késziteni,tehát nem bonyolult,mondjuk egy alkatrész lista és egy nyákterv,na meg persze olyan kellene amit nem kell szorozgatni hanem a tényleges percenkénti fordulatot ki irja egy 4 szegmenses led kijelzőre.
Hello! Az nem "4 szegmenses", hanem "4 digites". Mert a kijelző maga, az a 7 szegmenses. Meg gondolom Led kijelzőre gondoltál, mert más is van. üdv!
Szia! Teljesen komplett, ledokumentált megoldást félek nem fogsz találni, de kapcsolási rajz itt is van fentebb. A megfelelő megoldás kiválasztásához egyébként még több adat kellene; mekkora sebesség tartományt kellene kijelezni (?0...9999?), milyen pontosan, milyen gyorsan. Ha csak egy jelzés van a tengelyen, akkor a kis sebességek tartományában többféle probléma merül fel, ami megint a feladattól függ, hogy megengedhető-e vagy sem.
Ha tudsz mikrovezérlőket programozni, akkor tudnál leginkább saját igényeidnek megfelelő mérőt építeni.
Köszi válaszod és proli007 válaszát is,igen rosszul irtam,7 szegmenses 4 digites.Igen elsősorban nem mindegy mekkora fordulat tartományt szeretnék mérni,szerintem ezt a tartományt nem nagy dolog mérni (0-2500),pontosságra azt mondom hogy ha 10-20 fordulat/perc-et téved az nem gond.
Inkább azt írnád, hogy milyen motor fordulatszámát akarod mérni, mert a 2500 1/perc pont nem jó semmire. Az asszinkron motoroké pl. 2800 körül van.
Nem motorét hanem egy tengelyét amit a motor hajt,ezt már leirtam fentebb,azt is hogy változó a fordulatszáma annak a meghajtott tengelynek.
Megoldhatod mikrovezérlővel, akkor kapsz egy komplett műszert. Az is csak azt csinálja, amit leírtam, csak az átszámolást is elvégzi, amit nem neked kell. A viszonylag alacsony frekvencia miatt célszerűbb a két impulzus közti időt mérni, és ebből számolni a fordulatszámot.
A kapcsolás lényege az opto reflex kapu. Másik módszer a stroboszkópos mérés. Egy gyors nagyfényerejű állítható frekvenviával villogó fényforrással megvilágítod a tengelye felvitt fényvisszaverő csíkot, és a villogás frekvenciáját addig szabályzod, amíg azt állni nem látod. Ha a frekvencia helyett fordulatszámban van a frekvencia állító gomb skálázva, akkor a fordulatot kapod. Ekkor a komparátor nem az optocsatoló, hanem a szemed, az átszámítást a skálázás végzi.
Kiindulva abból, hogy a motorok fordulatszáma szabványosított, 1440, 2880 stb.. ha a tengelyed fordulatszáma változó is, nem nagyon értem, hogy mit mond neked a mérés. Tulajdonképpen egy kiszuperálásra itélt régi zsebszámológép = gombját kivezetheted és 1+= beutése után a zsebszámológépet triggerelheted a reflexiós optokapuval 1 percig. Ha nagyon elegánsan akarod megoldani, akkor építesz mellé egy kis áramkört, mondjuk egy 555-ös IC-vel, ami a Start gomb megnyomását követő 60 másodperccel megszakítja a zsebszámológép inputját. Innentől már csak azt kell beütni, hogy /60= és ott világít az eredmény
A hozzászólás módosítva: Szept 17, 2013
Jó lenne, ha megírnád, tudsz-e mikrovezérlőt programozni?
Ha 10-20 1/min pontosság elég (kb. 1%-os pontosság), szerintem felesleges a digitális műszer. Egy tachogenerátor (vagy egy állandó mágneses DC motor generátornak) és egy megfelelően kalibrált voltmérő is megteszi.
Szerintem nem kell osztani a végén 60-nal, 1/min és nem 1/sec fordulatszám kell.
Szerinted egy porszívó motornak milyen a "szabványos" fordulatszáma? Az egyéb motorokról nem is beszélve. A szinkron motornak pl. 3000 1/perc.
Az asszikron villamos motorok fordulatszáma sem az általad írt érték, hanem a hálózati frekvenciától, a póluspárok számától, és a szliptől függ, (tehát adódik), és nem szabványtól. Ráadásuk a szlip miatt ami terhelés függő, a fordulatszám sem állandó. A hozzászólás módosítva: Szept 17, 2013
No ezt meg ugye nem mondta senki, hogy RPM vagy RPS
Nekem úgy rémlik, hogy korábban valaki asszinkron motort említett. Az asszinkron motoroknál pedig szabványos fordulatszámok vannak, amit - mint nagyon helyesen írtad - a hálózati freki, a póluspárok száma és a szlip határoz meg. A gyári adatlapon pedig terheletlen elméleti fordulatszámérték szerepel.
|
Bejelentkezés
Hirdetés |




Vagy szerinted egy síma műveleti erősítő is megfelel helyette ha nem kell a többi szolgáltatása az MPC602-nek? ez esetben is a PIC programja azért kincset ér! 







