Fórum témák
» Több friss téma |
Mielőtt kérdezel, a következő két dolgot ellenőrizd!
I. A helyes tápfeszültségek megléte.
II. A kimeneten van-e egyenfeszültség.
Élesztés.
OK, milyen csatlakozó van a beltéri egységen, és a TV-n? Ha RCA, akkor a kábel ami szükséges hozzá úgy néz ki mint a csatolt képen. Árnyékolt kábel RCA csatlakozókkal. Azt nehezen tudom elképzelni, hogy a beltériből olyan alacsony szint jön ki ami a TV-nek nem elég, de nem kizárt. A "piros/fekete" drót alatt mit értesz?
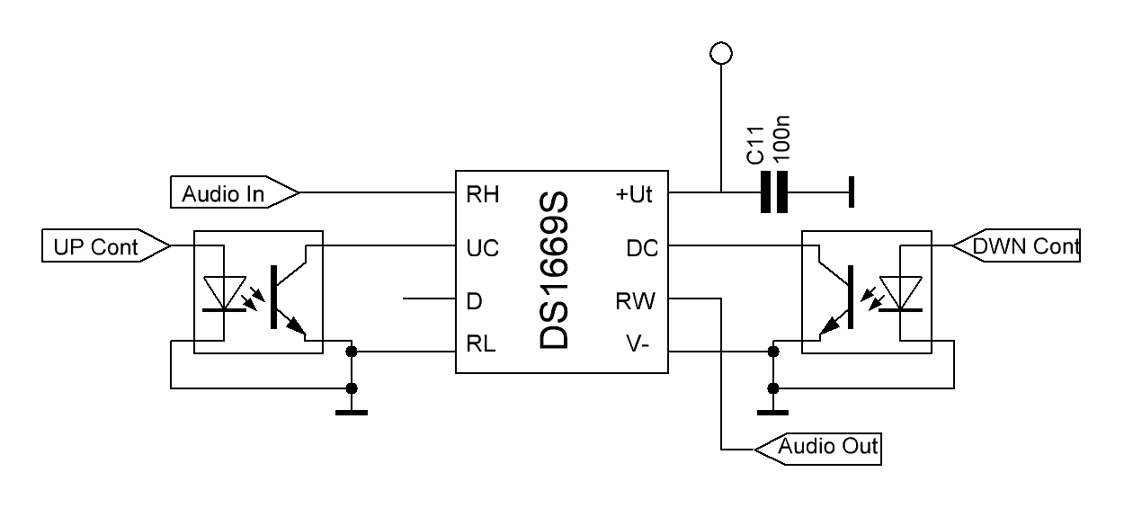
Sziasztok!
Az lenne a kérdésem Felétek, hogy az alábbi kapcsolás életképes-e? Igazából 6 csatorna szinkron hangerő szabályzása történne egy vezérlő egységről.
Ez hangfrekire nem lesz jó, PT2258-at próbáld meg.
A dolog pikantériája, hogy van is ilyen IC-m hozzátartozó bemenet választóval együtt. De a vezérlése valamilyen mikrokontrollerrel történik, valószínű AVR lehet, mert a kristály nem a PIC-nél megszokott helyen van.De sajnos a vezérlő kábel megsérült, és nem tudom működtetni az áramkört. Nem tudtam kibogozni a rajzaikból sem, hogy voltaképpen hova és milyen jelet kell adni akár csatorna váltáshoz, akár hangerő szabályzáshoz. Ez a kombináció van meg nekem:
Én csak a hangerőszabályzót építettem meg PIC-el, annak elküldhetem a cuccait, az IC-ket amúgy I2C-n kell vezérelni.
Szia! Igazad volt, jól tudtad. Skorinak még akkor írtam egy e-mailt ezzel a kérdéssel, mondta, hogy semmi nem történik, kivéve a polarítások felcserélése esetén.
Köszönöm, mégegyszer.
Sziasztok!
Erre tud valaki valamit?
Pont egy ilyen rendszer van nekem is szét bontva. Mi több van még egy ami jelenleg is üzemel.
Nem nagy csoda, lehet még jót is kihozni belőle. Gondoltam a kettőből kreálok egy "sztereó" rendszert. A szubokat kissé átalakítva, maradna az oldal elhelyezésű mélynyomó, csak a frontlap le lenne cserélve, és kapna két közép sugárzót és egy dom-ot, az erősítő kikerülne külön dobozba, és az elv maradna, hogy letudja kezelni a 6 csatornát is, tehát fel bővíthető passzív 5.1-re, (önálló dekóderrel nem rendelkező), de van külön sztereó bemenetei is. Ezen a rendszeren úgy van megoldva -vagy is egy szinttel komolyabb típusánál- hogy van egy dokkoló a sub tetején, ami egy külön 3 csatornás egység, ami igazából kettő csak. Egy IPod dokkoló és egy usb és egy SD kártya olvasó ami egybe vonható. Ezek "belső" csatornák, saját dekóderrel, az előlapról választható, hogy média lejátszó, vagy IPod funkcóban üzemeljen. Ez lefoglal a 3 szteró bemenetből kettőt, így marad az 1 plusz külső sztereó csatorna. Ugyan is a PT2323 6 csatornán kívül kezel még 3 sztereó csatornát is. Na már most ha másik kontrollert kapna, fel tudna szabadulni a most lekötött 2 csatorna is, mert a "kisebb" verzión bár nincs dokkoló, a másik két sztereó csatorna nincs kiépítve, kihasználva.
Sziasztok,Ez igy a jelföld bekötése lehet általánosan bármihez használni?
Köszönöm
Szia! Közös tápos sztereó rendszerekben jól csillapítja a földhurok hatását. Egyetlen szabályáról tudok (a rajz pozíciószámai alapján) R3>>R4. Ez az áthallás alacsony értéken tartása miatt fontos.
Köszönöm,kacérkodok vele hogy meg kellene építeni kíváncsiságból,persze nem ennyi tranzisztorral.Azért 10 pár nem kell elég oda az 5 pár is,20db van összesen végtranyóm.
Valójában 9 pár minősül végtranzisztornak, a többi az csak meghajtó. A pillanatnyi disszipációs csúcs ezzel a tápfeszültséggel, 4 ohm terhelés esetén 900W, gondolom ez lett szétosztva, hogy szép kerek szám jöjjön ki
Igen,de attól 10 pár kellene hozzá.Mit szólsz a végtranzisztoros meghajtáshoz?
20V-os tápforráshoz milyen egyszerű erősítő IC-k vannak, amik 25 W-nál többet produkálnak?
25W-ra TDA7265A, viszont hídban sok neki a 20V.
Szia Reloop átnéznéd nekem hogy jól csináltam e a rajzolást? Köszi
Keresek pár dolgot hivatkozás: D11, D12, R25.
Szia a diódák ott vannak az R25 nem látom R24 ig vannak az ellenállások
Vannak diódák, még kettő hiányzik. Az R25-nek szakítsd meg T5 kollektor ágát, ott a 3,3µF bemenő kondi tájékán.
Erről csináltam ez a tied
A hozzászólás módosítva: Szept 26, 2013
Ó, azóta sok víz folyt le a Zagyván. Nézd azt a NYÁK képet amit tegnap raktál fel!
Az ellen meg van de a diódát nem látom ha megszakadok sem
A rajzon, vagy a NYÁK képen nem látod? A pozitív tápról indulnak sorban.
A pozitiv oldalon az MJ350 bázisára?Mert ha az akkor az könnyen orvosolható.A 2N tranzisztor miatt lettek ezek beiktatva?Nekem MPSA lesz benne
A hozzászólás módosítva: Szept 26, 2013
Szia! Jobb oldalon 2 db végtranyó bázisa szabadon csücsül.
Hol is? nem csücsülnek szabadon. Bocs látom,ezért most feladtam rosszul van megrajzolva.Ennyi volt
A hozzászólás módosítva: Szept 26, 2013
A jobb oldalon lévő végtranyó 1,2 bázisa nem találkozik a 3,4 bázisával.
A két dióda a T3 áramát fogja meg, mikor T10 kinyit a túlterheléstől.
Köszönöm,befejeztem, dobhatom ki a panelt.
|
Bejelentkezés
Hirdetés |






A dolog pikantériája, hogy van is ilyen IC-m hozzátartozó bemenet választóval együtt. De a vezérlése valamilyen mikrokontrollerrel történik, valószínű AVR lehet, mert a kristály nem a PIC-nél megszokott helyen van.






