Fórum témák
» Több friss téma |
Fórum » Skoda Octavia elektromos probléma
Akkor inkább Őt: http://racing-bazar.hu/alkatresz/muszerfal-kormany-legzsak/skoda_octavia_1_1u_muszeregyseg_km_ora_javitas
nézd meg. Vagy itt egy PDF a javítani, átforrasztani valókról. Semmi proci csere nem kell!!
Hát megnézzük! Remélem hogy segít! Köszönöm szépen!
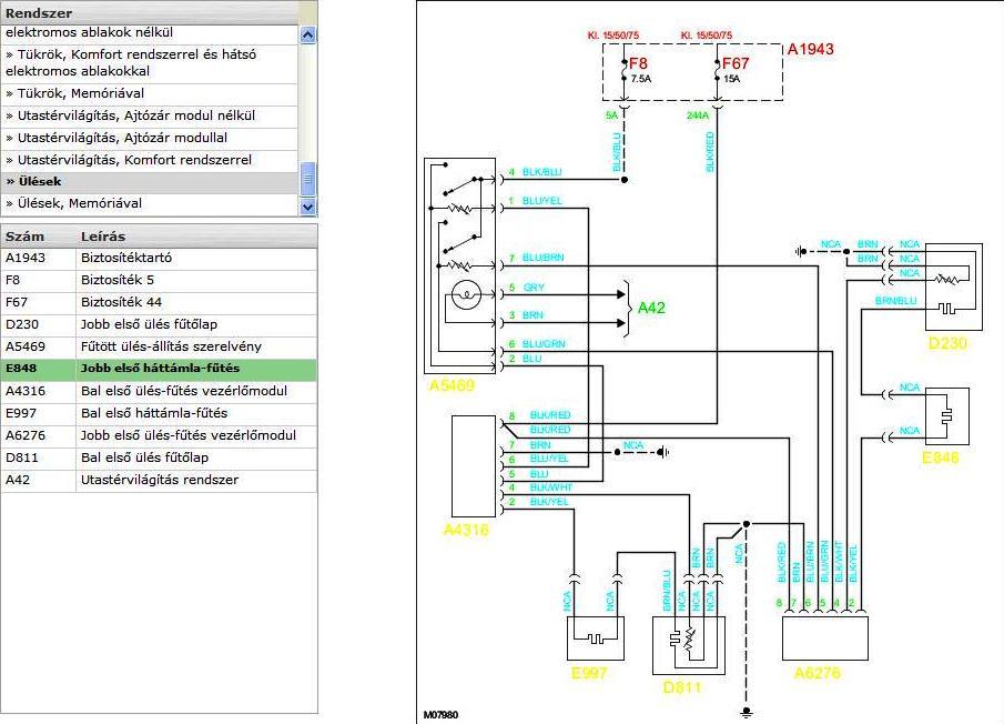
Szia! Ne haragudj de alig találtam olyan sorozatút ebből a márkából amiben ilyen komfortelektronikás megoldás van. Hát ez a progi nem a színeitől (színhasználatától) lesz majd közkedvelt de használható a rajz. Mutat mindkét ülésfűtéshez vezérlő elektronikát is de azt a másik helyen kell megnéznem, hogy mi is az. A biztosítékok az a "választható felszereltség" (5. számú 7.5A) és az ülésfűtés (44.számú 15A) amiken keresztül kapja az áramot az egész. Érdekesség, hogy a "relésekről" nem találtam még kapcsolási sémát, mert az R5 és az R6 a jobb és bal oldali ülésfűtéshez külön-külön van a relétábla kiosztásában megjelölve.
Hogy ne haragudjak?? Inkább hálásan köszönöm neked kedves VIM, hogy időt szakítasz a segítségemre.
Ahogy nézegetem a rajzot első látásra ez egy vezérlő elektronikás megoldás. Valójában ezt: http://www.metroman.hu/product/Auto-felszereles/Ulesfutes-futheto-u...sfutes akarom összehozni az Octavia gyári ülésfűtés kapcsolójával. Ezen a készleten van egy elektronika, amit ki is hagyhatok ha a gyári 2db 456-os (3U0 941 597) reléket beszerelem hozzá. (mondták a bontóban). Eredetileg az ötletem az volt, hogy az ülésfűtés készlet kapcsolóját vágom le és a gyári kapcsolót használom fel. A képeken látható, hogy mik vannak meg ehhez a művelethez. (a reléből kettő van) Azért várom ha ráakadsz a relés változat kapcsi rajzára. Szóval nem tudom mi legyen a megoldás. A vett készletet, vezérlő modulostul gyári kapcsolóval valahogy összehozva, vagy, ahogy a bontós mondta, vágjam le a készletről az elektronikát és kössem be a reléket mint ahogy az gyárilag van megoldva. Ebben az esetben a két relé veszi át a szerepét az elektronikának. Vagyis fölösleges.
Sziasztok!
Először is üdvözölnék minden fórumozót! Új vagyok itt. Boldog tulajdonosa vagyok egy Octavia 1-nek 2006-os évjáratú BFQ motorkódos szépségnek! Lenne egy kis problémám vele: Nyáron reggelente(+15 fok felett),amikor indultam dolgozni mindig bemelegítettem a kocsit és hidegindításnál hallottam a szekunder légpumpa hangját és a fordulat 1100 volt. szépen lassan engedte vissza a fordulatot, majd 1-2 perc után beállt az alapjárat Most, hogy hűvösebb van(15 fok alatt), reggelente ugyancsak hidegindításnál hallom a pumpa hangot, de a dúsításnál már csak 950 az alapjárat. Ha megállok a melóhelyen és dolgozok 10 órát és kijövök és 15 fok felett van egyból dúsít (1100-as fordulaton). Mi okozhatja ezt? A szoftver nem mutat hibát! A gép pöcre indul és nincs fulladozás se! Előre is köszönöm!
..... hát nincs olyan vagy nem találtam központi vezérlő egység nélküli rajzot. A VW- nek ITT van a gyári rajza angolul és ez egy jó hely a böngészésre.
A vezérlő relé-n láthatóak a bekötési pontok, hogy mit hová kell kötni. Ennek az oldalnak az alján vannak még képek segítségül de nem nagyíthatók fel.
.... a 455- ben a kettő együtt van nem kölön-külön.
Köszi VIM nagyon az utána járást a segítséget. Biztos, hogy elboldogulok ezekkel az infókkal.
Sziasztok!
Van egy AVU motorkodu 2001 -es 1.6-os Oktaviam. A problema a kovetkezo: Nem tudom a motorfordulatot egy adott tartomanyban tartani. Ha adok egy kis gazt, eloszor nem reagal semmit, majd ujabb kis gazadasra (ezt talan millimeterekben lehet merni) Felporog a motor kb 3000 -ig, majd tartott gazpedal allas mellett visszaesik alapjaratra! Gyakorlatilag minden alkatresz ki lett mar cserelve, vagy be lett ellenoriztetve. Most mar ott tartok, hogy 5 liter benzin, jol meglocsol es meggyujt! Segitsetek kerlek S.O.S. Koszonom
Szia! Mielőtt még többet költenél az alkatrészek csereberélésére, ki kellene olvastatni a hibatárolót, mert úgy még mindig olcsóbban jössz ki ha legalább tudod mit kell kicserélni mint így, hogy nem, pedig már majdnem új minden.
A Simos 3.3 motorvezérlős kocsid bizonyára valahol a levegővétellel viaskodik vagy az üzemanyaggal. A levegős csőrendszeren repedés lehet valahol és talán ez okozhat problémát, vagy az üzaszűrő berakódott vagy a rendszernyomás nem megfelelő.
Szia!
VIM kolléga helyesen látja a dolgokat... Ezeket a köröket azért még fusd le mielőtt hatalmas és látványos máglyát építenél. Ha mégis, azért kérünk róla felvételt... AC-t is megnéztétek??
Ezeket a koroket mar vagy tizszer lefutottuk
, ezert vagyok tanacstalan. Hibakod tarolo eloszor lambda szondat jelezte.kicserltuk. aztan folytoszelephaz szenzor. bevizsgaltattuk. stb stb. a sort sorolhatnam, de mar tulajdonkeppen minden alkatresz uj, vagy be van vizsgalva Amugy az auto Benzin-gaz uzemu, es mindket uzemanyaggal ugyan azt produkalja, tehat az uzemanyag rendszer kilove Az egesz szivo oldalt bevizsgaltuk repedest keresve ( egy direkt erre a celra keszult , nem olcso geppel) A karter oldalrol szinten. Amugy az alapjarat tokeletes, a hiba az, hogy nem tudom fordulaton tartani a motort ( 2000-3000 kozott) , ha az auto allo helyzetben van. A hozzászólás módosítva: Nov 14, 2013
Úgy érzem, hogy a szerelőd nincs a diagnosztika magaslatán. Azt gondolom, hogy sem az új alkatrész nem garantálja a hibátlan alkatrészt, sem pedig a bevizsgálás.
Pl. ha lambda-szonda hibát jelez a hibakód, az azt jelenti, hogy meg kéne mérni a szondából kijövő jelet (ezt pl. történetesen szkóppal kéne nézni), nem pedig azt, hogy tuti rossz a szonda. Ha a jel szerint is hülyeség jön belőle, akkor az tényleg hihető, hogy rossz. Csere után ellenőrzés, hogy jó lett-e, mert simán lehet gyári újként hibásat kapni.
Azert azt remeletem, valaki tud valami konkretabb valaszt. A diagnosztika altal jelzett problemak mind megoldva, megsem jo a dolog. Talalgatni meg barki tud.
Ne haragudjatok, csak mar ket honapja nem tudjuk a hiba okat, es ez kicsit kikeszit
a szerelom egyebkent tobb mint husz eve van a szakmaban, korabban autoversenyzesben is volt, es a trabanton keresztul napjaink legkorszerszerubb luxusautoit szereli mindennap. Mas szerelok tanacsait is kikertuk, de csak azokat a lehetosegeket sorolta az osszes, amiket mar lefutottunk 5-szor! Meg talan egy info, ami elso hallasra a megoldashoz vezethetne. Amig a motor teljesen hideg, semmi problema, de ahogy elkezd melegedni egyre inkabb rossz. Itt kapnank fel a fejunket, hogy homerseklet jelado! Igen, de (mivel tudtommal ezt a hibat az ECU nem jegyzi be) ezt is kicsereltem. Na ezek utan kerek meg tippeket. Koszonom elore is!
Milyen tippeket akarsz még hallani? Szívesen felsoroljuk az összes alkatrészt az autódban, de attól nem fog megjavulni. Ugyanis meg kell találni azt, amelyik (vagy amelyek) rosszul működnek. Ehhez pedig működés közbeni vizsgálattal vezet az út. Lehet nézegetni kiszerelve, lehet leadni bevizsgálásra, lehet berakni másik újat, hátha az jobb, de van olyan, hogy az új is hibás, van olyan, hogy kiszerelve nem látszik a hiba, és van olyan, hogy a bevizsgáláson nem venni észre a hibát. Tehát ha már semmi más nem segít, akkor működés közben kell nézni a szenzorok jeleit meg a beavatkozó egységekre küldött vezérlőjeleket. Ha minden szenzor jó adatot ad, a számítógép meg hülyeségeket mond, akkor a számítógép a hibás. Ha jó vezérlő jeleket ad, akkor amelyik alkatrész erre nem jól reagál, na ott kell keresgélni.
Szia!
Csatlakoznék _vl_ kolléga véleményéhez: az, hogy a számítógép azt jelzi, hogy egy szenzor nem jól működik, még nem azt jelenti, hogy a szenzor "tuti" rossz ! Nem olvastam a korábbi hozzászólásaidban, hogy pl. a hőmérőszenzor vezetékét kimértétek az ECU-ig, holott az ECU szempontjából ez ugyanolyan hibás értékeket eredményezhet! Egyes területeken sok a rágcsáló, megrágja, macska eljátssza, karosszéria javításnál megégetik, gyártásnál megvágják... ! Ha már ennyi időt, energiát és pénzt rááldoztál és nincs meg a hiba, akkor sajnos az ilyen "szivatós" hibalehetőségeket kell átnézni! A legfontosabb, hogy mérni kell és nem csak próbálgatni ( ha nincs ingyen lehetőség ! ), mert az sokba kerül !
Szia.Nekem hasonló problémám volt a benzin-gázos suzuki ignisemnél.A kipufogó szelep cseréje megoldotta a problémát.Javaslom hogy nézzetek hézagot.
Olyat próbáltál már, hogy más híresen neves villanyász gurukkat megkeresni és személyesen beszélgetni velük? Természetesen nem lebecsülendő a szerelőd sőt..., de más, más tapasztalatokkal bír. Donibcsiék, Simon Tibi, Kepe Karcsi... stb. És több hasomló fórumot is látogass meg...
Sziasztok BFQ-s 1.6 2006-os octavia, katalizátor előtti lambdaszonda hibát jelez. Gyári új, B..i Autó-nál 45.000 Ft. Kérdésem, cseréltetek e már utángyártottra, vagy valami tapasztalat ez ügyben...köszi előre is
Az utángyártott is lehet jó. Elég nagy kedvezményem van az említett kereskedőnél, ha írsz privátot, segíthetek "jóárasítani".
Köszi zolika60 !
A "jóárasítást" meg tudom oldani, csak abban nem vagyok biztos, hogy jó lenne e az utángyártott. Ismerősöm pár éve próbált xy utángyártott szondát és tizenliteres fogyasztás lett az eredmény.... (ha autódekorban, fóliázásban kell segítség, a viszontszivesség fönn áll) üdv: guttenberg
Köszönöm a felajánlást.
Üdv!
Skodaocti 2001 1.8T AGU motorkód. Az egyik kollégám hibakód olvasásnál hőfokmérő óra hibát talált(nem ez a pontos megnevezés) tehát az a lényeg valszínűleg hogy a vizhőfok mérő órám sz.r. Szerintetek megoldás-e a topic 4.oldal alján"Hosszulabu" hozzászólása,vagy csináltassam meg a Vaterán. Köszi a választ V.Géza
Sziasztok!
Lenne egy Oktavia I 1.6 2000. AEE benzines drágaságom. A jelenség a következő: (csak meleg motornál csinálja) ráindítok, önindító teker, motor nem indul, nagy nehezen zakatolva elkapja, fekete füstpamacs. A motor felpörög 3000-ig,1,5 perc bőgés után visszaáll alapjáratra. Ha nem várom meg hogy visszaáll és elindulok vele az autó erőtlen, rángat. Ha visszaállt az alapjárat,szépen húz az autó nincs gond vele. Hideg motornál semmi gond. Persze ha szerelőnél van az autó gyönyörűen működik.Fojtószelep kipucolva, bár a hibakiolvasás valamiért nem sikerült(nem kommunikált az olvasó a fedélzeti számítógéppel). Egyenlőre itt tartok.Lenne valami ötlet?Előre is köszönöm.
Szia! Valószínű, hogy a motorhőfok érzékelővel lesz a probléma, mert meleg motornál is dúsítja a keveréket, nem tudja figyelembe venni (megmérni) a meleg motort. Az időintervallum letelte után "1.5perc" (mivel nem áll rendelkezésre mérhető ellenállás a hőfokmérő felől az ECU részére) múlva megszüntetésre kerül a dúsítás és visszaáll a rend. A hőfokmérő adatai már egyszer le lettek közölve, sőt a többi részről is sok infó van becímezve ehhez a motorkódhoz "A csak képek keresése" címszó alatt.
Szia Stuk!
Sajnos ezzel a problémával én is igy vagyok és én is sorba mindent kicseréltem sőt a pillangüó szelepemet is pedig azzal bajom nem volt és a szerelőket sorba jartam és aki ilyenel talakozott az mind azt mondta gyari hibba amit nem tudtak megcsinalni én már 2 éve igy jarok vele sajnos és nekem is gáz és benzin üzemű a skodam ha valami megoldást talállsz megkérlek irj egy Emailt a Szurkegandalf@yahoo.com Köszönöm előre is és ha nem akkor el kell adni az autot én is azon filozok.
Pontosan ahogy le irtad nekem is igy müködik nem vagy egyedül ezzel a problémával én a gáz rendszere tippelek a kető nem jatszik össze.
|
Bejelentkezés
Hirdetés |





Ahogy nézegetem a rajzot első látásra ez egy vezérlő elektronikás megoldás. Valójában ezt: 


, ezert vagyok tanacstalan. Hibakod tarolo eloszor lambda szondat jelezte.kicserltuk. aztan folytoszelephaz szenzor. bevizsgaltattuk. stb stb. a sort sorolhatnam, de mar tulajdonkeppen minden alkatresz uj, vagy be van vizsgalva 