Fórum témák
» Több friss téma |
Esetleg ilyen? Többet veszel 200 Ft alatt kijön darabja.
Sziasztok!
A kezembe került most egy autó akkumulátor ami elég rendesen van lett púposodva. Valószínűleg az autóban az elromlott töltés szabályozó okozta annak idején. A kérdésem az lenne hogy ezt az akkut használhatom-e biztonságosan a felpúposodás miatt. Véleményem szerint nagy benne a nyomás. Attól félek hogy egyszer csak "fel fog robbanni". Beltérben szeretném használni, a szobában. Mennyire biztonságos így használni?
Arról nem tudok mondani semmit, hogy a púposodástól milyen kár érte az akkut kapacitásügyileg. De ilyesmi púposodással bíró akkum van nekem is, ez még nem olyan vészesnek tűnik. Ha leveszed a tetejét (fel van ragasztva) ott a cellák gumi "sapkával" vannak lezárva, ha azokat leveszed le tudod engedni a nyomást.
Üdv! Egy 6V 1,2Ah akkura szeretnék rövidzárvédelmet. Legkönnyebben hogyan oldható meg?
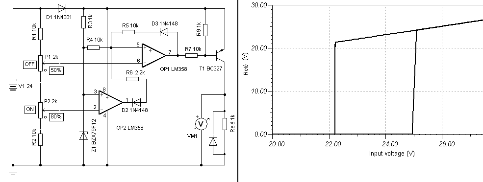
Sziasztok. Létezik valami egyszerű kapcsolás két sorba kötött 12V-os akkumulátor mély kisülés elleni védelmére? Egy kapcsolóüzemű, 24V-os tápegység látna el egy IP kamerát. Erre volna két 5AH-s akkumulátor kötve sorban. Ha huzamosabb ideig lenne áramszünet, jó lenne ha valami lekapcsolná az akkumulátorokat a fogyasztóról. Arra gondoltam hogy ha lenne ilyen áramkör, az akku oldalon lenne a tápellátás. Ha megszűnne az áramszünet, természetesen vissza kapcsolódna a töltés. Egy viszonylag egyszerűbb, relés kapcsolás jó lenne...sajnos nem nagyon sikerül találnom ilyen kapcsolást. Ha valaki tudna segíteni, megköszönném. Nézegettem ilyen védelmeket, de csak 12V-ost láttam, vagyonvédelmi szaküzletekben létezik, például a DSC és a Satel is rendelkezik ilyen termékkel.
A hozzászólás módosítva: Márc 13, 2013
Hello!
Ez jó lesz? Tudni kell, hogy az aksit pufferüzemben 27,2V-al kell tölteni. Valamint ha 22V alatt lekapcsolod a terhelést, mindjárt vissza is jön 24V-ra.. üdv! A hozzászólás módosítva: Márc 14, 2013
Nagyon szépen köszönöm a gyors segítséget, hétvégén meg is építem, kíváncsi vagyok hogy milyen lesz. Egyébként egy 9W-os fogyasztó használná az aksikat abban az esetben, ha hosszabb áramszünet állna be.
Hello!
Ha relét teszel bele, akkor használj a tekercsel párhuzamosan egy védődiódát is. De ha csak 9W-lesz a terhelés, akkor akár egy IRF9610 P-csatornás MOSFET-et is rakhatsz a tranyó helyére, és nem kell relé. Ekkor az R7 ellenállást le kell csökkenteni 2,2kohm-ra. Még olcsóbb is. üdv!
Nagyon szépen köszönöm a gyors segítséget
Tisztelt Proli007!
Olvasom, hogy FET-tel ki lehet váltani a relét. Ez tetszik nekem. Ezt a komparátort Tőled kaptam az akku töltős topikban. Ennél is kiváltható egy P csatornás Fet-tel? Nekem egy ilyenem van:IRF5305PBF .Pontosabban kettő. Előre is köszi.
Hello! Egy Fet azért nem relé, csak lehet kapcsoló üzemmódja. Viszont nem tud galvanikusan elválasztani mint a relé. Hogy kiváltható vagy sem, az attól függ mit/hogyan kapcsol a Fet. De P-csatornás Fet esetén kicsit másképpen kell kialakítani ezt kapcsolást. A PNP tranyó helyére kell tenni a Fet-et, a terhelést meg a relé helyére. (Ekkor az 1kohm rövidre zárható.) üdv!
Tisztelt Proli007!
Tehát így? A dióda is kell bele? Eredetileg egy akkut akartam lekapcsolni ezzel a komparátorral, egy másik aksiról. A FET-tel ez gondolom nem fog működni, mert csak egy irányba fog haladni az áram. Tehát tölteni vagy meríteni lehet a lekapcsolásra szánt aksit. De napelemet v. dc motort, világítást már lehet? Jól látom? Előre is köszönöm! Szia. Ha kell bele a dióda, kell komolyabb v. maradhat a régi is? A hozzászólás módosítva: Szept 19, 2013
Hello! Ha a fogyasztó induktív jellegű (motor) akkor kell a dióda. A Fet D-S lábait viszont fel kell cserélni. De azért óvatosan a nagy terhelésekkel, mert ennek a kapcsolásnak azért nem végtelen a bekapcsolási sebessége, és az a Fet egészségére mehet. üdv!
A hozzászólás módosítva: Szept 19, 2013
Tisztelt Proli007!
Hobbi méretű napelemes rendszerem van. A töltőáram időnként a 6A-t elkerüli, általában 5,5A körül van a csúcs. A fogyasztóim jóval kevesebb árammal működnek. Tehát aggodalomra nincs okod. Később szeretnék építeni egy-két PWM szabályzót is. Ezekhez rendeltem a hét elején 3 -féle FET-et és mást is. Ahogy tanulmányoztam a szabályzókat és válogattam a FET-eket a webáruházban, rájöttem, hogy sok előnyük van a relével szemben. Ezeket szeretném kihasználni. Tehát van komparátorom relével, hogy meg tudjam kímélni egyik aksimat az aksipakkból, hogy az autómat beindítsa, ha rákényszerülök. Most építek egyet a fenti FET-tel, hogy védjem a többit a mélykisüléstől. Szeretnék egy harmadikat is építeni, hogy a töltőáramot is tudjam kapcsoltatni. Attól tartok, hogy ezzel a kapcsolással nem lehet megoldani, hogy a GATE ellenkezőleg kapjon feszültséget. Tehát 14,4V-nál ne engedje tovább folyni az áramot, mondjuk 13,5V-nál pedig hadd haladjon a töltőáram az aksiba. Pedig jó lenne, ha nagyjából azonos alkatrészeket kellene tartanom és nagyjából hasonló panelt gyártani, mikor mire lenne szükségem. Tehát azt szeretném kérni Tőled, hogy ha lehet TL 431-gyel és FET-tel rajzolj légy szíves egy kapcsolást, hogy a töltőáramot is tudjam kapcsoltatni. Esetleg van N csatornás FET-em is, és rendeltem LM 358-at is, hátha olyan kell. Előre is köszönöm a segítséget! Szia. A hozzászólás módosítva: Szept 21, 2013
Hello! Tekintve, hogy nekem a kerti lámpán kívül nincs napelemem, gyakorlati tapasztalatom sincs vele. De ez a téma egyébként is egy külön kaszt. A hálóról egyszer átmásoltam egy rajzot, amit ide felteszek (eredeti linket nem tudom már hol van). Kb. az, amit szeretnél, bár néha értetlenül állok az előtt amit írsz. (autó, meg aksipakk, védje a többit a mélykisütéstől stb.)
De egy Fet nem relé kontaktus azért. Nem lehet vele két irányból kapcsolni az áramot. Sőt, van benne egy parazita dióda, ami szerint ha D-S fordított feszültséget kap az kinyit. Vagy is ha kapcsolsz vele valamit, akkor azt kapcsolja, de visszafelé is tud folyni az áram, független attól, hogy a Fet be vagy ki-van kapcsolva. A G-S ellenkező irányú feszültségre csak zárva tartja a MOS-Fet-et. A Fet Gate feszültségének, hogy kapcsoljon, 5..10V-al magasabbnak kell lenni,mint a Source. Vagy is van rengeteg kritérium, működési szabály stb. Amit nem lehet figyelmen kívül hagyni tervezéskor. Tehát itt nem úgy van mint a relével, hogy készítünk hozzá valami áramkört, aztán össze-vissza kapcsolgatunk vele velemit. Mindig köze van a vezérlésnek a kapcsolt feszültség/áram potenciáljához. Ez alól kivétel, ha valami trafós meghajtást használunk, vagy segédtápfeszültségeket állítunk elő a Gate kapcsolásához. De ez csak igen indokolt esetben térül meg. Javaslom keresd meg a fórumon azokat akik napelemmel foglalkoznak. Még az sem biztos, hogy egy gyári töltésvezérlővel nem jársz jobban, mint hozzáértést elsajátítani, kísérletezni áldozatokkal. De Te tudod. Én minden esetre nem aggódom a Te napelemeid miatt, az felől nyugodtan megnyugodhatsz.. Minden esetre elsőként magadban kell eldönteni mit is szeretnél, mit vársz a rendszertől, hogyan épül fel, hogyan szeretnéd üzemeltetni. Mert a fejedbe nem látok be én sem, de szerintem a többiek sem.. És akkor a meglehetősen komplikált rajzok, amit még én sem tanulmányoztam át, mi - milyen célból van benne.. üdv!
Tisztelt Proli007!
Idézet: „bár néha értetlenül állok az előtt amit írsz. (autó, meg aksipakk, védje a többit a mélykisütéstől stb.)” Igazából ez nem bonyolult. Bár lehet, hogy nem tökéletesen fogalmaztam minden esetben, de nem is ez a lényeg. Persze nem értek az elektronikához, nem tudom mi, s hogy működik. Számomra teljesen mindegy, hogy például a töltőáram honnan jön. Jöhet akármilyen trafóból is. Azt gondoltam, hogy egy ilyen egyszerű komparátorral, a számomra megfelelő feszültségszinteknél kapcsolni tudom az akkura menő vagy egy másikkal az akkuról jövő áramot. És ezt mind lehet is a relés változattal, csak olvasgattam a FET-ekről, és láttam pár hozzászólással feljebb, hogy használható a Fet, a relé helyett. Igaz, ez nem napelemes fórum. Én viszont több komparátort szeretnék építeni ilyen-olyan célra az akkumulátoraimra és ha lehet FET-tel. Ha nem lehet FET-tel, természetesen elfogadom, hiszen nem értek hozzá. Az tény, hogy napelemes rendszerbe kellene. Ettől még komparátor és akkuvédelem. Persze az egyiknek az lenne a célja, hogy töltéskapcsolóként működjön. Ez esetben az áram jöhetne akár egy központi vezetékből is vagy hálózati akkutöltőből is. Az én töltőáramom napelemből jön. Ettől még akkuvédelemre használnám a komparátorokat. A nekem küldött töltésvezérlőnek természetesen neki sem merek kezdeni. Pár alkatrész beforrasztásának neki merek állni, de ez felülmúlja a képességeimet és a bátorságomat is. Ettől még köszönöm minden hozzászólásodat és minden segítségedet! Szia.
Sziasztok.
Pár napig még benézek ide, hátha tud nekem valaki egy egyszerű kapcsolási rajzot adni, amely egy feszültségfigyelő áramkörből áll, de nem relével, hanem valamilyen FET-tel kapcsolja az akkuba befolyó áramot. 12V-os ólom-savas akkuhoz kellene. Ha nem megy, hát feladom. Köszönöm.
Hello! Őszintén szólva,nem tudom mi a gondod. A kapcsolás egyszerűsített változata ott van az orrod előtt, SOLAR-CHG file névvel. Két ellenállásból nem lehet 10A-el működő komparátort készíteni. Az a kapcsolás nem komplikált. De elmondom mi miért van benne..
- A Q3 Fet kapcsolja a töltőáramot az aksi felé. - A Q1 dióda biztosítja, hogy a solár felé ne tudjon áram visszafolyni. - Az aksi feszültségét az IC1 figyeli, és kikapcsolja a Fet-et, ha az magas, Q1 segítségével. - Az IC2 stabilizálja az IC1 tápfeszültségét, és egyben referencia feszültséget biztosít az összehasonlítás számára. - Q2 bekapcsolja a tápfeszültséget, ha a solár termeli a villanyt,hogy az áramkör ne egye az aksit, ha sötét van. - Led1 jelzi, ha töltés, vagy kisütés van. - A TM1 figyeli a hőmérsékletet és változtatja a komparálási feszültséget ennek megfelelően. Ez ennyi és nem több, és úgy gondolom, szükséges is. De mi az amit szeretnél? Univerzális komparátort, ami mindenhez jó? - Ami mindenhez jó, az általában semmihez nem megfelelő.. üdv! A hozzászólás módosítva: Szept 24, 2013
Sziasztok! Egy nagyon amatőr kérdésem lenne. Egy 12v névleges feszültségü NIMH akkupakknak mekkora a feszültsége teljesen feltöltött állapotban?
Tisztelt Proli007!
Bár többféle formában leírtam, hogy nem töltésvezérlőt szeretnék építeni, hanem a Tőled kapott komparátort szeretném FET-esíteni, egy egyszerű kapcsolónak, de ebből a rajzból talán ki tudok indulni. Megnéztem a Q3 Fet adatlapját, P csatornás, hasonló kaliberű, mint ami nekem van IRF5305. Talán az enyém többet bír. Van 2db. Ha tévedek, hát így jártam. A Q1 diódára nincs szükségem, nálam nem folyhat vissza az áram. A Q2 adatlapját is megnéztem, pnp tranzisztor, nekem BC 327 van kb. 4-5 db, és ez is többet bír mint Q2.. Talán nem néztem el semmit. Azt hiszem TL431-esem is van még, majd valamit megpróbálok össze kutyulni. Itt feljebb már kitárgyaltuk, hogy az akkuból kifolyó áramhoz hogyan kell a Tőled kapott kapcsolást FET-esíteni. Egy laikus számára is világosan leírtad mit kell megváltoztatni. Ha motor használok, akkor kell a dióda, ha fényforrást, akkor nem kell bele a dióda. Tehát már meg tudom építeni. Szerintem Te hosszú évek óta tudod, hogy két kapcsolás közül a relés változat nagyságrendekkel több áramot fogyaszt, mint amelyikben nincs relé. És hát ezért forszírozom, hogy legyen két rajzom. Az egyik a befolyó, a másik a kifolyó áram kapcsolgatására legyem alkalmas.. Nálam számít a kapcsolás áramfelvétele. Persze, ha oda-vissza kell kapcsolnom az áramot, akkor (tudom) majd a relés változatot építem meg. Tehát nem vágyom töltésvezérlőre. Na már most ha a TL 431-gyel és a P. FET-tel az akkuból kifolyó áramot lehet kapcsolgatni, akkor egy más fajta átalakítással a TL 431-el és talán a P. FET-el, az akkuba befolyó áramot is lehet kapcsoltatni. Ha a töltésvezérlőbe jó a P. FET, akkor talán a TL 431-hez is jó lesz a befolyó áram kapcsolására. Valamit majd magamtól megpróbálok kiokoskodni. Ha esetleg füstölni fog, hát sokáig nem teszi. Tisztelettel: DUCIJUCI
Szia!
Egy cella, töltőről frissen leszedve (állapottól függően) elérheti az 1,5 V-os feszültséget is.( Az 1,4-1,45 v jónak számit.) Mivel a pakkod 10 cellás, 14-14,5 V reális, frissen töltve. üdv: hp
Szia!
Köszönöm a segítséget, azz szerettem volna csak megtudni, hogy helyettesíthetem-e egy 12V-os nimh akksit egy 3cellás lipo akkuval, anélkül hogy a fogyasztó ezt megsínylené.
Sziasztok!
18650-es aksihoz kellene lemerülés jelző. Csak jelezni kellene ha a feszültség túl alacsony és már cserélni kellene a cellákat. Tehát egy LED-et kellene kapcsolnia.
Hello! Tettem már fel ilyesmi rajzot ide. A feszültséget be lehet állítani R2/R1 osztó helyes megválasztásával. A kapcsolási pontnál, R1-en 2,5V-nak kell lenni. Led-nek, egy kisáramú a célszerű. üdv!
Hello! Kis segítséget szeretnék kérni. Nekem is szintén 18650-es akksihoz (1 darab) szeretnék mélykisülés védő elektronikát. A lehető legegyszerűbb és legkisebb legyen. Ledes lámpába üzemeltetném az akksit. Arról van szó hogy, szeretnék egy olyan egyszerű kapcsolást ami kb. 2,8V-nál vág. (a lámpában nincs védőelektronika)
(Led: 1W, 3W vagy 5W mindegy)
Bocs, lehet én vagyok Láma, de ez nem a töltésszabályozásra jó?
Nem mindig sikerül "jól" kérdezni (ezt is meg kell tanulni) Nekem arra lenne szükségem (nagyon egyszerű kapcsolással) hogy 1db 18650-es akku-ról világit 1db (1W vagy 3W vagy 5W) Led és ha a feszültség (az akksin) leesik 2,8V vagy az alá akkor NE világítson tovább, vagyis mélykisülés ellen védené az akksit.És ezt az elektronikát a lámpába szeretném "beleapplikálni". Az akksi töltését nem kell figyelembe venni, mert van gyári (1cellás vagy 2cellás) töltőm. Ennyit szerettem volna és bocs ha nem értettem, (mert nem értettem) A hozzászólás módosítva: Dec 6, 2013
|
Bejelentkezés
Hirdetés |











Minden esetre elsőként magadban kell eldönteni mit is szeretnél, mit vársz a rendszertől, hogyan épül fel, hogyan szeretnéd üzemeltetni. Mert a fejedbe nem látok be én sem, de szerintem a többiek sem.. 





