Fórum témák
» Több friss téma |
Fórum » Autórádió (fejegység) problémák, kérdések, válaszok
Témaindító: angel83zs, idő: Máj 14, 2006
Témakörök:
Sziasztok.
Autórádió fejegység vásárlás előtt állok, de nem igazán tudom, hogy melyik mellett döntsek. Mivel nincs komoly hangrendszer a kocsimban (és valószínű, hogy nem is lesz), ezért egy olcsóbb kategóriás fejegységet szeretnék beszerezni. Tehát 10 ezer ft környékén nézek fejegységeket. Kinéztem pár típust. Abban kérném a segítségetek, hogy melyik lehet a legjobb vétel ebben a kategóriában? Ezeket választottam ki eddig: Akai CAU 7160 vagy 7180 SAL VB 2200 vagy 7000 MNC Carguard CD164 Hyundai CMRX 480SU Ezen kívül ebben az árkategóriában találtam még Overmax, Lenco, Onedai és Roadstar márkákat. Szóval a felsoroltak közül ti melyiket választanátok, és miért? Van, ami kiemelkedik a többi közül, vagy ezek teljesen egy kategória, és semmi különbség nincs köztük? Válaszaitok előre is köszönöm.
Hello !
Van egy Alpine Fejegységem , teljesen jól müködött ,mig össze nem cseréltem a tápkábelt egy másikéval ! Emiatt szerencsétlenem füstölgött egyet , azóta se kép se hang . Kérdésem : vajon melyik alkatrész adhatta meg magát , vagy hol keressem a hibát , egyáltalán javitható ? Válaszokat előre is köszönöm .
Fordított táp; egy ez ellen védő párhuzamos dióda a táp részen, vagy a végfok IC...
Keress egy nagyítót, nézd végig a forrasztásokat. Szerintem megtalálod a bűnöst.
Szia.
Nem akarok tanácsot adni, hogy melyiket vedd meg, vagy melyik a tuti, csak egy tapasztalatot osztok meg veled (persze a többi fórumozóval is )Egyik ismerôsömnek rendeltem online egy Lenco CS-321 típusú rádiót. Senki nem ismerte a környéken, nem lehetett tudni milyen lesz. Az elvárás az volt, hogy ne kerüljön sokba, és legyen USB aljzat rajta, mivel adathordozóról akart mp3-at hallgatni. Azt hiszem lassan 2 éve tesz szolgálatot, nem panaszkodott azóta sem, hogy esetleg valami ne lenne rendben vele.
Ezen olcsóságoknak általában gyengébb tunerjük, valamint a végfokuk (4*5W). Megbízhatóságilag is szoktak lenni gondok... Egy MNC-re (vagy SAL-ra?) beszéltem rá egy ismerősöm, mivel rádió és USB volt a kívánság, gondoltam nem lehet olyan rossz, megbánta, így én is...
A hozzászólás módosítva: Dec 3, 2013
Lehet, jobban járnál, valami használt, de jó rádióval.
Köszi a válaszokat.
Mindenképpen újat szeretnék, viszont ennél több pénzt nem nagyon akarok áldozni rá. Szóval akkor ezek közül egyiket se ajánljátok? Közben utánanéztem kicsit, és a következő árkategóriában ezek vannak: Kenwood KMM 157 JVC KD X200 Pioneer MVH160 Ezeket inkább ajánljátok? És ha igen, a három közül melyiket?
Nem ismerem ezeket konkrétan, de már a nevük alapján sem igazán csalódhatsz bennük, jónevű márkák. A különbségek olyan apróbb dolgokban lesznek, amiket csak használattal derülnek ki és egyéni ízlés, hogy kinek melyik jön be jobban.
Sziasztok!
Van nekem egy cdx-gt450u autórádióm, ami tudja kezelni a távirányítót is, viszont azt nem kaptam hozzá, hiába vettem boltban, újonnan. Mivel a távirányító ára elég borsós, ezért az lenne a kérdésem, hogy meg tudnátok-e mondani, hogy melyik univerzális távirányítóval lehetne működésre bírni?? Annyit sikerült kiderítenem, hogy rm-x114 névre hallgat a távvezérlő. Végül is az lenne a cél, hogy az infra kódok ismeretében meg akarok hozzá építeni egy távvezérlőt. Előre is köszönöm.
És gondolod, hogy te olcsóbban fejlesztesz hozzá egyet, mint amit lehet kapni?
![]() Nézd meg a fenekét, szerintem lesz rajta egy 3,5mm-es jack aljzat. Ahhoz már olcsón, egyszerűen tudsz távirányítót csinálni. Néhány gomb és ellenállás kell hozzá. Persze vezeték kell közé, dehát egy autóban nincs távolság, ahova feltétlenül fontos lenne az infra... A hozzászólás módosítva: Dec 8, 2013
Én kaptam a rádióhoz egy infrás távirányítót,azóta mindig tolódik a kormányba épített gombok beüzemelése.Lehet,el kéne hagyni az infrásat ,és akkor befejeződne a project.
Puzzafutár!: ha lesz egy kis időm megpróbálom egy tanítható távval,hogy át tudja-e venni a megfelelő jeleket a gyári távról.Enyim is Sony... A hozzászólás módosítva: Dec 8, 2013
A taníthatóra van esély, hogy jó lesz, csak nem igazán lesz olcsóbb alternatíva...univerzálisat akar a kérdező használni.
Tisztelt Inhouse!
Csináltam már távirányítható cuccot ami RC5 kódolást használt, és minden van hozzá otthon, kivéve infra vevő, az meg pár száz forint. Szerintem te a jack-et a hátuljára gondoltad? Ahol van a többi csatlakozó, meg a biztosíték. Egyébként van olyan csatlakozó a kézikönyve azt írja, hogy "Remote In". Gondolom arra gondoltál. Mi az a csatlakozó és hogyan tudom rajta keresztül vezérelni? Az is jó lenne távirányító helyett. Mivel egy külön eszközt fejlesztek az autómba. Azért kell a távirányító, hogy megtudjam milyen kódokat küld ki milyen kódolással. Most találtam itthon 2 db univerzálisat, azokat majd kipróbálom, de valahol azt olvastam, hogy ugyanez a táv. jó valamelyik Sony DVD-hez.
Szia!
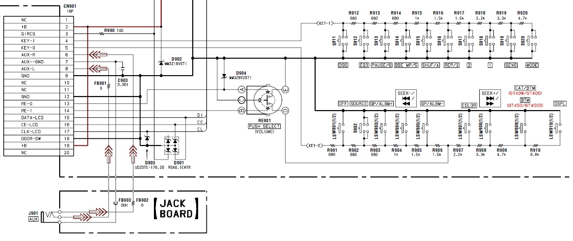
Nem gondoltam, hogy csináltál már ilyet, a többség úgy ugorna neki egy ilyennek 0 tudással, mint a pinty! Idézet: „Szerintem te a jack-et a hátuljára gondoltad?” Igen, ezt írtam: Idézet: „Nézd meg a fenekét, szerintem lesz rajta egy 3,5mm-es jack aljzat.” Ez a hátsó kivezetés egyszerű ellenállásértékekkel operál. Joy alakú távirányítók szoktak lenni. Csak azt kell megtudni, hogy melyik típus való hozzá és arról szerezni egy rajzot. Itt is volt szó róla a HE-n, pl. itt, itt egy konkrét rajz. Én egy olyanból is kivezettem, amin nem is volt ilyen, mivel az előlapok többsége szintén így működik.
Ez jól hangzik és elég egyszerű is, hogy csak ellenállások kellenek.
ebay-en rendeltem kb. 600 darabot nemrég ![]() Viszont hiába keresek hozzá egy rajzot vagy adatokat, nem találok semmit, hogy melyik funkcióhoz mekkora ellenállás kell. Ezzel te hogyan szoktál elindulni, ha kapsz egy készüléket, hogy ehhez csináld meg. Kiméred az előlapnak valamelyik 2 kivezetését, vagy töltesz le service manual-t? Bár ez utóbbit sem találtam. Lehet, hogy rossz helyen kerestem? Tudnál segíteni az elindulásban?
Elsőre azt kellene megtudni, hogy melyik joy való hozzá. RM-X1s, 2s, 4s, 5s...sajnos nincs mindhez rajzom, talán kettőhöz, de már a másikat sem találtam.
Amit én csináltam azért kellett, mert nem volt rajta ilyen. Bár, most, hogy így beszélünk róla, hmmm, lehet, hogy a gyári kivezetés is az előlapi értékekkel megy, azzal párhuzamosan? Egyébként u végűről nem találtam, de a sima, vagy s végűnek a manualjában RM-X151-et írnak IR remotenak. A joynak nem írnak típust sajnos. Na, a kivezetett és az előlap külön bemenet a vezérlőn...ettől mondjuk még lehet ugyanolyan érték is...
Ha csak két pont van, egy potival gyorsan beazonosítható sok funkció.
Írtam a Sony magyar ország ügyfélszolgálatának, hogy mit lehet rákötni... Csak megmondják... remélem. De lehet, hogy ki lehetne mérni is. A "remote in" csatlakozón mérni az ellenállás és közben nyomni egy gombot. ha viszont nem marad más, akkor az előlapon próbálom majd mérni valamelyik 2 lábán.
Igen, ez is eszembe jutott.
Pár levelezés és kis utána járás után (hivatalos Sony kereskedés) kiderült, hogy nincs hozzá kapható joy, viszont van adapter, ami az autó CAN vagy esetemben OBD2 buszáról vezérelhetővé teszi az autórádiót. De ezt az adaptert nem a Sony gyártya, hanem az autógyártó forgalmazza. Szerintetek mennyi esély van, hogy egyáltalán kapnék egy 96-os Vectrához ilyen kütyüt?
Viszont látok esélyt, hogy ez az adapter is ellenállás értékekkel dolgozik. Ha nem ellenállás érték, akkor soros adatátvitel. Mivel a célom nem az, hogy vegyek ilyet (gondolom nem olcsó) hanem az, hogy csináljak és ellássam jó pár extra funkcióval, ezért követve proba tanácsát sorosan kötöttem 3 potit. 100k,10k,1k és jöhet a kísérletezés meg a méricskélés.
Nekem is eszembe jutott, de elég bizonytalan, mivel nem biztos, hogy eltalálod a megfelelő értéket. Nem hinném, hogy szeretné, hogy tekered a potit és majd váltja a funkciókat. Szerintem egy konkrét értéket kell kapjon, kell, hogy éle legyen. Tehát kell egy soros gomb is...
Aztán agyalni, hogy a gyáriban hogyan is hozták ki szabvány értékekből...de megoldható, kárt nem csinál vele.
Idézet: „A "remote in" csatlakozón mérni az ellenállás és közben nyomni egy gombot. ha viszont nem marad más, akkor az előlapon próbálom majd mérni valamelyik 2 lábán.” Raktam rajzot. Az előlapi és a remote in nincs összekötve, függetlenek egymástól... Nem tudsz a remote in-nél mérni semmit. Az előlapon meg nem kell mérni semmit, ott a rajz az értékekkel. Sajnos már nem preferálják a joy-okat, én is keresgéltem egy nem olyan öregnél és ugyanez volt, ezek szerint tendencia, de miért? Fura, hogy a kézikönyv sem taglalja ezt... A hozzászólás módosítva: Dec 10, 2013
Idézet: „Sajnos már nem preferálják a joy-okat, én is keresgéltem egy nem olyan öregnél és ugyanez volt, ezek szerint tendencia, de miért?” Szerintem elég sok köze van a CAN és a többi autós kommunikációs busz megjelenésének hozzá. Mivel amelyik autóban már van ilyen, ott már ÁLTALÁBAN a kormányról elérhetőek az autórádió egyes funkciói. Nálam is, pedig 1996-os az autó. Kipróbáltam a potis verziót, de semmit sem csinált, az is hozzá tartozik az igazsághoz, hogy a jack csati nem teljes hosszával volt bent a rádióban, mivel oda keskeny házas csati kell, nekem meg egy gyári audiokábel volt itthon (vaskos házzal). Szóval le kell cserélnem a jack csatit és még egyszer megpróbálni.
Nincs otthon levágott öntött dugód rossz fülesről? Az jó lehet. Legyen rendesen bedugva és használj gombot is. Állíts be szabvány értékeket, pl. nézd meg a linkelt képeken a joy-t, vagy az te rádiód előlapi értékeit, hátha lesz egyezés...
A bekötés test és egyik, vagy másik melegpont. A magyar utakon igen sok nem CAN buszos autó rohangászik még, elférne az a vezetékes távirányító...a másik, hogy kinél kapsz átalakítót az autódhoz és mennyiért? Megéri? Nem... A hozzászólás módosítva: Dec 10, 2013
Nem éri meg, erről beszélek én is
![]() Ráakadtam egy weboldalra: Bővebben: Link Itt lehet kapni, bár elég borsós az ára. Itt egy konkrét adapter: Bővebben: Link Idézet: „Raktam rajzot” Nem látok se linket se pedig képet, pedig érdekelne.
Hacsak nem az előző hozzászólásodra gondoltál, ahol van 2 kép
na, megvannak az értékek és a funkciók, köszi szépen mindenkinek a segítséget
Sziasztok!
Kaptam egy BLAUPUNKT BOSTON RCR 128 típusú, levehető előlapos autórádiót. Kiválóan szól, csak az a problémám, hogy a kijelzője annyira halvány, hogy alig lehet látni. Nem tudom, hogy ezeknél a kijelzőknél milyen megoldás van a kijelző láthatóvá tételére? A digitális klíma kijelzőjénél égőcserével oldódott meg a probléma, király lenne, ha itt is ilyen könnyen oldódna meg a gond. Próbáltam a neten használati utasítást is keresni hozzá, de eddig nem jártam sikerrel. Nagyon örülnék,ha valaki tudna segíteni! Előre is köszönöm. |
Bejelentkezés
Hirdetés |




)
ebay-en rendeltem kb. 600 darabot nemrég 
Tudnál segíteni az elindulásban? 







