Fórum témák

» Több friss téma
Fórum » MultiSim - tapasztalatok
 
Témaindító: SD, idő: Jún 30, 2006
Lapozás: OK   33 / 37
(#) Kari55 válasza Lac364 hozzászólására (») Dec 18, 2013 /
 
Az nem ugyanaz mint a CD4060.
(#) Lac364 válasza Lac364 hozzászólására (») Dec 18, 2013 /
 
S szerintem a VDD 5V Ill VSS 0v próbáld igy.
(#) Lac364 válasza Kari55 hozzászólására (») Dec 18, 2013 /
 
És 555-ös negativott közösisd a 4060-al.
(#) Kari55 válasza Lac364 hozzászólására (») Dec 18, 2013 /
 
Én ezt szeretném le tesztelni.
(#) Lac364 válasza Kari55 hozzászólására (») Dec 18, 2013 /
 
Tudom.Mint látod nekem is ms12 nem 13.Igy én sem tudom megnyitni de láttam a képet melyet feltöltöttél.De azt sem tudod hogy megy e a 4017 -es egyáltalán. Ha az müködik akor épitsd hozzá a 4060 -at.
A hozzászólás módosítva: Dec 18, 2013
(#) Kari55 válasza Lac364 hozzászólására (») Dec 18, 2013 /
 
Azt hogy tudom meg, hogy működik-e?
(#) Kari55 válasza Kari55 hozzászólására (») Dec 18, 2013 /
 
Kezd jó lenni, a 4017-et lecseréltem 5 voltosra, és levettem a GND-t, így megy egy darabig.
(#) Lac364 válasza Kari55 hozzászólására (») Dec 18, 2013 /
 
A 4060-as nekem sem engedelmeskedik
(#) _BiG_ válasza Kari55 hozzászólására (») Dec 18, 2013 /
 
Célszerű a szimulátor paramétereket resetelni.

Próbából "építettem" egy kéttranzisztoros multivibrátort, de a szimulátorban nem csinált semmit. Nem indult be. Mintha egyensúlyban lenne. A multivibrátor csak valami eltéréstől indul be, ez tény. És a programban a paraméterszórás beállítása sem segített. Hülye szoftver.

Tehát fogtam egy nyomógombot és betettem az egyik tranyó bázisa és emittere közé. Amint a szimulálás indítása után megnyomtam, elindult a multivibrátor.
(#) Kari55 válasza _BiG_ hozzászólására (») Dec 18, 2013 /
 
Most azt hiszem működik. Köszönöm neked is Lac364 Itt látható

Jó éjszakát mindenkinek
A hozzászólás módosítva: Dec 18, 2013
(#) Lac364 válasza Kari55 hozzászólására (») Dec 18, 2013 /
 
Nincs mit. De ha komolyabb led kockát szeretnél épiteni nem 3x3 akor két Db 4017 is használhatsz 1 ill 2 555-öst. ) Sajnos lassu netem nem tölti be a videót , pedig érdekelt volna miért nem indul a 4060-as.
A hozzászólás módosítva: Dec 18, 2013
(#) _BiG_ válasza Kari55 hozzászólására (») Dec 19, 2013 /
 
(#) Trivium93 hozzászólása Márc 21, 2014 /
 
Tudom, hogy itt a megépített munkát kéne felraknom. Most végeztem egy fetes erősítő tervezésével. Szinte csak táptól függő, fetnek bírnia kell a feszt meg áramot. A tranzisztor nem kap nagy áramot szóval szinte csak feszültséget kell bírnia, 50Vról 50mA max. Harmincegyszereset erősít. Max teljesítmény 50Vról : 1%-os torzítás mellett 230W 4ohmon, 10% ~300W. A torzítás a felső feten nincs, de az alsón mint ha elfogyna a táp, levágja az alsó szinusz tetejét (közel 5%-os torzítás körül kezdi levágni). Két vagy négy azonos fetet kell használni (N csatornás), így ugyan olyan jó lesz pozitív szinusz és negatív szinusznál, hiába melegszik, mindkettő együtt változik.

A diódák, azok zéner diódák (12V vagy 16V, nem tudom melyiket fogom használni).

Vélemény-t kérek. De nem azt kérem, hogy pocsék, akkor inkább javaslatot, vagy finoman megmondani a frankót.

Túl azon, hogy nagyon nem jó témát választottál, ezt még az első mondatban le is írod, hogy tudod, még az alapszabályokat sem tartod be! Ejnye! Nem leszünk így jóban!
A hozzászólás módosítva: Márc 21, 2014
(#) (Felhasználó 46585) válasza Trivium93 hozzászólására (») Márc 21, 2014 /
 
Üdvözöllek a Multisim használok táborában! De ez a hozzászólásod inkább oda való lenne... van topicja. De ezt majd a moderátorok eldöntik.
Van néhány dolog, ami így biztosan nem jó. Részletesebben a Multisim topicban. Itt most csak annyit, hogy a Multisimben gyönyörű kapcsolási rajzokat lehet csinálni. Próbáld meg kiegyenesíteni az össze-vissza töredezett vonalakat, mert így nagyjából átláthatatlan az egész.
(#) Trivium93 válasza (Felhasználó 46585) hozzászólására (») Márc 21, 2014 /
 
Hello mindenkinek!
Megpróbáltam ennél jobban kiegyenesíteni nem nagyon ment, csatolok még egy képet ennyire sikerült.

Multisimbe szoktam megtervezni az erősítőket. Már PWM erősítőt is terveztem benne, de az egyszerűbb volt mint ez. Tegnap 3-4 órát, csak azon szenvedtem, hogy nagyjából jó legyen és szóljon. Biztos fűt (mint a kazán).
Szerintetek lenne értelme megépíteni?
Elfogadható FET-es erősítőnek?
Van ebbe hiba?
A hozzászólás módosítva: Márc 21, 2014

multi12.png
    
(#) (Felhasználó 46585) válasza Trivium93 hozzászólására (») Márc 21, 2014 /
 
Az IRF840 egy 500V-os tranyó, jó nagy csatornaellenállással. Nem ide való. Tegyél bele inkább IRF640-et. De ez a teljesítmény azzal sem fog kijönni. Ha nem tudod kiszámolni a tranzisztor igénybevételét, akkor számoltasd ki a szimulátorral. Ne a műszereket használd, mert azok a fene tudja mit mérnek. Én a Display Graphot használom, ez egy szkóp tulajdonképpen és annyi sugarat jelenít meg, amennyit csak akarsz. Többek közt beírhatod azt is, hogy szorozza be egy tranzisztoron eső feszültséget a rajta átfolyó árammal. Ezt jelenítse is meg. Beírhatod úgy is, hogy képezzen átlagértéket. Akkor már láthatod, hogy mekkora disszipáció lesz a tranyón, összehasonlítod az adatlapjával, hogy kibírja e.
Egy FET-et nem lehet rendesen lezárni egy 100 kohmos ellenállással, pláne nem 20 kHz-en. Oda sokkal kisebb kell, vagy valami egész más kapcsolástechnika. Nem értem az opamp tápfeszellátását. Jó ez így szerinted? Nézd meg, hogy mekkora feszt kap a GND-hez képest. Magát a rajz működését inkább nem néztem...

Ha a szimulátort tanulod, akkor jóval egyszerűbb, működő kapcsolással próbálkozz. Itt van egy VF2 féle. Betöltöd, aztán:Simulate/Analyses/Tranziens Analysis/Simulate. ( Az Output táblázatban beírhatod, hogy mit akarsz megjeleníteni. )Az analízis lefut, közben már megjeleníti az eredményeket a Display Graphon.

VF2féle.ms10
    
(#) Trivium93 válasza (Felhasználó 46585) hozzászólására (») Márc 21, 2014 /
 
Rendben. IRF640-el kísérleteznék, ha lenne benne.
Amit megcsinálok majd élőbe, abba 4 FET (IRF640 , 200V, 16A-->20C°-on, 100C°-on 13A) lesz. Négy darabnak bírnia kéne a 250Wattot.
A tápot elnéztem sajnos, a nyáktervben is van egy hiba, de ott tranzisztoros áteresztő van, ami biztos, hogy 12V-ot tartja +- ba.
A lehúzó ellenállást levettem 1kOhm-ra.



Nem tanulom sajnos, csak valami lett vele, nagyon furcsa és sok mérőeszközt nem találok. Újra raktam a programot de ugyan ilyen furcsa maradt.
(#) (Felhasználó 46585) hozzászólása Jún 14, 2015 /
 
Már van Multisim 14, meg Multisim Blue. Tudtok ezekről valamit? Miben jobb a 14-es, mint a 13-as? A Blue, csak valami korlátozott dolog.
(#) Ge Lee válasza (Felhasználó 46585) hozzászólására (») Jún 14, 2015 /
 
Most hogy mondtad le is szedtem, majd alkalomadtán kipróbálom. Csak újítottak rajta valamit...
(#) Lac364 válasza (Felhasználó 46585) hozzászólására (») Júl 12, 2015 /
 
14 ben van újitás amiért megéri letölteni. 13 -ban is gondolom van , de az küllemre is megegyezik az előttelévőkkel.
(#) (Felhasználó 46585) válasza Lac364 hozzászólására (») Júl 12, 2015 /
 
Közben megnéztem, kicsit kényelmesebb lett a Display graph. Lehet, hogy az Ultiboard jobb lett, de azt nem használom.
(#) Lac364 válasza (Felhasználó 46585) hozzászólására (») Szept 21, 2015 /
 
Nem rég vettem észre ,sokkal kevesebb alkatrész lelhető fel a 14 ben. Nem lehet alkatrész könyvtárat áttelepiteni szerinted?
(#) (Felhasználó 46585) válasza Lac364 hozzászólására (») Szept 21, 2015 /
 
Nem tudom, biztos lehet valahogyan, de én nagyon kevés valós alkatrészt használok. Ha máshogy nem lehet, akkor egy korábbi verzióban rajzolsz valamit az abban levő alkatrészekkel és egyszerűen meghívod, majd elmented a 14-es verzióban. Amikor kell az adott alkatrész, előveszed a lementett fájlok közül.
(#) Lac364 válasza (Felhasználó 46585) hozzászólására (») Szept 21, 2015 /
 
Mert a 14 es korábbi verziókat megnyitja?
(#) (Felhasználó 46585) válasza Lac364 hozzászólására (») Szept 21, 2015 /
 
Igen! Ezt a kényelmes tulajdonságot meghagyták benne.
(#) Lac364 válasza (Felhasználó 46585) hozzászólására (») Szept 21, 2015 /
 
Még egy kérdés ,szerinted mennyire életképes ez a kapcsolás? Multisimben jől müködik s annyira megtetszett az egyszerüsége, hogy gondolkodom rajta megépitem.. Persze kiváncsi lennék a véleményedre.

Design33.ms11
    
(#) (Felhasználó 46585) válasza Lac364 hozzászólására (») Szept 21, 2015 /
 
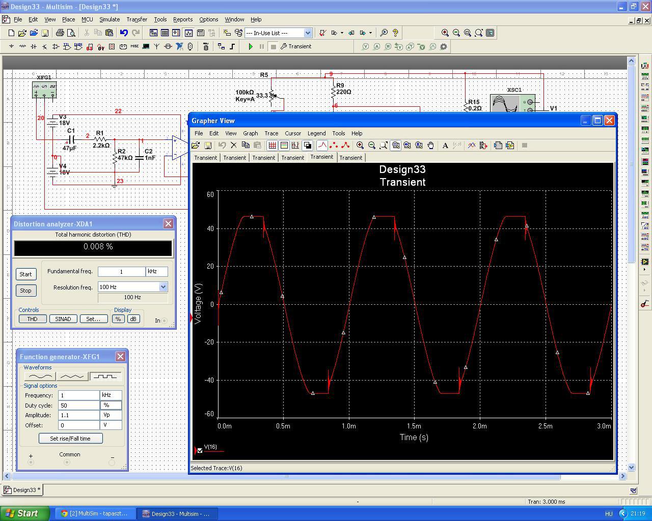
Elvileg életképes, de az a baj, hogy a nyugalmi áram hőstabilitása nem lesz jó. Erre más megoldást kell használni. Az a két poti erre a célra nem jó. A másik, hogy a nagyfrekvenciás viselkedése sem lesz jó, itt van egy tranziens analízis eredménye, ezen látszik, hogy túlvezérelve nem az igazi a dolog. Egyébként, az áramkör hőfokfüggését is lehet vizsgálni. Ez kissé korlátozott bizonyos szempontból, de némi gyakorlattal összehozható.

A másik, hogy próbálj szebben rajzolni. Így nehéz követni a rajzodat. Én nem szoktam használni az MS műszereit, engem kifejezetten idegesítenek. Tudom, hogy mit akarok kiszámoltatni, akkor lehet pl. Tranziens analízis. Vagy AC analízis, vagy Fourier, stb. És ezeket teljes képernyőn meg tudja jeleníteni, akárhány sugárral. Tehát, egy végtelen sugaras szkópot használhatsz, amin bármit meg lehet jeleníteni. ( Mondjuk ki lehet számoltatni valaminek a hatásfokát, a felvett áram középértékét, effektív értékét, vagy szinte bármit, ami az eszedbe jut ) Ehhez van a Display Graph.
(#) (Felhasználó 46585) válasza (Felhasználó 46585) hozzászólására (») Szept 21, 2015 /
 
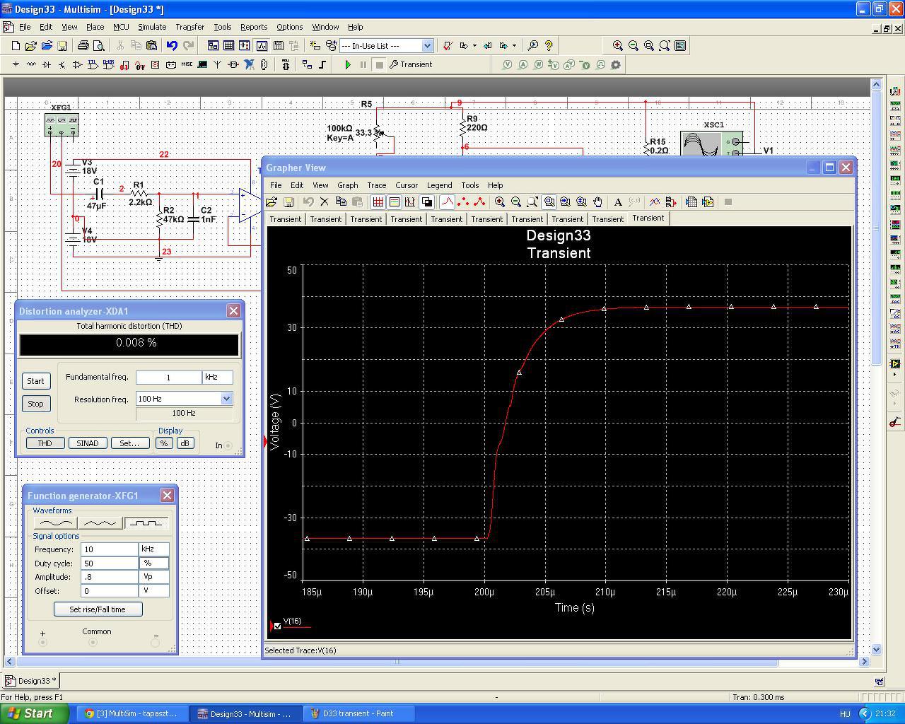
Vagy itt van egy másik analízis eredménye, a bemenetre 10kHz-es négyszöget tettem és egy átmeneti állapotot látsz. Vagyis, nem igazán jó, ennek nagyon szép exponenciális felfutásnak kellene lennie, nem lehetnek benne törések.

Egyébként, ami a szimulátorban működik, az biztosan fog menni a valóságban is, de csak azonos körülmények között. Tehát, ha nem nézted meg, mit csinál az áramköröd akkor, amikor a végtranyók 80 fokosak, az eleje meg csak 40, akkor nem biztos, hogy a valóságban is jó lesz. A szimuláció nem igazán ilyesmire való, bár nagyon sok mindenben tud segíteni. Ahhoz, hogy erre is jó legyen, nagyon sokat kell simogatni a keyboardot, vagyis, nagyon időigényes. Viszont, vannak olyan dolgok, amiket a szimulátor használata hihetetlenül fel tud gyorsítani. Kicsit olyan, mint a logarléc használata. Nagyjából tudni kell a végeredményt. Ha erre ráérzel, még a kockás papírt sem veszed elő...
(#) Lac364 válasza (Felhasználó 46585) hozzászólására (») Szept 22, 2015 /
 
Az eredeti leírás itt található a kapcsolásról. A 100k poti a leírás szerinti 40mA-res áromot szolgáltatott beállitani.Természetesen beálitás után cserélendő lenne.. Egyébb módositások a Multisim kapcsolásban miket felfedezni véltél csak kisírleti jellegüek. 10khz négyszögjel jelenleg igy a legszabályosabb Multisimben.

Bővebben: Link

Design33.ms11
    
(#) (Felhasználó 46585) válasza Lac364 hozzászólására (») Szept 22, 2015 /
 
Csak az a baj, hogy ez csak egy elv, hogy lehet szimulálni ezt a kapcsolást. Ez biztosan jól működik abban az egyetlen beállításban, ahol az MS szimulálja. A valóságban viszont elég sok változás van, ami az MS-ben egyáltalán nincs figyelembe véve. Ugye, semmi nincs, ami a nyugalmi áram hőstabilitását biztosítaná? Ez nem baj, csak tudni kell, hogy ez a szimuláció nem fogja tükrözni a valóságot, tehát, ezt a problémát meg kell oldani majd a valóságban. Erre mondtam, hogy nem kell mindent szimulálni, de tudni kell, hogy adott esetben mik a korlátok és utána úgy kell megépíteni, hogy ezek a korlátok ne legyenek benne.

Ha csak ilyen a négyszögátvitel, akkor az nem jó, vagy csak egy kompromisszumnak tekinthető. Azért erre vannak megoldások. Ezeket viszont nagyon jól meg lehet találni szimulátorban.

A neten található cikkeket azért nem árt komoly kétkedéssel fogadni... alapnak jó, ötletadónak jó, de ahhoz, hogy valami legalább a szimulátorban rendesen menjen, sokkal több kell. Ezeknél sokkal komolyabb cikkek is vannak... amik ugyanúgy, sehova sem vezetnek...
Következő: »»   33 / 37
Bejelentkezés

Belépés

Hirdetés
XDT.hu
Az oldalon sütiket használunk a helyes működéshez. Bővebb információt az adatvédelmi szabályzatban olvashatsz. Megértettem