Fórum témák
» Több friss téma |
Sziasztok!
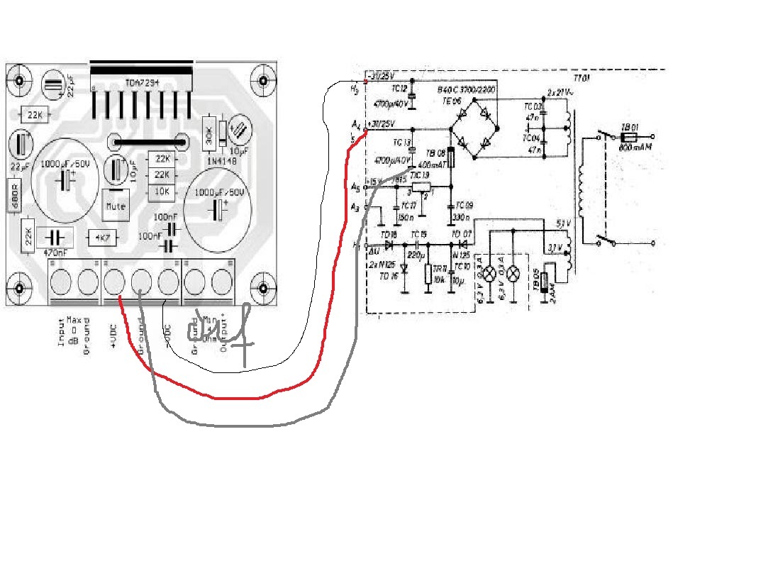
Segítsetek kérlek ,elkészítettem a képen látható TDA 7294 erősítőt szeretném indítani de nem tudom hogy kössem össze a képen látható táppal mivel ,hogy nem stereo az erősítő és van hozzá egy 8 ohmos mélynyomó . üdv: aramis A hozzászólás módosítva: Feb 16, 2014
Így kell összekötni a táppal.
Köszönöm . Még annyit, hogy egy potmétert is be kellene kötni ,hogy ne legyen teljes hangerőn ha beindítom. A potit hová kössem és milyen értékűt?
üdv: aramis
47k vagy 100k
Ha nem adsz rá bemeneti jelet bekapcsoláskor...
A hozzászólás módosítva: Feb 16, 2014
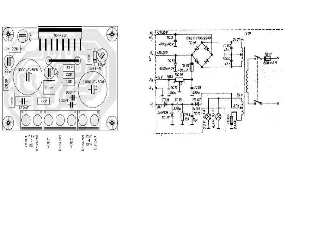
És Így kell bekötni
Gratulálok szép munka! Jól szól a mix is!
Köszi! Még pár apróság/javítanivaló akad rajt, azt majd jobb lesz...
A bemenet és a mute földje.
A hozzászólás módosítva: Feb 17, 2014
Valami egyszerűbb IC-s végfokot éítenék, ezt az IC-t ajánlották.
6 ohmos hangfalhoz kellene illesztenem, és 20-50W teljesítményre lenne szükségem. Kérdés tehát, hogy mekkora feszültségről lenne érdemes járatni, és mekkora trafó kell, hogy ne torzítson? Nekem a lényeg, a szép és torzításmentes hang!
Szia! 50W alatt már csekély a torzítás. Mellékelek diagramot a tápfeszültség kiválasztásához, a 4-8 ohm-ot átlagold, az fog a 6 ohm-nak megfelelni.
A transzformátor teljesítménye legyen a leadható legnagyobb teljesítmény 1-1,5-szerese, attól függően mennyire szeretnéd csúcson járatni. A hozzászólás módosítva: Feb 17, 2014
Nos megépítettem, ránéznétek? szerintetek? (7293). Éleszteni nem tudom lehet fogok egy 12 voltos trafót és megpróbálom arról.
Sima 12voltos trafó nem lessz jó. Kell neki +- és a gnd.
A kimenetet hogy mérjem a mute és az out közt? Mert ott 30 mv van.
Nem a kimenetet a GND és az OUT közt kell mérni.
Köszönöm szépen!
Akkor csináltatok 2*20V-os (DC-ben az ~28V) 120W-os trafót. Az kb elég lesz az igényeimnek.
Az erősítőd várható teljesítménye ezzel a tápfeszültséggel 6 ohm-ra 40W lesz.
Édes Istenem....
Hányszor, de hányszor írta már Reloop, meg még sokan mások... Élesztésnél primer köri izzó használata kötelező.... Most nézem... létezik hogy nem forrasztottad be az IC-t? A hozzászólás módosítva: Feb 17, 2014
Be volt forrasztva minden rendesen... Fogta és leégtek a lábai, ezenfelül sercegés közepette ledobta az elejét is... Előzmény: Videoton táp lebegőpontosra + - 34 Vdc vel féltápfesz ezután zárlatba küldte a kondikat is mert melegedett - + 43 vdc nél pedíg megadtam neki a kegyelemdöfést, izzóm sajna nem volt kéznél így gyorsba nem bírtam várni holnapig rákötöttem...
Hűtőborda is volt.Bocs de sosem raktam össze még sem kitteset sem egyebet...
A hozzászólás módosítva: Feb 17, 2014
Uram Isten... Ráadásul kittes... Sosem értettem, hogy nem lehet kitteset hibátlanul összerakni... XD Mert azt megértem ha saját áramkört elba...ok. De egy kittet? Minden a hején van am? Izzót mért nem raktad primer körbe élesztéskor? Én először 9V elemmel élesztettem...
Am javasolt egy nagyfesz potis lámpakapcsoló trafó elibe... tudod amolyan villanykapcsoló... Ahogy tekered annak arányába ad egyre nagyobb feszt a trafóra... Azt ha gond van csak letekered...
+-43Vdc az már sok avégfoknak... :/
Első körben nem csinált semmit abszolúte nem is melegedett, Mindent jól ültettem be 2X leellenőriztem...Nem tudom mi lehetett a gond...
|
Bejelentkezés
Hirdetés |





















