Fórum témák
» Több friss téma |
Fórum » Léptetőmotorok (vezérlése)
Igen, bocsi elírtam.
A hozzászólás módosítva: Feb 23, 2014
Pár hozzászólással lentebb belinkeltem egy kapcsolási rajzot. Nekem bevált, Vaterán vettem hozzá alkatrészt, valami pár száz forint volt a vezérlő IC. Át kell alakítani a kimenetét.
Udvozlet mindenkinek!
Rendelkezesemre all sok db. NJM3772D2 felirattal ellatott Bővebben: Link meghajto ic. A kerdesem a kovetkezok lennenek, ha tudtok segiteni: 1) mi az a phase1 phase2 ? 2) hogyan tudnam ezt step-dir uzemmodban hasznalni? 3) kothetek 1 ilyen meghajtora t0bb motrot is? Celom, hazilag barkacsolt cnc-szeruseg es gondoltam, hogy iranyonkent rakok legalabb 2 motrot. A motrok-rol egy link: Bővebben: Link 4) ha a 3. kerdesre nem a valasz akkor 1 jellel, hogyan tudn'm megkerni a motrokat, hogy egyszerre mozogjanak ![]() Segitsegeteket koszonom elore is, Szabi. U.i. Ne haragudjatok az ekezetek nemhasznalataert. Nem az enyem a gep es rossz szemekkel neznek az esetleges modositasokat. A hozzászólás módosítva: Feb 25, 2014
Ez az IC a dokumentáció szerint csak egy léptetőmotor végfok IC, kell elé egy elektronika, ami megmondja hogy a bipoláris léptetőmotornak melyik tekercsét gerjessze (azaz merre mozduljon). Ezek a Phase1,2 lábak, (digitális), és a Vr1,2 lábakon (analóg, 0-2.5V) megmondja mekkora árammal (0-1A/fázis). Közvetlenül nem tud step/dir jeleket fogadni. Ha a Vr lábakra fix feszültséget adsz (pl. potit feszültség-osztóként kötve), akkor egy teljes vagy fél-lépéses meghajtást (akár kapu-áramkörökből) elé rakva használhatod (kisérletezni).
A belinkelt motorokból nem hogy kettőt párhuzamosan, még egyet se vinne el (vagyis teljes erôvel nem), max. 1A/tekercs a terhelhetősége, a motoroknak pedig 1.5-3A/fázis. Több motort nem feltétlen kell párhuzamosan kötni egy meghajtóra (de persze olcsóbb úgy), több meghajtót is köthetsz párhuzamosan ugyanarra a step/dir jelre.
Köszönöm a gyors választ. Az alkatrészeket egy inteligens lámpából mentettem ki Lámpa. Ebben kb 13 meghajtó ic van. Azok az ic-k amelyek a fel-le illetve a jobra balra mozgásért feleltek el voltak látva még hűttőlemezzel is. Előbbi feladatot 2-2 unipolaris motor (bipoláris mert a tekercsek közös pontja nincs bekötve) látja el és ezek párhuzamosan vannak rákötve. Azért termeltem ki ezeket a motrokat, mert ezek voltak a legnagyobbak
. Szeretnék kérni egy szivességet, ha tudsz segíts egy kapcsolási rajzzal a meghajtó elektronikát illetően Köszönöm előre is, Szabi!
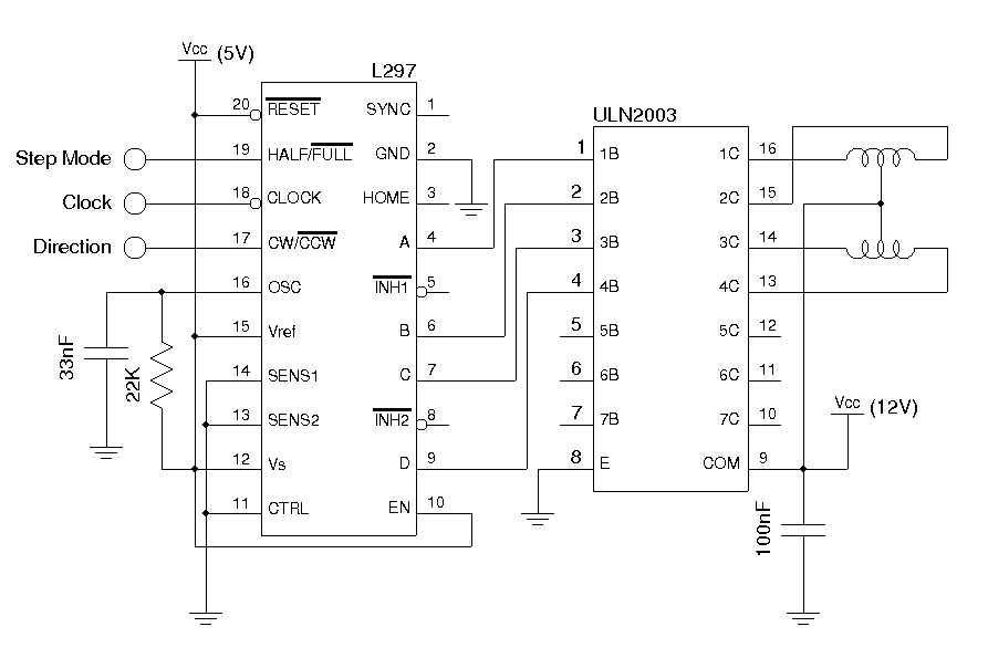
A legegyszerűbb, ha fogsz egy L297 ütemvezérlő IC-t, két lábát (például A,C, vagy B,D) kötöd a két fázis lábra, és mint írtam, a két áram beállító lábra potit raksz. (Ennél jóval olcsóbb, ha megépíted ezen a képen látható kis áramkört, ez ugyanezt csinálja, itt is az első és harmadik kimenet kell.) Ez nem oldja meg viszont, hogy amikor épp tartósan nem mozog a motor, akkor ne melegedjen a motor, ilyenkor el kellene venni az áramvezérlésből (tartóáram) . Egy mikrovezérlővel ezt szépen meg lehet oldani. Nem tudjuk mihez értesz, és mennyire. Nem tudjuk hogy az IC-ket magában (pl. a referencia kapcsolást utánépítve), vagy az eredeti panelt felhasználva akarod használni. Egyáltalán mit akarsz mozgatni a motorral.
A hozzászólás módosítva: Feb 25, 2014
Szeretnék készíteni egy cnc marógéphez hasonló szerkezetet. Egyelőre csak maga az asztalt szeretném elkészíteni amin egy fejt x,y koordináták alapján tudok vezérelni szűmítógépről. rendelkezésemre állnak ezek a motrok amiket már ltp portról sikeresen tudtam üzemeltetni, viszont evvel fel is használtam az összes "output"-ot az LTP porton. Most ugyancsak ezeket a motrokat szeretném vezérelni "Step-Dir" módszerrel. Tudásom az majdhogynem nulla, mert az elmélettel soha nem foglalkoztam (most már bánom), viszont nagyon gyakorlatias vagyok
megkapok egy kapcsolási rajzot, megtervezem a nyákot, elkészítem összerakom és van sikerélmény mert eddig szerencsémre mindig működött.Programozási nyelvekkel eddig simán elboldogultam mármint amiket használnom kellet (Matlab, Visual Basic, Pascal ), de nyitott vagyok másokat is megtanulni.Pillanatnyilag ezekből az ic-kből és motorokból szinte korlátlan mennyiség áll rendelkezésemre, + ma még az egyik lámpa belében találtam egy AT89S8252 mikrovezérlőt. Ezek segítségével szeretnék egy minél jobb motorvezérlő berendezést barkácsolni
Sziasztok!
Szereztem egy HY 200 - 3437 - 400 A8 típusú léptető motort (adatlapja a csatolt fájlban) és ehhez keresnék kapcsolási rajzot. A motornak nem kéne semmi extrát tudnia, csak ha bekapcsolom az áramkört ,akkor egy irányban forogjon. A segítséget előre is köszönöm! üdv.: Roland A hozzászólás módosítva: Feb 26, 2014
Ilyen komoly feladatra miért nem keresel egy sima DC motort?
Mert ez elég nagy teljesítményű, meg ingyen volt.
A DC motor hasonlo méretben mindig nagyobb teljesitményü lesz ( ezt ha tulterheled egyszerüen megáll).
Feltételezem, a kolléga mechanikus terhelésre gondolt. Ott, ha nem bírja a motor meghajtani azt a dolgot, akkor valóban, megáll és zúg.
Elektromos túlterhelés esetén pedig leég a tekercs.
A köv. problémám lenne : van egy léptető motorom, amire találtam is megfelelő bekötést a vezérlésre , ami a képen látható, de a nagyobb baki ott jön, hogy szükségem lenne tudni a pontos helyzetét a motornak szögekben megadva ... gondoltam hogy valami csekkolót bevezetni a vezerlés bemenete és a motor kivezetései kozé de eddig semmi :/ esetleg ha van ötlet megkoszonnem , az Atmel AT mega 16 os ic programozas/égetés ötletek is jöhetnek
Neked más vezérlés kell, mégpedig az 555-t kell egy számláloval helyettesiteni ( lehet AVR vagy bármi), amiböl a szögeknek megfelelö mennyiségü impulzust adsz ki. Ha motor felbontása mondjuk 3,75 fok, akkor 10 impulzusra 37,5 fokot fog fordulni. Ha absolut érték kell akkor kell egy referencia, ami nullázza a számlálot és innen indulsz impulzusokat adni.
igen csak ott a probléma , hogy abba az AVR - be kell valamilyen programocska , es nekem a programozás a gyengém :/
Sziasztok!
Már írtam ez ügyben, ne haragudjatok, hogy újra felvetem a témát, de újabb kérdésem akadt. A lenti kapcsolás jól működik nekem 12 Voltos léptetőmotorral. Szeretnék rátenni egy pm55l - 048 - ksc7 jelű motort is, ez 24V 0.8A az adatlapja szerint. Korábban írtátok itt, hogy ezt az ULN2003 nem fogja bírni, mert csak 500mA-es. Volna egy-két kérdésem, mielőtt kiegészítem a kapcsolást tranzisztorokkal megfejelve, és ennek ész nélkül nekiugranék. - Ha egy léptetőmotor 24V 0.8A-es adatlap szerint, megnövekedhet-e ez fölé az áramfelvétele mondjuk olyan esetben, amikor a lehető legnagyobb erőt kell kifejtenie a munka során, akár olyan szintig, hogy nullára fékezi a terhelés? - A 24 Voltos motor csak 15 Voltról menne, az oka, hogy mégis használni fogom, hogy van rajta egy fáin mechanika, egybeépítve. Ez esetben sem lehet elég az ULN? Nem titok egyébként, egy katonai kerámia forgókondenzátor forgatóról van szó. - Nem akarok rá már túl sokat költeni, a következő alkatrészből van nekem sok itthon: 2N3253 40V 1A TO39 tokos tranyó, illetve BD249. Merjem a kicsit használni, vagy maradjon a nagyobb? Köszönöm!
Az AVR-t Te emlegetted. Konvencionális áramkörökkel is megcsinálhatod néhany számláloval meg kapukkal beadod a lepések számát ( mondjuk 20-t) az 555-böl kapuval kiengedet az impulzusokat a számlálo meg kezdi kivonni a beállitott szamból (20). Amin 0-ra ér elzárja a kaput, és megáll a motor. Nem kell programozni, csak gondolkodni. Ha BCD kodban adod meg arra vannak displayek amik neked azonnal ki is mutatják, hogy hova fog fordulni.
A hozzászólás módosítva: Márc 1, 2014
Abban az esetben ha a fenti abramhoz ahol az 555 os IC nél a 3- as lábnál az órajel kimenetele van.... na oda csatolnák a képen látható másik 555 os IC orajelét aminél a lényeg az , hogy az impulzus hosszát tudja szabályozni... namost tippeket kérek , hogy ha a két 555 ös órajele összekerül és rá küldöm a vezérlésre , abbol mi sülhet ki?
Semmi, mert neked nem az impulzus szélességét kell változtatnod, hanem azok számát. ( a te motorod egy léptetömotor!)
Analogban is meg kehet csinálni, de pontatlan, rossz és jo szkop kell a beállitáshoz.
Sziasztok van 2 léptetőmotorom 6 kivezetéses és nem tudom sajnos kimérni sem melyik melyik lába .. szerintem unipoláris 5 fázissal csillagba, 6. a 0!
külön külön szeretném vezérelni a két motort, ha tudna esetleg segíteni valaki hogyan tudom megoldani lehetőleg olcsón és nem olyan mikro lábas ic-vel akkor segitsen a válaszokat előre is köszönöm
ja és milyen módszerekkel lehet kimérni még a műszeren kívül?
a 0-át könyű lesz.. mondjuk ha 5 fázis akkor pedig 10 variáció szerint lehet bekötni ![]() nade ehez nekem kellene egy jó kis vezérlőmodul amit nyomtatóportról hajtok meg egy progival ha jól gondolom ![]() 120 féle képpen lehet bekötni ![]() ezzel elleszek Idézet: kapcsolgass a vezetekekre feszultseget, es meglatod, hogy merre mozdul... Ha 6 kivezetese van, akkor szerintem az 4 fazisu unipolaris motor. Ket kozos es negy vég. Esetleg egy fénykép van roluk?„ja és milyen módszerekkel lehet kimérni még a műszeren kívül?” Amugy meg egy LED, egy ellenallas es egy laposelem is hasznalhato Ohm meronek. Legalabbis arra, hogy kideruljon, hogy mely drotok vannak egymassal galvanikus kapcsolatban. De innen meg hosszu az ut a nyomtatoportig... Nezz vissza itt par rajzot, lathatod, hogy a hat kivezetes hogyan van a motoron belul kotve. A hozzászólás módosítva: Márc 4, 2014
csinállok képet.. led-el sorosan az ellenállás?
a hat kivezetés úgy van rajta hogy 3-3 van külön
a kép lemaradt
a motron vannnak jelzések de nem találtam semmit róluk: bp24351804
Bocsi a sok hozzászólásért..de ezekkel a kapcsolásokkal mekkora a legnagyobb fordulatszám amit ellehet érni? Gondolok itt például 4 tekercsre mint a léptetőmotoroknál, csak mágnes nélkül...
szóval ellehetne érni 24,000,000 fordulatszámot?( 400Mhz) lerajzoltam mire is gondolok:
Te látod az élességet? Nem hiszem, hogy nem látod, hogy az élesség nem a tárgyon van.
|
Bejelentkezés
Hirdetés |


















