Fórum témák
» Több friss téma |
Sot bizonyos esetekben az iparban csak SSR hasznalhato (pl robbanasveszelyes kornyezetben)
Köszi.
Ezek szerint egy MOC3041+ BT151 páros duplázva jó lenne a feladathoz. A MOC led felőli végére egyen vagy váltófeszültség kell? Nézegetem a gyári SSR-eket és kissé húzós árúak. Valami olcsóbb kellene... A jelenlegi mágneskapcsolós megoldást cserélném valami halkabb, mozgó rész nélküli megoldásra. A vezérlés egy szekrényben van elhelyezve egy épület külső falán. Ezért fázok a mozgó részektől. A hozzászólás módosítva: Márc 15, 2014
Ha a MOC3041 adatlapjan talalhato gyari ajanlasra gondoltal, akkor jo az elgondolasod (MOC3041 + 2xBT151). Az MOC LED bemenetu es igazabol DC szinttel tudod meghajtani. AC eseteben el kellene tolnod a 0 pontot, maskulonben csak a + jelszint kerul feldolgozasra, a - nem mivel 0V alatt nem mukodik. Az adatlap szerint a megfelelo mukodes erdekeben 15mA-rel kell meghajtanod.
Ez a 0 pont eltolás nekem kínai így elsőre (és másodikra is)..
![]() Legfeljebb kiépítek egy 12 v 24 volt-os vezérlőrendszert is...( trafó, greatz, simítókondi, a MOC-hoz meg egy áramgenerátor ) ![]() Amúgy tényleg a gyári ajánlást tervezem ( fig 15) .
Hello! "Tolmácsolnám"..
- A nullpontot azért írta, mert a MOC nullátmeneti kapcsoló. Így pont a nullpontnál kellene világítania a Led-enek. Ha váltóról vagy szűretlenről táplálnád, pont a nullpont közelében nem világítana a Led. Vagy is ahhoz, hogy pont ott világítson a Led, a váltót 80fokkal el kellene tolni. - A szűrt DC feszültség teljesen megteszi, áramgenerátor sem kell, elég egy mezei áramkorlátozó ellenállás. üdv!
Szia!
Köszönöm a "fordítást". Ettől a fázistolástól valóban egyszerűbb a szűrt táp. Tényleg egyszerűbb a sima ellenállás, mivel itt egy konkrét esetre kell a led áramát beállítani, nem általános célról van szó.Köszönet mindenkinek.
Menet közben új fejlemények jöttek..
![]() Lehetséges, hogy 3 fázisról kellene megoldani ezt a szerkezetet. A teljesítmény 370 W. Kikivitelezhető- e úgy a dolog, hogy fázisonként van egy MOC + antiparallel BT páros ? A MOC-okat egy kapcsoló működtetné, a tirisztorok meg fázisonként szakítanák a 400V-ot.
Természetesen 3 fázisról is megoldható (antiparalel BT azok tirisztorok lehetnek). Nekem nem sikerült az irányváltást kivitelezni hosszas nyűglődés után sem... Azóta azt vallom, hogy az irányváltáshoz mindig egy mágneskapcsoló, vagy relé és pár tized mp késleltetéssel kapcsol az SSR.
(Az volt a gond, hogy a fáziscseréhez két-két SSR sorosan kerül két fázis közé és semmilyen zavarszűréssel nem sikerült kiküszöbölni az időnként bekövetkező főelektródok felőli téves gyújtást, ami gyakran már a feszültség alá helyezéskor is bekövetkezett - kiverve a két fázis biztosítóit...)
Köszi, majd ki fog derülni mi lesz a végleges megoldás.
Helló!
Egy PIC24-gyel szeretnék vezérelni egy rezgőszivattyút és jó megoldásnak tűnne a kettő közé valamilyen optoleválasztott sztr, de nem igazán tudom, hogy milyen, vagy mi alapján keressek. A szivattyú 48W, 230V, 50Hz-en megy, a PIC, pedig 3-3.6V és van induktív terhelés. Erre valaki tudna ajánlani pontos típust?
Most szeretnék először SSR-t használni. 25A-es hűtőbordára csavarozható típusokat nézem, amelyek 3-32VDC -vel vezérelhetők. Viszont sajnos sok gyártónak nem elég részletes az adatlapja, nem írnak arról, hogy kell ide áramkorlátozó ellenállás, vagy csak rákapcsolok pl. 5V-t és kész. Én úgy láttam, hogy nem szükséges ide ellenállást tenni, de bizonytalan vagyok.
Szia!
Természetesen nem kell áramkorlátozó, hisz az elektromechanikus relének sem kell, ebben is egyezik a hasonlóság. Általában áramgenerátor hajt meg optocsatoló LED-et, amin keresztül kapcsol be az eszköz. A hozzászólás módosítva: Ápr 12, 2014
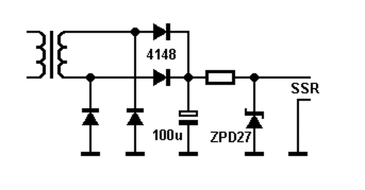
Van egy 24v AC kimenő feszültségű vezérlő készülékem.Szeretnék egy 1.5 KW teljesítményű villanymotort kapcsoltatni, szilárdtest relével.Úgy gondolom egy 230v 10 A paraméterrel rendelkező megfelelne? Sajnos azonban nem találtam olyat aminek a vezérlő feszültség tartományában 24 v váltakozó feszültség lenne.Amiket találtam, mind egyenáramú feszültséggel vezérlik 3 - 32 V DC.Kérdésem ,elég lenne egy egyenirányító egységet közbeiktatni?Egyébként SSR tipusú szilárdtestreléket néztem
Segítségeteket előre is köszönöm! Üdvözlettel: piljani A hozzászólás módosítva: Ápr 16, 2014
Egyenirányítani kell, picit megszűrni 100mikróval és megfogni egy 27V-os zenerrel. Nem lépheted túl a 32V-ot a bemeneten.
SSR= Solid State Relais azaz: szilárdtest relé. (tehát nem utal a típusra)
Helló Sebi !Köszönöm a hozzászólásodat.Megvan a pontos szilárdtestrelé tipusa:SSR-25 DA.Ezt kellene kapcsolgatnom a megadott módon.Kérlek ha van időd,egy egyszerű egyenirányitó kapcsolást dobjál nekem össze.Adatok:U:24 V Ac.Sajnos az ssr input adatairól csak annyit tudok, hogy: 3 - 32 V Dc
Segítségedet előre is köszönöm:piljani
Az ellenállás értékének meghatározásához tudni kell az SSR bemenetének áramfelvételét és a 100µF-on kialakuló feszültséget. Ha feltételezzük, hogy kb 12V esik majd az ellenálláson és megengedünk kb 5mA-t, akkor 2,2k megfelel. (ha jól emlékszem, akkor az SSR bemenete 3-4mA-t kér.) Abban az esetben, ha a ki-be kapcsolgatás a graetz előtt (tehát a váltófesznél - primer, vagy szekunder oldalon) történik, akár elhagyható a zener és az ellenállással kell beállítani, hogy az SSR bemenetére 32V-nál nagyobb ne jusson. Mivel már 3V-nál is működik, az ellenállás értéke széles határok között megválasztható.
Sziasztok!
Van egy einhell kis darum,aminek a vezérlését szeretném kiváltani kapcsolósról,szilárdtest vezérlésűre. A kérdésem lenne,hogy az alább csatolt rajz működőképes-e,vagy még valami kiegészítést javasoltok. Mindenképp kérném a véleményetek a megépítés előtt. Üzembiztosság szempontjából jó a kapcsolás? Mivel ugye daru. Segítségetek,hozzászólásotokat előre is köszönöm. A hozzászólás módosítva: Jún 25, 2014
Üdv Mindenkinek !
Végig olvastam ezt a fórum topikot,de a problémámra nem találtam választ.Szilárd test relém (1 fázisúak) van ez nem gond. Amit leírok nem tudom hogy lehetséges-e? Egy 4kW -os háromfázisu motort szeretnék a szilárd test relékkel vezérelni, oly módon hogy a motort deltába kötöm és az SSR vezérlésével valamilyen lágyindításos módon megoldani azt hogy induláskor ne legyen nagy áramfelvétel. Tulajdonképpen egy csillag-delta kapcsolást hellyettesítenék. Hozzászólásotokat előre is köszönöm. A hozzászólás módosítva: Jún 29, 2014
Szia!
Kétdolog jutott eszembe: - Biztos, hogy a motorod köthető deltába? - Teljesen felesleges ehhez SSR-t használni (hacsak nem kizárólag a tanulás, vagy az unaloműzés a cél. Vagy egy csillag-delta kapcsoló kellene, vagy 3db mágneskapcsoló+ 1db időrelé.
Biztos hogy köthető. Az asztalos ismerősöm szólt hogy kiveri a biztit olykor a fűrészgépe. Rájöttem hogy deltába van kötve azért.Olcsón akarom ,hogy megússza bontott SSR reléim meg vannak. Ez a teljes történet.
Ha legalább két fázissal sorbakötsz valami sok W-os 10...20 ohmos ellenállást (akkorát, hogy az indulást kibírja a kismegszakító), akkor pár mp múlva rövidre zárhatod őket egy-egy szilárdtest relével. (Vagy akár a kapcsolót is cserélheted 3 állásúra)
A hozzászólás módosítva: Jún 29, 2014
Sziasztok!
Kissé fentebb lévő emelő motor bekötést próbapadon megépítettem és a következők a tapasztalatok. Elsőre pár működtetés után az egyik triak zárlatos lett. Gondoltam a motor visszarúgásai miatt,ezért a motorhoz betettem a fázis ágak és a nulla közé 640V-os VDR-eket. Most már a triakok nem zárlatoznak be,de normálisan nem működik,mert: biztos indulás csak az első gombnyomásnál van,utánna olyan,mintha az ellentétes oldalon lévő kondi helyett a fázist kapná meg az ottani triaktól,mert az első gombnyomást követően már csak komótosan indul a motor,hol egyik,hol másuk irányba. Lehet,hogyha a triaknak az A1-es pontjára fázis kerül,akkor utána már átvezetne? Hogy lehetne ezt kiküszöbölni és üzembiztossá tenni a kapcsolást? Csatoltam most a kiindulási alapot is. A daru bekötés az eredeti nyomógombos verzió. Az ajtó mozgató motor a relés működő verzió. A triakos vezió a távirányító miatt kellene,aminek relés kimenetei vannak,csak annak védelme érdekében szeretném a triakos verziót. ( Mielőtt ismételten kitérnétek a biztonsági része,közlöm,hogy a biztonság megoldott,ugyanis a távvezérlő gyári,több reteszvédelemmel ellátva. ) Előre is köszönöm az ötleteket.
Triac-kal biztosan nem fog üzembiztosan mőködni... Meg lehet próbálni antiparalel tirisztorpárral, az rajtam sok esetben segített - hasonló gondoknál. Sajnos a triac és a tirisztor is begyújt a főelektródokon fellépő feszültségugrásokra (dU/dT paraméter). Motoroknál kizárólag a relés megoldást javaslom az irányok kijelölésére és az élettartam növelése érdekében használnék SSR-t, triacot, tirisztorpárt. Simán megoldható, hogy bekapcsolásnál fél mp-el később - a relé meghúzása után - kapcsoljon a félvezető, kikapcsolásnál értelemszerűen fél mp-el a relé előtt. Így sosem fogsz érintkezőt pucolni és nem kell aggódnod azon, ha valahol hegesztenek a hálózaton akkor jár a darud... (vagy fejbever a padlásajtó...)
A biztonságos távvezérlő mit sem ér, ha az utólsó beavatkozó eszköz megbízhatatlan. A hozzászólás módosítva: Jún 30, 2014
köszönöm az ötletet, így lesz. Esetleg erről a késleltetéses dologról kérhetnék valami ákombákom rajzot. Egy kondira gondoltál a gate ágba késleltetésnek?
Azért úgy azt nem lehet megoldani...
Az alábbi rajzon SSR van, de ott lehet triac+optotriac is. A relék nyákba ültethetők is lehetnek.Én mindig beteszem a keresztreteszt, de ha nagy a bizalom a távirányítóban, akkor elhagyhatod, mert két érintkezőst könnyebben kapni. Az inverter CD40106 schmitt triggeres filléres eszköz. A hozzászólás módosítva: Jún 30, 2014
Köszönöm a rajzot,kipróbálom és majd jelentkezem.
A két ellenállás milyen értékű? Diódának gondolom 1N4148 jó lesz,kondinak meg 220µF 16V? A hozzászólás módosítva: Júl 1, 2014
A felhúzó ellenállás lehet 10k, a töltőellenállás és a kondi határozza meg a késleltetést. Nem kell oda hatalmas kondi, egy 47k-s ellenállás és 1µF még sok is lehet.
(ki lehet számolni, de ha egy LED-et teszel a kimenetre, akkor látványosan játszhatsz az értékekkel. Lényeg, hogy amikor hallod a relét kattanni, utána egy pillanattal már jöhet a LED.)
Sziasztok!
Van egy 5kwos szélgenerátorom amivel meleg vizet állítok elő, illetve téli időszakban fűtök, direkt módon meghajtva a fűtőbetéteket.Probléma az, hogy nagyon változó teljesítménnyel fúj a szél, így van hogy az éppen működtetett fűtőbetét terhelése egyik pillanatban soknak bizonyul, és emiatt a szélkerék jelentősen veszít fordulatából, viszont a másik pillanatban meg kevés és bőven bírna még el fogyasztót.a generátor állandómágneses szinkrongenerátor, 3fázisú váltakozó áramot ad, és én ezt egyenirányítom 6db diódával, hogy szimmetrikusan terheljem a generátort egy összegzett teljesítménnyel.Ehhez szeretnék építeni, illetve abba is benne lennék ha valaki innen a fórumról megépítene nekem egy olyan vezérlőt ami, a feszültség változásához képest kapcsolgatna terheléseket,(jelen esetben fűtőbetéteket). Konkrétan amire szükségem lenne: Ha a generátorom eléri a 180Vdc, akkor kapcsoljon rá egy 1000W-os fűtőbetétet, ha ezt rákapcsolta de nem esik vissza a feszültség, hanem ennek ellenére tovább nő, mondjuk 200Vdc-nál kapcsoljon még egy 1000W-os fűtőbetétet, és ha ez sem lenne elég akkor 220Vdc még egy 1000W-ost.Viszont ha a feszültség elkezd esni akkor szépen kezdje oldani a terheléseket, pl 180V ig abban a lépcsőben ahogy felfele kapcsolta, ha 150V alá esne akár az összeset, hogy üresjáratban ismét fel tudjon pörögni, és kezdődjön a kapcsolgatás előröl. Egy ilyen vezérléssel sokkal jobban tudnám hasznosítani a szél energiáját hiszen még az 1000W is több hőt fog adni mintha direktben rajta lenne 3kw, ami sokszor többnek bizonyul, mint az adott szélteljesítmény és a generátort csak lefogja. Köszönöm előre is.
Üdvözlök mindenkit!
Olyan kéréssel fordulok hozzátok, hogy ac/ac SSRrel szeretnék öntartást létre hozni. Csatolok is rajzokat, magam logikájával, ezt törpöltem ki. ![]() A C kondira nem tudom szükség lehet-e, és ebben a bekötésben, szerintem az SSR tud mindent, valószínűleg nem nem kell. Még anyit, hogy nagyon poros helyen lenne használva, és nagy áramok folynának rajta. Az eBAY-n viszonylag jó áron lehet beszerezni SSR-t AC/AC-s verzióban is. http://www.ebay.com/itm/AC-AC-Single-Phase-Solid-State-Relay-SSR-40...335c82 Szép estét!
Sziasztok!
Végre megszületett a vezérlés 3 nap tesztelgetés után. Biztos jobban,ész szerűbben is meglehetett volna csinálni,de az én elektronikai tudásomból ennyire futotta.Két kérdésem lenne. 1. Annak a moc-nak,amelyik az 5 V előállításához vezérli a kis trafót,kell-e valami védelem a trafó visszarúgási ellen? Azért mertem direktbe rákötni a moc-ra,mert az áramfelvétele mindössze 7 mA. Ennyit kibír a moc? Az adatlapot nézegetvén egyértelműen nem találtam meg,mi a megengedett áram ( ez lehet a csekély angol tudásomnak is betudható ). Próbáltam RC tagot rátenni,de a legkisebbre is már átvezetés van és megy is a trafó. Erre valami ötlet? Vagy jó úgy direktbe,ahogy van? Ez nem pont ebbe a topikba vág,de azért megkérdezem ( hátha nem kapok dorgálást érte a modiktól ). 2. Az üzem jelző lednél az a nagy dióda;tranyó;ellenállás katyvasz két dologból származik. A DC motor olyan zavarokat kelt a táp részben,főleg hirtelen irányváltásokkor,amitől villog és parázslik a led,főleg PNP tranyóval meghajtva. De csak azzal tudtam elérni,hogy alaphelyzetben világítson és a main-tól jövő +-ra kialudjon. Viszont azt is megfigyeltem,hogy NPN használata esetén nincs villogás. Így 2 tranzisztort alkalmazva oldottam meg a dolgot. Esetleg egyszerűbb,jobb megoldás? Vagy a motor zavarszűrésre valami ötlet? Amúgy minden észrevételt szívesen veszek,amit úgy éreztek,hogy javításra szorulna,mert üzem bizonytalan. Előre is köszönöm segítségetek. |
Bejelentkezés
Hirdetés |




















