Fórum témák

» Több friss téma
Fórum » Propeller Clock
 
Témaindító: vicsys, idő: Jún 3, 2005
Lapozás: OK   323 / 489
(#) KKobra hozzászólása Márc 23, 2014 /
 
szóval illesztettem a Hibrid rotort HDD motorra és nem igazán hozott sikert. Segítség nélkül nem indul! Ha Megpörgetem kézzel akkor beindul 5V feszültséggel. kicseréltem a kondikat a 6501 mellett 1000µF és 100µF semmi nem változott nem inditja el csak ha segitek
(#) Mircsof hozzászólása Márc 24, 2014 /
 
Sziasztok!
Egy olyan kérdéssel fordulnák hozzátok, hogy üveg, vagy plexi borítás lenne szebb jobb 1 propeller órának? Jól sejtem hogy az üveg lehet erősítené a zajt?
(#) tibapu válasza KKobra hozzászólására (») Márc 24, 2014 /
 
Szia!
Szerintem egy PWM-áramkör sokat javítana a teljesitményén.Nembeszélve arrol,hogy legalább lenne mihez viszonyítani.Készits egy Bázist 16F628-al aminek a PWM-je a motorhoz van kötve.A bázis áramkörben tudod szabályozni a frekvenciát és a kitöltést is.Ez neked nem lehet akadály.
(#) tibapu válasza Mircsof hozzászólására (») Márc 24, 2014 /
 
Szia!
Én egy bolti képkeretbe épitettembe,egy régebbi még ventillátor motorost és nemtudom,hogy a fa keret vagy az üveg elölap miatt de zajosabb mint csupaszon.
A hozzászólás módosítva: Márc 24, 2014

DSC01275.GIF
    
(#) KKobra válasza tibapu hozzászólására (») Márc 24, 2014 /
 
Na ezt akartam megspórolni Wireles powerhez nem kell kitöltés meg egyéb nyalánkság a 64 ledes órához sem kell bázis. Vagy mégis?? Már nem tudom mit is akarok.
(#) ktamas66 válasza KKobra hozzászólására (») Márc 24, 2014 /
 
Ha ilyenkor kézzel elindítod a forgást, mekkora fordulatszámmal megy?
(#) KKobra válasza ktamas66 hozzászólására (») Márc 24, 2014 /
 
Mérni nem mértem De a másik órához viszonyítva 1500-2000 de ha már pörög tudom növelni a feszültséget de az már túl sok lenne a hibrid rotoron az alkatrészek nem bírnák ki.
(#) tibapu válasza KKobra hozzászólására (») Márc 24, 2014 /
 
Szia!
Tulajdonképen ha nem Bázisnak nevezed hanem motor meghajtónak?Mert ha az opto csatolót és a triackot elhagyod akkor lessz egy 3cm-szer 4cm-es paneled a motor bekapcsolására és szabályozására.Az pedig jó lehet a 64 ledes órához is.
(#) zamatőr válasza KKobra hozzászólására (») Márc 25, 2014 /
 
Talán így kiegészítve?

13518.jpg
    
(#) KKobra válasza zamatőr hozzászólására (») Márc 25, 2014 /
 
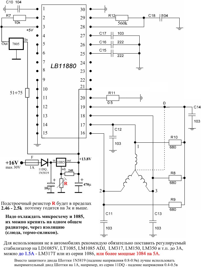
Én is ebben bízók Ezt még nem raktam össze. A panelt meg csináltam ki van fúrva, néhány alkatrészt és az LB11880 már bele is tettem . Sajnos nincsenek meg a kondik hozzá időm pedig nincs hogy beszerezzem Még csak az MTD6501C kísérleteztem
(#) tibapu válasza KKobra hozzászólására (») Márc 25, 2014 /
 
Szia!
Igaz mindenki a sajátjára esküszik,így én is.Az enyém nálam bevált és szerintem egyszerű.A programban lehet a fordulatszámon változtatni,de erről Hp41C forumtárs tudna többet mondani illetve segiteni.Én ezt használom.Neked elég a feketével kijelölt rész.Ha jol számolom ez 11 alkatrész.
A hozzászólás módosítva: Márc 25, 2014
(#) KKobra válasza tibapu hozzászólására (») Márc 25, 2014 /
 
Már nézegettem és el is kezdtem módosítani a nyáktervet az én elképzelésem szerint (a TLP3062 1K PT137 ) lemarad
A PIC 16F628 helyett be lehet tenni 16F627
Az van a fiókba
A hozzászólás módosítva: Márc 25, 2014
(#) tibapu válasza KKobra hozzászólására (») Márc 26, 2014 /
 
Szia!
Szerintem a programban és a forditásnál kell módositani.Nekem sajnos nem megy a programozás,pedig már régóta probálom megérteni.
(#) ktamas66 válasza KKobra hozzászólására (») Márc 27, 2014 /
 
Itt egy gyári megoldás a TI-től. A motorvezérlő simán lehet MTD6501.

DVR10866.pdf
    
(#) TOMY1989 hozzászólása Márc 31, 2014 /
 
Sziasztok. Segitsèget szeretnék kérni. Első pic-es kapcsolásom. Azt lenne a kérdésem hogy a pic16f628p mikrokontrollert a hestore-ban szeretném megvásárolni. Segitsetek hogy az allábbiak közül melyik kell nekem?
(#) TOMY1989 hozzászólása Márc 31, 2014 /
 
Pic16f628 04P pic16f628 20P ?
(#) TOMY1989 hozzászólása Márc 31, 2014 /
 
S még annyit hogy ha egy rc5 tanitható távirányitóval elsőre indulna mindenfajta változtatás nélkül?
(#) ktamas66 válasza TOMY1989 hozzászólására (») Márc 31, 2014 /
 
A 20P-s kell. Működhet tanítható RC5-tel, ha meg tudod tanítani, vagy tudod a kódokat amit kiad.
(#) KKobra válasza TOMY1989 hozzászólására (») Márc 31, 2014 /
 
Nem akarlak befolyásolni De véleményem szerint Ha már belevágsz a propeller óra építésbe akkor ne a 16F628-as csináld.
Én egy 16F886-os javaslok Igaz kicsit bonyolultabb de megéri a fáradságot
Vagy SMD alkatrészekkel
A hozzászólás módosítva: Márc 31, 2014
(#) TOMY1989 hozzászólása Ápr 1, 2014 /
 
Nagyon szépen köszönöm a segitséget. Mostmár így értem a külső órajelet mutatja a mikrovezérlőhöz. úristen min voltam fenn akadva. de köszönöm. S kkobra-nak köszönöm a zippet
először megpróbálom 16f628-al s ha sikerül teszek képet. ha nem akkor is mert tuti eloltom a pákát a nyáklapon szép napot nektek.
(#) Hp41C válasza TOMY1989 hozzászólására (») Ápr 1, 2014 /
 
Szia!
Ha most vennéd a 16F628-20 I/P -t:
Vegyél helyette legalább 16F628A I/P -t - olcsóbb, az MpLab -ból közvetlenül programozható.
Ha van rá módod, inkább 16F648A I/P -t vegyét - kétszer akkora programtár és még mindig olcsóbb, mint a 16F628-20.
A hozzászólás módosítva: Ápr 1, 2014
(#) KKobra válasza TOMY1989 hozzászólására (») Ápr 1, 2014 /
 
Bázist melyiket építed ?
(#) Hp41C válasza KKobra hozzászólására (») Ápr 1, 2014 /
 
Remélem pc-s kommunikációs lehetőségeset.
(#) KKobra válasza Hp41C hozzászólására (») Ápr 1, 2014 /
 
Arra akarom biztatni ami a ventilátorba van beleépítve
(#) TOMY1989 hozzászólása Ápr 1, 2014 /
 
Ha rendeltem akkor a bázist is ebből terveztem. Mármint a 16f628. Sorry hogy nem hallgatok rátok csak első pices kapcsolás probálok ragaszkodni a kapcsrajzhoz illetve az ott megemlitett alkatrészekkel. Nyilván nagyobb gyakorlatotok van benne hiszen töbször csináltatok ilyet mint én. De meg lessz! még várok a programozóra is. Viszont tudtok segíteni még nekem abban hogy ma elkezdtem a ventillátort tekercselni..közben megcsörrent a telefon kiesett a kezemből letekeredett 900 méter..a poént félretéve be is fejeztem a projektet s máshonnan közelitettem meg.Az lenne a kérdés ha a táp részét megoldom tekercselés és mindenfajta hang nèlkül akkor a bázis programban kell változtatni valamin? Mármint a fetre vonatkozóan? Félig kész vagyok vele úgy értem hogy a gnd-t úgy viszem a propellerhez hogy alul a ventillátor tengelyére a csapágy után müanyag gumi szoritó kivéve ugye ráhuztam egy a tengellyel azonos méretű rugót amit egy kis kockanyákra forrasztottam ennek igy forgásközben semmi hangja nem volt. Már csak a ventillátor tetejét ahova a propellert illeszük lefúrtam a tengelyig s levettem a gnd-t zajtalanul. Már csak a + ág maradt amit valahogy reggelig kitalálok hogy hogy kéne.dolgozom van időm gondolkodni szóval tényleg csak annyi ha a táp részét megoldom egyedileg akkor kell e modositani?
(#) Mircsof válasza TOMY1989 hozzászólására (») Ápr 1, 2014 /
 
Szia!
Egyelöre zajtalan.. majd egy két hét után.
Én ha újra éhetném az epsö órám építését nem szemvednék a Pc ventilátorral. Vidwomagnobol kinyert fejmotor annak gyárilag van légmagos tekercse, és nem utopsó sorban nincs az az átkozott csúszo csapágy.
(#) KKobra válasza TOMY1989 hozzászólására (») Ápr 2, 2014 /
 
Tényleg nem értelek! itt a fórumon mindent megtalálsz bármelyik órához. Nyákterv, Kapcsolási rajz fénykép bármit akkor most mihez is ragaszkodsz ? Ha Pic típusához ragaszkodsz azt sem értem Teljesen mindegy hogy 16F628 vagy 16F886 a program beégetése semmivel sem különbözik Ha PicKit2 vagy PicKit2 clón-t használsz felismeri milyen PIC-et teszel bele.
Tekercs. Nem jelenthet gondot 100 illetve 150 menet feltekerése. És igaza van "Mircsof" fórumtársnak a Videó magnó fejmotorja tökéletes választás lehet ( Nekem is mind két órám azzal megy) a benne lévő tekercsel gond nélkül át lehet vinni a megfelelő energiát a rotor számára De tudod mit? Csináld ahogy jónak látod
De mi figyelmeztettünk előre
A hozzászólás módosítva: Ápr 2, 2014
(#) TOMY1989 hozzászólása Ápr 2, 2014 /
 
Értem. valóban mindent meglehet találni. a ventiről annyit hogy egyikkel sem lett volna kedvem sz**akodni. megcsináltam a ventit úgy ahogy én szerettem volna. valóban hosszú agyalás stb de kész van mindenfajta tekercsek nélkül. hangja kb ugyanaz de lehet fél db-el hangosabb. igy nem kell annyit sz**akodni a centírozással illetve a videómat pont nem fogom szétszedni mégha nem is használom s a polcon rohad. a pic-es részéhez tartom magam. réges rég tudtam hogy választhatnám bármelyik picet. de kezdő vagyok a pic-ec terén. egyik helyen azt irták ilyenkor égetés előtt a program fejlécében átkell írni a pic tipusát. a másik helyen mást írtak erre alapozz. erre irjátok ÁÁÁ nyugadtan rakd be azt meg amazt. picet soha nem égettem de biztos vagyok benne hogy megfogom tudni csinálni. nem tudtam hogy gond nélkül bele tudom rakni a 16f628A is úgy hogy nem kell változtatni semmit. nyilván ezt veszem meg akkor mivel 1000ft-al olcsobb, de nem voltam benne biztos hogy fog működni. neked van ilyen órád, nekem nincs ez a külömbség. egyenlőre
A hozzászólás módosítva: Ápr 2, 2014
(#) Hp41C válasza TOMY1989 hozzászólására (») Ápr 2, 2014 /
 
Szia!
Most lefordítottam a 16F628(A) - 16F88 bázist 16F628 -ra és 16F628A -ra. Csak az EEProm területen van eltérés - pontosan ott, ahova beírtam a kontroller típusát.
Szóval a 16F628 -ra fordított kód beprogramozható a 16F628A -ba, sőt a 16F648A -ba is.
Mindenképen a PC -s kapcsolattal rendelkező bázist ajánlom, még ha elhagyod is az RTC -t stb. Vele "belelátsz" a kontrollerbe, láthatod milyen kódokat küld a távirányítód, mekkora a kitöltés. A lényeges paramétereket állíthatod, kipróbálhatod. Sokkal egyszerűbb vele, mint az itt feltölött számtalan különböző hex közül (nem tudható mi hogyan van beállítva benne) megtalálni a neked megfelelőt.
Nincs vizsgálati lehetőséged, ha megépíted a három (kommunikáció nélküli) részt és nem reagál a távirányító parancsaira.
A hozzászólás módosítva: Ápr 2, 2014
(#) KKobra válasza TOMY1989 hozzászólására (») Ápr 2, 2014 /
 
A centrírozással akkor is kell "sz**akodni" Nem a tekercs miatt kell centrírozni hanem a
propeller miatt. Semmiképpen nem tudod kikerülni a kiegyensúlyozást. ha nem csinálod meg akkor egy rázógép lesz nem óra (Megkerestem a faluban a TV szerelőt "Tudnál nekem adni videó fej motort " a válasz hogy mennyi kell)
A hozzászólás módosítva: Ápr 2, 2014
Következő: »»   323 / 489
Bejelentkezés

Belépés

Hirdetés
XDT.hu
Az oldalon sütiket használunk a helyes működéshez. Bővebb információt az adatvédelmi szabályzatban olvashatsz. Megértettem