Fórum témák

» Több friss téma
Fórum » Rádió adó építése
 
Témaindító: Bibi, idő: Ápr 27, 2007
Lapozás: OK   9 / 15
(#) Leadtek válasza szilva hozzászólására (») Júl 7, 2010 /
 
Van itthon sok 100nF tárcsakondi remélem jólesz antennának és hidegítésnek is. 0,56 mm átmérőjű rézhuzal van itthon ebből nem lehetne megoldani?
(#) pucuka válasza (Felhasználó 54221) hozzászólására (») Júl 7, 2010 /
 
Attól még nem lehet adónak hívni, mert jelentős a kimenőteljesítménye.
Egy adóval szemben támasztott követelményeknek talán az alapszintjét elégíti ki. Mivel a kimenetén semmilyen szűrést nem látok, szinte biztosan nem elégít ki semmilyen előírást a mellékhullámú, és harmonikus sugárzás, valamint az adóoldali intermoduláció tekintetében. Mivel a teljesítményerősítő fokozatok, így a végfokozat is C osztályú, igen jelentős a kiadott nemkívánatos komponensek teljesítményszintje, ezért egy jó zavargenerátor, legfeljebb.
Az adó frekvenciapontosságának 100 Hz alatt kellene lennie, hosszútávon is, amit az itt alkalmazott egyszerű LC oszcillátor nem tud teljesíteni. Hiányzik az "adóból" a teljes modulációs processzus, ráadásul rángtja az oszcillátort is, a moduláció is inkorrekt, elmegy egy poloskánál, de egy valamire való adóba nem.
Úgyhogy ez a kapcsolás adónak adó, de műsorszórásra, használatra alkalmatlan. (egy korszerű szintézeres rádió meglehet meg sem találja, nembeszélve a modulációs torzításokról, stabilitásról)
egy ilyet az internetre feltenni, nagy bátorság
(#) szilva válasza Leadtek hozzászólására (») Júl 7, 2010 /
 
Az jó lesz hozzá. A 100nF és a vezeték is.
(#) Leadtek válasza szilva hozzászólására (») Júl 7, 2010 /
 
A 0,56 mm-es huzalból hány menet legyen milyen fúrószárra? Egyébként tudok egy emberről aki megépítette már ezt az adót és működött is csak ő smd alkatrészekkel és neki bizony 10µF-os elkó van mint a rajzon
(#) szilva válasza Leadtek hozzászólására (») Júl 7, 2010 /
 
Az SMD elkó lehet nagyfrekisen kicsit korrektebb, mint a hagyományosak, de az biztos, hogy abba a pozícióba nem kell elkó. A fokozat működik úgy is, ha nincs ott egyáltalán kondenzátor, csak sokkal kevesebbet erősít.
(#) Panhard hozzászólása Júl 7, 2010 /
 
Hello,
Mellékelek pár kapcsolást, ami tutira működik, mert már régebben megépítettem. Az adó kb: 2km hatótávolságú, egy dipól antennával. Van még hozzá sztereo kóder, rds kóder, PLL is.

ado.rar
    
(#) szilva válasza Leadtek hozzászólására (») Júl 7, 2010 /
 
Sajnos ezt leginkább kisérletezéssel lehet belőni. Próbálj meg egy 5-ös fúrószárra feltekerni 5 menetet viszonylag szorosan, de a menetek ne érjenek össze. Aztán ha túl soknak bizonyul, akkor próbáld meg a meneteket fokozatosan széjjelebb húzni.
(#) Leadtek válasza szilva hozzászólására (») Júl 7, 2010 /
 
Most pontosan úgy van ahogy leírtad. Kicseréltem a két kondit 100nF-os kerámiára de semmi eredmény. Holnap veszek trimmer kondit és beszámolok.
(#) lalcsi hozzászólása Nov 13, 2010 /
 
Sziasztok! Tudna nekem valaki FM stereo adót építeni ami 30 km-es távolságba sugározna és 94,0 Mhz-en.
(#) pucuka válasza lalcsi hozzászólására (») Nov 13, 2010 /
 
Ha hozod a frekvenciakijelölési határozatot, akkor tudok mondani olyat, aki megépíti az adót.
(#) hanger hozzászólása Aug 26, 2011 /
 
a legnagyobb, de meg nem engedelykoteles fm adot szeretnem megszerezni. rendezvenytechikai celra. az a feladat, hogy egy kisszinpad elott lehessen mobiltelefonban levo radiokkal hallgatni az fm musort. persze minel jobb hangminosegben. nezegettem mar mindenfele tavolkeleti fm transmittereket, de annyi bizalmat sem gerjesztettek, h kiprobaljam. tud valaki segiteni? bar husz eve sokmindent epitettem, pl poloskat is, de most inkabb keszen szeretnem 12v-rol menosen megkapni. irhatsz ide is, de privatba is: ***
(#) pucuka válasza hanger hozzászólására (») Aug 27, 2011 /
 
Vegyél egy transmittert, és próbáld ki. Más lehetőséged legálisan nem nagyon van engedély nélkül.
(#) hanger válasza pucuka hozzászólására (») Aug 27, 2011 /
 
kedves pucuka, koszonom a valaszt. esetleg valami tipped van-e, h melyiket probaljam?
(#) pucuka válasza hanger hozzászólására (») Aug 27, 2011 /
 
Nem ismerem a választékot. Ki kell próbálni néhányat, amely komolyabban néz ki. Ha nagyon szeretnéd, gondolom, ennyit megér.
Ezen a fórumon kényesek vagyunk a tisztességes magatartásra, stílusra. Választ is csak akkor remélhetsz, ha ezt szem előtt tartod. A moderátor rád szólt, hogy tartsd be a helyesírás szabályait. Mondatkezdés, ékezet, szleng. Ne légy lusta a normális kapcsolatokra, hasznos válaszokat is csak így remélhetsz.
(#) hanger válasza pucuka hozzászólására (») Aug 27, 2011 /
 
a valaszt koszonom. sajnalom, ha valakit zavartak az ekezetek hianyai. mindenesetre en, a moderatorral ellentetben helyesen kozpontozok, az irasjelek ele nem teszek hibasan spaciumot. ami meg masokat zavar.
felfogtam a javaslatot, leiratkozom.
remelem nincs harag.
(#) hanger válasza hanger hozzászólására (») Aug 27, 2011 /
 
kedves moderator, nem talalom a leiratkozas modjat. megtenned, h torolsz engem?
(#) mrgrassy hozzászólása Jan 28, 2012 /
 
Sziasztok olyan fm transzmittert keresek aminek az IC-jébe le tudok írni egy nevet, hogy xy rádió és a számy sugárzása mellet a beírt nevet látom a kocsimba a rádió kijelzőjén.
Létezik ilyen ?
(#) gerasz88 hozzászólása Márc 20, 2012 /
 
Sziasztok
én is szeretnék csinálni egy ilyet gondolkoztam hogy ha egy fm transmitter antennáját jól szigetelt kábellal kihozom a tetőre esetleg valamilyen erősítő rá ??
megoldható lenne-e ?
milyen sugárzó antenna és erősítő kell hozzá ?
(#) pucuka válasza gerasz88 hozzászólására (») Márc 20, 2012 /
 
Az FM transzmittert csak arra használhatod, amire készítették. Minden átalakítás rajta illegális. Egyébként a kisugárzott (nem a végfok) teljesítménye korlátozva van, 50 nW ban. Ezt egy igen rossz hatásfokú antennával érik el, mert az adó teljesítménye 10 - 20 mW körül van. Ez viszont azt is jelenti, ha rendes illesztett antennával kisugárzod az adó teljesítményét, azzal együtt a az adó összes zavaró sugárzását is kisugárzod. Egy tisztességes adó, és az antenna közé szűrőáramkört kell tenni, hogy teljesíthető legyen a mellékhullámú zavarsugárzásra vonatkozó előírás. A rossz hatásfokú antenna, ami a 10 mW -ból 50 nW -őt sugároz ki, egyben teljesíti azt a követelményt is, hogy a mellékhullámú sugárzás max 2 nW lehet. Ha rendes antennát teszel rá, ezt az értéket is tönkreteszed, és zavarokat okozol. Nem beszélve arról az esetről, amikor még teljesítmény erősítőt is használsz.
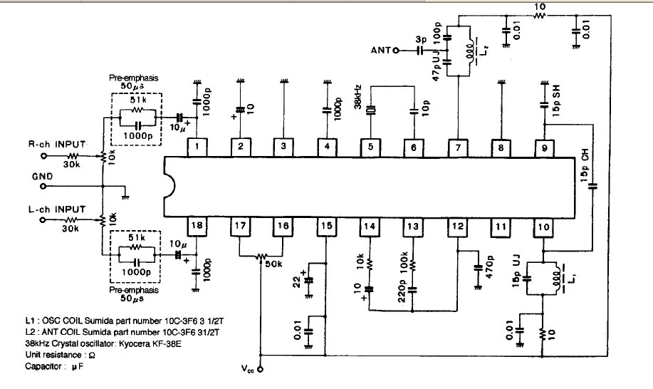
(#) Balaa16 hozzászólása Dec 8, 2012 /
 
Sziasztok!
A topic elején találtam a képen látható kapcsolást. A kérdésem az lenne, hogy ehhez szüksége engedély? Hogyan tudom beállítania frekvenciát?
Üdv! Balázs
A hozzászólás módosítva: Dec 8, 2012
(#) pucuka válasza Balaa16 hozzászólására (») Dec 8, 2012 /
 
Hivatalosan: a használatához nem kell engedély, de az előállításához, és a forgalmazásához igen. Ha saját célra építed, nyilván nem fogod forgalmazni. Az előállítása, építése annyiban lényeges, hogy mielőtt használatba venné bárki is, meg kell(ene) győződni arról, hogy megfelel-e a frekvencia sáv felhasználási követelményeinek. Ezt, ha saját célra építed, nyilván nem fogod elvégeztetni, és addíg nincs is sok értelme, amíg csakis Te használod. Ennek a kapcsolásnak, és a hozzá kapcsolt himihumi "antennának" olyan kicsi a kisugárzott teljesítménye, hogy a közvetlen közelében levő vevőkészüléken kívül nem sokan tudják észrevenni. Persze ha tisztességes, és nyereséges antennát, esetleg egy RF erősítő fokozatot is kapcsolsz rá, más a helyzet, Az észlelhetőségi, és zavart területe megnő, és ezzel együtt a lebukás veszélye is.
A frekvenciát az L1 tekercs, és a hozzá tartozó kapacitások határozzák meg, és ezzel összhangban kell lennie az antenna kicsatolást végző L2 és kondenzátorai által meghatározott frekvenciának is.
(#) dagobah666 hozzászólása Aug 14, 2013 /
 
Sziasztok! Egy Morse rádióadót szeretnék építeni. Nem találtam rá kapcsolást úgyhogy főleg azokat keresek. Nem kell nagy hatótáv kb 100 m. Mindegy, hogy AM vagy FM de inkább AM valahol 1-50 MHz között.

Előre is kösz a válaszokat!
(#) pucuka válasza dagobah666 hozzászólására (») Aug 14, 2013 /
 
Mester! Nem kellene először tájékozódnod, hogy mi micsoda? Az AM, és az FM egy elég általánosan használt modulációs forma, leginkább beszéd átvitelére használják. Mindegyiknek vannak speciális esetei. Ilyen az impulzus átvitel is, ami a Morse jeleket illeti.
A Morse jelek tanulásához nem szükséges adót építeni, azokat egy gyakorló készülékkel is megoldhatod. Ilyen kapcsolásokat találhatsz a Rádióamatőr oldalakon.
Adót engedély alapján építhetsz, mivel a morse távírót leginkább az amatőrök használják, célszerű rádióamatőr engedély beszerzése. A felkészülés alatt megtanulhatod a szükséges ismereteket szabályokat is.
Építs egy oszcillátort, és a tápját egy billentyűvel kapcsolgatod. És kész a morse adó.
(#) dagobah666 hozzászólása Aug 14, 2013 /
 
pucuka cmos oszcillátor is jó?
(#) pucuka válasza dagobah666 hozzászólására (») Aug 14, 2013 /
 
Nem tudom milyen az a CMOS oszcillátor, de az oszcillátornak színuszosnak kell lenni. Ha valamilyen digitális áramkörre gondolsz, az nem.
Megépítesz egy egy tranzisztoros oszcillátort, és a tápfeszültségét egy másik tranzisztorral kapcsolgatod. Még így is elég sok zavart fog kelteni, de a kis teljesítmény miatt nem túl problémás.
(#) szikorapéter hozzászólása Ápr 10, 2014 /
 
Üdv. Sokol 403-as rádióhoz szeretnék adót készíteni. Itthoni zenehalgatás lenne a cél a kertben. Megoldható ez? Köszönöm előreis a válaszokat.
(#) hid0 válasza szikorapéter hozzászólására (») Ápr 10, 2014 /
 
Sziasztok! Van tranzisztoros, jelátlövő készen is akár, ISM sávú lehetőségek,pmr rádió, transmitter usb-s -jack aljzattal.
(#) szikorapéter válasza hid0 hozzászólására (») Ápr 10, 2014 /
 
Szeretném jómagam megépíteni az eszközt,minnél kevesebb költséggel.
(#) hid0 válasza szikorapéter hozzászólására (») Ápr 10, 2014 /
 
Milyen frekvenciára...lenne?
(#) szikorapéter válasza hid0 hozzászólására (») Ápr 10, 2014 /
 
A sokol 403 MW illetve LW sávokat tud.
Következő: »»   9 / 15
Bejelentkezés

Belépés

Hirdetés
XDT.hu
Az oldalon sütiket használunk a helyes működéshez. Bővebb információt az adatvédelmi szabályzatban olvashatsz. Megértettem