Fórum témák
» Több friss téma |
Szia!
Mekkora lehet a kapcsolásod áthallása J-B és B-J?
Szia! A fotó miatt szétkaptam, de rövidesen meg fogom mérni.
Remélem nem rosszabb az átlagnál Bővebben: Link
Ne mérd meg, mert már vakulok. Az egyik "híd esetén" feliratot nem vettem észre a kék háttéren...
Semmi gond, legalább valaki ránéz mit rajzoltam. Hallgattam egész délután különböző forrásokkal, állítom együtt lehet vele élni. (Megjegyzem ezek a TDA2030A-k egy USA. erősítőből lettek bontva.)
Szép panelokat csinálsz
Sziasztok!
Készítettem egy 2.1-es erősítőt tda2030-ból. A két szatellit hangszóró erősítővel nincs gond azonban a sub-erősítője nem működik. A sub-ot egy Hid hajtaná meg. A helyzet az hogy a földhöz képest az egyik IC kimenete 3,5V van míg a másikon 5,5V, 12V tápnál. Ha mono üzemben próbáltam akkor a 3,5V-os ic működik. Mi lehet a probléma, halott lehet a másik IC?
Szia! A C1 polaritása a rajzon fordított (volt már erről szó). A C4 és a C5 jó a rajzon, de vajon úgy ültetted-e be?
A kondenzátorok jól be vannak ültetve. Az IC-ket cseréltem és továbbra is ugyan az a helyzet.
Mérd meg mindkét hídfél 1, 2 és 4-es lábainak feszültségét testhez képest. Kizárható az átvezetés lehetősége? Néhol kritikusan szűk a vezetősávok távolsága.
IC1: 1.láb 4V
2.láb 4V 4.láb 4V IC2: 1.láb 5.4V 2.láb 5.4V 4.láb 5.4V
Az IC-k hibátlanok. Továbbra is úgy néz ki, hogy a rajzon C1-gyel jelölt kondenzátor úgy van beültetve (helytelenül) mint ahogy NYÁK-terven berajzoltad.
A c1-nek mi köze van ahhoz hogy a kimeneten 1.2V van üres járatban?
Fordított irányban bekötve az elkót elkezd rajta folyni az áram. Lehúzza az első bemenetet, az pedig a 22k ellenállásokon keresztül az 1:1 feszültségosztót. Ígyis-úgyis rendbe kell raknod.
Sziasztok!
Építettem én is már pár tda -ás erősítőt de a kedvencen a tda2030, na most szeretnék kicsivel erősebbet építeni és azt szeretném kérdezni, hogy a tda2030 -as megépített végfokban ha kicserélem az ic-t tda2050 -re akkor ugyan olyan jó lesz akarom mondani jobb lesz mivel az erősebb ügyebár.. mivela lábkiosztás megegyezik mind két ic-nek.. ![]() Linkeltem a kapcsolást amiben kicserélném az ic-t. Ha tudnátok egy nagyon jó kis mély szűrőt ajánlani azt megköszönném ![]() Tudnátok nekem olcsón tápegységet hol tudok szerezni mert saját kezűleg nem merek én ilyet tekercselni ![]() A hozzászólás módosítva: Márc 11, 2014
Szia! Teljesítménynövekedést pusztán a cserétől nem fogsz tapasztalni. A TDA2050-nek viszont adhatsz magasabb tápfeszültséget, vagy köthetsz rá alacsonyabb impedanciájú hangszórót. Ennek részleteit az adatlapban találod.
Egy mélyszűrőt hamarosan publikálok. Mivel kimondottan TDA2030-ashoz készül, ide is teszek rámutató linket. Ehhez készül.
Egy 100 Hz-re beállított könyökű aluláteresztő szűrőt csatolok. A Microchip Filterlab-al lett tervezve, magadnak is tervezhetsz amilyet szeretnél ezzel az ingyenes programmal, nekem bevált.
Ha ebbe a kapcsolásba én D1148 és B863 as tranzisztorral helyettesíteném a BD tranyókat működne? Erősítőből kaptam ezeket a tranyókat..
Sziasztok!
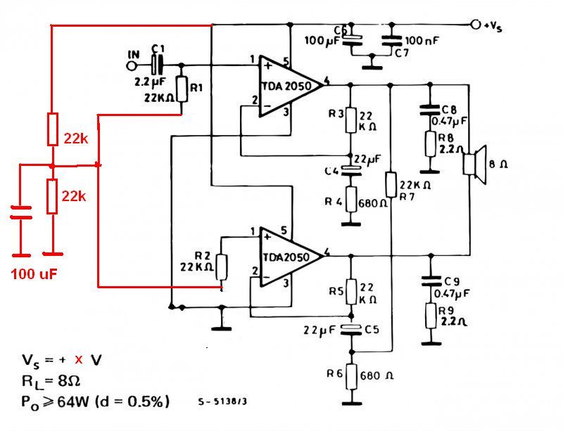
Valaki tudna nekem linkelni egy híd kapcsolást TDA2050ről,ami szimpla tápról megy? Köszönöm előre is
Sziasztok! A következő erősítőt megépítése lenne a cél, már minden alkatrész meg van hozzá, viszont a rajz a nyákterv egy spanyol oldalról származik, és ebben annyira nem bízom. Életképes dolog lehet?
Köszönöm!
Helló!
A lenti kapcsolásban ha TDA2030 helyett TDA2050et tennék bele, mit kellene rajta változtatni?
Az egyik osztálytársam, pontosan ilyet épített meg tavaly. Elég sok baj volt vele.. Minőséges alkatrészeket igényel, különben nem szól tisztán. A tápot sem kell tőle sajnálni, meg persze tisztességesen kell hűteni.
Megépítettem ezt a kapcsolást... gondom az lenne vele hogy szól csak nagyon halkan és szaggatva...
mintha akkor szólna mikor kisül az egyik kondi.... tudnátok segíteni mi lehet a probléma?
És hol itt a kapcsolás, nyákot azt látok..Üdv.
Ja hogy a rajzot nekünk kell visszafejteni.. hát.
Túl hosszúak a vezető sávjaid, ez könnyen gerjedést okoz. Ezenkívűl hangferkis kapcsolássoknál ajánlott egy minimális csillagpontos kapcsolás is.Az eredtivel mi a gond?Bővebben: Link
A hozzászólás módosítva: Ápr 12, 2014
|
Bejelentkezés
Hirdetés |

















mintha akkor szólna mikor kisül az egyik kondi.... 





