Fórum témák
» Több friss téma |
Értem most már B*D=1 így H szintre jut akkor nulláz így csak 0-9 ig számol. a másik probléma az hogy nem tudom hova kell a maradék lábakat kötni mert be lebeg néha és 7 után 9-et ír majd 8 at és ismét 9 et az alkatrészek jók. esetleg a 74193-as kimeneteit ellenálláson keresztül húzzam le 0-ra?
A kimenetet semmiképp sem, hanem a bemeneteket egy fix szintre kössed tápra, avagy testre!! Az ADCD "programozó bemeneteket talán nem szükséges, ha a LOAD bemenet fixen H szinten van. Nálad talán a lefelé számláló bemeneten kaphat fals impulzusokat.
A hozzászólás módosítva: Máj 23, 2014
Értem és kondenzátorok kellenek valahova hidegítés gyanánt ? mert eléggé furcsán vibrál néha , minden esetre köszönöm a segítséget majd holnap megnézem,hogy műödik.
Minden TTL IC tápfesz lábai közé, 100nF. Közel a tokhoz, amennyire csak lehet. Én a tokra szoktam rátenni. Esetleg az órajelre is tehetsz mondjuk 10-100pF-ot, van, hogy segít.
A hozzászólás módosítva: Máj 23, 2014
Értem akkor valószínűleg meg fog oldódni a probléma, mivel egy db kondit nem tettem be a kapcsolásba és a tápegységem is eléggé kezdetleges.
Ilyenhez elég az 5V-os "stabkocka", de szigorúan a gerjedésgátló kondikkal az adatlap szerint.
Akadt egy másik probléma mos már szépen számol de ha ki kapuzom és visszafelé számoltatom 15 től indul de sikerült szereznem 3 db 7490 est de lehet, hogy rászánok annyit és veszek 74192 est az előre-hátra számol ráadásul decimális.
A hátrafelé számolást úgy lehetne megoldani, ha a programozó bemenetein beállítasz 9-et és a nulla-15 átmenetnél a LOAD-dal ezt írod be, megint csak egy alkalmas kapu kombinációval. Az ICM7117-tel még könnyebb lenne
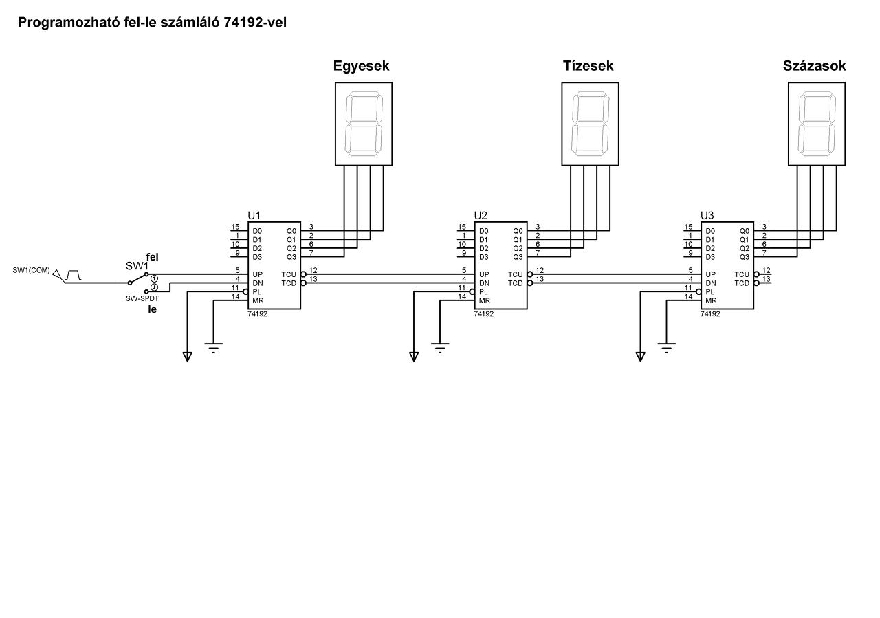
Úgy gondolom,hogy 74192 vel bőven jó lesz mert 3 db ot össze lehet kötni az elsőre adom a jelet vagy a 4-es lábra az 5-öst fet viszem H szintre akkor lefelé számol ha pedig megfordítom akkor felfelé számol 3 számjegyig meg ha jól értelmezem úgy jutok el ,hogy a következő 192-esnek a 4 es lábát az első 13 (borrow kimenettel) az 5-ös lábát pedig a 12(carry kimenettel) összekötöm és ugyanezt a 3. 192-es el a 3 db 192 es kimeneteire 1-1 7 szegmens meghajtó és elvileg kész a 3 jegyű oda-vissza számláló persze ha jó az elképzelésem.
Magyari-Glofák-Theisz Digitális IC-atlasz- ból néztem a bekötéseket. A mikro kapcsoló pedig egy monostabil mutivibrátort fog kapcsolgatni annak a kimenete pedig a számlálót fogja hajtani mivel ha csak simán mikro kapcsoló adja a jelet meg bolondul az egész.
A táblázat szerint ha számláltatni akarom akkor a loadot azaz a 11 es lábát H szintre kell húzni viszont az A,B,C és D bemenetekkel mit csináljak úgy hagyjam vagy testre tegyem esetleg H-ra vagy testre 1Kohmos ellenálláson keresztül? A hozzászólás módosítva: Máj 25, 2014
Az ábra szerint működik...Monostabil helyett talán egyszerűbb egy RS tároló használata, igen a LOAD-ot hatástalanítani kell, a programozó bemeneteket pedig így szabadon hagyhatod, mert állapotuk nem befolyásolja a működést, mivel a beírás így le van tiltva. Szerintem vezessed ki, hátha a jövőben még felhasználod őket.
Értem és köszönöm az ellenőrzést. Ha a 11 lábat le testelem de a a bemenetekre nem adok semmit akkor meg marad az adott értéken azaz hiába kap jelet nem fog számolni. és ezt pont felfogom tudni használni szóval lesz egy váltó kapcsoló a 11-es lábon. viszont a 7 szegmens kijelző nem passzol a meghajtóhoz mert pont az ellenkezője ezt pedig szerintem inverterrel meg lehet oldani. 7446 osnál L szinten vannak aktív kimenetek de a szegmenst meg H szintel lehet vezérelni. pl az 1 szám ki írásánál a meghajtó H L L H H H H jeleket ad a kijelzőre pedig
L H H L L L L kell.
Ha jól értelek, akkor nem. Ha a 11-es láb L szintre kerül, akkor a azon kívül, hogy leáll a számlálás, a programozó bemeneteken lévő érték íródik be a számlálóba. Szabadon hagyott bemeneteknél a 15. Hogy egy decimális számláló ezzel hogy birkózik meg, azt te előbb fogod tudni nálam
Inkább az órajelet kellene engedélyezned, ha a számlálás leállítása a célod.Igen, a közös anód-közös katód mizéria megoldható inverterekkel. A hozzászólás módosítva: Máj 25, 2014
Akkor a NYÁK-ot el is készítem az ick meg majd meg jönnek valamikor.
![]() Köszönöm a segítséget.
Akadt egy probléma elkészítettem nyákra az egészet a számlálók mennek szépen de az inverter-szegmens meghajtó között valami nem stimmel hiába L vagy H a inverterre érkező jel a kimenetén L szint van már vagy a 7.-et tettem bele szóval az működik szerintem, meg ahol van is jel maximum 1,5-2V ot mérek az egész egy 7805 ösről megy a kondik vannak a táp lábakon mindegyiken viszont 3 db 7404 közül az egyikben csak 2 invertert használok a többi a levegőben , meg sehol sincs a bemenet testre húzva 1 kohmos ellenálláson keresztül esetleg ez okozhatja a gondot ?
A hozzászólás módosítva: Máj 26, 2014
Pontosan milyen IC kimenetét milyen IC bemenetével kötöttél össze ? ( ha több bemenet is van, fontos a számok közötti betűjel is, illetve mennyi kapu van utána.. )
Az után még érdekes kérdés, mérd meg mindkét IC (a kimenetet adó ill a bemenetként használt) tápfeszültségét közvetlenül a táplábakon.( lehet csak a fogadó rész tápját felejtetted ki, vagy az egész tápfeszültséged elfogy.)
a 7 szegmens meghajtó kimenetei van végig (a,b,c,d,e,f,g) egy-egy inverterre kötve hogy jó legyen a szegmenshez. a felépítése úgy van hogy 3db 74193 as van össze kötve ahogy a rajzon van ezek működnek és 1-1 193-as ra van téve szegmens meghajtó a szegmens meghajtó kimenetein meg inverter és úgy a szegmensek. az egyik IC viszont melegszik pontosan nem tudom melyik de nem találtam zárlatot sehol végig mértem az egészet. a táp feszültség is le esik 4,9 V ró 3,6 környékére.
A hozzászólás módosítva: Máj 26, 2014
Ha sn7446-ot használsz, mint dekódert, annak a kimenete nem TTL ezért a kimenetekre egy egy felhúzó ellenállást kellene tenni.330-1000 ohm kb.( bár valószínű nem ez a fő problémád még) Az inverterek kimenetére nem való a led, Ezek a kimenetek a tényleges szinteket nem tudják maximum 5-8 mA terhelésen , így ne csodálkozz az alacsony feszültségen. (ha jól értettem az inverterek kimenetére ledeket kötöttél, és ezen nincs meg a feszültség)
Igen inverter után megy egyből a szegmens de próbáltam 7406 azzal ami egyben egy meghajtó fokozat de úgy sem meg leforrasztottam a a szegmenst úgy is csak 0,5V környékén mozgott de lehetett mérni a változás talán csak tényleg az a baja hogy kicsi a be érkező jel az inverternek.
A 7406 -tal az a probléma , ha nincs rajta a led, azért mérsz rajta rosszat, ha rajta van akkor meg azért..Szintén nyitott kollektoros, így vagy 0V (vagy a közeli) van rajta, vagy a külső áramköri elemek által meghatározott feszültség (ami egy leddel terhelve max. ( 5V-led nyitófeszültség) lehet.
Ezért ha mérsz valamit, akkor a jó kérdésnek tartalmaznia kell milyen típusú ic kimenete, milyen áramkörre / IC-re csatlakozik...(nem elég csak a funkció).Ennek hiányában nehéz jól válaszolni.
A led re van téve egy 91ohmos ellenállás előtétnek ha simán van a meghajtó után a szegmens akkor működik csak inverteren keresztül nem. talán ha ki veszem az előtétet vagy ki tranzisztorozom akkor működni fog. A 7446 on meg úgy mérek 1,5-2 V-ot hogy már rajta van az inverter .
A hozzászólás módosítva: Máj 26, 2014
Sikerült megoldani végül szereztem egy hozzá való kijelzőt kivettem az invertereket szépen számol oda-vissza.
Köszönöm, csak annyi a szépség hiba 3 számjegyhez 3 különböző méretű meg színű a kijelző.
Az vicces lehet, de működik az a lényeg. Nekem utamba került a lentebb említett ICM7217, ahhoz azt hiszem valami DVD-ből bontott négy digites LED-kijelzőt tettem. Kényelmes, mátrixban vannak a LED-ek. Na nem olcsó eszköz.
Most,hogy szóba jött a mátrix van egy olyan szegmensem hogy 3 kijelző van benne közös anódos külön-külön meg rá a táp de az a,b,c,d,e,f az közös azt mivel lehetne vezérelni ?
És erre még rá kell kötni a számlálókat vagy már tartalmazza ?
Viszont találtam egy ilyet és ez pont jó lenne a másik fajta szegmenshez ha jó látom az adatlapján. A hozzászólás módosítva: Máj 28, 2014
|
Bejelentkezés
Hirdetés |







