Fórum témák
» Több friss téma |
Fórum » Léptetőmotorok (vezérlése)
Emberkék , a mellékelt bekotes valakinek mukodik rendesen? Mert nalam a tranzisztorok melegedni kezdenek es a masik probléma , hogy amint az ujjammal kozelitek a bekotesben levo 6 lábu kapcsolo felé, elkezd mozogni ide - oda a motor, de amint elfoledel magam - ez a problema elmulik . Esetleg valakinek valami tipp? ( a nyákon a zárlatokat átnéztem nincs )
A hozzászólás módosítva: Márc 29, 2014
Az 555 5-ös lába és test közé tennék egy 10nF-ot. Különválasztanám az IC-k tápját a motortól.
gracias
De nada, ¡buena suerte!
Gondolom a ledek a visszáramok miatt vannak úgy ahogy, de biztos hogy jó megoldás ez hosszú távon? Ez nekem kb olyan mint ledekből egyenirányító hidat csinálni.
igen a ledeken mar enis elgondolkodtam miert is epp ugy de valszeg a visszaáram lesz az oka , de a masik problemam , hogy a tranzisztorok melegednek ( nagyon ),nyugalmi allapotban feszultseg alatt, es csak nemis 12 V -ot hanem 5 V ot nyomattam rá, de a védelemmel kapcsba halgatom az otleteket , milyen téren
A hozzászólás módosítva: Márc 29, 2014
Hello! Ha az ujjaddal, csak közelítesz és érzékeny rá, akkor ott valamelyik CMOS bement a levegőben lóg. Mert a CMOS kimenetek alacsony impedanciása, a D bementek, meg valamelyik Q vagy -Q kimenetre vannak kapcsolva. üdv!
A levegoben logas alatt azt erted, hogy nincs vegkepp semmihez hozzákotve ? azaz a 4013 as IC Q, -Q - kimentére kotott kapcsoloban lesz a hiba? vagy esetleg a tranzisztorokoig is haladhat?
A CMOS bementek szoktak "idegbajosak lenni" ha lógnak a levegőben. Annak határozott logikai szinten kell lenni. CMOS kimenetet nem kötelező bekötni sehova, de bementet igen. Szerintem a kapcsolónál van valami hiba. Vagy esetleg az egész áramkör GND-je lebeg valahol. Pld. Ha egy földeletlen PC tápra kötöd az áramkört. Mert akkor a földpotenciálhoz képest akár 110V-on is lebeghet a GND. ÉS akkor a kezed és a akármi között van nagy váltófeszültség. üdv!
Koszontem
Sziasztok!
Van egy 7Aes fázisáramú szép nagy léptetőmotorom, mekkora teljesítményű lehet szerintetek? 1.8fokos lépéssel. Teszek majd fel róla képet
Ezzel hogyan vezerelsz unipolaris motrot??
Sziasztok!
Hozzájutottam egy elvileg elektromos ablakemelő motorhoz vezérlővel együtt, (ház és áttét nélkül), viszont nem tudom beüzemelni sehogy. Esetleg találkozott már valaki hasonlóval?
Miböl gondolod, hogy abban léptetömotor van?
Egyik havernak hozták a gyárból ezt a cuccot és a srác aki szerezte az mondta hogy léptetőmotor.
Szevasztok,
a mellékelt képen egyértelműen léptetőmotor van... ![]() Dempsey: Ez a vezérlő valószínűleg CANbuszos komunikációval van ellátva, a vezetékek + vagy - ra kötésével biztos nem fog elindulni... A hozzászólás módosítva: Ápr 25, 2014
Szia!
Én is arra gyanakodtam hogy valami soros kommunikációval működhet, mert van benne egy kis Atmel IC aminek vannak RX és TX lábai és be is vannak kötve. Akkor ez sajnos felejtős lesz . Elvileg Porsche-ba való vagy valamelyik hasonló autóba.
A CAN bus is egy soros kommunikácio.
Ennek ellenére én mindössze 2 motorkivezetést látok (de lehet, hogy a fénykép rossz szögü).
Tudom hogy a CAN is soros kommunikáció. A motor másik oldalán is van 2 kivezetés.
Sziasztok!
Kaptam egy feladatot miszerint Léptetőmotort kell vezéreljek. A motort mindkét irányba kell vezérelni, elég pontosan kell a pozicionálást majd a későbbiekben, de most egyenlőre egyet kéne meghajtanom méghozzá DRV8825 IC-vel. Nagy tapasztalatom nincs a vezérlések, léptetőmotorok terén, ezért szeretnék segítséget kérni az áramkör elkészítésében!!
Én is éppen egy hasonlo chippel dolgozom. Gyakorlatilag evvel nincs mit tenned, csak be kell kötni az adatlap szerint. Az Mode1,2,3 on beállitod az üzemmodot, utánna már csak a vezérloimpulzusok kellenek.
Reset Sleep Enable low aktiv Dir Step Meg high aktiv Az adatlapban minden megtalálsz. Utánna már csak egy jelado kell ( impulzusok) a Step bemenetre, és kezelni az irányt (Dir). Az enyémen nincs Decay bemenet. A maradék meg nem kell ( egyelöre)
Sziasztok,
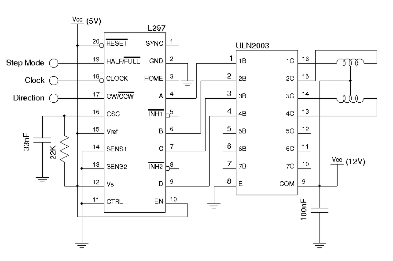
lehet egy amatőr kérdésnek tűnik, de meg kell h kérdezzem... a szöveghez csatolt bekötésnek van STEP, DIR ill. CLOCK kivezetése, na most a clock-ra okés, h ráküldöm az órajelet de a léptetést-STEP, és a vezérlést - DIR - azt h merre forogjon a motor- azt ha egyszerűen kapcsolókra vagy esetleg nyomógombra akarom megcsinálni, arra milyen bekötés szükséges? A válaszokat előre is köszönöm.
Hali!
A Te értelmezésedben a STEP az a rajzon a clock... A STEP MODE pedig hogy egész, vagy féllépéses módban STEPpegjen... vagyis ezt nem kell macerálni, egyszer eldöntöd és akár fixre is kötheted
az még világos is lenne , csak engem az a bekotes resze erdekelne , hogy hogyan es mikepp
Nem világos hogy mit szeretnél.
pl.:Step Mode földre, dir tápra pl 1k ellenállással, dir nyomógombbal földre, clk-ra küldöd a léptetőjelet, vagy clk tápra pl 1k ellenállással, clk nyomógombbal földre. A fészbúkos rövidítéseket mellőzd, mert a moderátorok megszólnak érte... A hozzászólás módosítva: Jún 5, 2014
Üdv Uraim! Léptető motort tekercselt már valaki? Kérdésem az lenne ha mondjuk alul az első fogra feltekerek X menetet óramutató járásával ellentétesen, akkor a vele szembe lévő fogra ugyanabba az irányba kell tekerni vagy ellentétesen?
Képböl világos. A felül vizszintes vonallal jelölt állapot az invertált azaz a FULL meg a CCW lesz amikor a bemeneten 0 van.
|
Bejelentkezés
Hirdetés |








. Elvileg Porsche-ba való vagy valamelyik hasonló autóba. 





