Fórum témák
» Több friss téma |
Mielőtt kérdezel, a következő két dolgot ellenőrizd!
I. A helyes tápfeszültségek megléte.
II. A kimeneten van-e egyenfeszültség.
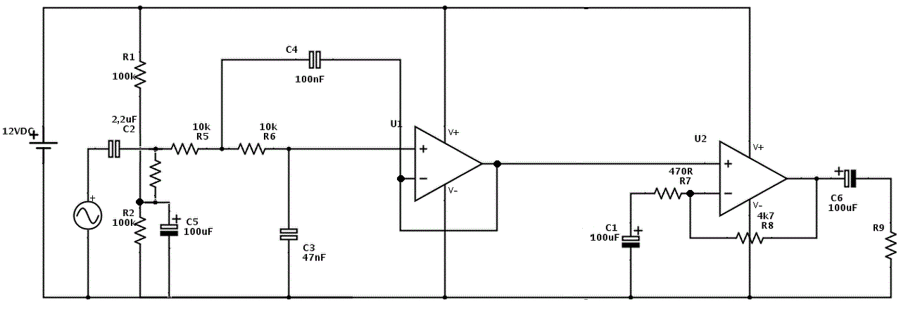
Élesztés.
Az R1, R2-vel elég alacsony bemenő impedanciát állítasz elő, és esélyt adsz a táphullámosság beszűrődésének. Ez jobb volt.
A berajzolt jelerősítés nem tudom milyen hatást vált ki, elhagynám. Arra egy másik műveleti erősítőt kéne befogni.
Helló
Igen jól gondolod, legalább is az a rengeteg pór ami benne volt az nem párhónapos volt. Köszönöm a tanácsod!Úgy fogok eljárni ahogy írtad, aztán ha az sem segít neki akkor nem marad más választás, csere lesz. Köszönöm mindenki segítőkészségét!
Így valahogy?
A hozzászólás módosítva: Jún 11, 2014
10 perc működés után 7mV van mind két ponton. A borda 34C.
Köszönöm a közreműködést!
Köszi szépen.
Pár dolgot nem nagyon értek benne.... Pl: C1,C5 miért kell? Az ismeretlen ellenálást milyen értékű legyen?+ annak mi a szerepe?
R7-en fél-táp van, C1 épp olyan DC leválasztó mint C2, C6.
C5 hidegítés, a táp esetleges hullámosságától óvja a bementet. Az ismeretlen értékű ellenállás hozzájárul a bemeneti impedanciához, és itt jut be a fél-táp a rendszerbe. Értékét 22k-47k között választanám meg. A szűrő megkívánja az alacsony impedanciás meghajtást. Ha a forrásod nem ilyen akkor U2-t helyezd U1 elé.
Igen cseréltem de semmi változás még most külön csak a tweetert is cseréltem de semmi javulás.
A hozzászólás módosítva: Jún 12, 2014
Más valamit még megnézzek, vagy már nincs más ötleted ?
Részemről egyelőre ennyi.
Üdv mindenkinek!
Egy kis segítséget szeretnék kérni egy Technics sa-190-es erősítő javításában! A végfok ic elfüstölt belőle, amivel effektíve nincs gond! De viszont találtam még egy erősen megégett ellenállás, de viszont nem tudom beazonosítani hogy mekkora is lehet! Mellékelek egy képet ahol bekarikáztam az ellenállás helyét! Van mellette egy szám (R634)! Bár ki bár miben tud segíteni nagyon megköszönném! Üdv mindenkinek!
Köszönöm! De ha boldogultam volna vele akkor nem kértem volna segítséget!
Itt a doksija, töltsd le és megtudod.
Valamit nem jól csinálhatok a letöltéssel mert mindenféle rajzjel van benne csak betű nincs...
Mit ronthatok el?
Ha minden igaz akkor ez valami áram korlátozó ellenállás? 1/4 W-os?
Köszönöm a segítséget!
Igen, valahol a végfok tápfeszéből ad egy kisebb áramú tápot az IC-nek. Ha az STK dokuját is letöltöd, abból pontosabban is kiderülhet, de felesleges szerintem.
Azért a C617-et is nézd meg, nem zárlatos-e, mert attól is lehetett az elégés.
Rendben! Köszönöm még egyszer a segítséget! A gazdája megpatkolta a biztit, és utána elhallgatott az erősítő!
Én valószínűnek tartom hogy ez miatt égett el az ellenállás!?Szép Napot!
Még annyit hozzá teszek hogy most vettem észre hogy csak a 7-es hangerőnél kezd el zúgni illetve van zaj.
Sziasztok! Segítségeteket szeretném kérni, mert van egy erősítőm ami csak mély hangot ad. Nekem eléggé furcsa, de rákötöttem két hangfalat is, és mind kettőnél egyértelműen lehet hallani hogy a basszus jól szól, de a magas alig. A típusa: onkyo A-8430. Egyenlőre nincs sok ötletem, hogy mi lehet vele, ezért szeretnék segítséget kérni, hol kezdjem a hiba keresését.
Sziasztok! Adott a következő kapcsolás: Bővebben: Link
Meg lehetne módosítani a kapcsolást, hogy a FET-ek direktbe kapnának 24V ot 12V helyett valami feszültség duplázóval, és így több teljesítmányt hoznák ki a kapcsolásból?
Sziasztok!
Segítséget szeretnék kérni. Olyan oldalakat keresek ahol élesztett erősítő paneleket árulnak (mint pl.: QUAD-405,TDA7294 stb.) csak még számomra nem találtam meg a megfelelő oldalt. Aki tud kérem írjon privát üzenetben vagy ide válaszként. Köszönöm!
Szia! Bővebben: Link
Köszönöm, ezt az oldalt én is megtaláltam. Megbízható oldal?
Vedd fel velük a kapcsolatot, mit vállalnak ha hiba adódik. Ott van még az Ebay mint lehetőség.
Hogy érted mit vállalnak, ha bekötési hiba nem adódik, és még se szólalna meg?
Sajnos Ebayről nincs lehetőségem rendelni.
Helló Reloop
Úgy tettem ahogy javasoltad, a hálózati ágba kötöttem be sorosan egy izzót. Bekapcsoláskor az izzó világit, és búg a hangszóró, zene nem jön ki rajta. Ez vajon utal más problémára is? Előre is köszönöm a válaszod! |
Bejelentkezés
Hirdetés |







Én valószínűnek tartom hogy ez miatt égett el az ellenállás!?





