Fórum témák
» Több friss téma |
Fórum » Subwoofer szűrő
Üdv. Mindenkinek!
Én most kezdek el összerakni egy aktív subwoofert. Kap egy közösítős szűrőt, egy VOX-ot meg egy végfokot. Az alapötlet az volt, hogy a tvhez lehet kapni cirka 40eFt-ért egy ilyen gyári woofert Sony-t, de mivel 4eFt-om sincs, ezért nekirugaszkodom magam. Van hozzá mindenem, úgyhogy nincs más hátra összerakom. Rakok fel kapcsolási rajzot, NYÁK tervet meg fényképeket szép sorjába, ahogy halad az ügy. Gondoltam megosztom veletek, hátha más is szeretne ilyet és hát valljuk be, az emberek örülnek a megépített, kipróbált áramköröknek.
Hát ezeket gondoltam összerakni, megépített darabok bár nem hiszem el ha csak már nekem is működik minden.
Annyi van még, hogy a jelközösítést a szűrőnél oldom meg 2 ellenállással a bemenetre, a védelemnél meg értelem szerűen elhagyom, mivel mono a subwoofer.
Szia! A szűrő minden bizonnyal számol a bemeneti ellenállással (R1 82k). Ha ott közösítesz, legyen mondjuk 150k-150k.
Szia! A 150k-s ellenállatot a 2 jelközösítőre érted, vagy a 82k helyett? Szerintem nagy volna a line bemenetnek 150k, mire eljut az OAmp-ba ellveszik.
(Vagy előerősítő és úgy közösíteni, majd a szűrő?)
Ha a forrás mindkét csatornáját 150k-val kötöd be az R1 helyén, akkor az azonos fázisú (a mélyek jellemzően azonos fázisúak) jeleket 75k-val csatoltnak látja. Ha szűrőt nem találod jónak a próba során szívesen begépelem Tina-ba és megnézzük mit is csinál
Ja, jólvan értem már!
Hát meglátjuk, ezt összedobálom hamarosan és meglátjuk. Köszi az ajánlatod!
Na a szűrő NYÁKterve meg is volna. Felrakom a képet, persze ha valakinek kell, felrakom szivesen a .lay formátumot is! Ide varázsolom még a többit is, most úgyis csak tervezés van, utána meg is csinálom őket.
Nem BD517 kéne bele? A TIP120 tokon belüli ellenállásaival szerintem gond lesz. Egy Nmos pár Mohm kisütővel praktikusabb lenne.
Igen erre nem gondoltam. Kicseréltem a TIP-et BC517-re, az elég a relének bőven. Az XµF-os kondi értékét nem tudom, csak majd ha összeraktam és kipróbáltam, az felelős az időért, ami után kikapcsol ha nincs jel. Mellékelem már egyúttal a hangfalvédőt is, az is elkészült most. A táp híja van, azt már holnap fogom szerintem megcsinálni.
Alakul. A BC517-nek nem így esik a lapolása. Ügyelj a beültetésnél, vagy igazíts a terven!
Lehet most én vagyok bamba, de a C-re megy a 12V, az E-re megy a relé nem? Itt a pozitívot kapcsolom a relére, nem a GND-t. Ha a kapcsolás így jó, akkor a BC is, mert annak így van a lábkiosztása. Fordítva nem is működne szerintem.
Jól rajzoltad! Átsiklottam felette, hogy ez emitterkövető. Ez lebegett a szemem előtt.
Na akkor jó, már kezdtem megijedni, hogy megőrültem.
Komoly kis rajz. Ma megcsinálom a táp tervét is, aztán meg nekiállok kimaratni és szórni belefele a sok kis cumót. Ha hazamentem akkor teszem felfele a rajzot, meg minden.
Elkészült a táp NYÁKterve is mostmár. Mivel van egy faintos kis toroidom, aminek a kimenetei pont jók számomra(ritka az ilyen az otthoni cuccokba), így egybe rajzoltam az egészet, hogy az összes szükséges feszültség egyben legyen. Van a terven üres forrpont, azt azért raktam rá, hogy amit nem használok a trafóból, azt ne hagyam már lógva, hanem legyen az is beforrasztva. A stab IC-k bordát kapnak, azért próbáltam úgy rendezni az egészet. Van egy átkötés a 7912 kimeneténél! Ha minden igaz klappol minden, úgyhogy nincs más hátra mint előre.
Nekiállok kimaratni a terveket, ha kész majd dobok fel képet róluk.
Sziasztok!
Próbálok összehozni valami szub szűrőt ( nagy részét magamtól ). Tina szerint a nagy része rendesen működik. Első két műveleti egy bemeneti összegző, hogy a forráson ne okozzon áthallást. Mi róla a véleményetek ? P1-4 közös tengelyen van.
Szia! Az 1nF szükségtelenül terheli a szűrő előtti jelforrás kimenetét. Az összegzés így is jó, bár az invertáló bementi egyszerűbb és ugyan úgy elvégezheted a 200Hz alatti kiemelést.
A Tina spektrumanalizátorával szemléletesebb a vágás töréspontja. A hozzászólás módosítva: Máj 14, 2014
Az csupán óvatosság, és lehet pár nanó lesz madj. Most készültem el a hozzá való végfok vázlatos tervével. Eddigi eredmények tina szerint 600watt 4ohmon 0,4% THD.
Szeretném ha kifejtenéd mit látok, audióban nem vagyok otthon.
Az "A"-hoz képest -3dB-re tekinthetjük az átviteli sávot - azt úgy meg lehet becsülni mindkét irányban. A relatív -40dB-nél már teljesnek értékelhető az elnyomás.
Tudja fene. A cikkek között szereplőt megépítettem, a tökéletes.
Itt találtam , van hozzá leírás tervek stb: http://www.chrudim.info/tuning/interier/in_zesilovac.html
Meg kell építeni és kipróbálni. Ettől is gyűlik a tapasztalatod.
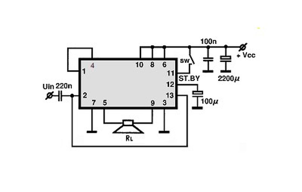
Sziasztok! Tervbe van egy kisebb teljesítményű mélyláda építése, a végerősítő egy híd kapcsolású TDA1518bq-ból áll, EZ pedig a szűrő hozzá. Megépítettem már mind2-t, de elég nagy a torzítás. A kérdésem az hogy az erősítőnek nagy a torzítása ezen az alacsonyabb frekvencián, vagy túlvezérelt vagy egyéb?
A hozzászólás módosítva: Júl 31, 2014
Szia! Próbáld ki külön az erősítőt. A hangerőt hol szabályozod?
Kezdetben csak az erősítőre kötöttem a bemenetet egy potival szabályzásképp, de úgy elég tisztán szólt. A szubszűrővel azonban kis hangerőn is nagy a torzítása. Lehet hogy túl nagy a bemenő jel a végerősítőnek?
|
Bejelentkezés
Hirdetés |




Rakok fel kapcsolási rajzot, NYÁK tervet meg fényképeket szép sorjába, ahogy halad az ügy. Gondoltam megosztom veletek, hátha más is szeretne ilyet és hát valljuk be, az emberek örülnek a megépített, kipróbált áramköröknek.



Hát meglátjuk, ezt összedobálom hamarosan és meglátjuk. Köszi az ajánlatod!



Komoly kis rajz. Ma megcsinálom a táp tervét is, aztán meg nekiállok kimaratni és szórni belefele a sok kis cumót. Ha hazamentem akkor teszem felfele a rajzot, meg minden. 










